Принципиальные схемы постоянно дорабатываются и усовершенствуются, поэтому принципиальная электрическая схема Вашего автобуса может иметь некоторые несущественные отличия от приведенной.
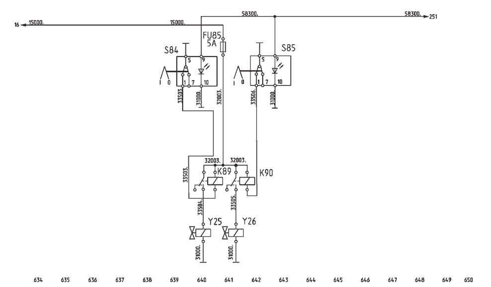
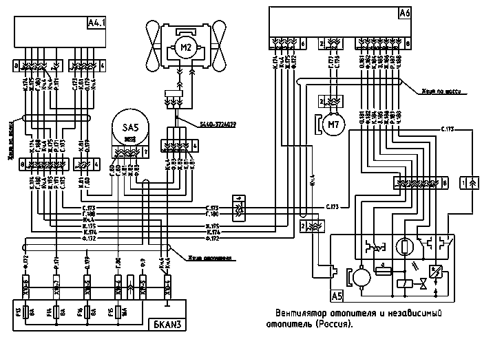
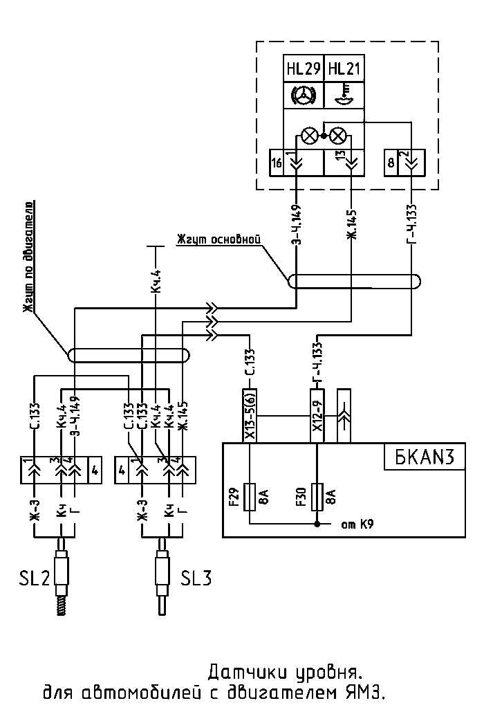
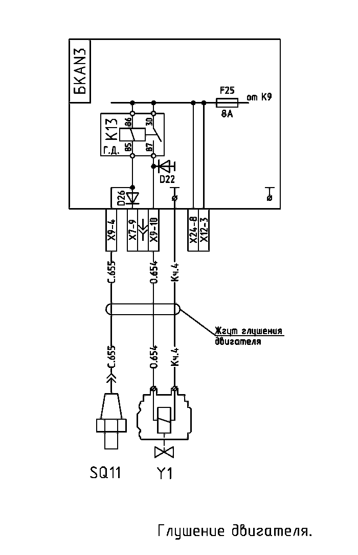
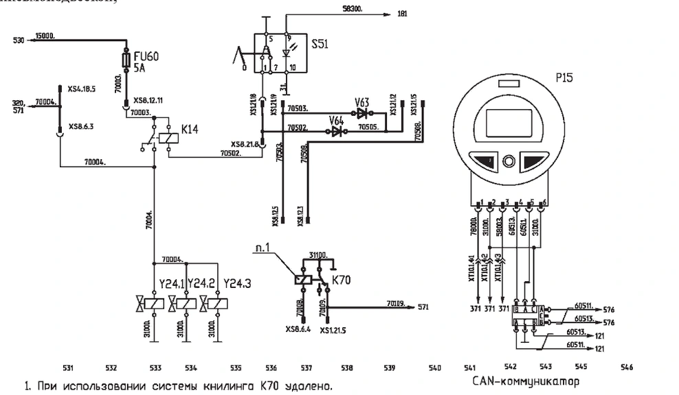
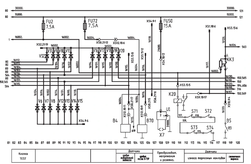
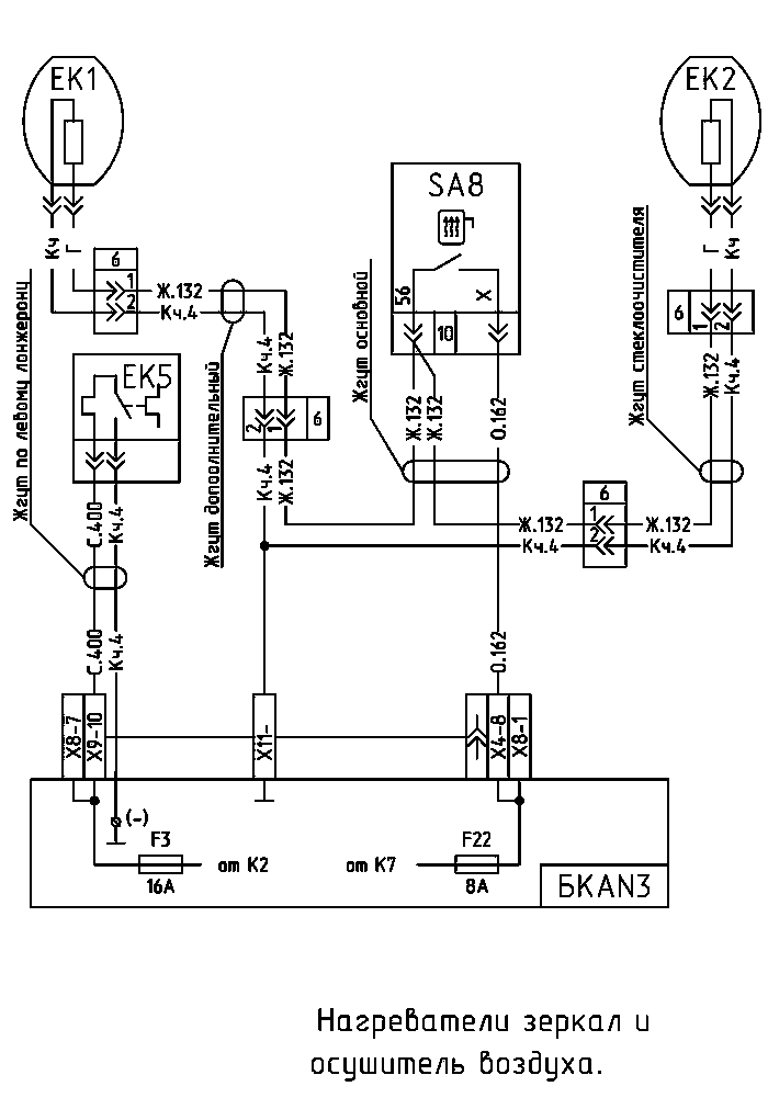
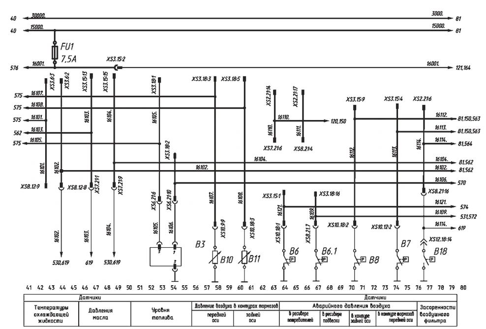
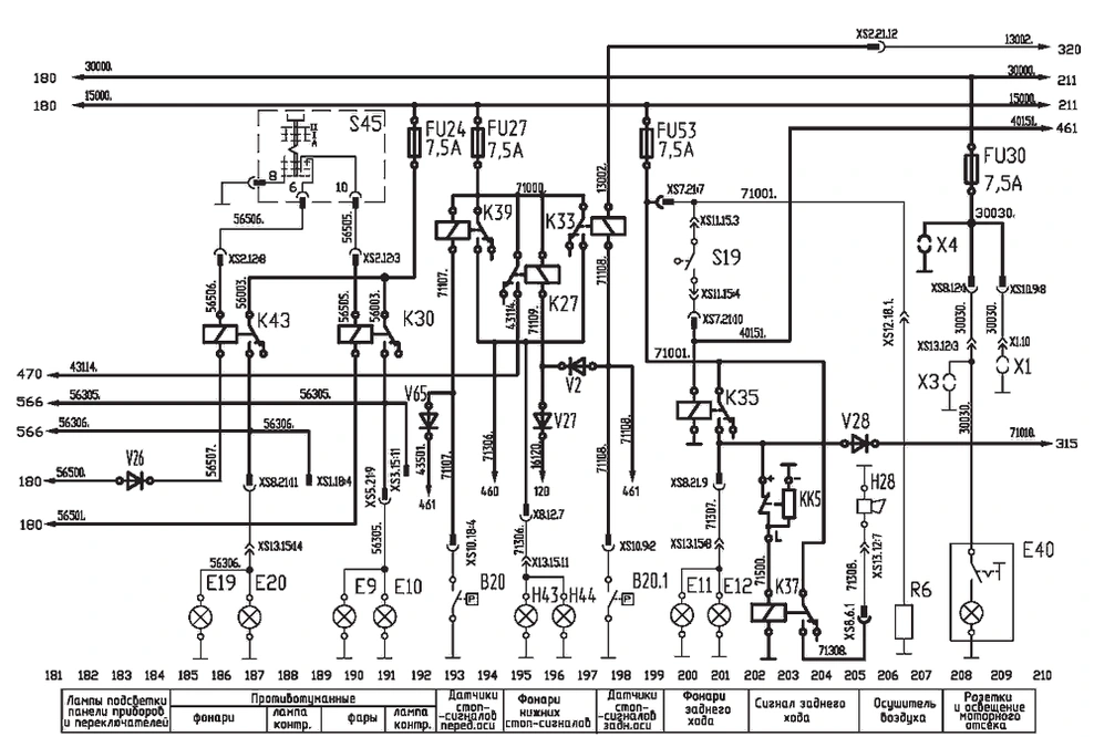
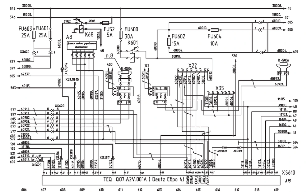
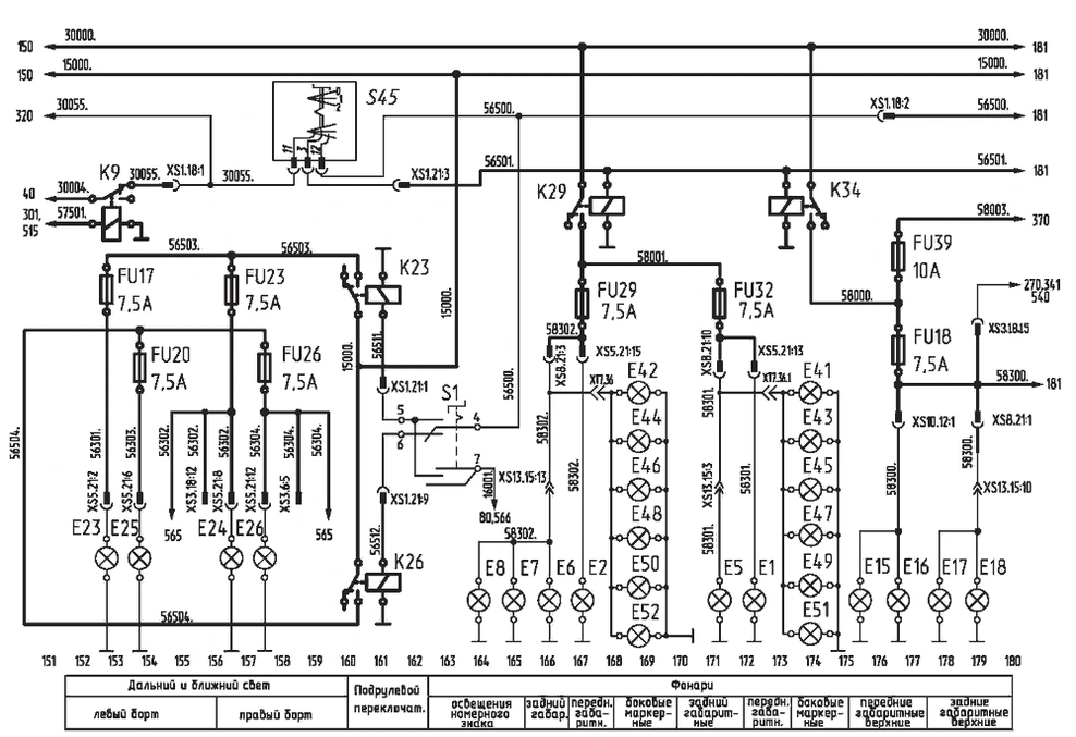
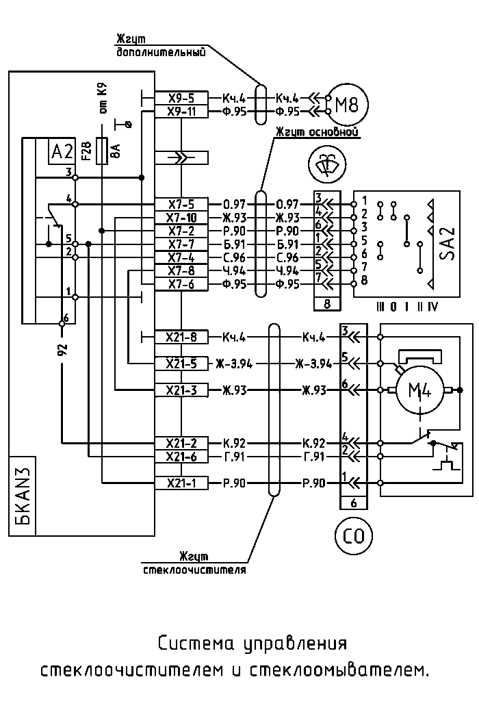
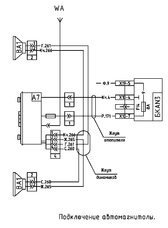
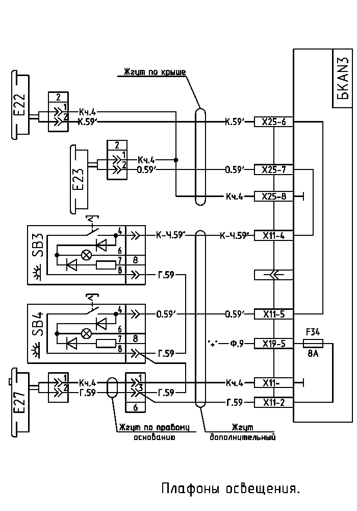
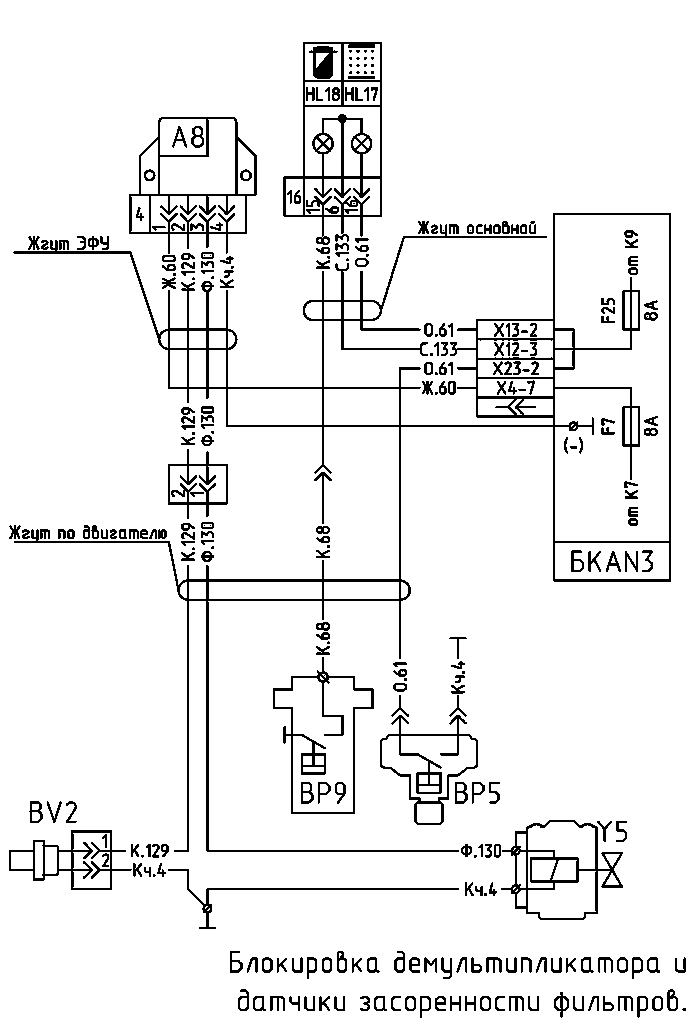
Пояснения к схеме электрооборудования:
А - электронные блоки;
B - датчики;
E - наружная светотехника;
F, FU - предохранители;
G - источники энергии;
H - контрольные лампы;
K - реле;
M - электродвигатели;
P - контрольные приборы;
Q - коммутирующие устройства;
R - резисторные элементы;
S - выключатели, переключатели;
V - диоды;
Y - вентили электромагнитные;
X - разъемные соединения.
Наведите указатель мыши на схему...
