Читаем электро схемы грузовиков JAC

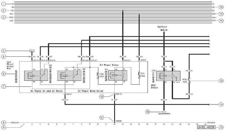
- B1: representing the power line which supplies power to cab electrical box through electrical box fuse SF02 of chassis
- B3: representing the power line which supplies power to cab electrical box through electrical box fuse SF04 of chassis
- IGN2: supply line for gear ON of ignition switch
- Skip sign: representing method for skip within system; 32 representing the line is directly connected to wire harness of wire size 32
- Wire color & wire diameter: representing method for wire color & wire diameter; BrR representing the wire is brown red and its diameter is 0.5 mm
- Component name: representing the name of the component
- Internal circuit: representing the wire is internal circuit of module or assembly and only for the reference of the tendency of internal circuit; in case of repairing, please replace the assembly as suggested
- GROUND: ground wire; other than ground wire connection itself in electrical circuit, all wire harness should be grounded through this wire
- Reference coordinate of electrical circuit: reference coordinate; each wire has its own coordinate setting for the convenience of finding and positioning of wire harness; each system has its own coordinate system
- Plug terminal: representing method for plug; B09-10 representing number 10 pin of plug B09
- Ground point: definition of ground point; G005 representing the wire get grounded to vehicle body through ground wire point G005; refer to distribution diagram of ground wire points for specific positions
- Skip information: representing component name connected with wire harness and corresponding plug terminal; the component to be connected is not main part in its system
- Circuit drawing No.: description of circuit drawing No.; it is used to distinguish different drawings
- Page break sign: description of connection of previous page and next page; representing the wire harness to be connected to same code of previous page or next page
- Fuse information: F35 15A representing that the wire harness passes through fuse with code F35 and maximum current value 15 A. Refer to electrical box for specific position of fuse F35
- ACC: supply line for gearACC of ignition switch
- IGN1: supply line for gear ON of ignition switch
- B2: representing the power line which supplies power to cab electrical box through electrical box fuse SF03 of chassis
Internal logo for circuit diagram

Non-detachable type guide wire jointing(usually used in the wire harness)

Component internal guide wire connection (non-detachable)

Component connector connection

Wiring harness connector connection

Crossed guide wires, no joint at the crossing

Twisted pair: guide wires twisted together

Shielded wire: One measure preventing electromagnetic interference of other equipment

Fuse/blown fuse: that will be blown under large current, to interrupt current and prevent the circuit from damage

Battery:to provide direct current for all kinds of electrical components on vehicle

Ground wire point: Point connected on the metal part of vehicle body

Resistance:Electrical element with fixed resistance

Speaker: Electrical device will generate sound wave when current passes through

Variable resistance: One kind of controllable electrical resistor with rated value of variable resistance; it is also referred to as voltage divider or variable resistor

Capacitance: Storage cell of small size for storing voltage temporarily

Diode: Semiconductor which only allows one-way circulating of current

Luminescence diode (LED): Give out light with current but will not generate heat when giving out light

Bulb: Current passes through light,gets it warming up and giving out light.

Switch: Turn on or off electrical circuit to allow or stop current passing through

Starter: start engine

Motor: Converting electrical energy to mechanical energy

Cigarette lighter/heater strip: One resistance heating element

Relay: meaning the switch controlled electronically

Double-throw relay: Having current passing through either group of contact in two groups of contact

Solenoid valve: One kind of electromagnetic coil which can generate magnetic field when current passes through
Term Abbreviations

Description of Guide Wire Color
