См. также:
Электрооборудование автобусов МАЗ 103, МАЗ 107
Автобусы имеют 24-вольтовую систему электрооборудования, которое выполнено по однопроводной схеме соединений. Минусом («массой») является каркас автобуса, соединенный с минусом аккумуляторных батарей.
Отличительной особенностью системы электрооборудования является то, что соединение жгутов проводов и подключение значительной части его изделий производится с использованием штекерных соединений.
Все основные жгуты стыкуются на блоке коммутации к соответствующим разъемам:
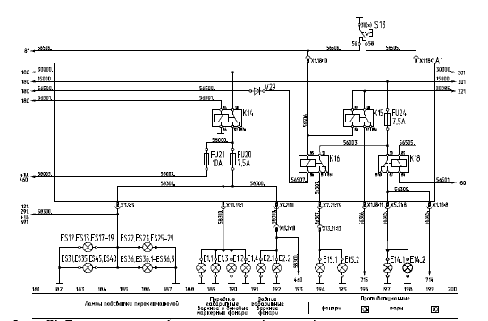
к разъемам XР1…XР4 – жгуты щитка приборов, к разъемам XР5.12, ХР5.21 - жгут передка, к разъемам XР6.12 и ХР6.21 – жгут дверей, к разъему XР7 - главный жгут, к разъему XР8 – жгут управления двигателем, к разъему XР9.6 – жгут системы пожаротушения, к разъему XР9.15 – жгут ABS, к разъему X9Р.18 – жгут ГМП, к разъемам XР10.12 и ХР10.15 – жгут пневмодатчиков, к разъему XР10.9 – жгут отопителей.
Главный жгут имеет стыковку в районе моторного отсека со жгутом по моторному отсеку (разъемы XР12.9 и ХР12.12) и жгутом задка (разъем ХР13).
Жгут управления двигателем имеет стыковку в воздушном канале перед моторным отсеком со жгутом по двигателю и жгутом электронных блоков управления (разъем ХР11), со жгутом моторного отсека
(разъем XР.12.15) и жгутом гидропривода вентилятора (разъем XА20).
Электрооборудование собрано в соответствии с принципиальной схемой, которая приведена ниже. Принципиальные схемы постоянно дорабатываются и усовершенствуются, поэтому принципиальная электрическая схема Вашего автобуса может иметь некоторые несущественные отличия от приведенной.
На автобусы устанавливаются блоки коммутации различных производителей (ООО «Белкарпром», ОДО «Павеж», ПРУП «МЭМЗ»). В связи с постоянной модернизацией и усовершенствованием в конструкцию БК могут вводиться изменения.
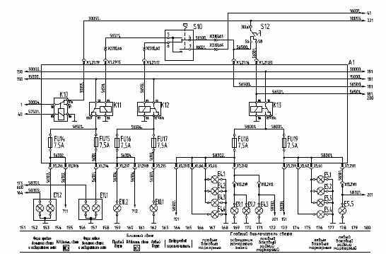
БК находится в перегородке за сиденьем водителя. В блоке коммутации расположены предохранители, промежуточные реле, реле поворотов, импульсное реле стеклоочистителя, стартерное реле и диодные сборки, обозначение и назначение которых указаны на БК.
БК выполняет функции защиты всех цепей электрооборудования автобуса от коротких замыканий, функции релейных развязок между щитком приборов и мощными потребителями электрической энергии. Подвод питания к блоку осуществляется сверху по двум цепям – генераторной 15000 и аккумуляторной 30000. О том, что цепи подключены, свидетельствует свечение диодов «ГЕН» и «АКБ».

Размещение электрического оборудования на автобусе (на примере автобуса МАЗ-107):
1 - верхняя панель приборов; 2 - блок управления системой ABS/ASR; 3 - блок управления третьей осью; 4 - жгуты по каркасу; 5 - фонари освещения салона; 6 - блок управления ГМП; 7 - блок управления гидроприводом вентилятора; 8 - блок управления двигателем; 9 - блок управления ЭФУ; 10 - блок управления системой SCR; 11 - разъемы Х11, Х12, Х13; 12 - датчик тахографа; 13 - боковые маркерные фонари; 14 - боковые фонари указателей поворота; 15 - КЭМ сиденья водителя и остановочного тормоза; 16 - подрулевой переключатель; 17 - передние верхние габаритные фонари; 18 - информационная система; 19 - стек-
лоочистители; 20 - указатель поворота; 21 - противотуманные фары; 22 - фары головного света; 23 - звуковые сигналы; 24 - стеклоомыватель; 25 - внешние кнопки открывания двери водителя; 26 - фонари освещения выходов; 27 - датчик уровня топлива; 28 - задние верхние фонари; 29 - выключатель блокировки пуска двигателя; 30 - освещение номерного знака; 31 - задние фонари; 32 - аккумуляторные батареи; 33 - кнопки требования остановки; 34 - кнопки требования остановки инвалидом; 35 - блок коммутации; 36 - блок управления системы автоматического пожаротушения; 37 - розетка; 38 - дополнительная панель
переключателей; 39 - датчики пневмосистем; 40 - щиток приборов

Блок коммутации:
а - ООО «Белкарпром», б - ОДО «Павеж»; в - ПРУП «МЭМЗ»
1 - разъем жгута дверей; 2 - разъем жгута электрооборудования для инвалидов; 3 - разъем главного жгута; 4 - разъем жгута управления двигателем; 5 - разъем жгута ГМП; 6 - разъем жгута системы пожаротушения; 7 - разъем жгута ABS/ASR; 8 - разъем жгута отопителей; 9 - разъем жгута пневмодатчиков; 10 - реле-прерыватель контрольной лампы стояночного тормоза; 11 - реле-прерыватель системы оповещения при движении задним ходом; 12 - реле поворотов; 13 - промежуточные реле;
14 - светодиоды исправности предохранителей; 15 - плавкие предохранители; 16 - розетка; 17 - разъем жгута боковых габаритных огней; 18 - разъем жгута передка; 19 - разъем жгута панели приборов; 20 - реле стеклоочистителя; 21 - реле стартера; 22 - диодные сборки; 23 - общая «масса»; 24 - подача питания на стартер; 25 - питание с АКБ; 26 - контрольная лампа исправности цепи АКБ; 27 - контрольная лампа исправности цепи генератора; 28 - питание цепи 15000;
29 - питание электронных блоков

подрисуночный текст выше

Блок коммутации:
а - ООО «Белкарпром», б - ОДО «Павеж»; в - ПРУП «МЭМЗ»
1 - разъем жгута дверей; 2 - разъем жгута электрооборудования для инвалидов; 3 - разъем главного жгута; 4 - разъем жгута управления двигателем; 5 - разъем жгута ГМП; 6 - разъем жгута системы пожаротушения; 7 - разъем жгута ABS/ASR; 8 - разъем жгута отопителей; 9 - разъем жгута пневмо-датчиков; 10 - реле-прерыватель контрольной лампы стояночного тормоза; 11 - реле-прерыватель системы оповещения при движении задним ходом; 12 - реле поворотов; 13 - промежуточные реле;
14 - светодиоды исправности предохранителей; 15 - плавкие предохранители; 16 - розетка; 17 - разъем жгута боковых габаритных огней; 18 - разъем жгута передка; 19 - разъем жгута панели приборов; 20 - реле стеклоочистителя; 21 - реле стартера; 22 - диодные сборки; 23 - общая «масса»; 24 - подача питания на стартер; 25 - питание с АКБ; 26 - контрольная лампа исправности цепи АКБ; 27 - контрольная лампа исправности цепи генератора; 28 - питание цепи 15000;
29 - питание электронных блоков
Пояснения к схеме электрооборудования:
А - электронные блоки;
B - датчики;
E - наружная светотехника;
F, FU - предохранители;
G - источники энергии;
H - контрольные лампы;
K - реле;
M - электродвигатели;
P - контрольные приборы;
Q - коммутирующие устройства;
R - резисторные элементы;
S - выключатели, переключатели;
V - диоды;
Y - вентили электромагнитные;
X - разъемные соединения.
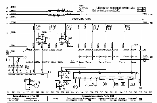
Предохранитель Ток (А) Потребитель, цепь
- FU1 10 Замок зажигания
- FU4 7,5 Контрольные приборы
- FU6 7,5 Аварийные и контрольные лампы
- FU7 7,5 Датчики уровня
- FU8 15 Преобразователь напряжения
- FU10 7,5 Звуковые сигналы
- FU11, FU12 7,5 Блок управления системой пожаротушения
- FU14 7,5 Дальний свет (правый)
- FU15 7,5 Дальний свет (левый)
- FU16 7,5 Ближний свет (правый)
- FU17 7,5 Ближний свет (левый)
- FU18 7,5 Габаритные огни (правые)
- FU19 7,5 Габаритные огни (левые)
- FU20 7,5 Габаритные фонари (передние и задние)
- FU21 10 Подсветка маршрутоуказателя
- FU24 7,5 Противотуманные фары, фонари
- FU25 7,5 Стоп-сигналы
- FU26 7,5 Фонари заднего хода
- FU27 7,5 Розетки и освещение моторного отсека
- FU29 7,5 Аварийная световая сигнализация
- FU30 7,5 Указатели поворотов
- FU32 10 Стеклоочиститель
- FU34 25 Отопитель места водителя
- FU35, FU36 20 Отопители салона
- FU38 15 Питание цепей управления систем вентиляции и подвески
- FU39 15 Крышные вентиляторы
- FU40 10 Воздушный отопитель
- FU41 5 Воздушный отопитель
- FU42 7,5 Включение ПЖД
- FU43 25 Питание ПЖД
- FU44 15 Питание ПЖД
- FU45 7,5 Реле подогрева форсунки ПЖД
- FU52 7,5 Освещение салона (аварийное)
- FU53 7,5 Освещение салона (светлое)
- FU54 15 Обогрев стекол и зеркал
- FU56 7,5 Питание дверей
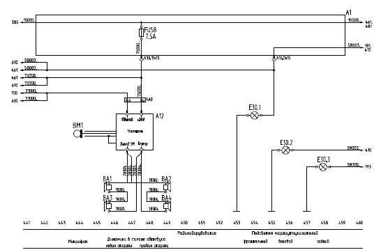
- FU58 7,5 Радиооборудование
- FU60 7,5 Информационная система
- FU63 5 ABS
- FU64 20 ABS
- FU65 15 ABS
- FU66, FU67, FU68 7,5 ГМП
- FU70 5 Система ЭФУ или предпускового подогрева свечей
- FU71 25 Система ЭФУ
- FU72 25 Обогрев топливного фильтра
- FU73 3 Гидропривод вентилятора
- FU74 10 Гидропривод вентилятора
- FU76 25 Блок управления двигателем MR (ОМ)
- FU77, FU78 10 Розетка диагностики двигателя (ОМ)
- FU76 10 Блок управления двигателем MR (ОМ)
- FU80 10 Блок управления ADM2 (ОМ)
- FU90 15 Предохранитель питания блока управления дополнительной оси
- FU91 7.5 Предохранитель питания централизованной системы смазки
- FU92 7.5 Предохранитель питания валидатора и турникета
- FU93 5 Предохранитель питания устройства компостирования проездных билетов
Реле Назначение
- К1 - К3 Реле блокировки стартера
- К4 Реле аварийного отключения контактора
- К6 Реле включения контактора
- К8 Реле звуковых сигналов
- К10 Реле аварийного отключения
- К11 Реле включения дальнего света
- K12 Реле включения ближнего света
- K13, К14 Реле включения габаритных огней
- К15 Реле включения контрольной лампы противотуманных фонарей
- К16 Реле включения противотуманных фонарей
- К18 Реле включения противотуманных фар
- К19 - К21 Реле включения стоп-сигналов
- К22 Реле включения фонарей заднего хода
- К23 Реле включения звукового сигнала заднего хода
- K25 - К27 Реле включения указателей поворотов
- K28 Реле указателей поворотов
- К29 Реле стеклоочистителя
- К31 Реле включения 1-ой скорости отопителя места водителя
- К32 Реле включения 2-ой скорости отопителя места водителя
- К33 Реле включения 3-ей скорости отопителя места водителя
- К34, К36 Реле включения 2-ой скорости отопителей салона
- К35, К37 Реле включения 1-ой скорости отопителей салона
- К40 Реле включения крышного вентилятора водителя
- К41 Реле включения крышных вентиляторов салона
- К43 Реле аварийного отключения воздушного отопителя
- К44 Реле аварийного отключения подогревателя жидкости
- К47 Реле включения аварийного освещения салона
- К48 Реле включения освещения салона
- К49 Реле включения обогрева зеркал
- К50 Реле включения обогрева стекол
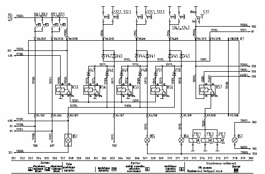
- К51, К52 Реле включения остановочного тормоза
- К53 - К56 Реле включения табло требования остановки
- К57 Реле включения системы наклона кузова
- К60 Реле блокировки закрытия средней двери
- К62 Реле включения стоп-сигналов от ГМП
- К63 Реле включения питания ГМП
- К64 Реле аварийной работы ГМП
- К65 Реле включения тормоз замедлителя ГМП
- К66 Реле инвертирования сигнала нейтрали ГМП
- К72, К73 Реле включения питания блока управления двигателем MR (ОМ)
- К80 Реле отключения блокировки дополнительной оси
- К81 Реле блокировки поворота колес дополнительной оси
- К82 Реле блокировки включения заднего хода
- К83 Реле включения поворота колес дополнительной оси влево
- K84 Реле включения поворота колес доп. оси вправо
- К92 Реле включения валидатора и турникета
- К93 Реле включения устройства компостирования проездных билетов
- КК1 Реле прерыватель стояночного тормоза
- КК3 Реле прерыватель звукового сигнала заднего хода
- KK5 Реле ограничения скорости
Система электропитания
КИП и датчики
Аварийная звуковая сигнализация, КИП и датчики


Спидометр, система автоматического пожаротушения, звуковые сигналы и датчики

Головные фары, габаритные огни

Подсветка стрелочных приборов, противотуманные фары и огни, фонари заднего хода, освещение моторного отсека, осушитель воздуха

Фонари стоп-сигналов, фонари заднего хода, осушитель воздуха, освещение моторного отсека, розетки

Указатели поворотов

Стеклоочиститель, стеклоомыватель, централизованная система смазки

Управление вентиляторами системы отопления


ПЖД, воздушный обогреватель

Внутреннее освещение, обогрев зеркал и стекол, остановочный тормоз


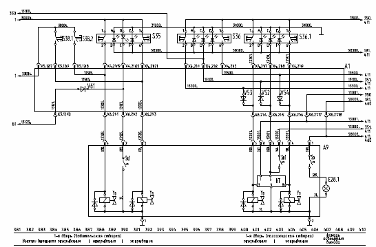
Управление приводом дверей

Управление приводом дверей

Радиооборудование

КПП



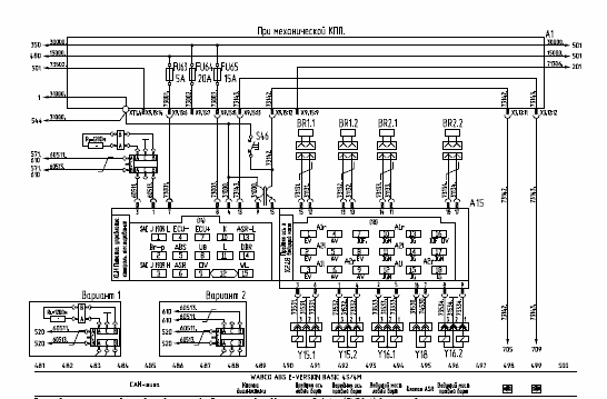
Система ABS/ASR:
а) - KNORR-BREMSE ABS/ASR ЕU12 4S/4K; б) - WABCO ABS E-VERSION BASIC 4S/4M; в) - ABS/ASR «Экран», г) - KNORR-BREMSE ABS/ASR ЕU12 6S/6K; д) - WABCO ABS E-VERSION BASIC 6S/6M


Блок управления системой SCR


Климатическая установка кабины водителя


Система управления дополнительной задней осью и система блокировки колес оси автобуса МАЗ107

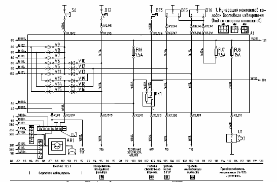
Щиток приборов

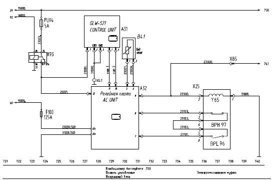
Система кондиционирования Aerosphere 350

Отопление салона и блок микроклимата рабочего места водителя

Отопление салона и быстрый прогрев двигателя


