Электросхема EHLA (Elektro-Hydraulische Lenk-Anlage) -
ALA (Adhäsionsgelenkte Lenk-Anlage) MAN
EHLA TGM/TGS/TGX
- A100 Центральная электрическая сеть
- A805 Блок управления EHLA
- B283 Датчик угла поворота переднего моста
- B284 Датчик угла поворота переднего управляемого моста/заднего управляемого моста
- B432 Выключатель бачка для масла рулевого управления для переднего/заднего управляемого моста
- F726 Предохранитель EHLA (клемма 15)
- X1644 Точка массы кабины рядом с центральной электрической сетью
- X4078 Штекерные соединения рамы EHLA
- Y333 Клапан управления
--------
- 1 Подключение шины данных CAN трансмиссии
- blrt Сине-красный
- blws Сине-белый
--------
- B1 Место установки двигателя (у TGM)
- E6 Место установки области центральной электрической сети
- E7 Место установки салазок блоков управления
- F5 Место установки передка внутри справа
- N Место установки переднего моста
- P Место установки заднего моста
- R1 Место установки передних частей рамы
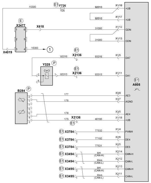
EHLA на автобусах с TEPS
- A805 Блок управления EHLA
- B283 Датчик угла поворота переднего моста
- B284 Датчик угла поворота переднего управляемого моста/заднего управляемого моста
- B432 Выключатель бачка для масла рулевого управления для переднего/заднего управляемого моста
- F726 Предохранитель EHLA (клемма 15)
- X618 Распределитель провода 31000
- X2136 Штекер, задний поддерживающий мост — приборная плата
- X3477 Клеммная колодка двигателя в приборном ящике задней части
- X3494 Штекерное соединение переходника T-CAN
- X3495 Штекерное соединение переходника T-CAN
- X3784 Штекерное соединение интерфейса EHLA
- X4019 Распределитель провода 15300
- Y333 Клапан управления
--------
- 1 Электропитание (клемма 15)
- blrt Сине-красный
- blws Сине-белый
--------
- A Место установки задней части
- E1 Место установки приборной платы 1 (вспомогательной коммутационной панели)
- N Место установки переднего моста
- P Место установки заднего моста
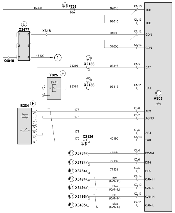
ALA на автобусах с TEPS

- A805 Блок управления EHLA
- B284 Датчик угла поворота переднего управляемого моста/заднего управляемого моста
- F726 Предохранитель EHLA (клемма 15)
- X618 Распределитель провода 31000
- X2136 Штекер, задний поддерживающий мост — приборная плата
- X3477 Клеммная колодка двигателя в приборном ящике задней части
- X3494 Штекерное соединение переходника T-CAN
- X3495 Штекерное соединение переходника T-CAN
- X3784 Штекерное соединение интерфейса EHLA
- X4019 Распределитель провода 15300
- Y325 Электромагнитный клапан заднего поддерживающего моста (блокировка)
--------
- 1 Электропитание (клемма 15)
- blrt Сине-красный
- blws Сине-белый
--------
- E Место установки приборного отсека (аккумуляторного отсека)
- E1 Место установки приборной платы 1 (вспомогательной коммутационной панели)
- P Место установки заднего моста

