Электросхема переключения передач GS Mercedes Axor 940-944
А16: Электропитание GS управление переключением передач

- А1: Держатель предохранителя
- А7: Базовый модуль
- А15: Модуль рычага переключения GS (EPS)
- А16: Блок управления GS (EPS)
А15, А16: Модуль рычага переключения / Блок управления GS
управление переключением передач

- А15: Модуль рычага переключения GS (EPS)
- А16: Блок управления GS (EPS)
MSI, MS2: Электромагнитные клапаны 'Делитель'

- А15: Модуль рычага переключения GS (EPS)
- А16: Блок управления GS (EPS)
- Х2.1: Плата штекеров кабина водителя - шасси
- Х29: Штекерное соединение (КП) GS (EPS)
- Y29: Блок клапанов GS (EPS), электромагнитный клапан MS2
- Y30: Блок клапанов GS (EPS), электромагнитный клапан MSI
Указание:
- 1: Серийный
- 2: Вариант электросхемы действителен только в случае установленного оборудования NMV и WSK.
- 3: Общая точка массы электромагнитных клапанов
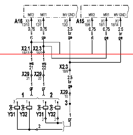
MR1, MR2: Электромагнитные клапаны 'Диапазон'

- А15: Модуль рычага переключения GS (EPS)
- А16: Блок управления GS (EPS)
- Х2.1: Плата штекеров кабина водителя - шасси
- Х29: Штекерное соединение (КП) GS (EPS)
- Y31: Блок клапанов GS (EPS), электромагнитный клапан MR2
- Y32: Блок клапанов GS (EPS), электромагнитный клапан MR1
Указание:
- 1: Серийный
- 2: В случае установленного РЕТАРДЕРА TELMA:
- 3: Общая точка массы электромагнитных клапанов
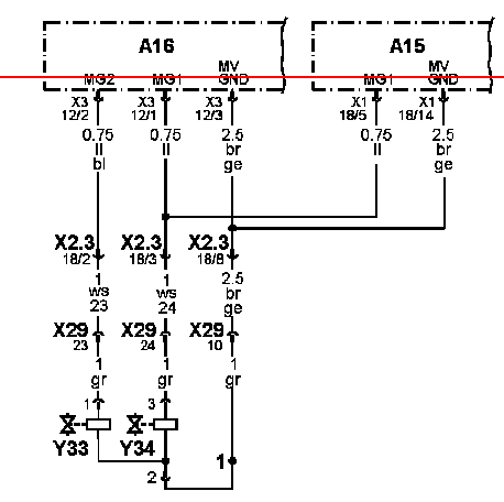
MG1, MG2: Электромагнитные клапаны 'Коридор передач'

- А15: Модуль рычага переключения GS (EPS)
- А16: Блок управления GS (EPS)
- Х2.1: Плата штекеров кабина водителя - шасси
- Х29: Штекерное соединение (КП) GS (EPS)
- Y33: Блок клапанов GS (EPS), электромагнитный клапан MG2
- Y34: Блок клапанов GS (EPS), электромагнитный клапан MG1
Указание:
- 1: Общая точка массы электромагнитных клапанов
MUB, MGB, MUE, MGE: Электромагнитные клапаны 'Передача'

- А15: Модуль рычага переключения GS (EPS)
- А16: Блок управления GS (EPS)
- Х2.1: Плата штекеров кабина водителя - шасси
- Х29: Штекерное соединение (КП) GS (EPS)
- Y35: Блок клапанов GS (EPS), электромагнитный клапан MUB
- Y36: Блок клапанов GS (EPS), электромагнитный клапан MGB
- Y37: Блок клапанов GS (EPS), электромагнитный клапан MUE
- Y38: Блок клапанов GS (EPS), электромагнитный клапан MGE
Указание:
- 1: Общая точка массы электромагнитных клапанов
В57 / ВЗ: Датчик вращения / Датчик числа оборотов на входе КП

- А16: Блок управления GS (EPS)
- ВЗ: Датчик числа оборотов на входе КП
- В57: Датчик вращения
- 1: Тахограф РЗ ( Контакт Х4 8/3 )
Указание:
- Датчик вращения В57 установлен только на полноприводных а/м с 2-ступенчатой раздаточной коробкой или на а/м с EAS.
В60 / В61 / В62 / В63 / В2: Датчики перемещения

- ВбО: Датчик передачи
- В61: Датчик "коридора" выбора передачи
- В62: Датчик делителя
- ВбЗ: Датчик пониженной передачи
- В2: Датчик перемещения сцепления
- Х2.1: Плата штекеров кабина водителя - шасси
- Х29: Штекерное соединение (КП) GS (EPS)
РЗ: МТСО модульный тахограф

- А16: Блок управления GS
- В17: Датчик вращения
- РЗ: МТСО модульный тахограф
Р4: Электропитание блока управления INS комбинация приборов

- А7: Базовый модуль
- РЗ: МТСО модульный тахограф
- Р4: INS комбинация приборов
11, 22: Точка звезды шины CAN а/м

- А16: Блок управления GS
- Z1: Точка звезды CAN на консоли
- Z2: Точка звезды CAN на задней стенке кабины водителя
Общий обзор: КП

- 1: канал для кабелей
- 2: Штекерное соединение для КП (Х29)
- 3: Блок клапанов GS (EPS), электромагнитные клапаны MSI и MS2
- 4: Цилиндр переключения 'Коридор передач1
- 5: Блок клапанов GS (EPS), электромагнитные клапаны MG1 и MG2
- 6: Датчик "коридора" выбора передачи (В61)
- 7: Датчик делителя (В62)
- 8: Датчик пониженной передачи (В63)
- 9: Цилиндр переключения 'Пониженная передача'
- 10: Датчик скорости (В17) и смещённый по углу вертикально вниз датчик вращения (В57)
- 11: Цилиндр переключения 'Передача'
- 12: Датчик числа оборотов на входе КП (ВЗ)
- 13: Датчик передачи (В60)
- 14: Блок клапанов GS (EPS), электромагнитные клапаны MUE, MGE, MUB и MGB
- 15: Усилитель привода сцепления с датчиком перемещения сцепления
- 16: разъём механического аварийного переключения
А6: Блок управления MR система управления двигателем

- 1: Блок управления MR система управления двигателем
А7: Обзор через базовый модуль

- Обзор через базовый модуль
А15: Модуль рычага переключения

- 1: Модуль рычага переключения GS (EPS)
А16: Блок управления GS управление переключением передач
А20: Блок управления RS управление тормозом-замедлителем (ретардером)

- 7: GS управление переключением передач
- 6 (А20): RS управление тормозом-замедлителем (ретардером)
В2: Датчик перемещения сцепления

- 7: Датчик перемещения сцепления
Указание:
- Датчик перемещения сцепления находится на усилителе привода сцепления.
ВЗ: Датчик числа оборотов на входе КП

- 11 Датчик числа оборотов на входе КП
В17: Датчик вращения

- 1: Датчик вращения (В17)
Указание:
- Датчик вращения находится на выходе КП сверху.
В57: Датчик вращения

- В57: Датчик вращения
Указание:
- Датчик вращения находится на выходе КП снизу.
- Датчик вращения В57 установлен только на полноприводных а/м с 2-ступенчатой раздаточной коробкой или на а/м с EAS.
В60: Датчик передачи

- 9: Датчик передачи
Указание:
- На иллюстрация под датчиком виден цилиндр переключения 'Передача'.
В61 / В62: Датчик "коридора" выбора передачи / Датчик делителя

- 12: Датчик "коридора" выбора передачи
- 13: Датчик делителя
Указание:
- На иллюстрации справа, рядом с датчиками виден цилиндр переключения 'Коридор передач'.
В63: Датчик пониженной передачи

- 10: Датчик пониженной передачи
MUE, MGE, MUB, MGB: Электромагнитные клапаны на цилиндре 'Передача'

- 4: Цилиндр переключения 'Передача' с электромагнитными клапанами MUE, MGE, MUB и MGB
Указание:
- Блок клапанов с электромагнитными клапанами MUE, MGE, MUB и MGB находится снизу на цилиндре переключения.
- Электромагнитные клапаны MUB и MGB находятся слева в блоке клапанов.
- Электромагнитные клапаны MUE и MGE находятся справа в блоке клапанов.
MSI, MS2: Электромагнитные клапаны на цилиндре 'Делитель'

- 5: Цилиндр переключения 'Коридор передач' с электромагнитными клапанами MSI, MS2, MG1 и MG2
Указание:
- Блок клапанов с электромагнитными клапанами MSI и MS2 находится справа от цилиндра переключения.
- Блок клапанов с электромагнитными клапанами MG1 и MG2 находится под цилиндром переключения.
MG1, MG2: Электромагнитные клапаны на цилиндре 'Коридор передач'

- 5: Цилиндр переключения 'Коридор передач' с электромагнитными клапанами MSI, MS2, MG1 и MG2
Указание:
- Блок клапанов с электромагнитными клапанами MSI и MS2 находится справа от цилиндра переключения.
- Блок клапанов с электромагнитными клапанами MG1 и MG2 находится под цилиндром переключения.
MR1, MR2: Электромагнитные клапаны на цилиндре 'Диапазон'

- 8: Цилиндр переключения 'Пониженная передача' с электромагнитными клапанами MR1 и MR2
Указание:
- Цилиндр переключения 'Пониженная передача' находится на выходе КП.
Х2.1: Штекерное соединение 'Плата штекеров - Кабина водителя - шасси’

- Х2.1: Штекерное соединение 'Плата штекеров - Кабина водителя - шасси'
Х2.3: Штекерное соединение 'Плата штекеров - Кабина водителя - шасси’

- Х2.3: Штекерное соединение 'Плата штекеров - Кабина водителя - шасси'
Х29: Штекерное соединение (КП) GS (EPS)

- 6 (Х29): Штекерное соединение (КП) GS (EPS)
Z1: Точка звезды CAN на консоли

- 1: Точка звезды CAN
Z2: Точка звезды CAN на задней стенке кабины водителя

- 1: Точка звезды CAN
Расположение штекеров в базовом модуле

Распределение штекеров XI на блоке управления GS
управление переключением передач

- 1: Шина CAN High
- 3: Шина CAN Low
- 7: Клемма 30
- 8: Клемма 15
- 9: Клемма 31
Распределение штекеров Х2 на блоке управления GS
управление переключением передач

- 3: Соединение к конструктивному узлу А15
- 4: Соединение к конструктивному узлу А15
- 5: Соединение к конструктивному узлу А15
- б: Соединение к конструктивному узлу А15
Распределение штекеров ХЗ на блоке управления GS
управление переключением передач

- 1: Электромагнитный клапан коридора передач 1
- 2: Электромагнитный клапан 'Коридор передач 2'
- 3: Провод массы электромагнитных клапанов
- 4: Электромагнитный клапан делителя 1
- 5: Электромагнитный клапан делителя 2
- 7: Электромагнитный клапан пониженной передачи 1
- 8: Электромагнитный клапан подачи воздуха для чётных передач
- 9: Электромагнитный клапан выпуска воздуха для чётных передач
- 10: Электромагнитный клапан пониженной передачи 2
- 11: Электромагнитный клапан подачи воздуха для нечётных передач
- 12: Электромагнитный клапан выпуска воздуха для нечётных передач
Распределение штекеров Х4 на блоке управления GS
управление переключением передач

- 1: Сигнал скорости (D3)
- 2: Сигнал от конструктивного узла В57
- 3: Питание датчика вращения В57 минусом
- 4: Сигнал 'Блокировки дифференциала'
- 5: Сигнал 'Раздаточная коробка'
- б: Питание датчика вращения В57 плюсом
- 8: Вход 'Датчик числа оборотов КП' (ВЗ)
- 9: Вход 'Датчик числа оборотов КП' (ВЗ)
- 10: Датчик пониженной передачи (ВбЗ)
- 11: Датчик 'Сцепление' (SKU) (В2)
- 12: Провод массы для датчиков
- 13: Датчик делителя (В62)
- 14: Датчик передачи (В60)
- 15: Датчик "коридора" выбора передачи (В61)
Распределение штекеров XI на модуле рычага переключения

- 1: Электромагнитный клапан пониженной передачи 1
- 2: Электромагнитный клапан подачи воздуха для чётных передач
- 3: Электромагнитный клапан выпуска воздуха для чётных передач
- 4: Электромагнитный клапан выпуска воздуха для нечётных передач
- 5: Электромагнитный клапан 'Коридор передач 1'
- 6: Электромагнитный клапан пониженной передачи 2
- 8: Клемма 31
- 9: Электромагнитный клапан подачи воздуха для нечётных передач
- 11: Соединение к конструктивному узлу А16
- 12: Соединение к конструктивному узлу А16
- 14: Электромагнитный клапан 'Масса'
- 15: Электропитание А15
- 17: Соединение к конструктивному узлу А16
- 18: Соединение к конструктивному узлу А16
Распределение штекеров: В60 / В61 / В62 / В63 / В2

- 1: Сигнальный провод
- 2: Провод массы
Распределение штекеров: MG1, MG2, MUB, MGB, MUE, MGE, MR1, MR2, MSI, MS2

- 1: Провод управления
- 3: Провод управления
- 2: Провод массы
ПРОЦЕССЫ ОБУЧЕНИЯ
Большой процесс инициализации (обучения) для блока управления GS
Условие:
- Большой процесс инициализации (обучения) необходимо выполнять только если был заменён блок управления GS (EPS), была установлена КП другого типа или двигатель другого типа.
Указание:
- При большом процессе инициализации (обучения) заново определяется тип КП и значения пути датчиков перемещения сцепления, делителя, диапазона, передачи и "коридора" передач.
- Во время процесса обучения сцепление нажимать всегда 'полностью' до упора и отпускать, для того чтобы избежать повреждения КП из-за неправильных обученных данных сцепления.
- После замены блока управления с последующим большим процессом инициализации (обучения), параметры 1, 3 , 8 , 9, 10 и 11 должны быть переняты со снятого блока управления.
- После большого процесса инициализации (обучения) на строительных а/м, необходимо установить параметры 4 и 7 заново и затем провести малый процесс инициализации (обучения).

- (1) Модуль рычага переключения GS управление переключением передач (EPS)
Указание:
- Задействовать стояночный тормоз.
- Нажать полностью до упора и удерживать педаль сцепления.
• Нажать и удерживать функциональную клавишу и клавишу Neutral.
- Включить зажигание.
- Завести двигатель при мигающем значке 'Neutral' на дисплее.
- При 1-ом звуковом сигнале отпустить педаль сцепления.
- При 2-ом звуковом сигнале нажать педаль сцепления полностью до упора.
- При 3-ом звуковом сигнале отпустить педаль сцепления.
• При 4-ом звуковом сигнале нажать педаль сцепления полностью до упора.
- После 5-го звукового сигнала процесс инициализации (обучения) завершён.
- Отпустить педаль сцепления.
Указание:
• Мигающие стрелки делителя означают, что процесс инициализации (обучения) ещё идёт и не был прерван неисправностью.
- Если на дисплее появляется указание 'Neutral', процесс инициализации (обучения) завершён успешно.
- Процесс инициализации (обучения) безуспешен: повторить процесс инициализации (обучения), при необходимости, устранить актуальные неисправности в блоке управления GS (EPS).
- Функциональная клавиша находится на рычаге выбора передачи со стороны водителя.
- Клавиша 'Нейтраль' находится на рычаге выбора передачи со стороны переднего пассажира.
Малый процесс инициализации (обучения) для блока управления GS
Условие:
- Малый процесс инициализации (обучения) должен проводиться, если была заменена КП (на тот же тип КП) или датчик перемещения сцепления, делителя, диапазона, передачи или "коридора" передач.
- Малый процесс инициализации (обучения) необходимо выполнять, если было заменено сцепление или проводились работы по сцеплению, усилителю привода сцепления или датчику перемещения сцепления.
Указание:
- При малом процессе инициализации (обучения) заново определяются значения пути датчиков перемещения сцепления, делителя, диапазона, передачи и "коридора" передач.
- Во время процесса обучения сцепление нажимать всегда 'полностью' до упора и отпускать, для того чтобы избежать повреждения КП из-за неправильных обученных данных сцепления.

- (1) Модуль рычага переключения GS управление переключением передач (EPS)
Указание:
- Задействовать стояночный тормоз.
- Нажать полностью до упора и удерживать педаль сцепления.
- Нажать и удерживать клавишу 'Neutral'.
- Включить зажигание.
- При 1-ом звуковом сигнале отпустить педаль сцепления.
- При 2-ом звуковом сигнале нажать педаль сцепления полностью до упора.
- При 3-ом звуковом сигнале отпустить педаль сцепления.
- Отпустить педаль сцепления.
Указание:
- Мигающие стрелки делителя означают, что процесс инициализации (обучения) ещё идёт и не был прерван неисправностью.
- Если на дисплее появляется указание 'Neutral', процесс инициализации (обучения) завершён успешно.
- Процесс инициализации (обучения) безуспешен: повторить процесс инициализации (обучения), при необходимости, устранить актуальные неисправности в блоке управления GS (EPS).
- Клавиша 'Нейтраль' находится на рычаге выбора передачи со стороны переднего пассажира.
КОДЫ ОШИБОК ОБУЧЕНИЯ
GS 01 Клавиша управления аварийным переключением не в базовом положении.
- В: Модуль рычага переключения GS с клавишей управления (круглой) для аварийного переключения
Возможные причины неисправности:
- Клавиша управления аварийным переключением не в базовом положении.
Указание:
- Привести клавишу управления аварийным переключением в базовое положение.
Действительные значения:
- Аварийный переключатель на модуле рычага переключения:
БАЗОВОЕ ПОЛОЖЕНИЕ

GS 02 Активно аварийное переключение.
Указание:
- Провести поиск неисправности.
- Привести клавишу управления аварийным переключением в базовое положение.
Действительные значения:
- Аварийный переключатель на модуле рычага переключения: БАЗОВОЕ ПОЛОЖЕНИЕ
GS 09 Ошибка обучения: нейтральное положение
Возможные причины неисправности:
- Конструктивный узел Датчик передачи имеет механическую (тугой ход толкателя) или электрическую неисправность (коррозия на штекерных соединениях).
- Воздушная подушка в цилиндре включения передач
- Тугой ход, замасливание цилиндра включения передач
- Механическая неисправность в КП
Указание:
- Первоначально принятое 'Нейтральное положение' было покинуто без запроса на + - 20 counts.
Действительные значения:
- Значение пути передачи: 650 counts
GS 10 Ошибка обучения: неверные обученные значения делителя.
Возможные причины неисправности:
- Электрическое подключение электромагнитных клапанов MSI и MS2 неверно.
- Конструктивный узел Датчик делителя имеет механическую (тугой ход толкателя) или электрическую неисправность (коррозия на штекерных соединениях).
- Механическая неисправность конструктивного узла Цилиндр делителя
- Механическая неисправность в КП
Указание:
- Расстояние между обученными значениями 'Делитель, положение медленно' и 'Делитель, положение быстро' слишком мало.
- Минимальное расстояние должно быть >144 counts.
Действительные значения:
- Значение пути делителя: 860 counts
GS 11 Ошибка обучения: неверные обученные значения передач.
Возможные причины неисправности:
- Электрическое подключение электромагнитных клапанов MUB и MGB неверно.
- Электрическое подключение электромагнитных клапанов MUE и MGE неверно.
- Конструктивный узел Датчик передачи имеет механическую (тугой ход толкателя) или электрическую неисправность (коррозия на штекерных соединениях).
- Механическая неисправность конструктивного узла Цилиндр включения передач
- Механическая неисправность в КП
Указание:
- Расстояние между обученными значениями 'Передача, положение нейтрали' и 'Передача, нечётное положение' слишком мало.
- Минимальное расстояние должно быть >176 counts.
Действительные значения:
- Значение пути передачи: 650 counts
GS 12 Ошибка обучения: неверные обученные значения передач.
Возможные причины неисправности:
- Электрическое подключение электромагнитных клапанов MUB и MGB неверно.
- Электрическое подключение электромагнитных клапанов MUE и MGE неверно.
- Конструктивный узел Датчик передачи имеет механическую (тугой ход толкателя) или электрическую неисправность (коррозия на штекерных соединениях).
- Механическая неисправность конструктивного узла Цилиндр включения передач
- Механическая неисправность в КП
Указание:
- Расстояние между обученными значениями 'Передача, положение нейтрали' и 'Передача, чётное положение' слишком мало.
- Минимальное расстояние должно быть >176 counts.
Действительные значения:
- Значение пути передачи: 650 counts
GS 13 Ошибка обучения: неверные обученные значения "коридоров" передач.
Возможные причины неисправности:
- Электрическое подключение электромагнитных клапанов MG1 и MG2 неверно.
- Конструктивный узел Датчик "коридора" выбора передачи имеет механическую (тугой ход толкателя) или электрическую неисправность (коррозия на штекерных соединениях).
- Механическая неисправность конструктивного узла Цилиндр выбора коридоров передач
- Механическая неисправность в КП
Указание:
- Расстояние между обученными значениями 'Коридор передач, положение передачи заднего хода' и 'Коридор передач, положение 1/2' слишком мало.
- Минимальное расстояние должно быть >144 counts.
Действительные значения:
- Значение пути "коридора" выбора передач: 700 counts
GS 16 Ошибка обучения: неверные обученные значения "коридоров" передач.
Возможные причины неисправности:
- Электрическое подключение электромагнитных клапанов MG1 и MG2 неверно.
- Конструктивный узел Датчик "коридора" выбора передачи имеет механическую (тугой ход толкателя) или электрическую неисправность (коррозия на штекерных соединениях).
- Механическая неисправность конструктивного узла Цилиндр выбора коридоров передач
- Механическая неисправность в КП
Указание:
- Расстояние между обученными значениями 'Коридор передач, положение 1/2' и 'Коридор передач, положение 3/4' слишком мало.
- Минимальное расстояние должно быть >136 counts.
Действительные значения:
- Значение пути "коридора" выбора передач: 700 counts
GS 17 Ошибка обучения: неверные обученные значения для пониженной передачи.
Возможные причины неисправности:
- Электрическое подключение электромагнитных клапанов MR1 и MR2 неверно.
- Конструктивный узел Датчик пониженной передачи имеет механическую (тугой ход толкателя) или электрическую неисправность (коррозия на штекерных соединениях).
- Механическая неисправность конструктивного узла Цилиндр пониженной передачи
- Механическая неисправность в КП
Указание:
- Расстояние между обученными значениями 'Пониженная передача, положение медленно' и 'Пониженная передача, положение быстро' слишком мало.
- Минимальное расстояние должно быть >144 counts.
Действительные значения:
- Значение пути пониженной передачи: 580 counts
GS 18 Неисправность одного электромагнитного клапана или датчика перемещения
Указание:
- Провести поиск неисправности.
GS 19 Ошибка обучения: а/м катится.
Указание:
- Задействовать стояночный тормоз.
- Если неисправность возникает при стоящем а/м, проверить входы датчиков числа оборотов на наличие импульсов помех.
GS 20 Ошибка обучения: пониженное напряжение
Легенда к иллюстрации:
- А7: Базовый модуль
- S1: Замок зажигания
- Х14: Колодка клеммы 30 на плате штекеров 'Кабина водителя - шасси'
- G2: Генератор
- G1: Аккумуляторная батарея
Возможные причины неисправности:
- Неисправен блок управления GS.
- Замок зажигания неисправен
- Загрязнены контакты.
- Генератор или регулятор неисправен
- Аккумуляторная батарея сильно разряжена или неисправна.

GS 21 Ошибка обучения: управление сцеплением
Указание:
- Педаль сцепления бала нажата или отпущена слишком рано или слишком поздно.
- Обратить внимание на звуковой сигнал.
GS 22 Ошибка обучения: выбор нейтрали прерван.
Указание:
- Во время процесса инициализации (обучения) клавиша 'Нейтраль' на рычаге переключения передач должна быть нажата постоянно.
GS 23 Ошибка обучения: тип КП недействителен.
Указание:
- Провести большой процесс инициализации (обучения).
GS 24 Ошибка обучения: стояночный тормоз не задействован.
Указание:
- Задействовать стояночный тормоз.
GS 25 Ошибка обучения: задействовано аварийное переключение.
Указание:
- Привести клавишу управления аварийным переключением в базовое положение.
Действительные значения:
- Аварийный переключатель на модуле рычага переключения: БАЗОВОЕ ПОЛОЖЕНИЕ
GS 26 Ошибка обучения: двигатель работает.
Указание:
- Во время малого процесса инициализации (обучения) не допускается заводить двигатель.
- Во время большого процесса инициализации (обучения) запустить двигатель тогда, когда замигает указатель нейтрали.
GS 27 Ошибка обучения: момент двигателя отсутствует или недействителен.
Указание:
- Продолжить поиск неисправности в блоке управления FR (FMR) и в блоке управления MR (PLD).
Действительные значения:
- Число оборотов коленвала двигателя: 0 1/min
GS 28 Ошибка обучения: двигатель не запущен.
Указание:
- Если указатель нейтрали мигает, при большом процессе инициализации (обучения) необходимо запустить двигатель самое позднее через 10 с.
GS 29 Ошибка обучения: отсутствует число оборотов коленвала двигателя.
Указание:
- Продолжить поиск неисправности в блоке управления FR (FMR) и в блоке управления MR (PLD).
Действительные значения:
- Число оборотов коленвала двигателя: 0 1/min
GS 30 Ошибка обучения: нулевой газ
Возможные причины неисправности:
- Во время процесса инициализации (обучения) была задействована педаль газа.
- Неисправность в системе FR (FMR)
GS 31 Ошибка обучения: расстояние сцепления
Возможные причины неисправности :
- Во время процесса инициализации (обучения) сцепление было задействовано неправильно.
- Конструктивный узел Датчик перемещения сцепления имеет механическую (тугой ход толкателя) или электрическую неисправность (коррозия на штекерных соединениях).
- Механическая неисправность конструктивного узла Усилитель привода сцепления
Указание:
- Расстояние между обученными значениями 'Сцепление не задействовано' и 'Сцепление задействовано' слишком мало.
- Минимальное расстояние должно быть >355 counts.
Действительные значения:
- Значение пути сцепления: 970 counts
GS 32 Ошибка обучения: число оборотов промежуточного вала
Возможные причины неисправности:
- Механическая неисправность конструктивного узла Датчик числа оборотов 'Промежуточный вал'
- Механическая неисправность в КП
Указание:
- Во время работы программы обучения, при большом процессе инициализации (обучения) число оборотов промежуточного вала недоступно (0 или >1200 1/мин).
Действительные значения:
- Число оборотов промежуточного вала ВЗ: 0 1/min
Параметрическая кривая датчиков перемещения

Параметрическая кривая электромагнитного клапана 'Передача'

Параметрическая кривая электромагнитных клапанов
'Коридор передач, делитель, диапазон'
