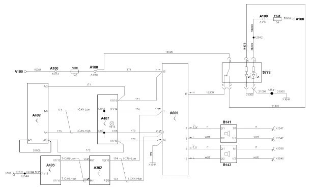
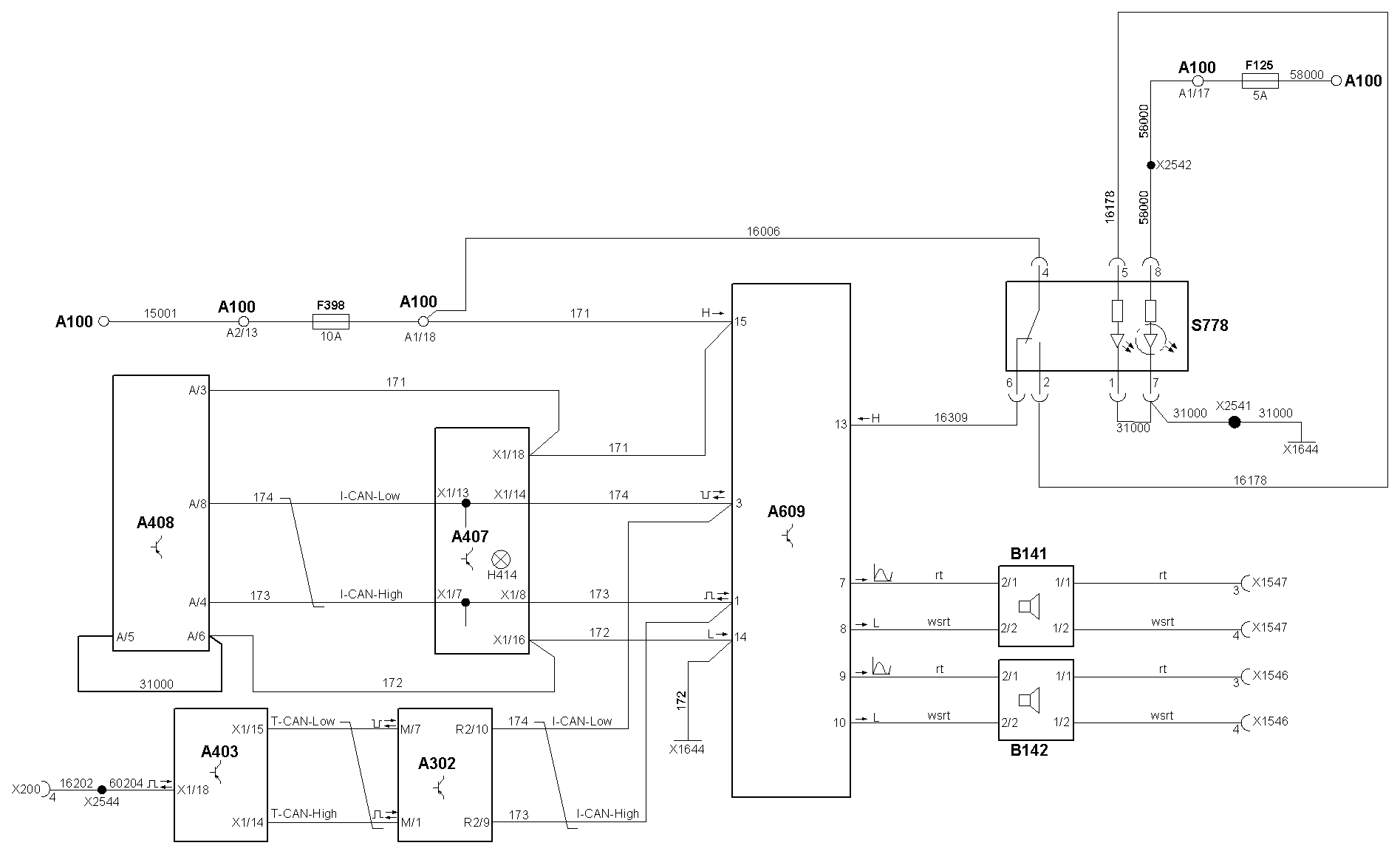
Электросхема системы курсового контроля MAN
A100 Блок предохранителей и реле (БПР)
A302 Центральный процессор 2
A403 Управляющий процессор автомобиля
A407 Приборная панель
A408 Тахоспидограф
A609 Блок управления системы курсового контроля
B141 Динамик 1 слева
B142 Динамик 1 справа
F125 Предохранитель подсветки приборной панели, подсветки выключателей и поисковой подсветки
F398 Предохранитель тахоспидографа, приборной панели (клемма 15)
H414 Контрольная лампа пассивного режима системы курсового контроля
S778 Выключатель системы курсового контроля
X200 Диагностическая розетка (MAN-cats)
X1546 Штекерное соединение двери справа
X1547 Штекерное соединение двери слева
X1644 Точка массы кабины рядом с блоком предохранителей и реле
X2541 Распределитель потенциала 21-пол. кабель 31000
X2542 Распределитель потенциала 21-пол. кабель 58000
X2544 Распределитель потенциала К-кабеля
