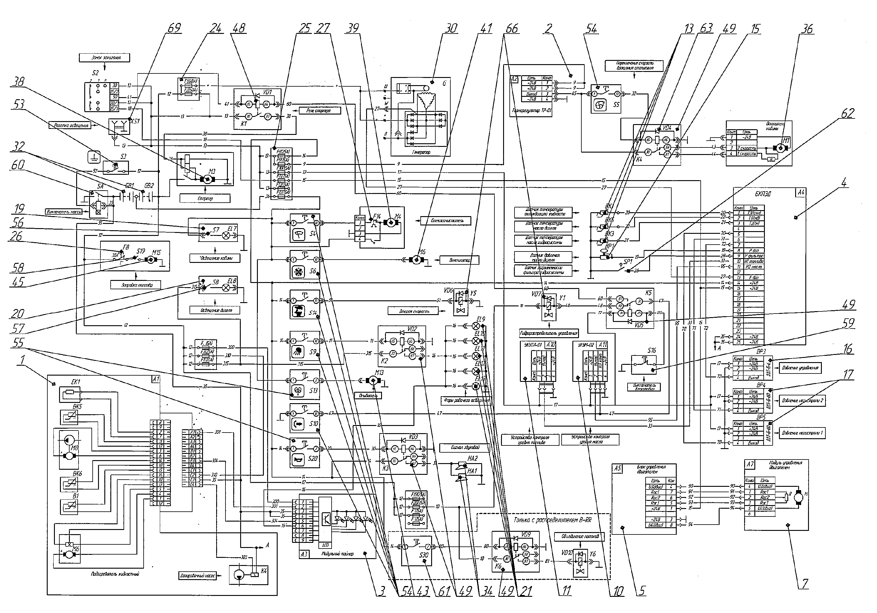
Экскаватор универсальный гидравлический гусеничный ЕТ-26
- 1 А1 Жидкостный отопитель HYDRONIC 10
- 2 А2 Терморегулятор ТР-3
- 3 А3 Модульный таймер Easy Start T
- 4 А4 Блок контроля правильности эксплуатации и диагностики
- 5 А5 Блок управления двигателем БУД-02
- 7 А7 Модуль управления двигателем МУД-03
- 10 А10 Устройство контроля уровня топлива
- 11 А11 Устройство контроля уровня масла
- 13 ВК1,ВК3,ВК5 Датчик температуры ТМ-100
- 15 ВР1,ВР2 Датчик давления ММ-370
- 16 ВР3 Датчик давления ДДТ-Б-6
- 17 ВР4,ВР5 Датчик давления ДДТ-Б-60
- 19 ЕL7 Плафон
- 20 ЕL8 Лампа подкапотная ПД-308Б
- 21 ЕL9 - ЕL13 Фара рабочая
- 24 F1-F2 Блок предохранителей
- 25 F8-F13 Блок предохранителей
- 26 F8 Предохранитель термобиметаллический ПР-3
- 27 F14 Предохранитель термобиметаллический
- 30 G Генератор
- 32 GB1,GB2 Батарея аккумуляторная
- 34 НА1,НА2 Сигнал звуковой
- 36 М1 Отопитель
- 38 М3 Стартер
- 39 М4 Моторедуктор
- 41 М6 Вентилятор
- 43 М13 Омыватель
- 45 М15 Электродвигатель
- 48 К1 Реле стартера
- 49 К2,К3,К4,К5,К6 Реле
- 52 S2 Выключатель
- 53 S3 Выключатель кнопоч-ный
- 54 S4,S5,S6,S9,S10 S14 Переключатель
- 55 S13,S20 Выключатель кнопоч-ный
- 56 S7 Выключатель
- 57 S8 Выключатель
- 58 S19 Выключатель
- 59 S16 Выключатель
- 60 SA Выключатель
- 61 S30 Выключатель кнопоч-ный
- 66 Y1, Y5,Y6 Клапан с электро-управлением
