См. также
Электросхема Steyr CVT 6170, CVT 6185, CVT 6205, CVT 6215, CVT 6230
Просматривать и распечатывать все схемы в высоком качесте и описания
могут только пользователи
СИСТЕМА ЗАРЯДКИ / ЗАПУСКА (с разъединителем аккумуляторной батареи)
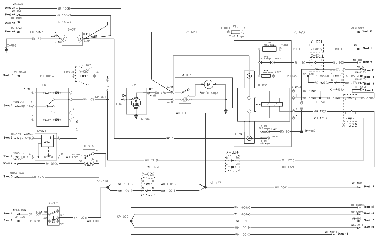
ДВИГАТЕЛЬ - КОНТРОЛЛЕР
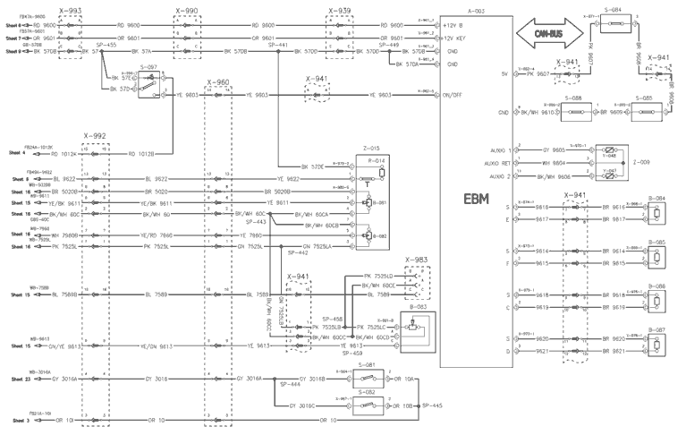
БЛОК УПРАВЛЕНИЯ (Трансмиссия)
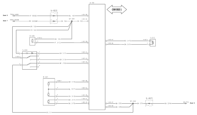
АНТИБЛОКИРОВОЧНАЯ СИСТЕМА ТОРМОЗОВ (ABS)

СИСТЕМА АДАПТИВНОГО РУЛЕВОГО УПРАВЛЕНИЯ



