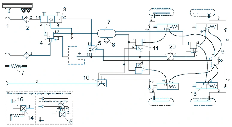
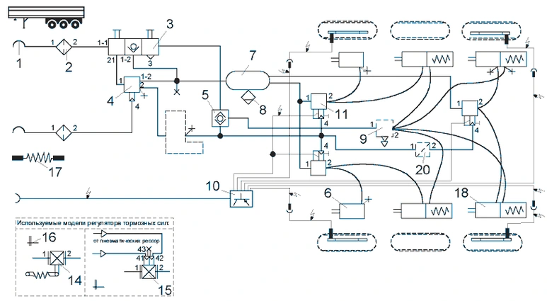
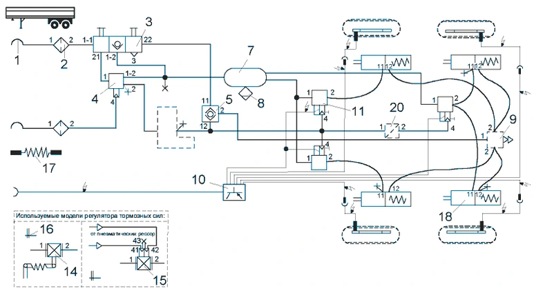
Тормозные система прицепов WABCO
Двухмагистральные пневматические тормозные системы для прицепов
Тормозная система прицепов, выполненная в соответствии с Директивами Совета Европейского экономического сообщества (RREG)




1. Соединительная головка
2. Магистральный фильтр
3. Сдвоенный кран растормаживания с обратным клапаном
4. Тормозной кран прицепа
5. Двухмагистральный клапан
6. Тормозной цилиндр
7. Воздушный баллон
8. Кран сброса конденсата
9. Клапан быстрого растормаживания
10. Электронный блок ABS
11. Ускорительный клапан ABS
12. Парковочная розетка ABS
13. Макет муфты с креплением
14. Регулятор тормозных сил со встроенным упругим элементом
15. Регулятор тормозных сил со встроенным клапаном контрольного вывода
16. Табличка установленных параметров рерулятора тормозных сил
17. Витой кабель питания ABS
18. Тормозная камера с энергоаккумулятором
19. Клапан ограничения давления
20. Клапан соотношения давлений