FAW J6 Электронная система управления двигателя CA6DL2-E4R

EA Описание функций электронной системы управления
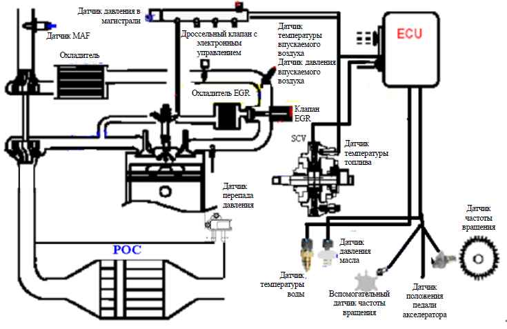
Дизельный двигатель серии CA6DL2-E4R применяет электронную систему управления DENSO, которая состоит из ECU, датчика частоты вращения, вспомогательного датчика частоты вращения, датчика положения педали акселератора, датчика давления в единой магистрали, датчика температуры воды, датчика температуры топлива, датчика давления впускаемого воздуха, датчика температуры впускаемого воздуха, клапана SCV, датчика давления масла, датчика DPS, датчика MAF, дроссельного клапана, блока управления EGR и др. На рис. ниже показана схема электронной системы управления дизельным двигателем серии CA6DL2-E4R.

Схема электронной системы управления дизельным двигателем CA6DL2-E4R

На рис. показана схема внешнего вида ECU и датчиков дизельного двигателя. Для удобства в расположении электрической системы целой машины и проектировании электрических жгутов, ECU непосредственно смонтирован на корпусе. Датчик частоты вращения является магнитоэлектрическим датчиком, предназначен для контроля 60-4 зубьев, равномерно распределенных на маховике. Электрические сигналы передаются в ECU, на основании сигналов ECU рассчитывает частоту вращения дизельного двигателя. Вспомогательный датчик частоты вращения (G) магниторезистивный, смонтирован на торце распредвала и предназначен для определения верхней мертвой точки при такте сжатия цилиндров дизельного двигателя. Датчик температуры впускаемого воздуха смонтирован на впускном трубопроводе крышки головки цилиндров и предназначен для измерения температуры впускаемого воздуха и передачи сигналов напряжения, имитирующих температуры, в ECU. Датчик давления в магистрали смонтирован в единой магистрали высокого давления, применяется для контроля давления топлива в единой магистрали топливной системы дизельного двигателя. Данный датчик и единая магистраль высокого давления подвержены контролю утечки при выпуске с завода, пользователь не должен их снять. Датчик давления впускаемого воздуха смонтирован на крышке головки цилиндров и применяется для соединения соединительных труб с впускной трубой и измерения абсолютного давления воздуха во впускной трубе. Датчик температуры воды смонтирован на кожухе термостата дизельного двигателя. Датчик температуры топлива смонтирован на возвратном топливопроводе системы подачи топлива дизельного двигателя и применяется для контроля температуры возвратного топлива в системе подачи топлива дизельного двигателя. Датчик давления масла смонтирован на магистральном маслопроводе за масляным охладителем и применяется для контроля давления масла в дизельном двигателе. По давлению масла ECU принимает мероприятия по защите дизельного двигателя и выдает сигнализацию с помощью индикатора прибора.
Место монтажа ECU дизельного двигателя

EBB, датчик частоты вращения
Датчик частоты вращения смонтирован на корпусе маховика дизельного двигателя. Зазор между датчиком частоты вращения и верхней плоскостью маховика составляет 1.2±0.5мм. После замены датчика необходимо щупом выполнить контроль для подтверждения. При выходе за допустимые пределы следует выполнить подходящую регулировку. Возле датчика частоты вращения нельзя поставить магнитоэлектрическое оборудование или проложить электропроводы с большим током. Следует держать металлы головки датчика чистыми. См.рис. ниже.
EBC, вспомогательный датчик частоты вращения
Вспомогательный датчик частоты вращения смонтирован в месте нахождения шестерен распредвала. Зазор между датчиком и верхней плоскостью маховика составляет 0.5-1.5мм. Возле датчика нельзя поставить магнитоэлектрическое оборудование или электропроводы с большим током. Следует держать металлы головки датчика чистыми.См.рис. ниже.

EBD, датчик температуры впускаемого воздуха
Датчик температуры впускаемого воздуха смонтирован на впускной стороне крышки головки цилиндров дизельного двигателя. При замене датчика необходимо обеспечить отсутствие утечки воздуха. Если при замене датчика или периодическом уходе обнаружена утечка воздуха из датчика или основания, следует заново выполнить герметизацию и крепление. На резьбовой поверхности и в головке датчика не допускается наличие масел или подобных веществ. См.рис.ниже.

EBE, датчик давления в магистрали
Датчик давления в магистрали представляет собой датчик, смонтированный в единой магистрали, который необходимо по возможности исключить промывку водой, вместе с этим следует исключить накопление атмосферных осадков на датчике. Конкретное место монтажа показано на рис.ниже.
EBF, датчик давления впускаемого воздуха
Датчик давления впускаемого воздуха смонтирован на впускной стороне крышки головки цилиндров дизельного двигателя. При замене датчика или резиновых соединительных шлангов следует обеспечить свободное прохождение воздуха в воздухопроводах, надежную герметичность и отсутствие утечки воздуха. Конкретное положение монтажа показано на рис ниже.

EBG, датчик температуры воды
Датчик температуры воды смонтирован на кожухе термостата дизельного двигателя. На поверхностях узлов, сопрягаемых с датчиком температуры воды, не должно быть наличие смазочно-охлаждающей жидкости или смазки или подобных веществ. Датчик температуры воды и корпус термостата должны иметь уплотнения.

EBH, датчик давления масла
Датчик давления масла смонтирован на масляном охладителе дизельного двигателя, конкретное положение показано на рис ниже.

Полное описание в