Схемы Heating, ventilation, air, conditioning (HLK) автобусов MB Tourismo Е5
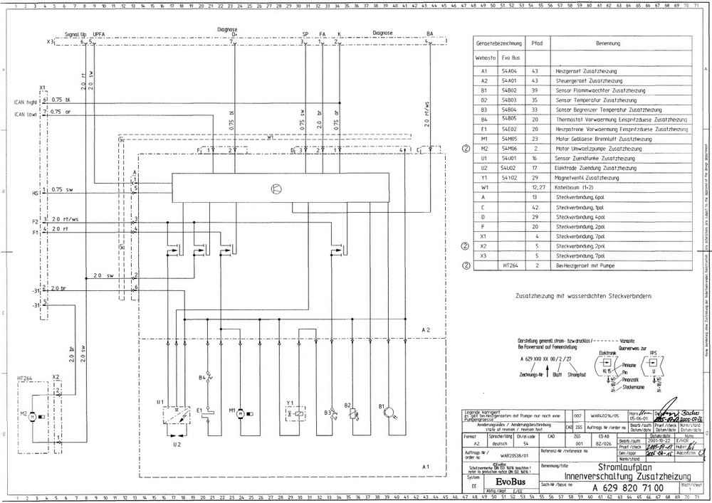
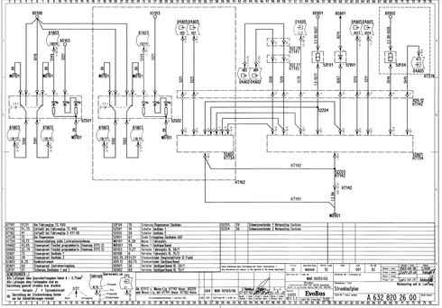
Circuit wiring diagram internal wiring auxiliary heater

54A01 Auxiliary heating control unit
54A04 Auxiliary heating heater unit
54B02 Auxiliary heater flame monitor sensor
54B03 Auxiliary heater temperature sensor
54B04 Auxiliary heater temperature limiter sensor
54B05 Auxiliary heater injector nozzle preheating thermostat
54B06 External auxiliary heater temperature sensor
54E02 Auxiliary heater injector nozzle preheating heater cartridge
54F01 Auxiliary heating fuse
54M05 Auxiliary heater combustion air blower motor
54M06 Auxiliary heater circulation pump motor
54U01 Auxiliary heater ignition spark sensor
54U02 Auxiliary heater ignition electrode
54Y02 Auxiliary heater solenoid valve
HT264 For heater unit with pump
X0405 Auxiliary heating supply connector
X0406 Auxiliary heating control lines connector
X0408 Circulation pump auxiliary heating connector
Все схемы в высоком качестве доступны в Update 117
Aux. heater unit (Euro4) wiring diagram

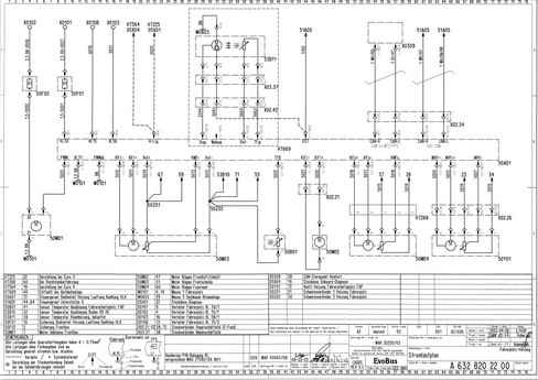
Circuit diagram for driver's area heating

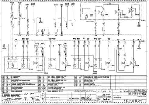
Circuit diagram for passenger compartment heating

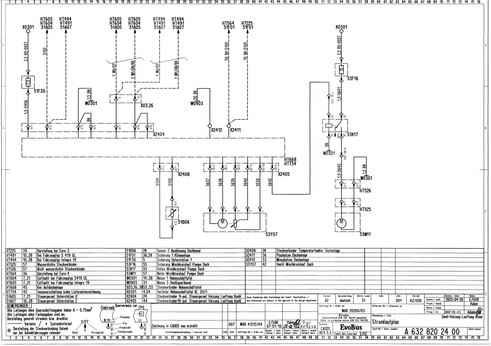
Circuit diagram for roof heating/ventilation/air conditioning

Circuit diagram for emergency exit and electrical ventilation

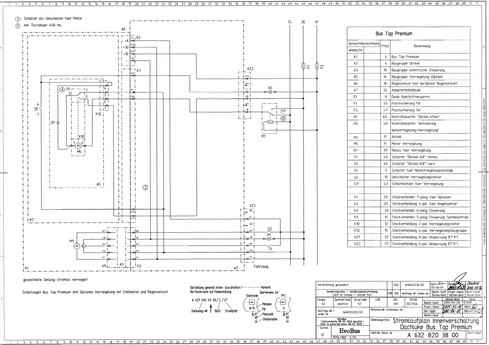
Electrical flow diagram, internal switching, Bus Top Premium rooflight

Wiring diagram for interior connections of KONVEKTA roof system

Wiring diagram for interior connections of WEBASTO roof system 4 AX, 6 WHEEL

Wiring diagram for interior connections of WEBASTO roof system 5 AX ,8 WHEEL
