Руководство по ремонту ELC автобусов SCANIA

Оглавление
Блок управления
- Замена
Блок электромагнитных клапанов
- Замена
Датчик уровня пола
- Замена
Установка номинального ходового уровня пола
- Общие сведения
- Калибровка
- Установка высоты пневмобаллонов подвески
- Регулировка положения рычага
Пневматическая система подвески
- Расположение аппаратов пневматической подвески на шасси
- Пневматические схемы подвески
- Пневматическая схема подвески сочлененного автобуса
Электрическая система пневматической подвески
- Расположение электрических приборов подвески на шасси
- Электрическая схема подвески
- Электрическая схема подвески сочлененного автобуса
------------------------------------------------------------------------------
Блок управления
Замена
Блок (блоки) управления расположен под потолком над центральным электрическим блоком (посередине в передней части автобуса).
Опыт эксплуатации показывает, что отказы блока управления происходят редко.
Следовательно, прежде чем заменять блок управления необходимо проверить коды неисправностей и плавкие предохранители.
Расположение блока управления на автобусе

- A = Передний блок управления
- B = Задний блок цправления
Расположение блока управления на сочлененном автобусе

- A = Передний блок управления
- B = Задний блок цправления
Выполните следующие операции:
1 Выключите ключом питание бортовой сети.
2 Отсоедините электрический разъем бока управления.
3 Отверните винты.
4 Установите новый блок управления.
Блоки управления, поставляемые в качестве запасных частей, запрограммированы на стандартные параметры, но не откалиброваны с датчиками уровня пола. Для того чтобы блок управления мог работать должным образом, необходимо правильно запрограммировать конфигурацию системы.
5 Для программирования нового блока управления используется диагностический сканер.
6 Выполните калибровку блока управления с датчиками уровня пола. Проще всего калибровка выполняется с помощью диагостического сканера, однако это можно сделать и вручную (более подробные сведения приведены в разделе "Установка номинального ходового уровня пола").
7 Сотрите все коды неисправностей (более подробные сведения приведены в разделе "Диагностика неисправностей.
Блок электромагнитных клапанов
Замена
В пневматической подвеске ELC используются блоки электромагнитных клапанов двух различных типов. Блок первого типа устанавливается на передний мост, а блок второго типа - на задний мост одиночного или на средний мост сочлененного автобуса.
Отличие блоков электромагнитных клапанов заключается в том, что передний блок дополнительно оснащен клапаном быстрого выпуска воздуха (функция опускания пола автобуса на остановке).
Перед заменой блока электромагнитных клапанов выпустите сжатый воздух из пневмосистемы подвески.
Затяжка гайки электрического разъема (стандартный разъем DIN) должна производиться до щелчка.
Передний блок электромагнитных клапанов

- 1 (3) Атмосферный выход
- 2 (1) Подвод сжатого воздуха
- 3 (21) Регулируемый выход, пневматические элементы подвески правого борта
- 4 (22) Регулируемый выход, пневматические элементы подвески левого борта
Средний/задний блок электромагнитных клапанов

- 1 (3) Атмосферный выход
- 2 (1) Подвод сжатого воздуха
- 3 (21) Регулируемый выход, пневматические элементы подвески правого борта
- 4 (22) Регулируемый выход, пневматические элементы подвески левого борта
На автобусах с правым рулевым колесом положение пневматических магистралей, соединенных с выходами 21 и 22, изменено на противоположное.
Датчик уровня пола
Замена
Передний датчик уровня пола находится перед правым передним колесом (автобусы с левым расположением руля) или перед левым передним колесом на автобусах с правым расположением руля.
Задние датчики уровня пола расположены слева и справа перед задним мостом.
На сочлененных автобусах датчики уровня пола расположены слева и справа перед средним мостом.
Затяжка гайки электрического разъема (стандартный разъем DIN) должна производиться до щелчка.
Примечание: После замены датчиков уровня пола необходимо выполнить их калибровку. Более подробные сведения приведены в разделе "Калибровка".
Установка нормального ходового уровня
Общие сведения
Очень важно правильно отрегулировать высоту пневматических элементов подвески. Это обеспечивает
высокую плавность хода и комфорт.
Процедура регулировки включает в себя три этапа:
- 1 Калибровка.
- 2 Установка высоты пневмобаллонов подвески.
- 3 Установка рычага.
Калибровка
Проще всего выполнить калибровку датчика с помощью программы диагностического сканера.
Если в памяти блока управления имеются коды неисправностей, то выполнение калибровки датчика становится невозможным. Перед началом калибровки проверьте отсутствие кодов неисправностей.
- 1 Поверните ключ и выключите питание бортовой сети.
- 2 Отсоедините тяги от рычагов датчиков уровня пола.
- 3 Зафиксируйте рычаги датчиков с помощью 4-мм сверл или аналогичных стержней.
Для того чтобы выбрать излишний зазор между сверлом и рычагом, оберните стержень сверла упаковочной лентой.
- 4 Во избежание появления кодов неисправностей из-за выхода сигналов датчиков из допустимого диапазона, необходимо выполнить следующие контрольные измерения.
Поверните ключ и включите питание бортовой сети.
Измерение электрического напряжения производится с помощью мультиметра на выводах разъема C507 (одиночный автобус) или в разъемах C507 и C675 (сочлененный автобус). Напряжение должно быть в диапазоне от 2,4В до 2,6В.
Зафиксируйте рычагИзмерьте напряжение между выводами:

Если какой-либо из датчиков уровня пола находится вне допустимого диапазона, то необходимо изменить положение рычага и зафиксировать его по-новому.
- 5 Поверните ключ и выключите питание бортовой сети.
- 6 Нажмите и удерживайте кнопку диагностики в нажатом положении.
Затем включите питание бортовой сети, повернув ключ в замке стартера.
Диагностическая лампа загорится на 2 секунды, пока блок управления выполняет самодиагностику, и затем погаснет.
Спустя примерно десять секунд диагностическая лампа загорится снова.
Затем через 2 секунды лампа выключится.
Отпустите кнопку диагностики.
Калибровка завершена.
- 7 Поверните ключ и выключите питание бортовой сети.
Оставьте рычаги датчиков уровня пола в зафиксированном положении, пока не будет выполнена установка высоты пневматических элементов и регулировка положения рычагов датчиков.
Если не удалось выполнить калибровку датчиков
Калибровка может не получиться при следующих условиях.
• В памяти блока управления имеется один или несколько кодов неисправностей.
Перед проведением калибровки убедитесь в отсутствии кодов неисправностей пневматической подвески.
• Рычаги датчиков находятся в неправильном положении, и сигналы датчиков вышли из допустимого диапазона.
Проверьте, чтобы положения рычагов соответствовали отверстиям для фиксаторов.
• Один из переключателей "опускание входной подножки/номинальный ходовой уровень" или "подъем/
опускание" находится во включенном положении (электрическая цепь соединена с "массой".
Убедитесь в том, что переключатели выключены.
Проверьте разъемы переключателей.
• Кнопка диагностики была отпущена раньше сигнала подтверждения - повторного включения
диагностической лампы спустя примерно десять секунд после выключения.
Выполните калибровку повторно.
• Прочие неисправности.
Проверьте наличие кодов неисправностей, определите причину и устраните неисправность, сотрите коды и выполните калибровку повторно.
Установка высоты пневмобаллонов подвески
Высота пневмобаллона- Измерение высоты пневмобаллона
Номинальные значения высоты пневмобаллонов приведены в Руководстве по техническому обслуживанию и ремонту.
На некоторых автобусах в блоке управления пневмоподвеской запрограммировано второе ходовое положение пола. В этом случае высота пневмобаллонов на неподвижном автобусе будет примерно на 20 мм меньше, чем на ходу. Если блок управления предварительно запрограммирован для выполнения данной функции, то на корпусе блока управления будет специальный ярлык.
На ярлыке напечатан текст на английском языке ("Второй ходовой уровень: Имеется"):
2:nd driving level: With
Для таких автобусов контрольная высота пневмобаллонов на 20мм меньше установочного значения. После установки загорится сигнализатор нарушения ходового уровня пола. После запуска двигателя пол
автобуса опустится во второе ходовое положение и сигнализатор погаснет.
Описание процедуры
Проверьте, чтобы ключ находился в замке стартера в положении "выключено".
Высота пневмоподушек измеряется между краями верхней опорной пластины и нижнего поршня.
Для выпуска воздуха и зарядки пневмосистемы подвески в процессе установки высоты пневмоподушек служат три клапана. Один клапан установлен в передней подвеске, и два клапана - в задней
подвеске. Передний клапан обеспечивает возможность регулировки высоты пневмобаллонов передней подвески. Задние клапаны предназначены для независимой регулировки задней подвески по бортам.
Подкачайте или выпустите воздух из пневмобаллонов подвески с помощью клапанов (типа "Шредер"), чтобы добиться требуемой высоты.
Расположение клапанов передней подвески
Расположение клапанов задней пневмоподвески- На автобусном шасси типа U клапаны задней пневмоподвески расположены перед задним мостом.
Регулировка положения рычага
Проверьте, чтобы ключ находился в замке стартера в положении "выключено".
Удлиняя или укорачивая тягу, установите требуемую длину. При монтаже тяга должна легко присоединяться к шаровому шарниру рычага. В противном случае возможны дополнительные нагрузки в рычажном приводе, которые могут привести к нарушению ходового уровня пола.
Проверьте, чтобы рычаг не оказывал давления на фиксирующее сверло. Сверло должно легко выниматься из отверстия.
Пневматическая и электрическая системы
Пневматическая система подвески
Расположение аппаратов пневматической подвески на шасси

Расположение аппаратов пневматической подвески на шасси, сочлененный автобус

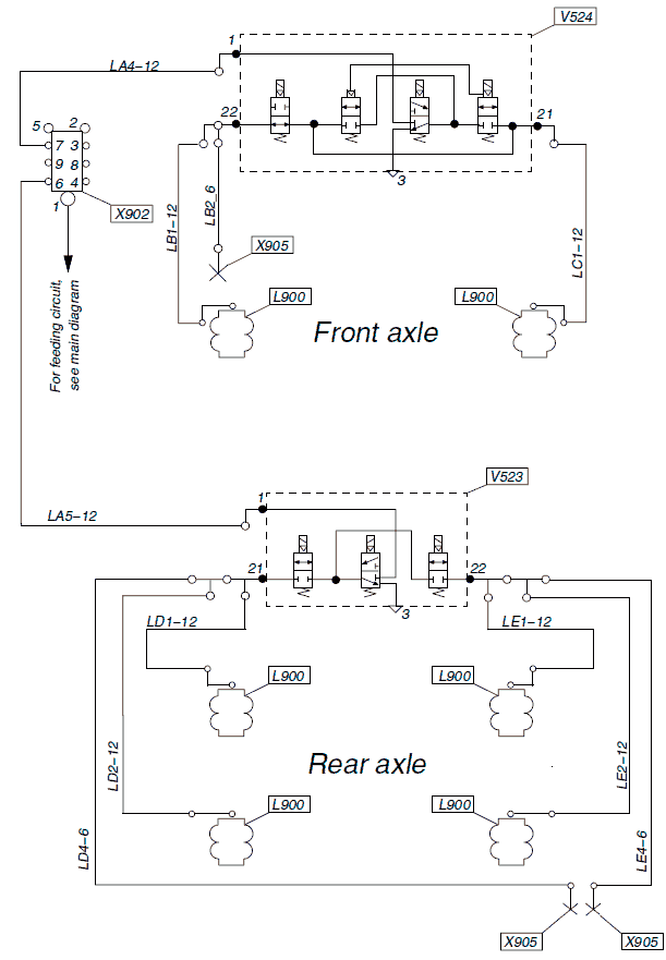
Пневматические схемы подвески
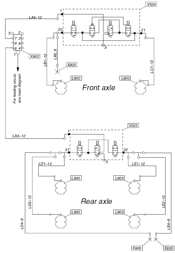
Пневматическая схема подвески, шасси 4x2 типа K и L

Показанная на рисунке схема относится к шасси с левым расположением руля. На автобусах с правым расположением руля пневматическая магистраль LC1 присоединена к левому, а магистраль LB1 - к правому пневмобаллону передней подвески
Пневматическая схема подвески, шасси 4x2 типа N

Показанная на рисунке схема относится к шасси с левым расположением руля. На автобусах с правым расположением руля пневматическая магистраль LC1 присоединена к левому, а магистраль LB1 - к правому пневмобаллону передней подвески
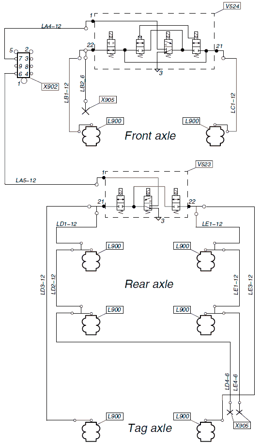
Пневматическая схема подвески, шасси 6x2 типа K и L. Функция перераспределения вертикальной нагрузки отсутствует

Показанная на рисунке схема относится к шасси с левым расположением руля. На автобусах с правым расположением руля пневматическая магистраль LC1 присоединена к левому, а магистраль LB1 - к правому пневмобаллону передней подвески
Пневматическая схема подвески, шасси 6x2 типа K и L. При наличии функции перераспределения вертикальной нагрузки

Показанная на рисунке схема относится к шасси с левым расположением руля. На автобусах с правым расположением руля пневматическая магистраль LC1 присоединена к левому, а магистраль LB1 - к правому пневмобаллону передней подвески
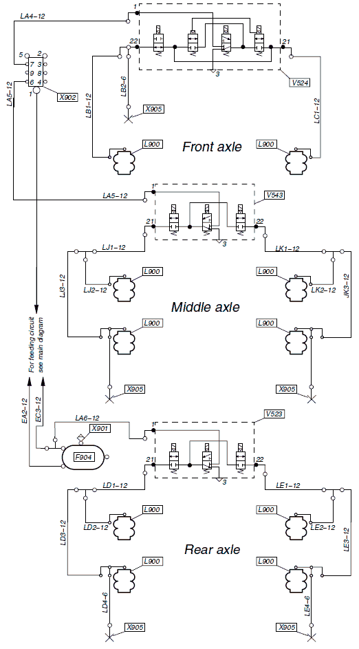
Пневматическая схема подвески, шасси 6x2/2 типа N

Показанная на рисунке схема относится к шасси с левым расположением руля. На автобусах с правым расположением руля пневматическая магистраль LC1 присоединена к левому, а магистраль LB1 - к правому пневмобаллону передней подвески
Электрическая система пневматической подвески
Расположение электрических приборов подвески на шасси

Расположение электрических приборов подвески на шасси, сочлененный автобус

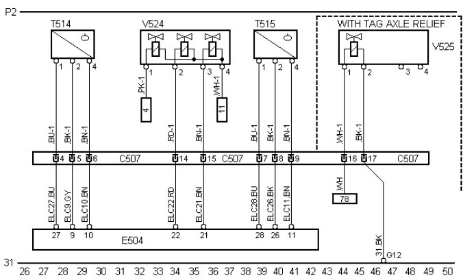
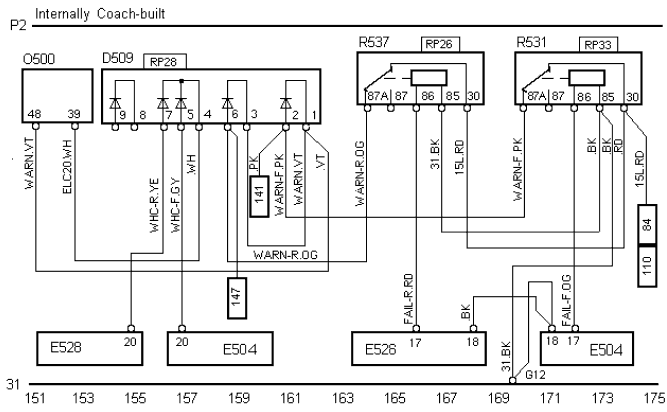
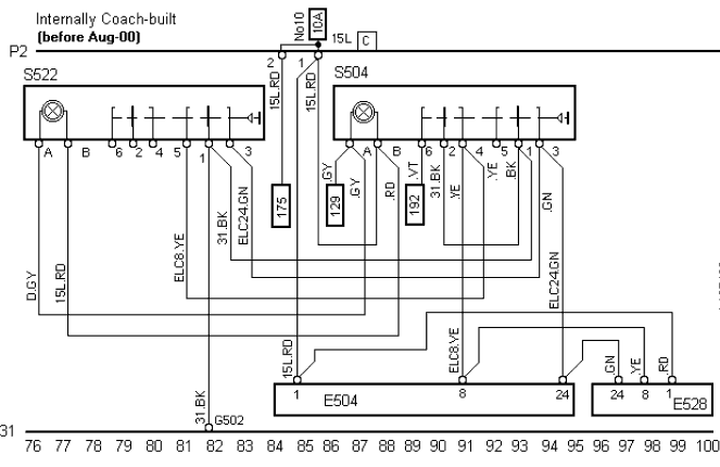
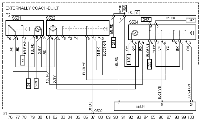
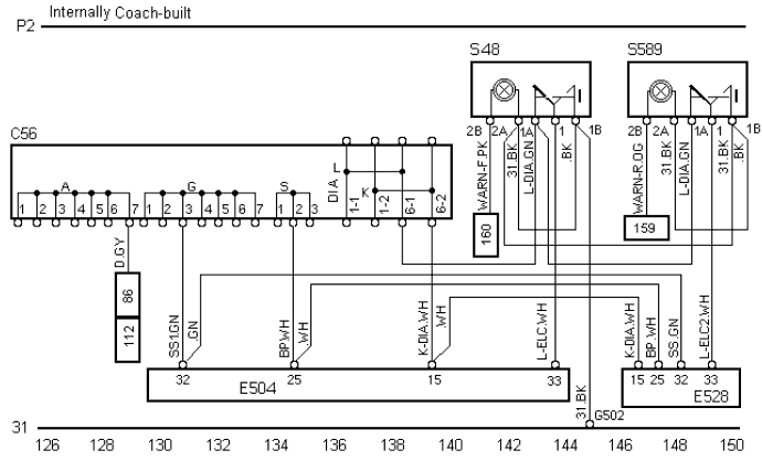
Электрическая схема подвески
Зоны 1 - 25

Зоны 26 - 50

Зоны 51 - 75

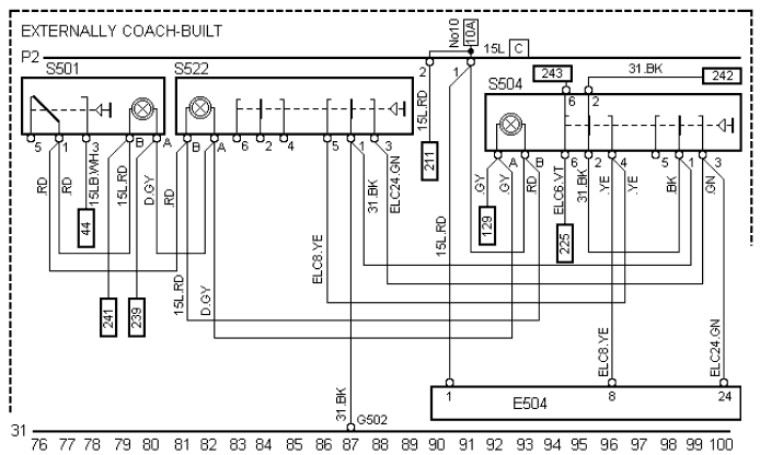
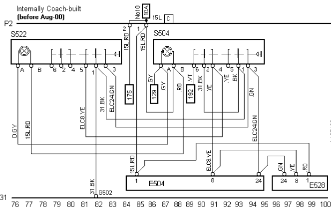
Зоны 76 - 100

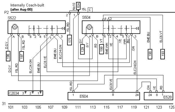
Зоны 101 - 125

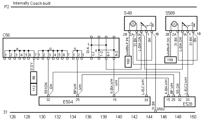
Зоны 126 - 150

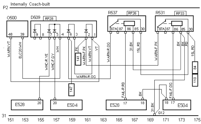
Зоны 151 - 175

Зоны 176 - 200

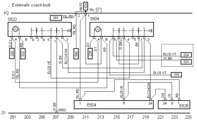
Зоны 201 - 225

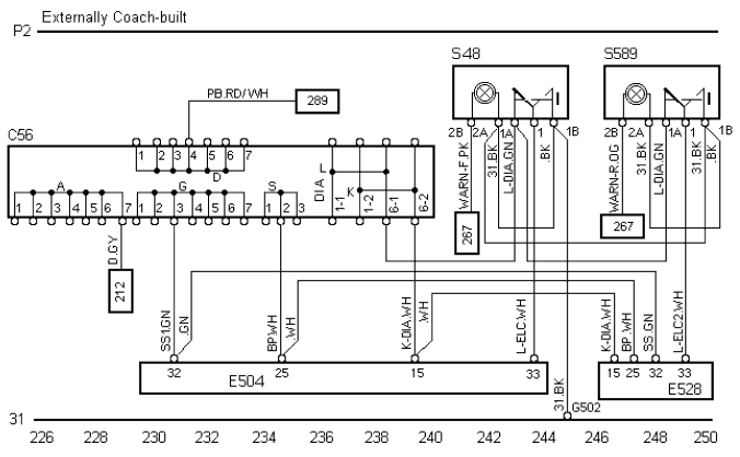
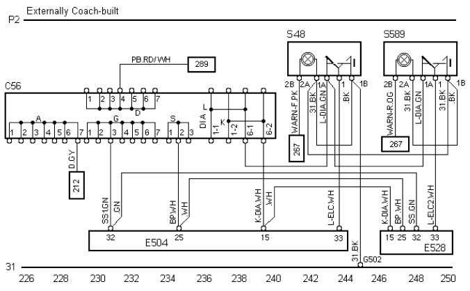
Зоны 226 - 250

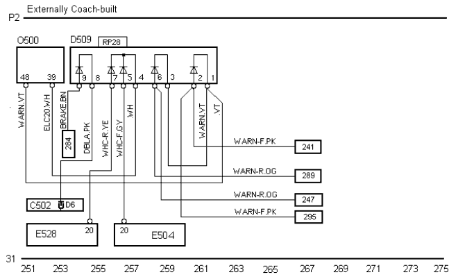
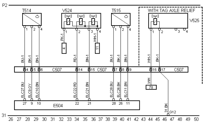
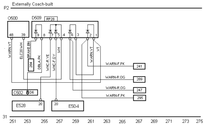
Зоны 251 - 275

Электрическая схема подвески сочлененного автобуса
Зоны 1 - 25

Зоны 26 - 50

Зоны 51 - 75

Зоны 76 - 100

Зоны 101 - 125

Зоны 126 - 150

Зоны 151 - 175

Зоны 176 - 200

Зоны 201 - 225

Зоны 226 - 250

Зоны 251 - 275

Зоны 276 - 300

Зоны 301 - 325
