Тренинг персонала сервиса по EBS / ESP MAN

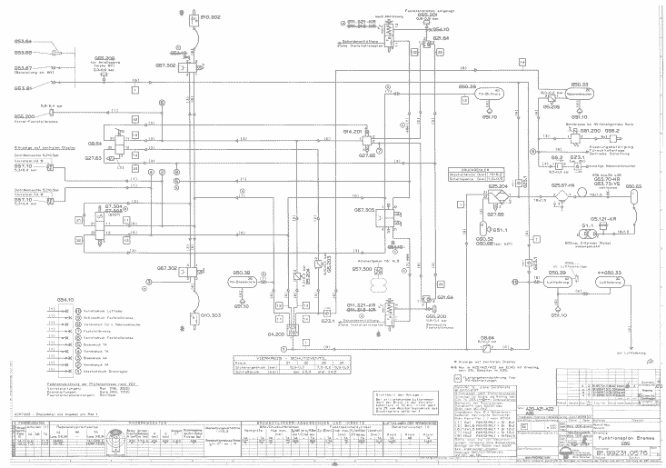
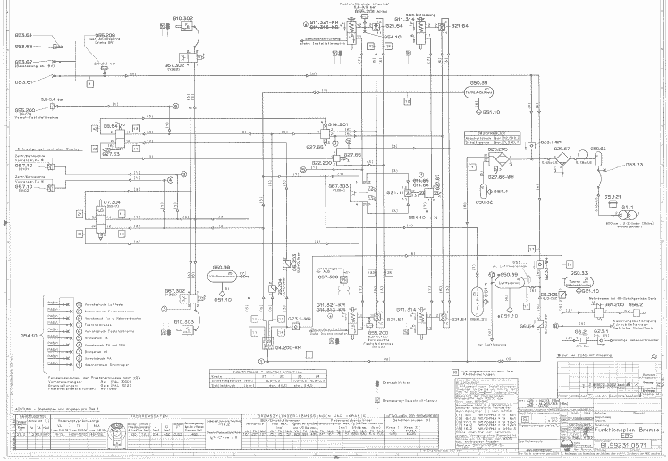
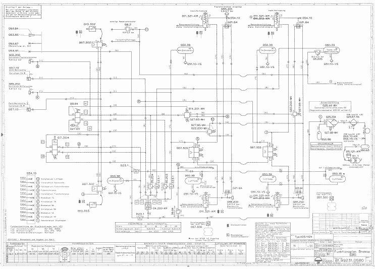
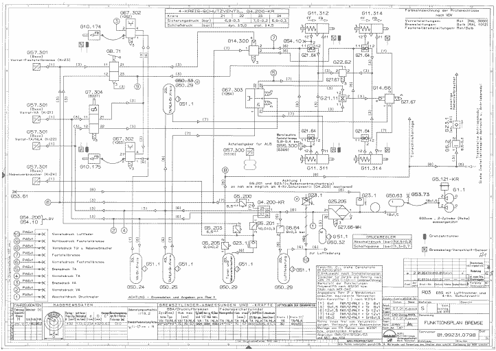
ПНЕВМОСХЕМЫ
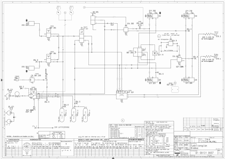
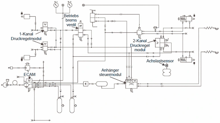
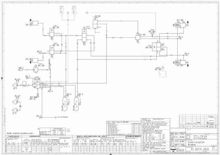
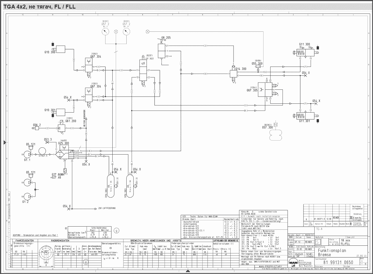
TGA 4x2, не тягач, FL / FLL
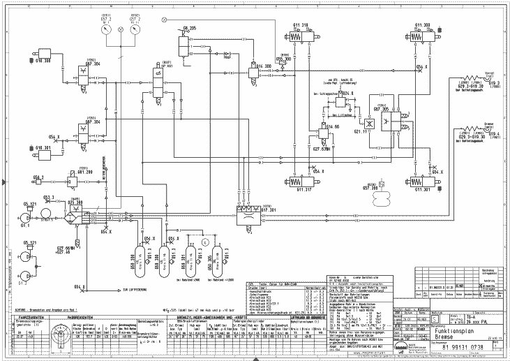
TGA, 4х2, тягач, FL / FLL
TG-A с задним вспомогательным мостом, тягач, FNL / FNLL

TG-A с передним вспомогательным мостом, тягач, FVL / FVLL

TGA 4х2, тягач, FL / FLL, EBS 5

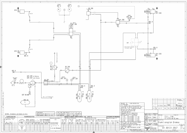
TGL, не тягач

TGL / TGM, тягач

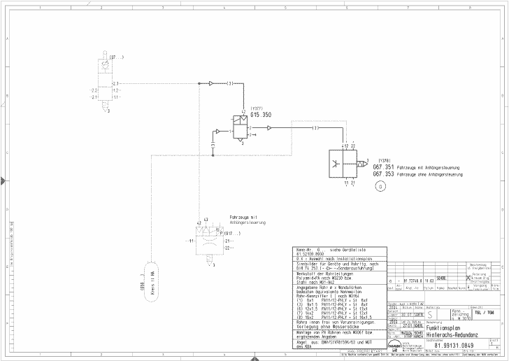
TGL / TGM контур тормозов заднего моста с резервным пневматическим управлением

Низкорамный маршрутный автобус A20, 21, 22, 35

Низкорамный маршрутный автобус с задним вспомогательным мостом A25

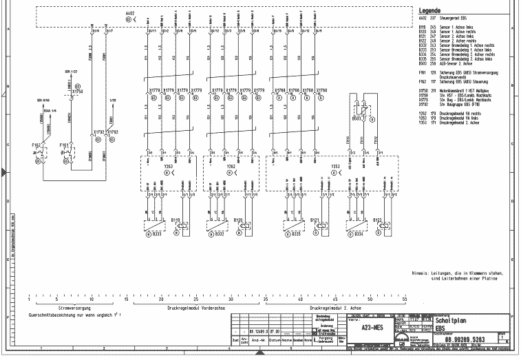
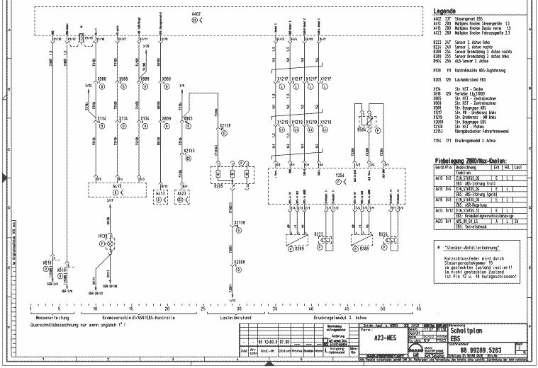
Низкорамный сочлененный автобус A23

Туристический автобус R02

Туристический автобус с задним вспомогательным мостом R03

Туристический автобус с EBS Wabco 2 R02/R07

ЭЛЕКТРОСХЕМЫ
TGA EBS 2.3


TGA EBS 5



TGA EBS 5 с ESP

TGL EBS WABCO 2


TGL EBS WABCO 2, дублирующий клапан

TGL EBS WABCO 2, розетка ABS

ESP

EBS автобуса



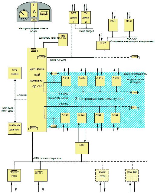
Шина передачи данных
Наименование «CAN» является сокращением от "Controller Area Network". Это переводится примерно как «сеть управляющих приборов». Управляющие приборы выдают определенную информацию в систему шины в виде цифровых сообщений. Эти сообщения могут прочитываться и обрабатываться другими управляющими приборами.

Таким образом сигнал датчика скорости получает не только тахограф, но и другие системы.
Такая концепция позволяет снизить количество деталей и контактов и протяженность проводов и кабелей.
Для регулирования и управления функциональных процессов и давления в системе тормозов применяются системы «ECAM», «EBS». Эти и другие системы в автомобиле обмениваются друг с другом информацией по компьютерной шине «CAN». Таким образом информация является доступной
для всех систем.
Примеры шины «CAN»
ТехникаTGA

Fahrtschreiber MTCO – Тахограф MTCO
Instrumentierungs-CAN – Шина CAN приборов
Einspritzsystem – Система впрыска
Motor-CAN - Шина CAN двигателя
Fahrzeugführungsrechner – Управляющий компьютер автомобиля
Zentraler Bordrechner ZBR – Центральный бортовой компьютер
Triebstrang-CAN – Шина CAN силового агрегата
Bremse EBS – Тормоза EBS
Retarder - Ретардер
Getriebe – Коробка перемены передач
Luftfederung ECAS - Пневмоподвеска ECAS
Luftaufbereitung ECAM – Подача воздуха ECAM
Автомобили с мультиплексной шиной

Схема шины CAN

Bediengträt MMI – Блок обслуживания MMI
Fahrtschreiber - Тахограф
Kombiinstrument – Комбинация приборов
Aufbauer - Кузов
Intarder - Интардер
Türmodul rechts - Правый модуль двери
Türmodul links – Левый модуль двери
Türmodul-CAN – Модуль дверей CAN
Автобус с системой TEPS
Twin Electric Plattform System (система двойной электрической платформы) Siemens VDO FAP(DMUX) или MOKI NEOPLAN (DMUX), ZBRO (ZR2-BS), ZBR II и FFR (Lion‘s City; Centroliner; Tourliner)

Grundfahrzeug (Karosseriefunktionen) – Основной автомобиль
Instrumentierung - Приборы
Aufbau - Кузов
Fahrtschreiber - Тахограф
Karosserie - кузов
Dezentrale Karosseriemodule – Децентрализированные модули кузова
Türen - Двери
Heizung/Luftung/Klima – Отопление, вентиляция, кондиционер
Aussenbeleuchtung – Внешнее освещение
Füllstandbewachung – Контроль за уровнем жидкостей
Wischersteuerung – Управление стеклочистителем
Überwachung der T-CAN-Steuergeräte - Контроль управлением шиной T-CAN
Gateway für Fehlermeldungen der T-CAN-Steuergeräte - Вход для сообщений об ошибках
управления шиной T-CAN
Weitere Grundfahrzeugfunktionen - Другие основные функции автомобиля
Motor - Двигатель
Triebstrang T-CAN – Шина T-CAN силового агрегата
Triebstrangsteuergeräte (Bremse, Getriebe, Retarder, ECAS, usw.) - Блоки управления
силовым агрегатом (тормоза, коробка перемены передач, ретардер, ECAS и т.д.)
Siemens VDO MOKI NEOPLAN (DMUX), ZBRO (ZR2-BS), ZBR II и FFR (Starliner 2)

Grundfahrzeug (Karosseriefunktionen) – Основной автомобиль
Instrumentierung - Приборы
Aufbau - Кузов
Fahrtschreiber - Тахограф
Karosserie - Кузов
Dezentrale Karosseriemodule – Децентрализированные модули кузова
Türen - Двери
Heizung/Luftung/Klima – Отопление, вентиляция, кондиционер
Aussenbeleuchtung – Внешнее освещение
Füllstandbewachung – Контроль за уровнем жидкостей
Wischersteuerung – Управление стеклочистителем
Überwachung der T-CAN-Steuergeräte - Контроль управлением шиной T-CAN
Gateway für Fehlermeldungen der T-CAN-Steuergeräte - Вход для сообщений об
ошибках управления шиной T-CAN
Weitere Grundfahrzeugfunktionen - Другие основные функции автомобиля
Motor - Двигатель
Triebstrang T-CAN – Шина T-CAN силового агрегата
Triebstrangsteuergeräte (Bremse, Getriebe, Retarder, ECAS, usw.) - Блоки
управления силовым агрегатом (тормоза, коробка перемены передач,
ретардер, ECAS и т.д.)
Innenbeleuchtung – Внутреннее освещение
Türsteuerung – Управление дверьми
Überwachung der Karosseriemodule, der Türsteuerung, Der Heizungssteuerung etc.
– Контроль модулей кузова, управления дверьми, отоплением и т.д.
Fehlermeldungen über Türsteuerung – Сообщения о неисправностях управления дверьми
Displaysteuerung – Управление дисплеем
Weitere Aufbaufunktionen – Другие функции кузова
Система «Brake Matic»
Другим характерным примером соединения по шине «CAN» является система управления тормозами «BrakeMatic».

При активированном переключателе длительного управления тормозной системой во время свободного хода педали тормоза происходит подключение ретардера или моторного тормоза, зависящее от нагрузки до максимум 50 % тормозного эффекта.

Лишь при ходе педали свыше 25 % соответствующим блоком управления подключается рабочая тормозная система EBS. Тем самым снижается нагрузка на рабочую тормозную систему, а средняя скорость возрастает.

Система «Bremsomat»
Еще шире функции системы «Bremsomat». С их помощью происходит автоматическое управление ретардером или моторным тормозом таким образом, что запрограммированная скорость сохраняется и на уклоне. Выбор скорости осуществляется рычагом управления темпоматом или педалью тормоза.

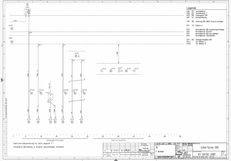
Розетка ABS

Распознавание прицепа
Распознавание прицепа происходит через проводку сигналов поворота и стоп-сигнала.
- Левый сигнал поворота прицепа или
- правый сигнал поворота прицепа или
- стоп-сигнал прицепа
При замере на двух из трех проводов левых/правых сигналов поворота или стоп-сигнала сигнала массы, вызванного наличием лампы накаливания, происходит распознавание прицепа.
Производится автоматическое тестирование сигналов поворота прицепа.
Распознавание ABS прицепа

После подключения прицепа к тягачу происходит замер тока в проводке ABS прицепа, в результате чего определяется, оснащен ли данный прицеп тормозной системой ABS.
Контрольный индикатор « ABS-Info» сигнализирует водителю
- Прицеп с ABS индикатор "выключен"
- Прицеп с ABS индикатор "включен" ( желтый)
Прицеп с ABS распознается, если ток IABS превышает заданное минимальное значение. Питание на выход ABS прицепа (ножка R2/14) подается только в том случае, если ЦБК произвел распознавание прицепа.
При наличии неисправности в системе ABS прицепа контрольный индикатор

будет светиться красным цветом.
Данное управление происходит в том случае, если на штекере X/2 ЦБК будет низкий сигнал. Сигнал поступает от блока управления ABS через розетку ABS, ножка 5.
Следующие содержания
EBS Knorr 2.0-2.3
- Обзор тормозной системы
- На примере грузовика
- На примере автобуса
- Общее описание
- Блок-схема
- Структура и функции электронных элементов
- Данные, передаваемые по информационным шинам CAN
- Пример: EBS CAN грузовика
- Описание работы системы EBS
- EBS 2.3 с ESP
- Функции ESP
- Компоненты системы EBS
- Электронный блок A 402 EBS
- Структура
- Штекеры электронного блока EBS
- Узел Multiplex
- Модуль рабочей тормозной системы G 7. (B337)
- G 67. (Y262 справа, Y263 слева): одноканальный модуль регулирования давления
- Двухканальный модуль регулирования давления G 67. (Y264)
- Модуль управления прицепом G 17. (Y278)
- Датчик частоты вращения
- Индикация износа тормозных накладок
- Датчик износа тормозных накладок для дисковых тормозов
- Датчик износа тормозных накладок для барабанных тормозных механизмов
- Датчики нагрузки на ось
- Датчик давления G 57. (B336)
- Датчик перемещения G 74.300 (B336)
- Выключатель устройства увеличения порога проскальзывания ASR
- Электронный блок A 302 ESP
- Датчики ESP
EBS Knorr 5 2
- Обзорная схема тормозной системы
- Общее описание
- Блок-схема
- Структура и принцип действия электронных элементов
- Компоненты системы EBS
- EBS Электронный блок А 402
- Структура
- Штекер электронного блока
- Штекер X 1
- Штекер X 2
- Штекер X 3
- Штекер X 4
- Модуль рабочего тормоза G.7 (B337)
- G 67. (Y262 справа, Y263 слева), одноканальный модуль регулирования давления
- G 67. (Y264), двухканальный модуль регулирования давления
- G 67. (Y264), двухканальный модуль регулирования давления
- G 17. (Y278), модуль управления прицепом
EBS WABCO 2 3
- Обзор тормозных систем
- Опция с дублирующим клапаном
- EBS 4S3M
- EBS 4S4M
- Компоненты системы EBS
- Модуль центрального тормоза
- Место установки
- Модуль педали демонтирован
- Модуль педали демонтирован
- Электронный блок EBS
- Структура Принцип действия
- Выбег после отключения ECU
- Электрическое подключение X1
- Электрическое подключение X2
- Модуль переднего моста
- Структура, принцип действия
- Пневматическое подключение
- Модуль заднего моста
- Структура, принцип действия
- Пневматическое подключение
- Электрическое подключение
- Дублирующий клапан, задний мост
- Структура, принцип действия
- Модуль управления прицепом
- Электрическое подключение
- Пневматическое подключение
- Клапан ограничения давления G.67
- Использование клапана ограничения давления ABS
- Изображение принципа действия
- Места разъемов в кабине
Тормозные системы прицепа с EBS 2
- Прицеп с EBS 2.2
- Функция тормозной системы в прицепе с EBS
- Прицеп с TEBS4
- Применение
- Структура и принцип действия
- Положение при движении
- Движение автомобиля
- Торможение BBA за счет подачи воздуха в трубопровод тормозного привода
- Торможение BBA с помощью сигнала CAN
- Bremsen FBA
- Снижение давления в трубопроводе ресивера
- Маневрирование
- Защита от перегрузки
- Дополнительные функции (в качестве опции)
- Контроль за дополнительными функциями:
Диагностика
- Протокол проверки всей системы EBS
- Общие данные
- Запустить диагностический прибор MAN-Cats II
- Проверить память ошибок
- Идентификация блоков управления
- Moниторинг
- Тест на перепад давления
- Протокол проверки штекерного разъема ABS
- Диагностика MAN Cats
- EBS 2.2/2.3 Knorr
- Меню диагностики EBS
- Идентификация блоков управления
- Moниторинг
- Тест перепадов давления
- Проверить приоритет модулей регуляторов давления
- EBS 5 Knorr
- Меню диагностикики EBS 5
- EBS WABCO 2
Примеры со следующих одержаний
EBS Knorr 2.0-2.3
Обзор тормозной системы
Тормозная система представляет собой многоконтурную систему с пневматическим приводом.
На примере грузовика

На примере автобуса

Продолжение и все тренинги персонала сервисов -
будут доступны пользователям
в 60 обнолении.


