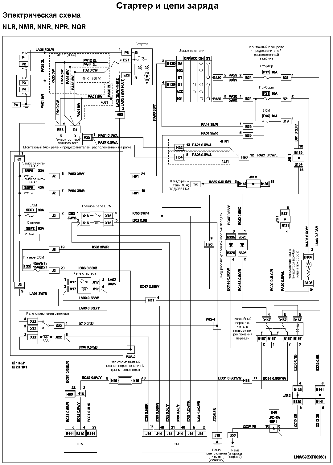
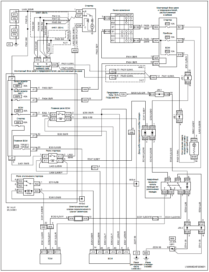
Электросхема NLR, NMR, NNR, NPR/S, NQR
ISUZU серии "N"
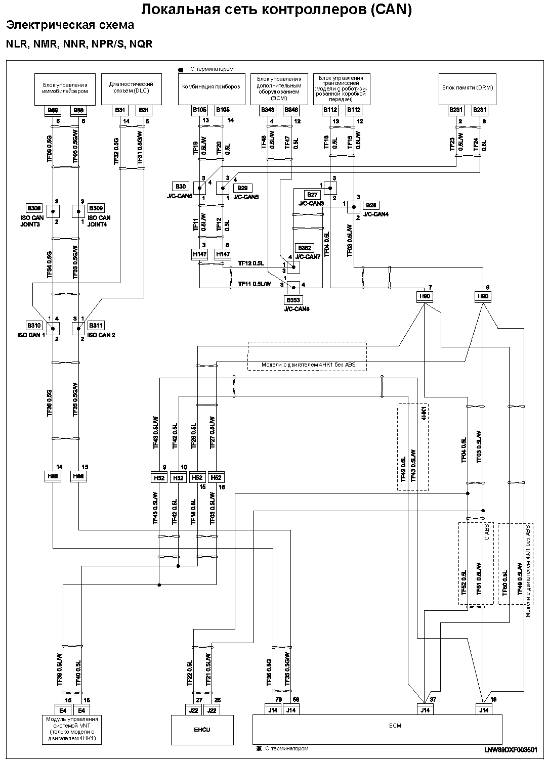
Локальная сеть контроллеров (CAN)
Стартер и цепи заряда





Полностью все схемы - просматривать и распечатывать в высоком качестве
могут только пользователи
Подписывайтесь на наш канал в Telegram и будьте всегда в курсе самых последних сообщений и публикаций с сайта. |




