Электрические схемы автобусов МАЗ 103-107 new
Пояснения к схеме электрооборудования:
А - электронный блок;
B - датчик;
E - наружная светотехника;
F, FU - предохранитель;
G - источники энергии;
H - контрольная лампа;
K - реле;
M - электродвигатель;
P - контрольный прибор;
Q - коммутирующее устройство;
R - резисторный элемент;
S - выключатель, переключатель;
V - диод;
Y - вентиль электромагнитный;
X - разъемное соединение.
обозначение разъемов и их контактов (пример)
цифра у стрелки указывает на номер позиции (внизу схемы)
цифра над линией указывает на номер электрической цепиСОДЕРЖАНИЕ
- Перечень элементов
- Система электропитания при установке двигателя Daimler
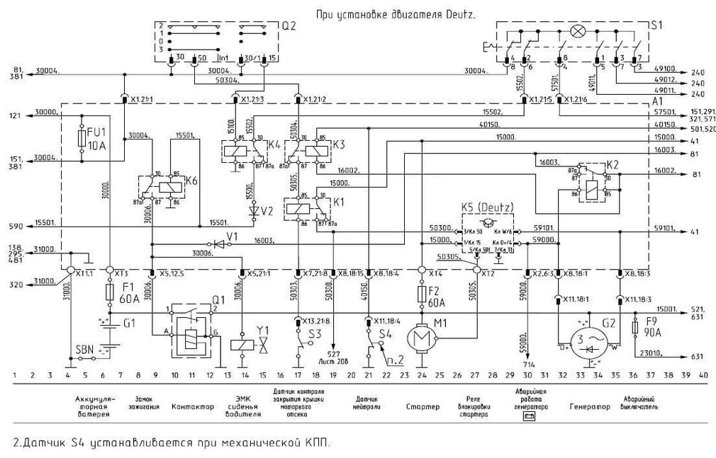
- Система электропитания при установке двигателя Deutz
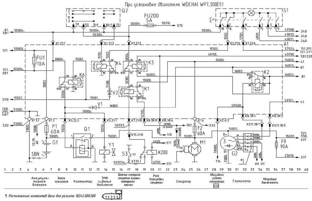
- Система электропитания при установке двигателя WEICHAI
- КИП и датчики при установке двигателя Daimler
- КИП и датчики при установке двигателя Deutz
- Преобразователь напряжения 24/12В и розетка, КИП и датчики
- Преобразователь напряжения 24/12В и розетка, КИП и датчики
- Щиток приборов, система пожаротушения УП «Белспецремонт», звуковые сигналы и датчики
- Щиток приборов, система пожаротушения ООО «ГК»ЭПОТОС», звуковые сигналы и датчики
- Щиток приборов, система пожаротушения ООО «ГК»ЭПОТОС», звуковые сигналы и датчики
- Щиток приборов, система пожаротушения ООО «ГК»ЭПОТОС», звуковые сигналы и датчики
- Щиток приборов, система пожаротушения УП «Белспецремонт», звуковые сигналы и датчики
- Головные фары, габаритные огни
- Подсветка приборов, противотуманные фары и огни, фонари заднего хода, освещение моторного отсека
- Фонари стоп-сигналов, фонари заднего хода, осушитель воздуха, освещение моторного отсека, розетки
- Указатели поворотов, выключатель аварийной световой сигнализации
- Указатели поворотов, выключатель аварийной световой сигнализации
- Стеклоочиститель, стеклоомыватель, централизованная система смазки
- Стеклоочиститель, стеклоомыватель, централизованная система смазки
- Управление вентиляторами системы отопления
- ПЖД Termo E 320, воздушный отопитель Air Top
- ПЖД Eberspaecher, воздушный отопитель Airtronic
- ПЖД Webasto, воздушный отопитель Air Top
- Внутреннее освещение, обогрев зеркал и стекол, остановочный тормоз
- Внутреннее освещение, обогрев зеркал и стекол, остановочный тормоз
- Датчики состояния дверей, управление подвеской, кнопки требования остановки, контрольные лампы
- Датчики состояния дверей, управление подвеской, кнопки требования остановки, контрольные лампы
- Управление приводом дверей (передняя дверь)
- Управление приводом дверей (2-я и3-я дверь)
- Радиооборудование, автомагнитола
- Информационная система СИТ-А-С «Интеграл»
- Информационная система КУМ-АС «МЭМЗ»
- Радиооборудование, подсветка маршрутоуказателей
- Система ABS/ASR KNORR-BREMSE
- Система ABS/ASR WABCO
- Система ABS/ASR
- Система ABS/ASR KNORR-BREMSE
- Система ABS/ASR WABCO
- Система ABS KNORR-BREMSE
- ГМП Vait Diwa
- ГМП ZF
- ГМП Allison
- ГМП Allison GEN5
- ГМП Allison GEN5 для МАЗ 107485
- ГМП ZF-ECOLIFE
- ГМП Fast Gear
- ГМП Fast Gear
- Система ЭФУ, свечи накала, обогрев топливного фильтра, блок управления гидроприводом вентилятора
- Система ЭФУ, свечи накала, обогрев топливного фильтра, блок управления гидроприводом вентилятора
- Система предпускового подогрева воздуха Deutz, свечи накала, обогрев топливного фильтра, блок управления гидроприводом вентилятора
- Система ЭФУ, свечи накала, обогрев топливного фильтра, блок управления гидроприводом вентилятора
- Система ЭФУ, свечи накала, обогрев топливного фильтра, блок управления гидроприводом вентилятора
- Дополнительный генератор, свечи накала, обогрев топливного фильтра, блок управления гидроприводом вентилятора
- Дополнительный генератор, свечи накала, обогрев топливного фильтра, блок управления гидроприводом вентилятора
- Дополнительный генератор, свечи накала, обогрев топливного фильтра, блок управления гидроприводом вентилятора
- Дополнительный генератор, свечи накала, обогрев топливного фильтра, блок управления гидроприводом вентилятора
- Дополнительный генератор, свечи накала, обогрев топливного фильтра, блок управления гидроприводом вентилятора
- Дополнительный генератор, предпусковой подогрев двигателя, обогрев топливного фильтра, блок управления гидроприводом вентилятора
- Дополнительный генератор, предпусковой подогрев двигателя, обогрев топливного фильтра, блок управления гидроприводом вентилятора
- Дополнительный генератор, предпусковой подогрев двигателя, обогрев топливного фильтра, блок управления гидроприводом вентилятора
- лок управления двигателем
- Блок управления двигателем
- Блок управления двигателем
- Блок управления двигателем
- Блок управления двигателем ОМ 906 LA (Euro 3)
- Блок управления двигателем ОМ 906 LA (Euro 4)
- Блок управления двигателем Deutz
- Блок управления двигателем ОМ 926 LA (Euro 3)
- Блок управления двигателем Weichai
- Блок управления ADM3-FR (Euro 3)
- Блок управления ADM3-FR (Euro 4)
- Блок управления ADM3-FR (Euro 3)
- Блок управления CPC4 (Euro 5)
- Блок управления системой SCR
- Блок управления системой SCR
- Блок управления системой SCR с двигателем Weichai
- Блок управления системой SCR с двигателем Weichai
- Климатическая установка кабины водителя
- Климатическая установка кабины водителя
- Система управления дополнительной задней осью и система блокировки колес оси автобуса МАЗ107
- Система управления дополнительной задней осью и система блокировки колес оси автобуса МАЗ107
- Система управления дополнительной задней осью и система блокировки колес оси автобуса МАЗ107
- Щиток приборов со светодиодными указателями
- Щиток приборов со стрелочными указателями
- Система кондиционирования Aerosphere 350
- Система кондиционирования Ebercpacher Carrier Sutrak
- Отопление салона и блок микроклимата рабочего места водителя
- Отопление салона и блок микроклимата рабочего места водителя
- Отопление салона и быстрый прогрев двигателя
- Отопление салона и быстрый прогрев двигателя
- Отопление салона и быстрый прогрев двигателя, связь кондуктор водитель
- Отопление салона и быстрый прогрев двигателя
- Устройство вызова экстренных оперативных служб Fort Telecom
- CAN-шина (двигатель Weichai)
- Система многофункционального терминала водителя МТВ-128
- Система видеонаблюдения для автобуса МАЗ 107
- Система отображения информации для автобуса МАЗ 107
Перечень элементов
- A1 Блок коммутации
- A2 Блок управления системой пожаротушения
- A3 Блок управления независимым воздушным отопителем
- A4 Таймер ПЖД
- A5 Блок управления ПЖД
- A7 Щиток приборов
- A9 Привод управления двери ПУД 2
- A10.1, A10.2 Привод управления двери ПУД 1
- A12 Усилитель радиооборудования
- A13 Звуковая информационная система
- А15 Блок управления системы АВS/ASR
- А17 Система электронного управления ГМП
- A19 Блок управления ЭФУ
- A20 Блок управления гидроприводом вентилятора системы охлаждения двигателя
- A21 CAN разветвитель
- А22 Электронный блок управления двигателем PLD
- А23 Электронный блок управления двигателем ADM3-FR
- А25 Электронный блок управления двигателем EDC 16
- A26 CAN разветвитель
- A27 Датчик Nox
- А28 Электронный блок управления системой SCR
- А33 Климатическая установка кабины водителя
- АН1 Бортовой извещатель
- В1 Датчик указателя температуры охлаждающей жидкости
- В1.1 Датчик указателя аварийной температуры охлаждающей жидкости4
- В2 Датчик указателя давления масла
- В2.1 Датчик указателя аварийного давления масла
- B3 Датчик уровня топлива
- В4, B5 Датчик указателя давления воздуха
- B6, В7, В10, В11, В20 Датчик аварийного давления воздуха
- B12 Датчик засоренности воздушного фильтра
- B13 Датчик давления воздуха в ресивере стояночного тормоза
- B15 Датчик уровня масла в бочке ГУР
- B16 Датчик уровня охлаждающей жидкости
- B18.1, В18.2 Линейный температурный извещатель
- B21 Датчик уровня масла в двигателе
- B23.1, В23.2 Датчик давления воздуха в контуре тормозов
- B26.1 - В26.3 Датчик аварийного открывания дверей
- B27.1 - В27.3 Датчик аварийного состояния дверей
- В30 Датчик NBS
- В32 Датчик положения педали подачи топлива
- В33 Датчик положения педали подачи топлива
- В35 Датчик температуры отработанных газов до катализатора
- В36 Датчик температуры отработанных газов после катализатора
- В37 Датчик уровня и температуры AdBlue
- В38 Датчик влажности и температуры воздуха
- BA1-BA4 Громкоговоритель салона
- ВМ1 Микрофон
- BR1.1 - ВR2.2 Датчик числа оборотов
- BV1 Датчик скорсти
- BТ1 Датчик температуры
- BТ3 Датчик температуры наружного воздуха
- E1.1, E1.2 Фонарь передний габаритный верхний
- Е1.4, E4.1 - E4.5 Фонарь боковой маркерный правый
- Е1.3, E5.1 - E5.5 Фонарь боковой маркерный левый
- E2.1, E2.2 Фонарь задний габаритный верхний
- E9.1, E9.2 Фонарь освещения номерного знака
- E10.1, E10.2 Фара ближнего света
- E11.1, E11.2 Фара дальнего света и габаритного огня
- E14.1, E14.2 Фара противотуманная
- E15.1, E15.2 Фонарь противотуманный
- E17.1, E17.2 Фонарь заднего хода
- E18 Фонарь освещения моторного отсека
- E24.1 - Е24.6 Фонарь освещения салона
- E25 Фонарь освещения места водителя
- E28.1 - E28.3 Фонарь освещения выхода
- E30.1 - E30.3 Лампа подсветки маршрутоуказателя
- ES12, ES13, ES17-19, ES22, ES23, ES25-29, S31,
- ES35, ES45, ES48, ES36, ES36.1-ES36.3, ES65, ES66 Лампа подсветки переключателя
- ET1, ЕT2 Генератор огнетушащего аэрозоля
- F1, F2 Предохранитель 60А
- F5 Предохранитель 80А
- F9 Предохранитель 100А
- FU1 Предохранитель 10А
- FU2 Предохранитель 7,5А
- FU4 Предохранитель 7,5А
- FU6 Предохранитель 7,5А
- FU7 Предохранитель 7,5А
- FU8 Предохранитель 7,5А
- FU10 Предохранитель 7,5А
- FU11 Предохранитель 7,5А
- FU12 Предохранитель 7,5А
- FU14, FU15 Предохранитель 7.5А
- FU16, FU17 Предохранитель 7,5А
- FU18, FU19 Предохранитель 7,5А
- FU20 Предохранитель 7,5A
- FU21 Предохранитель 10A
- FU24 Предохранитель 7,5А
- FU25 Предохранитель 7,5А
- FU26 Предохранитель 7,5А
- FU27 Предохранитель 7,5А
- FU29 Предохранитель 7,5А
- FU30 Предохранитель 7,5А
- FU32 Предохранитель 10А
- FU34 Предохранитель 25А
- FU35, FU36 Предохранитель 20А
- FU38 - FU39 Предохранитель 15А
- FU40 Предохранитель 10А
- FU41 Предохранитель 5А
- FU42 Предохранитель 7,5А
- FU43 Предохранитель 25А
- FU44 Предохранитель 16А
- FU45 Предохранитель 7,5А
- FU52 Предохранитель 7,5А
- FU53 Предохранитель 7,5А
- FU54 Предохранитель 15А
- FU56 Предохранитель 7,5А
- FU58 Предохранитель 7,5А
- FU60 Предохранитель 20А
- FU63 Предохранитель 5А
- FU64 Предохранитель 20А
- FU65 Предохранитель 15А
- FU66 Предохранитель 7,5А
- FU67 Предохранитель 7,5А
- FU68 Предохранитель 7,5А
- FU70 Предохранитель 5А
- FU71 Предохранитель 25А
- FU72 Предохранитель 25А
- FU73 Предохранитель 3А
- FU74 Предохранитель 10А
- FU76 Предохранитель 25А
- FU77 - FU79 Предохранитель 10А
- FU80 Предохранитель 10А
- FU84 Предохранитель 5А
- FU85 Предохранитель 20А
- FU92 Предохранитель 7,5А
- FU95, FU97 Предохранитель 7,5А
- FU96, FU98 Предохранитель 10А
- F100 Предохранитель 7,5А
- G1 Группа аккумуляторных батарей
- G2 Генератор
- G3 Дополнительный генератор
- H8 Контрольная лампа давления воздуха в III контуре рабочих тормозов
- H19.1, Н19.2 Звуковой сигнал
- H30.1, Н30.2 Фонарь стоп-сигнала и габаритного огня
- Н31 Звуковой сигнал заднего хода
- H35 - Н37 Указатель поворота левый
- H39 - Н41 Указатель поворота правый
- H51 Табло требования остановки пассажиром
- H54 Kонтрольная лампа требования остановки пассажиром
- H55, Н56 Контрольная лампа требования остановки инвалидом
- H57 Контрольная лампа управления книллингом
- H58 Контрольная лампа положения трапа для инвалида
- H61 Контрольная лампа аварийный работы ГМП
- H62 Контрольная лампа перегрева масла
- H65 Контрольная лампа аварийной работы гидропривода вентилятора
- H70 Контрольная лампа аварийной работы двигателя Deutz
- H71 Контрольная лампа аварийной работы двигателя Daimler
- H72 Контрольная лампа уровня AdBlue
- H73 Контрольная лампа аварийной работы системы SCR
- K1 - К3 Реле блокировки стартера
- K4 Реле аварийного отключения контактора
- K6 Реле включения контактора
- K8 Реле звуковых сигналов
- K10 Реле аварийного отключения
- K11 Реле включения дальнего света
- K12 Реле включения ближнего света
- K13, К14 Реле включения габаритных огней
- K15 Реле включения контрольной лампы противотуманных фонарей
- K16 Реле включения противотуманных фонарей
- K18 Реле включения противотуманных фар
- К19 - К21 Реле включения стоп-сигналов
- К22 Реле включения фонарей заднего хода
- К23 Реле включения звукового сигнала заднего хода
- K25 - К27 Реле включения указателей поворотов
- K28 Реле указателей поворотов
- К29 Реле стеклоочистителя
- К31 Реле включения 1-ой скорости отопителя места водителя
- К32 Реле включения 2-ой скорости отопителя места водителя
- К33 Реле включения 3-ей скорости отопителя места водителя
- К34, К36 Реле включения 2-ой скорости отопителей салона
- К35, К37 Реле включения 1-ой скорости отопителей салона
- К40 Реле включения крышного вентилятора водителя
- К41 Реле включения крышных вентиляторов салона
- К43 Реле аварийного отключения воздушного отопителя
- К44 Реле аварийного отключения подогревателя жидкости
- К47 Реле включения аварийного освещения салона
- К48 Реле включения освещения салона
- К49 Реле включения обогрева зеркал
- К50 Реле включения обогрева стекол
- К51, К52 Реле включения остановочного тормоза
- К53 - К56 Реле включения табло требования остановки
- К57 Реле включения книлинга
- К60 Реле блокировки закрытия средней двери
- К62 Реле включения стоп-сигналов от ГМП
- К63 Реле включения питания ГМП
- К64 Реле аварийной работы ГМП
- К65 Реле включения тормоза замедлителя ГМП
- К66 Реле инвертирования сигнала нейтрали ГМП
- К72, К73 Реле включения питания блока управления двигателем M
- К74 Реле включения питания блока управления двигателем Deutz
- К75 Реле аварийной работы блока управления двигателем Deu
- К98 Реле включения клапанов блокировки аварийного открывания дверей
- КК1 Реле прерыватель стояночного тормоза
- КК3 Реле прерыватель звукового сигнала заднего хода
- KK5 Реле ограничения скорости
- M1 Стартер
- M2 Электродвигатель стеклоомывателя
- M3 Электродвигатель моторедуктора стеклоочистителя
- M5 Электродвигатель отопителя места водителя
- M6.1 - M6.4 Электродвигатель отопителя салона
- M7 Электродвигатель крышного вентилятора водителя
- M8.1 - М8.3 Электродвигатель крышного вентилятора салона
- M10 Электродвигатель циркуляционного насоса ПЖД
- M14 Насос подачи жидкости AdBlue
- P10 Электронный спидометр (тахограф)
- P13 CAN-коммуникатор
- Q1 Контактор
- Q2 Замок зажигания
- Q4 Контактор включения кондиционера места водителя
- R1.1, R1.2 Обогрев зеркал
- R2 - R4 Обогрев стекол и табло
- RТ1 Осушитель воздуха
- RT2 Обогреватель топливного фильтра
- RF1... RF6 Свечи накала ЭФУ
- S1 Аварийный выключатель
- S2 Выключатель моторного тормоза
- S3 Выключатель крышки моторного отсека
- S4 Датчик нейтрали
- S6 Кнопка теста контрольных ламп
- S10, S11 Подрулевой переключатель
- S12 Главный выключатель света
- S13 Выключатель противотуманных фар и фонарей
- S14 Выключатель контроля включения заднего хода
- S15 Кнопка аварийной сигнализации
- S16 Выключатель отопителя места водителя
- S17 Выключатель отопителей салона
- S18 Выключатель крышного вентилятора водителя
- S19 Выключатель крышных вентиляторов салона
- S21 Выключатель-регулятор воздушного подогревателя
- S22 Выключатель ПЖД
- S25 Выключатель освещения салона
- S26 Выключатель освещения места водителя
- S27 Выключатель обогрева зеркал
- S28 Выключатель обогрева стекол
- S29 Переключатель остановочного тормоза
- S30 Тумблер разблокирования остановочного тормоза
- S31 Выключатель книлинга
- S32.1 - S32.5 Кнопка требования остановки пассажиром
- S33.1, S33.2 Кнопка требования остановки инвалидом-колясочником
- S34.1, S34.2 Кнопка требования остановки инвалидом
- S35 Выключатель управления дверью водителя
- S36 Выключатель общего управления дверьми салона
- S36.1 - S36.3 Выключатель управления дверьми салона
- S37.1 - S37.3 Концевой выключатель открытия люка привода управления дверей
- S38.1, S38.2 Внешняя кнопка управления дверью водителя
- S40 Конечный выключатель положения трапа для инвалида
- S44, S45 Кнопка управления информационной системы
- S46 Кнопка теста ABS
- S47 Выключатель режимов работы ГМП
- S48 Выключатель тормоза-замедлителя ГМП
- S56 Кнопка диагностики двигателя Deutz
- SВ1 Педаль тормоза
- V1 - V3 Диод
- V5 - V19 Диод
- V21 Диод
- V22 - V26 Диод
- V29 - V31 Диод
- V35, V36 Диод
- V40 - V51 Диод
- V52 - V60 Диод
- V91, V92, V93 Диод
- V69 Диод
- Y1 Электромагнит клапана сиденья водителя
- Y3 Электромагнит клапана моторного тормоза
- Y5 Электромагнит клапана дозирующего насоса AIRTOP 2000
- Y8 Электромагнит клапана остановочного тормоза
- Y10.1 - Y10.3 Электромагнит клапана книлинга
- Y15.1 - Y16.2 Модулятор ABS
- Y18 Клапан ASR
- Y20 Клапан ЭФУ
- Y21 Электромагнит клапана гидропривода вентилятора
- Y25 Электромагнит клапана ограничения давления воздуха
- Y31, Y32, Y33 Электромагнит клапана блокировки аварийного открывания двери
- AH2 Реле электронное
- U1 Преобразователь напряжения
- Х1 Розетка 12В
- Х3 - Х5 Розетка 24В
- Х.A22 Розетка диагностики двигателя OM 906LA
- Х.A23 Розетка диагностики OBD
- Х.A25 Розетка диагностики двигателя Deutz
- E19.1, E19.2 Дневные ходовые огни
- K69, K76, K77 Реле управления ГМП Allison GEN5
- K78, K79 Реле управления дневными ходовыми огнями
Система электропитания при установке двигателя Daimler

Система электропитания при установке двигателя Deutz

Система электропитания при установке двигателя WEICHAI



и еще 90 схем в высоком качестве в