Электросхемы EDC MS 5 MAN
EDC MS 5 ступень 3 – без EHAB Автобус UL (893)
- A63 Блок управления EDC
- B199 Первичный датчик частоты вращения
- B198 Датчик движения иглы
- B121 Педальный датчик
- B200 Вспомогательный датчик числа оборотов
- B197 Датчик температуры топлива
- B124 Датчик температуры охлаждающей жидкости
- B125 Датчик давления наддува
- F2 Предохранитель 100 A в аккумуляторном отсеке
- F132 Автомат защиты 15 A в параллельной коммутационной плате (кл. 30)
- F236 Автомат защиты 8 A в основной коммутационной плате (кл. 15)
- H172 Контрольная лампа EDC
- K284 Реле стартерной системы
- K285 Реле электропитания кл. 30 (главное реле)
- K286 Реле останова двигателя и электропитания кл. 15
- K327 Реле сокращения газа при движении задним ходом
- K335 Реле резервного отключения
- Q1 Основной электрический выключатель аккумулятора
- R134 Группа резисторов
- S144 Выключатель на приближение педали сцепления
- S145 Выключатель на приближение педали тормоза
- S146 Переключатель на рулевой колонке (элемент управления),
- система регулирования скорости
- X48 Корпус штекера 4-пол. (разъем блока управления ABS/ASR)
- X59.1 Штекерное соединение 22-пол. параллельной коммутационной платы
- X200 Штекерное соединение 37-пол. (разъем диагностики MAN-cats)
- X210 Штекерное соединение 4-пол. MOT (разъем запроса мигающего кода)
- Y130 Регулятор в ТНВД
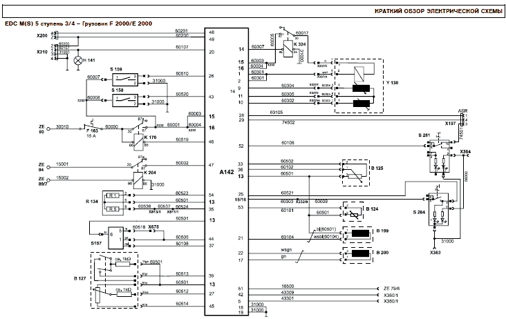
EDC M(S) 5 ступень 3/4 Грузовик F 2000/E 2000
- A142 Блок управления EDC
- B124 Датчик температуры воды
- B125 Датчик давления наддува
- B127 Педальный датчик EDC
- B197 Датчик температуры топлива
- B200 Вспомогательный датчик числа оборотов
- F163 Предохранитель EDC
- H141 Контрольная лампа EDC
- K170 Реле электропитания EDC кл. 30
- K264 Реле электропитания EDC кл. 15
- K324 Реле резервного отключения
- R134 Группа резисторов EDC
- S157 Переключатель на рулевой колонке (элемент управления) режима Темпомат/регулятора частоты вращения
- S158 Выключатель на приближение педали тормоза
- S159 Выключатель на приближение педали сцепления
- S281 Кнопка отключения ASR
- S284 Выключатель FGR/FGB
- X197 Штекерное соединение 4-пол. ASR
- X200 Центральная диагностическая розетка 37-пол.
- X210 Штекерное соединение 4-пол. диагностики (запрос мигающего кода)
- X232 Штекерный распределитель 14-пол. кабель 60001
- X337 Штекерное соединение 35-пол. кабина – двигатель
- X363 Штекерный распределитель 14-пол. кабель 31000
- X364 Штекерный распределитель 14-полюсный – кабель 58000
- X678 Штекерное соединение 1-пол. отключения Темпомат
- X811 Штекерное соединение 2-пол. отключения Темпомат
- X813 Штекерное соединение 2-пол. ограничения момента
- Y130 Регулятор ТНВД
EDC MS 5 ступень 5 Грузовик F 2000/E 2000
- A142 Блок управления EDC
- B123 Датчик температуры наддувочного воздуха
- B124 Датчик температуры охлаждающей жидкости
- B125 Датчик давления наддува
- B127 Педальный датчик EDC
- B197 Датчик температуры топлива
- B198 Датчик движения иглы
- B199 Первичный датчик частоты вращения
- B200 Вспомогательный датчик числа оборотов
- F163 Предохранитель EDC
- H141 Контрольная лампа EDC
- K170 Реле электропитания EDC кл. 30
- K264 Реле электропитания EDC кл. 15
- K324 Реле резервного отключения
- R134 Группа резисторов EDC
- S157 Переключатель на рулевой колонке режима Темпомат/регулятора частоты вращения
- S158 Выключатель на приближение педали тормоза
- S159 Выключатель на приближение педали сцепления
- S281 Кнопка отключения ASR
- S284 Выключатель FGR/FGB
- X197 Штекерное соединение 4-пол. ASR
- X200 Центральная диагностическая розетка 37-пол.
- X210 Штекерное соединение 4-пол. диагностики (запрос мигающего кода)
- X337 Штекерное соединение 37-пол. кабина – двигатель
- X360 Штекерное соединение 1-пол. моторного тормоза
- X834 Штекерное соединение 6-пол. разъема ZDR 1 (красный)
- X1001 Штекерное соединение 3-пол. шины данных CAN
- X1845 Штекерное соединение 1-пол. адаптации встроенного тормоза-замедлителя
- Y130 Регулятор ТНВД
- Y280 Регулятор рециркуляции ОГ (AGR)
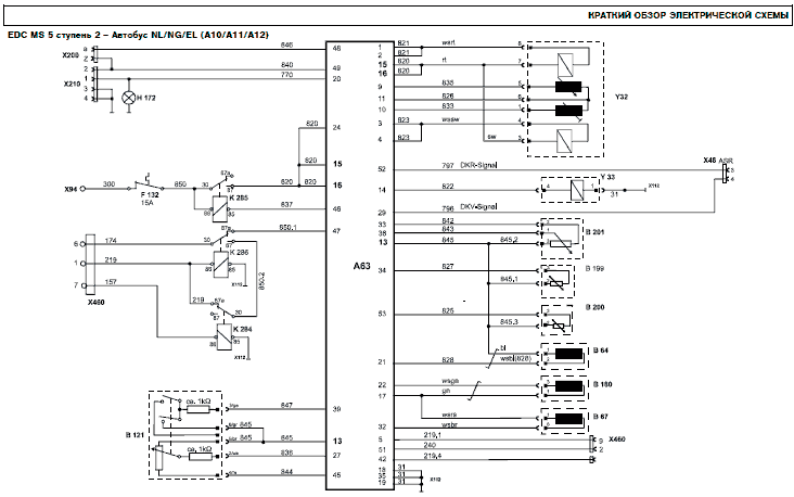
EDC MS 5 ступень 2 Автобус NL/NG/EL (A10/A11/A12)
- A63 Блок управления EDC
- B64 Первичный датчик частоты вращения
- B67 Датчик движения иглы
- B121 Педальный датчик
- B180 Вспомогательный датчик частоты вращения
- B199 Датчик температуры топлива
- B200 Датчик температуры воды
- B201 Датчик давления наддува
- F132 Автомат защиты 15 A в параллельной коммутационной плате (кл. 30)
- H172 Контрольная лампа EDC
- K284 Реле стартерной системы
- K285 Реле электропитания кл. 30 (главное реле)
- K286 Реле останова двигателя и электропитания кл. 15
- X48 Корпус штекера 4-пол. (разъем блока управления ABS/ASR)
- X94 Клеммник параллельной коммутационной платы
- X112 Точка массы приборной платы
- X200 Штекерное соединение 37-пол. (разъем диагностики MAN-cats)
- X210 Штекерное соединение 4-пол. MOT (разъем запроса мигающего кода)
- X460 Штекерное соединение 9-пол. основная коммутационная плата – система управления коробкой передач
- Y32 Регулятор в ТНВД
- Y33 Электрогидравлический блокиратор EHAB
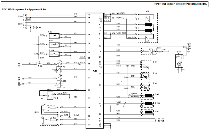
EDC MS 5 ступень 2 Грузовик F 90
- A16 Блок управления EDC
- B25 Педальный датчик
- B29 Датчик температуры топлива
- B30 Датчик температуры воды
- B31 Датчик давления наддува
- B64 Первичный датчик частоты вращения
- B67 Датчик движения иглы
- B180 Вспомогательный датчик частоты вращения
- F35 Автомат защиты 15 A
- H37 Контрольная лампа EDC
- K76 Реле электропитания кл. 30 (главное реле)
- K286 Реле электропитания кл. 15
- S61 Переключатель на рулевой колонке (элемент управления),
- система регулирования скорости
- S62 Выключатель на приближение на педали сцепления
- S63 Выключатель на приближение на педали тормоза
- S64 Кнопка отключения ASR
- X32 Штекерный распределитель подсветки приборной панели
- X101 Штекерное соединение 4-пол. (разъем блока управления ABS/ASR)
- X117.1 Штекерное соединение 2-пол. для кабеля 821
- X117.2 Штекерное соединение 2-пол. для кабеля 823
- X200 Штекерное соединение 37-пол. (разъем диагностики MAN-cats)
- X210 Штекерное соединение 4-пол. MOT (разъем запроса мигающего кода)
- X287 Штекерное соединение 1-пол. (разъем отключения системы регулирования скорости тормозом-замедлителем)
- X430 Штекерный распределитель 14-пол. для кабеля 820
- X431 Штекерный распределитель 14-пол. для кабеля 31
- X432 Штекерный распределитель 14-пол. для кабеля 845
- Y32 Регулятор в ТНВД
- Y33 Электрогидравлический блокиратор EHAB
EDC MS 5 ступень 3 – без EHAB Автобус NL/NG/EL (A10/A11/A12)
- A63 Блок управления EDC
- B199 Первичный датчик частоты вращения
- B198 Датчик движения иглы
- B121 Педальный датчик
- B200 Вспомогательный датчик числа оборотов
- B197 Датчик температуры топлива
- B124 Датчик температуры охлаждающей жидкости
- B125 Датчик давления наддува
- F132 Автомат защиты 15 A в параллельной коммутационной плате (кл. 30)
- F236 Автомат защиты 8 A в основной коммутационной плате (кл. 15)
- H172 Контрольная лампа EDC
- K284 Реле стартерной системы
- K285 Реле электропитания кл. 30 (главное реле)
- K286 Реле останова двигателя и электропитания кл. 15
- K327 Реле сокращения газа при движении задним ходом
- K335 Реле резервного отключения
- R134 Группа резисторов
- X48 Корпус штекера 4-пол. (разъем блока управления ABS/ASR)
- X94 Клеммник параллельной коммутационной платы
- X200 Штекерное соединение 37-пол. (разъем диагностики MAN-cats)
- X210 Штекерное соединение 4-пол. MOT (разъем запроса мигающего кода)
- X460 Штекерное соединение 9-пол. основная коммутационная плата – система управления коробкой передач
- X528 Точка массы EDC
- Y130 Регулятор в ТНВД
EDC MS 5 ступень 3 Грузовик F 2000
- A142 Блок управления EDC
- B124 Датчик температуры воды
- B125 Датчик давления наддува
- B127 Педальный датчик EDC
- B197 Датчик температуры топлива
- B198 Датчик движения иглы
- B199 Первичный датчик частоты вращения
- B200 Вспомогательный датчик числа оборотов
- F163 Предохранитель EDC
- H141 Контрольная лампа EDC
- K170 Реле электропитания EDC кл. 30
- K264 Реле электропитания EDC кл. 15
- R134 Группа резисторов EDC
- S157 Переключатель на рулевой колонке режима Темпомат/регулятора частоты вращения
- S158 Выключатель на приближение педали тормоза
- S159 Выключатель на приближение педали сцепления
- S281 Кнопка отключения ASR
- S284 Выключатель FGR/FGB
- X197 Штекерное соединение 4-пол. ASR
- X200 Центральная диагностическая розетка 37-пол.
- X210 Штекерное соединение 4-пол. диагностики (запрос мигающего кода)
- X232 Штекерный распределитель 14-пол. кабель 60001
- X337 Штекерное соединение 35-пол. кабина – двигатель
- X360 Штекерное соединение 1-пол., моторный тормоз для прицепа
- X363 Штекерный распределитель 14-пол. кабель 31000
- X364 Штекерный распределитель 14-пол. кабель 58000
- X678 Штекерное соединение 1-пол. отключения режима Темпомат
- X811 Штекерное соединение 2-пол. отключения режима Темпомат
- X813 Штекерное соединение 2-пол. ограничения момента
- Y130 Регулятор ТНВД
- Y131 Электрогидравлический блокиратор EHAB






