Отопитель HYDRONIC D10W в Hyundai 450


1 Мотор горелки
2 Индикатор пламени
3 Камера сгорания
4 Блок управления
5 Штифт накаливания
6 Датчик температуры
7 Жаровая труба
8 Теплообменник
9 Датчик перегрева
10 Водяной насос
11 Глушитель отработанных газов
12 Глушитель воздуха для сгорания
13 Дозировочный насос
14 Ответвление топливопровода
15 Жгут проводов
16 Держатель предохранителя
17 Реле для включения вентилятора системы отопления автомобиля
18 Таймер
WE = Вход жидкости
WA = Выход жидкости
V = Воздух для сгорания
В = Топливо
А = Отработанные газы

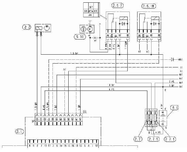
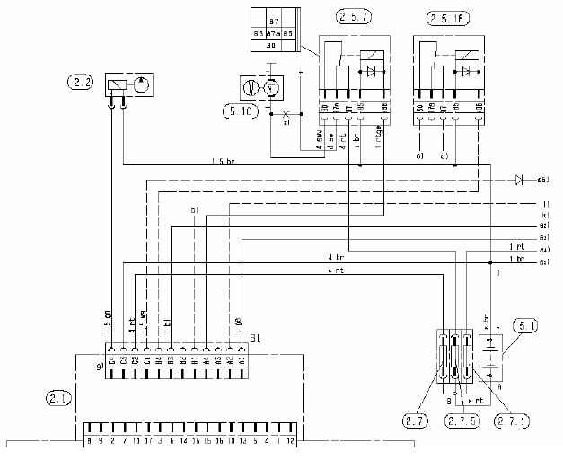
Цвета проводов
- sw = черный
- ws = белый
- rt = красный
- ge = желтый
- gn = зеленый
- vi = фиолетовый
- br = коричневый
- gr = серый
- bl = синий
- li = лиловый
2.1 Блок управления
2.2 Дозировочный насос
2.5.7 Реле для включения вентилятора системы отопления автомобиля.
2.5.18 Реле переключения жидкостного цикла (при необходимости установка производится клиентом )
2.7 Главный предохранитель
12 В = 20 А/24 В = 15 А
2.7.1 Предохранитель запуска ( 5А )
2.7.5 Предохранитель вентилятора системы отопления автомобиля ( 25А )
5.1 Аккумуляторная батарея
5.10 Вентилятор автомобиля

