APS Система подготовки сжатого воздуха SCANIA
Общее описание работы
APS управляет давлением воздуха в системе сжатого воздуха. Входящий воздух из компрессора осушается и очищается. В случае падения давления в одном контуре другие контуры защищаются от падения давления. Система APS оснащена датчиками давления, которые считывают и передают информацию о давлении воздуха в контуре стояночного тормоза, переднем контуре и заднем контуре в щиток приборов по сети CAN. Нормальный диапазон давления для APS составляет 9,0-12,3 бар. При давлении воздуха 5,5 бар мигает контрольная лампа тормозного давления и звучит звуковой
сигнал.
APS использует клапан защиты контуров, чтобы задавать порядок, в котором контуры заправляются воздухом. Кроме того, система APS управляет компрессором и регенерацией с помощью электромагнитных клапанов, управляемых блоком управления. Компрессор и регенерация не только управляются по давлению воздуха в системе сжатого воздуха, они также принимают в расчет другие параметры, такие как запрос сжатого воздуха в задней пневматической подвеске. Блок управления APS
постоянно пытается уменьшать нагрузку двигателя, чтобы экономить топливо, и поэтому, в первую очередь, пытается заряжать систему сжатого воздуха, когда автомобиль выполняет торможение двигателем.

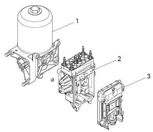
Модули и элементы в APS
Воздухоосушитель (1) состоит из корпуса и контейнера с влагопоглотителем. К воздухоосушителю подсоединяется клапан защиты контуров (2), который состоит из четырех защитных клапанов (по одному на каждый контур), а также из приоритетного клапана для контура стояночного тормоза и контура тормоза прицепа. Блок управления (3), который расположен вне клапана защиты контуров, обменивается данными с другими системами автомобиля по шине CAN и проверяет и регулирует
функции компрессора и регенерации.

1. Корпус воздухоосушителя
2. Клапан защиты контуров
3. Блок управления
Воздухоосушитель
Осушитель воздуха состоит из следующих элементов:

Контейнер с влагопоглотителем (1):
Контейнер с влагопоглотителем содержит влагопоглотитель, который связывает влагу и предотвращает проникновение воды и влаги в систему сжатого воздуха. Осушитель высыхает в процессе регенерации, когда система сжатого воздуха выполняет продувку влагопоглотителя и с выходом отработанного воздуха из системы через сливной клапан.
Обратный клапан (2):
Обратный клапан предотвращает проникновение сжатого воздуха из клапана защиты контуров обратно в воздухоосушитель и предотвращает опорожнение системы сжатого воздуха.
Клапан ограничения давления (3):
Клапан ограничения давления для контура стояночного тормоза, контура тормоза прицепа, а также для контура аксессуаров, в котором содержатся элементы, чувствительные к давлению. В соответствии с требованиями законодательства для тормозного контура прицепа давление воздуха ограничивается значением 8.5 бар.
Предохранительный клапан (4):
Предохранительный клапан имеет давление открытия максимум 14,5 бар и ограничивает давление воздуха путем выпуска воздуха из системы сжатого воздуха, когда давление воздуха становится слишком высоким.
Сливной клапан (5):
Сливной клапан открывается, когда выполняется регенерация влагопоглотителя. Клапан управляется посредством подачи воздуха от электромагнитного клапана регенерации.
Клапан защиты контуров
В случае падения давления в любом из контуров клапан защиты контуров защищает остальные контуры от потери давления.
Клапан защиты контуров также управляет зарядкой системы сжатого воздуха. Чтобы исключить возможность отпускания стояночного тормоза раньше, чем в переднем и заднем контурах будет достигнуто достаточное давление для торможения, клапан защиты контуров регулирует подачу воздуха таким образом, чтобы воздух не мог проходить в контур стояночного тормоза раньше, чем будет достигнуто достаточное давление воздуха в переднем и заднем контурах. Если давление в переднем контуре отсутствует, контур стояночного тормоза будет опорожняться через байпасный клапан (10).
Клапан защиты контуров содержит следующие элементы:

Защитный клапан для контура пневматической подвески (1):
Защитный клапан для контуров пневматической подвески открывается при 8,5 бар и закрывается при давлении > 4,5 бар. Для облегчения заправки пневмобаллонов, когда система сжатого воздуха была опорожнена, предусмотрен байпасный клапан, который позволяет контуру начинать заправку до того, как откроется защитный клапан. Расход составляет 50 л/мин при давлении 6 бар.
Защитный клапан для заднего контура (2):
Защитный клапан для заднего контура открывается при давлении 7,5 бар и закрывается при давлении > 4,5 бар.
Защитный клапан для переднего контура (3):
Защитный клапан для переднего контура открывается при давлении 7,5 бар и закрывается при давлении > 4,5 бар.
Защитный клапан для контура тормозов прицепа и контура стояночного тормоза (4):
Защитный клапан для контура тормозов прицепа и контура стояночного тормоза открывается в диапазоне 6,0 - 7,5 бар и закрывается при давлении > 4,0 бар. Защитный клапан для контура стояночного тормоза открывается только в том случае, когда передний и задний контуры вместе достигают давление выше 7,2 бар. Это обеспечивает наличие тормозного давление перед тем, как стояночный тормоз может быть отпущен.
Защитный клапан для контура аксессуаров (5):
Защитный клапан для контура аксессуаров открывается при давлении 7,5 бар и закрывается при давлении > 4,5 бар. Чтобы была возможна активация ограничителя дымления раньше, чем будет открыт защитный клапан, также предусмотрен байпасный клапан (6).
Электромагнитный клапан для активации функции регенерации (7):
Когда электромагнитный клапан открыт, сжатый воздух выходит из системы сжатого воздуха через электромагнитный клапан, который открывает сливной клапан. Сжатый воздух проходит назад через сливной клапан в воздухоосушителе.
Обратный клапан регенерации (8):
Обратный клапан предотвращает подачу воздуха в трубопровод управления и к сливному клапану при зарядке системы. Дроссель ограничивает прохождение воздуха через контейнер с влагопоглотителем в процессе регенерации.
Электромагнитный клапан управления компрессором (9):
Когда электромагнитный клапан активен, магистраль управления находится под давлением и компрессор выключен. Когда компрессор активируется, сжатый воздух откачивается из трубопровода управления через электромагнитный клапан и через сливной клапан (позиция 3.2 на схеме).
Байпасный клапан (10):
Байпасный клапан отводит воздух из контура стояночного тормоза в передний контур.
Это происходит, если давление в переднем контуре падает ниже давления в контуре стояночного тормоза. Расход находится в диапазоне 35 л/мин - 55 л/мин при давлении 6.0 бар.
Функция приоритета контуров
Значения давления в данной ниже таблице может быть трудно измерить, и они могут варьироваться в зависимости от используемого метода измерения. Эти значения давления следует использовать только в качестве справочных при поиске неисправностей. Значение давление с отклонением от нормы не обязательно подразумевает, что имеется неисправность в клапане защиты контуров или любом другом элементе системы сжатого воздуха.

Соединительный блок
Арматура для подсоединения к различным контурам тормозной системы.

A1: Контур аксессуаров (потребителей, отличных от тормозов)
A2: Контур аксессуаров (потребителей, отличных от тормозов)
A3: Соединение отсутствует
A4: Контрольный вывод для переднего контура
A5: Контрольный вывод для контура стояночного тормоза
A6: Передний тормозной контур
B1: Контрольный вывод для заднего контура
B2: Задний тормозной контур
B3: Задний тормозной контур
B4: Контур стояночного тормоза
B5: Контур пневматической подвески
B6: Контрольный вывод для контура пневматической подвески
Блок управления
Блок управления состоит из следующих элементов: Монтажная плата, разъемы, датчик температуры и датчик давления

Датчик температуры (1):
Показание датчика температуры используется для получения расчетной температуры в
сливном клапане. Когда расчетное значение приближается к 0 градусов Цельсия, APS
переключается в режим нагрева.
Датчик давления для заднего контура (2):
Информация от датчика давления заднего контура передается по сети CAN и
показывается на комбинации приборов.
Датчик давления для переднего контура (3):
Информация от датчика давления переднего контура передается по сети CAN и
показывается на комбинации приборов.
Датчик давления для контура стояночного тормоза (4):
Информация от датчика давления контура стояночного тормоза передается по сети
CAN к комбинации приборов. Если давление воздуха ниже 5,5 бар, контрольная лампа
тормозного давления мигает и звучит зуммер.
Разъем (5):

1: Напряжение (подача питания от клеммы 30)
2: Масса
3: Напряжение (подача питания от клеммы 15)
4: CAN High
5: CAN Low
6: Соединение отсутствует
7: Соединение отсутствует
Уровни давления в APS.
Примечание!
Есть две конструкции блока управления APS. Блоки управления, изготовленные после ноября 2005 г., позволяют регенерацию от 9,0 бар. Ранние варианты блоков управления позволяют регенерацию от 7.5 до 6.0 бар.

A: Давление воздуха при торможении двигателем, вплоть до 12,3 бар.
B: Давление воздуха в режиме нагрева, 11,0-12,3 бар.
C: Давление воздуха при нормальной работе 10,0-11,0 бар.
D Самое низкое давление воздуха при промежуточной регенерации или с активным кодом неисправности 727 - 9,0 бар.
E. Для более старых блоков управления самое низкое давление воздуха при
промежуточной регенерации или с активным кодом неисправности 727 - 7,5 или 6,0 бар.
Функции APS при нормальной работе
При нормальной работе компрессор активируется при давлении минимум 10,0 бар - 10,5 бар. В зависимости от того, сколько воздуха требуется для регенерации, компрессор отключается где-то в диапазоне 10,5-11,0 бар. Это позволяет обеспечить давление воздуха после регенерации на уровне, как минимум, 10,5 бар.
Движение при торможении двигателем
При выполнении торможения двигателем, когда крутящий момент двигателя используется для подачи воздуха без увеличения расхода топлива, компрессор активируется, если давление воздуха ниже 11,8 бар и отключается при достижении давления 12,3 бар.
Запрос на увеличение давления
Если задний мост активируется блоком управления ELC или при выполнении торможения двигателем, давление воздуха может подняться выше 11,0 бар. Система пневматической подвески передает к блоку APS запрос на увеличение давления. Если процедуры регенерации подавлялись на протяжении продолжительного периода, регенерация будет иметь приоритет над увеличением давления до тех пор, пока система сжатого воздуха не получит команду на сушку влагопоглотителя.
Регенерация
В процессе регенерации влагопоглотитель высыхает, когда система сжатого воздуха выполняет продувку влагопоглотителя и с выходом отработанного воздуха из системы через сливной клапан. Это функция в системе APS, которая рассчитывает, сколько воздуха проходит через осушитель воздуха. Счетчик расхода воздуха выполняет отсчет вверх, когда компрессор выполняет зарядку, и обратный отсчет - в процессе регенерации. Значение счетчика определяет, когда осушитель воздуха должен пройти процедуру регенерации. Самый низкий уровень для регенерации - 10,0 бар.
Промежуточная регенерация
Когда расход воздуха высокий и регенерация невозможна на протяжении продолжительного периода, счетчик расхода воздуха в APS достигает высокого значения. Будет выполнен один или несколько циклов регенерации, чтобы уменьшить показание счетчика. Самый низкий уровень для регенерации опускается с 10,0 бар на 9.0 бар.
Припаркованный автомобиль
При выключении зажигания ключом блок APS выполняет регенерацию, чтобы выполнить осушение системы сжатого воздуха. Процесс регенерации может длиться вплоть до одной минуты.
Режим нагрева
Если температура в сливном клапане осушителя воздуха приближается к замерзанию, запускается функция нагрева APS, использующая горячий воздух от компрессора.
Компрессор включен и сливной клапан открыт. Когда функция активна, компрессор активируется при давлении 11.0 бар и выключается при давлении 12.3 бар.
Пока необходим обогрев, система APS переключается между нормальным режимом и обогревом.
Функции APS в случае неисправности
Механический режим
Если обмен данными по сети CAN прерывается или имеется внутренняя неисправность в APS, блок работает в механическом режиме.
Механический режим означает, что давление в компрессоре сбрасывается, и регенерация происходит при фиксированном, предварительно заданном давлении воздуха. Компрессор активируется при давлении 10,0 бар и выключается при давлении 12.3 бар. При давлении 12.3 бар регенерация длится вплоть до достижения 11,7 бар.
Резервный режим
Когда блок APS не может измерить давление воздуха в переднем и заднем контурах, давление воздуха в системе сжатого воздуха регулируется предохранительным клапаном воздухоосушителя. Давление воздуха не превышает 14,5 бар, а компрессор постоянно включен.
Примечание!
Замените предохранительный клапан, если блок APS в течение продолжительного периода находится в
резервном режиме. Давление открытия падает, если предохранительный клапан используется на протяжении продолжительного периода времени.
Ограничение давления, если давление воздуха в переднем и заднем контурах слишком высокое
Если давление воздуха в переднем или заднем контуре поднимается выше 13,0 бар, загорается желтое предупреждение на комбинации приборов. Блок APS снижает давление воздуха до 12,5 бар. Если это происходит, обычно имеется утечка в магистрали управления, идущей к компрессору.
Ограничение давления, если давление воздуха в контуре стояночного тормоза и тормозной системы прицепа, а также в контуре аксессуаров слишком высокое.
Если давление воздуха к контуре стояночного тормоза, контуре тормозной системы прицепа и контуре аксессуаров поднимается до 9.0 бар, блок APS снижает давление до 8,1 бар во всей системе сжатого воздуха, включая элементы, в которых давление обычно не ограничивается.
Если блок управления APS неисправен, клапан ограничения давления действует как предохранительный клапан для контура стояночного тормоза, контура тормозной системы прицепа и контура аксессуаров и сбрасывает воздух при 9.2 бар, если давление воздуха становится слишком высоким.
Промежуточная регенерация при очень высоком расходе воздуха
При наличии утечки в воздушной системе в автомобиле или автопоезде давление воздуха не может достичь 9,0 бар. Спустя некоторое время информация о высоком расходе воздуха высвечивается белым цветом на комбинации приборов.
Если это происходит в течение продолжительного периода времени, счетчик расхода воздуха будет достигать высокого значения, будет генерироваться код неисправности 727 и на комбинации приборов будет высвечиваться желтое предупреждение.
Код неисправности 727
Критический расход воздуха
Если расход воздуха очень высокий и активен код неисправности 727, регенерация разрешается начиная с 9,0 бар. Когда расход воздуха был уменьшен и счетчик достиг приемлемого уровня, давление снова увеличивается и код неисправности перестает быть активным.
Важное примечание!
Замена блока APS и обнуление счетчика с помощью SDP3 не устраняет проблему и вызывает только обнуление счетчика расхода воздуха. Код неисправности 727 будет активироваться снова до тех пор,
пока расход воздуха не уменьшится.