Автобусы НЕМАН - 520101, 520123, 520124

Панель щитка приборов правая
1 – панель;
2 – табличка схемы переключения передач;
3 – лампа контрольная падения давления в контуре тормозных механизмов рабочего тормоза задних колес (цвет красный);
4 – лампа контрольная аварийного давления в контуре привода тормозных механизмов рабочего тормоза передних колес (цвет красный);
5 – лампа контрольная аварийного давления в контуре привода тормозных механизмов стояночного тормоза и системы аварийного растормаживания (цвет красный);
6 – лампа контрольная включения стояночного тормоза (при включении стояночного тормоза контрольная лампа мигает) (цвет красный);
7 – лампа контрольная аварийного давления в контуре дополнительных потребителей – пневматической подвески, привода моторного тормоза, привода останова двигателя, привода муфты вентилятора, ПУД, пневмоусилителя привода сцепления (цвет красный);
8 – лампа контрольная включения сигнала поворота (мигает при включении левого или правого указателя поворота) (цвет зеленый);
9 – лампа контрольная передней противотуманной фары (цвет зеленый);
10 – лампа контрольная задней противотуманной фары (цвет оранжевый);
11 – лампа контрольная засорения воздушного фильтра (цвет красный);
12 – лампа контрольная температуры охлаждающей жидкости (цвет красный);
13 – лампа контрольная аварийного давления масла (цвет красный);
14 – лампа контрольная дальнего света; (цвет синий);
15 – лампа контрольная маршрутоуказателя (цвет зеленый);
16 – лампа контрольная открывания дверей (цвет красный);
17 – лампа контрольная аварийного выключателя;
18 – лампа контрольная обогрева зеркал (цвет зеленый);
19 – лампа контрольная блокировки стартера при включенной передаче (цвет красный);
20 – лампа контрольная низкого заряда АКБ (цвет красный);
21 – лампа контрольная аварийного уровня охлаждающей жидкости (цвет оранжевый);
22 – лампа контрольная включения насоса жидкостного подогревателя (цвет зеленый);
23 – лампа контрольная работы AБС (цвет оранжевый);
24 – лампа контрольная свечей накала (цвет красный);
25 – лампа контрольная работы жидкостного подогревателя (цвет оранжевый);
26 – лампа контрольная низкого уровня AdBlue (цвет оранжевый);
27 – выключатель диагностики АБС;
28 – выключатель аварийной сигнализации;
29 – выключатель дистанционного включения массы;
30 – выключатели открывания пассажирских дверей;
31 – выключатель аварийный. Служит для останова двигателя с одновременным включением аварийной сигнализации (первое фиксированное положение) и отключение АКБ (второе нефиксированное положение рукоятки);
32 – лампа контрольная диагностики двигателя (цвет красный);
33 – выключатели закрывания пассажирских дверей
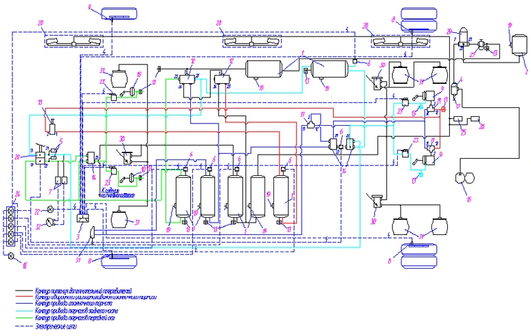
Схема тормозного привода автобуса Неман-520101 с механической коробкой переключения передач

1 - баллон воздушный;
2 - баллон регенерационный;
3 - блок управления электронный кабинный ЭБК;
4 - влагомаслоотделитель;
5 - выключатель пневматический сигнала торможения (ВПСТ);
6 - датчик аварийного давления воздуха;
7 - датчик давления ДД-10;
8 - датчик частоты вращения колеса (ДЧВК);
9 - камера тормозная с энергоаккумулятором тип 24/24;
10 - камера тормозная тип 24;
11 - клапан двухмагистральный;
12 - клапан защитный четырехконтурный;
13 - клапан контрольного вывода;
14 - клапан ускорительный;
15 - компрессор;
16 - контрольная лампа общей неисправности;
17 - кран ПС-7-0;
18 - кран пневматический;
19 - кран слива конденсата;
20 - кран тормозной;
21 - кран тормозной с ручным управлением;
22 - лампа контрольная АБС;
23 - модулятор электропневматический ЭПМ-1;
24 - блок контрольных ламп;
25 - пневмогидравлический усилитель сцепления;
26 - пневмоцилиндр моторного тормоза;
27 - предохранитель против замерзания;
28 - привод двери;
29 - регулятор давления с адсорбером; 3
0 - регулятор уровня пола;
31 - рессора пневматической подвески;
32 - указатель давления двухстрелочный
Схема тормозного привода автобуса Неман-520123 с механической коробкой переключения передач

1 - баллон воздушный;
2 - баллон регенерационный;
3 - блок управления электронный кабинный ЭБК;
4 - влагомаслоотделитель;
5 - выключатель пневматический сигнала торможения (ВПСТ);
6 - датчик аварийного давления воздуха;
7 - датчик давления ДД-10;
8 - датчик частоты вращения колеса (ДЧВК);
9 - камера тормозная с энергоаккумулятором тип 24/24;
10 - камера тормозная тип 24;
11 - клапан двухмагистральный;
12 - клапан защитный четырехконтурный;
13 - клапан контрольного вывода;
14 - клапан ускорительный;
15 - компрессор;
16 - контрольная лампа общей неисправности;
17 - кран ПС-7-0;
18 - кран пневматический;
19 - кран слива конденсата;
20 - кран тормозной;
21 - кран тормозной с ручным управлением;
22 - лампа контрольная АБС;
23 - модулятор электропневматический ЭПМ-1;
24 - блок контрольных ламп;
25 - пневмогидравлический усилитель сцепления;
26 - пневмоцилиндр моторного тормоза;
27 - предохранитель против замерзания;
28 - привод двери;
29 - регулятор давления с адсорбером;
30 - регулятор уровня пола;
31 - рессора пневматической подвески;
32 - указатель давления двухстрелочный
Пневмопривод состоит из пяти независимых контуров:
– контур питания дополнительных потребителей (дверные механизмы, пневматическая подвеска, вспомогательный (моторный) тормоз;
– контур аварийного растормаживания стояночного тормоза;
– контур привода стояночного тормоза;
– контур привода рабочих тормозов заднего моста;
– контура привода рабочих тормозов передней оси.
Контур питания дополнительных потребителей состоит из двух воздушных баллонов 1 с клапанами слива конденсата 19, регуляторов положения кузова 30, клапана контрольного вывода 13, приводом дверей 28, рессор пневматической подвески 31, пневматического крана 18, пневмоцилиндра моторного тормоза 26, пневмогидравлического усилителя сцепления 25..
Контур дополнительных потребителей обеспечивает сжатым воздухом упругие элементы пневматической подвески, приводы управления дверьми, привод управления вспомогательным тормозом, привод управления остановом двигателя.
Контур аварийного растормаживания стояночного тормоза состоит из пневматического крана 18, подключенного к защитному клапану 12 через воздушный баллон 1.
При повреждении контура привода стояночного тормоза сжатый воздух из воздушного баллона 1 выходит в атмосферу. Вследствие этого происходит торможение автобуса. Для растормаживания автобуса и кратковременного продолжения движения для эвакуации автобуса с опасного участка дороги надо нажать кнопку пневматического крана 18 и удерживать ее в таком положении. Сжатый воздух из баллона 1 через пневматический кран 18 и двухмагистральный клапан 11 при этом поступает в цилиндры энергоаккумуляторов тормозных камер 9 и растормаживает колеса.
Контур привода стояночного тормоза состоит из воздушного баллона 1 с краном слива конденсата 19, крана тормозного с ручным управлением 21; ускорительного клапана 14; двухмагистральных клапанов 11, тормозных камер с энергоаккумулятором 9, клапана контрольного вывода 13.
Контур привода рабочих тормозов заднего моста состоит из воздушного баллона 1, тормозного крана 20, ускорительного клапана 14, электропневматических модуляторов 23, клапана контрольного вывода 13, тормозных камер с энергоаккумулятором 9. Давление в воздушном баллоне контролируется красной стрелкой двухстрелочного манометра. Отключение контура от пневмосистемы осуществляется защитным клапаном 12.
В воздушном баллоне имеется кран слива конденсата 19 и датчик аварийного падения давления воздуха 6.
При нажатии на педаль сжатый воздух, подведенный тормозному крану 20 из воздушного баллона 1, поступает в управляющую магистраль ускорительного клапана 14, клапан срабатывает, и сжатый воздух из баллона 1 через модуляторы 23 поступает к рабочим тормозным камерам 9.
Контур привода рабочих тормозов передней оси состоит из баллона 1, тормозного крана 20, ускорительного клапана 14, тормозных камер 10, электропневматических модуляторов 23 и клапанов контрольного вывода 13. В воздушном баллоне установлен кран слива конденсата 19 и датчик аварийного падения давления воздуха 6. При падении давления в воздушном баллоне ниже 450 кПа
(4,5 кгс/см2) датчик срабатывает и включает в кабине водителя сигнальную лампу данного контура на щитке приборов. Давление в воздушном баллоне контролируется белой стрелкой двухстрелочного манометра в комбинированном приборе 32. Отключение контура от пневмосистемы осуществляется защитным клапаном 12.
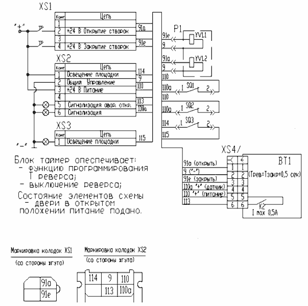
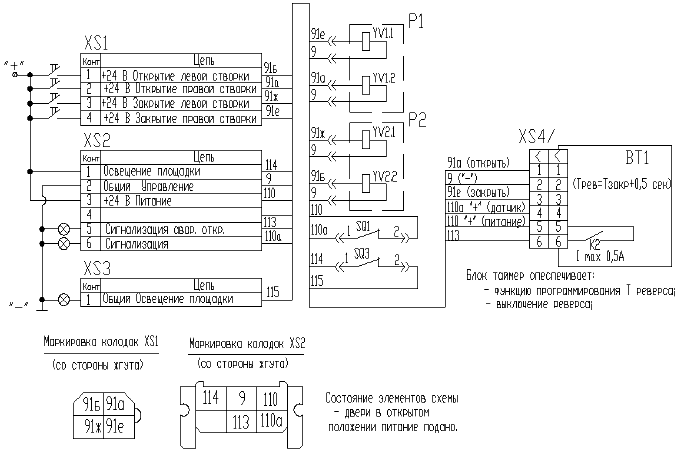
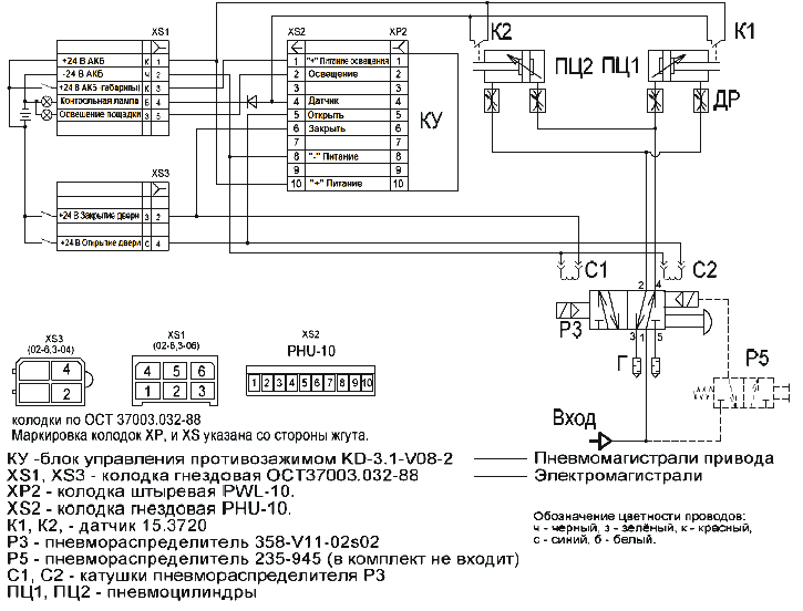
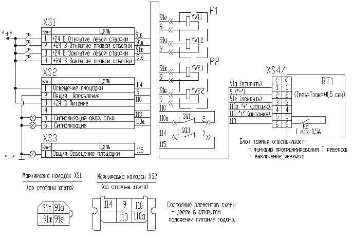
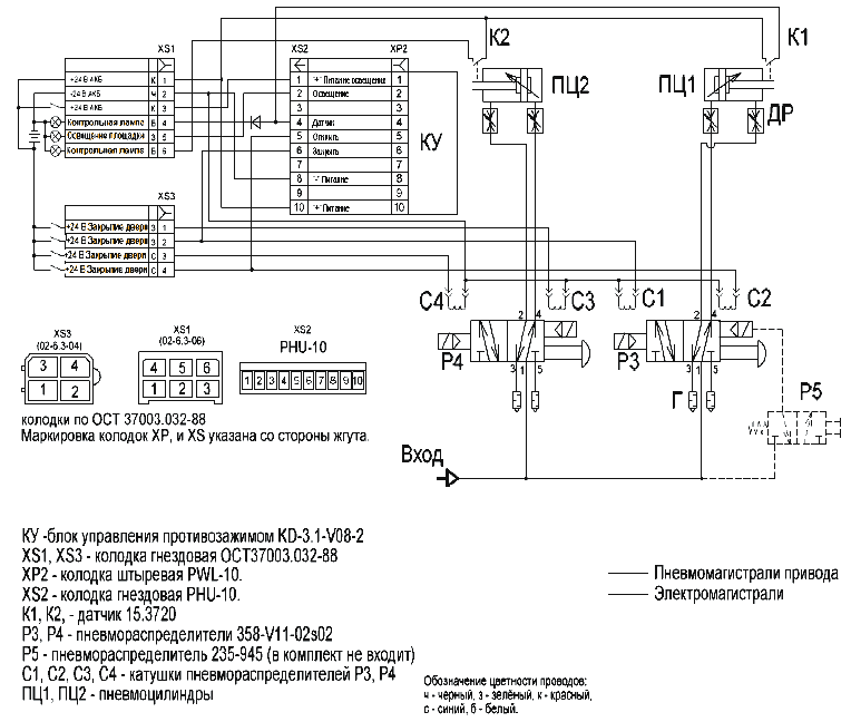
Дверной привод
На автобусе Неман-520101-260(-265)применяются приводы управления дверьми (ПУД) фирмы ―Festo‖ модели PUD-1м-DS-116-2АТ-1-SA и PUD-2м-DS-116-2ВТ-1-SA или фирмы ―Camozzi‖ модели 40N2R-63/116T1B002 и 40N3R-63/116T1B002. Приводы представляют из себя пневмоэлектрические устройства и предназначены для открытия (закрытия) двери транспортного средства кратковременными электрическими сигналами управления и удержания ее в открытом (закрытом) положении, экстренного открытия двери с места установки привода, системой, осуществляющей полный автоматический реверс движения створок при возникновении препятствия закрытию.
Привод управления дверьми фирмы “Festo” предусматривает следующие варианты исполнения: привод PUD-1М-DS-116-2АТ-1-SA (ПУД-1) управляет обеими створками двери одновременно;
привод PUD-2М-DS-116-2ВТ-1-SA (ПУД-2) обеспечивает раздельное управление пассажирской и водительской створками двери.
Подключение привода к электрической цепи производится разъемными электрическими соединителями.

Схема электрическая принципиальная PUD-1М-DS-116-2АТ-1-SA

Пневмопривод PUD-1М-DS-116-2АТ-1-SA

Схема электрическая принципиальная PUD-2М-DS-116-2ВТ-1SA

Пневмопривод PUD-2М-DS-116-2ВТ-1SA
При программировании измеряется настроенное время закрытия двери и автоматически добавляется постоянная времени, составляющая 0,5 сек. Время закрытия двери определяется настройкой дросселей 8 в цилиндрах.
Программирование блока таймера допускает режим отключения реверса. Отсчет настраиваемого времени реверса начинается после отпускания кнопки ―закрыть‖ с места водителя. Удержание кнопки ―закрыть‖ до полного закрытия двери исключает реверс.
От общей пневмосистемы сжатый воздух подается через пневмораспределитель 3 далее в соответствующие полости цилиндров 2. Переключение распределителя производится подачей кратковременных электрических сигналов с пульта управления водителя.
Состояние коммутируемых цепей привода в открытом положении при поданном электро и пневмопитании.
цепь освещения 114, 115 – замкнута; цепь сигнализации открытого состояния 110, 110а – замкнута; цепь сигнализации аварийного открытия 110, 113 – разомкнута; режим работы аварийной сигнализации – прерывистый.

Электропневмосхема привода 40N2R-63/116T1B002

Электропневмосхема привода 40N3R-63/116T1B002
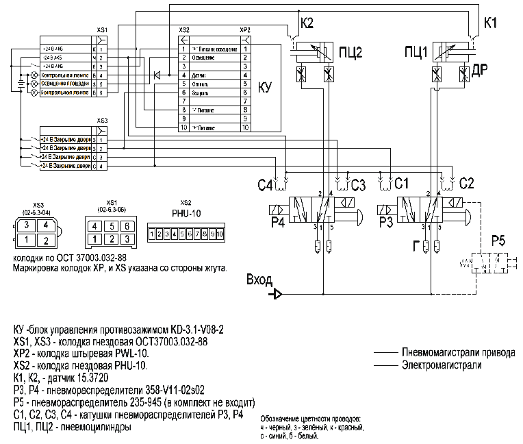
При поступлении команды ―Закрыть дверь‖, контроллер начинает отслеживать режим движения двери и сравнивать его с предварительно записанным в его памяти эталонным режимом. Порядок записи эталонного режима описан ниже. Если в процессе закрытия двери не выявлены отклонения от эталона, то лампа освещения площадки выключается, и блок управления противозажимом переходит в режим готовности к следующему циклу.
Если в процессе закрытия двери возникли отклонения от эталонного режима, то это идентифицируется, как зажим пассажира, и блок выдает сигнал на катушку пневмораспределителя Р3, переводя его в положение ―дверь открыта‖.
ВНИМАНИЕ! В ПРОГРАММЕ БЛОКА УПРАВЛЕНИЯ ПРОТИВОЗАЖИМОМ ИМЕЕТСЯ РЕЖИМ АВТОМАТИЧЕСКОГО ОТКЛЮЧЕНИЯ ФУНКЦИИ ПРОТИВОЗАЖИМА!
Отключение функции противозажима происходит в случае открытия двери без поступления команды ―Открыть‖ с пульта водителя, а именно при открывании двери с помощью ручной кнопки аварийного открывания.
Для восстановления функции противозажима необходимо провести полный нормальный цикл открытия-закрытия двери с пульта водителя.
Следует также иметь в виду, что функция противозажима не действует в течение всего времени удержания кнопки ―Закрыть‖ на пульте водителя в нажатом состоянии.
Подогреватель жидкостный и циркуляционный насос
Жидкостный подогреватель 141.8106.000 и циркуляционный насос предназначены для эффективного отопления кабины и салона автобуса, в том числе и на стоянке при неработающем двигателе, а также для предпускового разогрева и поддержания теплового режима двигателя.
Жидкостный подогреватель работает только в комплекте с циркуляционным насосом. Циркуляционный насос может работать и автономно (без включения подогревателя), например, для ускорения отвода тепла от двигателя или лучшей циркуляции охлаждающей жидкости в системе отопления автобуса.
Питание жидкостного подогревателя и циркуляционного насоса электроэнергией осуществляется от аккумуляторной батареи. Питание подогревателя топливом осуществляется с топливного бака. Система охлаждения двигателя и система отопления должны быть заполнены охлаждающей жидкостью.
На автобусе возможна установка жидкостного подогревателя модели 141.8106.000 ПРАМОТРОНИК или модели HIDRONIC 30.
Подогреватель 141.8106.000 состоит из следующих основных частей:
- теплообменника 11, который передает тепло от продуктов горения к охлаждающей жидкости автобуса. На внешней стороне теплообменника устанавливается датчик температуры 17 и термопредохранитель 12;
- горелка предназначена для подготовки и розжига топливо-воздушной смеси. Горелка состоит из электродвигателя постоянного тока 3, обеспечивающего вращение вала с крыльчаткой 5.
Крыльчатка нагнетает объем воздуха, необходимый для образования топливовоздушной смеси, поддержания факела и вывода отработавших газов из подогревателя.
Топливный насос высокого давления 15 предназначен для подачи топлива под высоким давлением к держателю форсунки 9.
Электромагнит 7 предназначен для подачи топлива к форсунке 10. Форсунка предназначена для мелкодисперсного распыления топлива.
Нагреватель топлива 18 разогревает топливо в форсунке 10 и в топливных каналах держателя форсунки 8 перед запуском подогревателя.
Индикатор пламени 14 контролирует наличие пламени и передает информацию в блок управления 1.
Питание запальных электродов 9 осуществляется от высоковольтного источника напряжения (ВИН) 2.
Сгорание топливовоздушной смеси происходит в камере сгорания 13.
Подогреватель работает от блока управления.

Подогревателя 141.8106.000
1 – блок управления;
2 – источник напряжения высоковольтный;
3– электродвигатель;
4 – муфта;
5 – крыльчатка;
6 – подшипник качения;
7 – электромагнит;
8 – держатель форсунки;
9 – электрод запальный;
10 – форсунка;
11 – теплообменник;
12 – термопредохранитель;
13 – камера сгорания;
14 – индикатор пламени;
15 – топливный насос;
16 – зубчатая передача;
17 – датчик температуры;
18 – нагреватель топлива;
19 – полумуфта
Блок управления обеспечивает следующие режимы:
1 - режим продувки - включить: замкнуть контакты датчика температуры ВК2, включается электродвигатель подогревателя М2 и электронасос М1. Режим продувки выполняется в течение 20 секунд;
2 - режим розжига – по истечении режима продувки (20 секунд) автоматически подается напряжение на ВИН GB2 и электромагнита Y1, между электродами E1 и Е2 образуется искра, топливо, распыленное форсункой воспламеняется, появляется пламя устойчивое горение, по сигналу индикатора пламени BL1, блок управления снимает напряжение с контактов ВИН GB2, максимальное время режима розжига – не более 10 секунд;
3 - режим установившейся работы: идет подача топливовоздушной смеси в зону горения, происходит теплообмен от продуктов горения к охлаждающей жидкости до температуры 75 ˚C, контакты ВК2 разомкнутся;
4 - режим остывания. В режиме остывания блок управления выполняет следующие действия:
- снимает напряжение с контактов электромагнита Y1. Горение топлива прекращается;
- электродвигатель горелки М2 работает в течение 150 секунд, затем отключается. Электронасос М1 продолжает работать, лампы HL1 и HL2 горят;
- по достижении охлаждающей жидкости температуры 68 °С контакты датчика температуры ВК1 замкнуться, блок управления выполняет действия согласно режимов 1, 2, 3.
Данный алгоритм работы подогревателя выполняется до отключения выключателя SA1 и/или появления неисправности.
5 - режим окончательной продувки выполняется при выключении выключателя SA1 и/или появления неисправности подогревателя:
- снимается напряжение с контактов электромагнита Y1. Электродвигатель М2 и электронасос М1 продолжают работать. По истечении времени окончательной продувки (150 секунд) снимается напряжение с контактов электродвигателя М2 и электоронасоса М1. Лампы HL1 и HL2 гаснут.
Работа подогревателя при срыве пламени (аварийный режим)
Если при работе подогревателя произошел срыв пламени, то блок управления подает напряжение на контакты высоковольтного источника напряжения GB2 в течение 10 с. Между электродами Е1 и Е2 образуется искра. Топливо, распыленное форсункой, воспламеняется.
При появлении пламени, по сигналу с индикатора пламени BL1, блок управления снимает напряжение с контактов высоковольтного источника напряжения GB2. Процесс работы подогревателя продолжается без остановки.
Если при повторном розжиге пламя не появилось в течение 10 с, блок управления выполняет режим окончательной продувки 5.
Работа подогревателя при понижении напряжения питания во время запуска (аварийный режим)
При понижении напряжения питания на время от 8 до 20 с в пределах от 17 до 18,9 В блок управления отключает лампу HL2, снимает напряжение с высоковольтного источника напряжения GB2, с контактов электромагнита Y1. Электродвигатель М2 и электронасос М1 работают в течение 150 с. Лампа HL1 гаснет и подогреватель полностью выключается.
При обрыве электрической цепи электронасоса М1, блок управления, при замыкании контакта SA1 не подает напряжение на электродвигатель М2, на высоковольтный источник напряжения GB2, на электромагнитY1.

Схема электрическая принципиальная для подогревателя 141.8106.000
Электронасос 6602.3780-02 предназначен для работы в комплекте с жидкостным подогревателем 141.8106 и обеспечения циркуляции рабочей жидкости в системах отопления кабины и охлаждения двигателя.
Электронасос состоит из электродвигателя постоянного тока двухпроводного исполнения и насоса центробежного типа.
Жидкостный подогреватель модели HIDRONIC 30 состоит из двух основных частей: теплообменника 20 и съемной горелки. В теплообменник вставлена камера сгорания 9, состоящая из жаровой трубы 19 с интегрированным смесительным устройством. Жаровую трубу можно при необходимости демонтировать. Горелка представляет собой составной корпус, внутри которого установлены: электровентилятор, топливный магнитный клапан 6, блок управления 3, высоковольтный источник зажигания 4 с электродами зажигания 8 и фотоиндикатор пламени 5. На корпусе теплообменника смонтированы датчик температуры 7 и датчик перегрева 10. Электровентилятор состоит из электромотора 15 и крыльчатки нагнетателя 14. Забор воздуха идет через воздухозаборник 1.
Подогреватель работает в комплекте с циркуляционным насосом модели FLOWTRONIC 6000 фирмы Eberspacher.
При включении подогревателя производится контроль деталей в течении 3 с, затем приводится в действие водяной насос.
Если пуск происходит при температуре <5 ºС, то происходит автоматическое включение электронагревателя топливной форсунки на 60 с, пуск задерживается на это время. Затем происходит включение электромотора и топливного насоса, которые, соответственно нагнетают воздух для сгорания и топливо. Через 10 с включается зажигание и открытие топливного магнитного клапана. За это время производится тест электромотора. В камере сгорания топливо и воздух для сгорания образуют воспламеняемую смесь, которая зажигается высоковольтным источником зажигания. После образования пламени фотоиндикатор, интегрированный в блоке управления, опознает мерцание пламени и отключает высоковольтный источник зажигания. Горячие горючие газы протекают через теплообменник и отдают тепло теплоносителю.
Датчик температуры регистрирует температуру жидкости в теплообменнике и передает сигнал в блок управления. По этому сигналу блок выдает команду на прекращения горения, когда температура жидкости превысит расчетную температуру. Когда температура жидкости превысит 125 ºС, срабатывает датчик перегрева и блок отключает подогреватель.
Блокировка блока управления происходит:
- при десяти безуспешных попытках запуска;
- после трехкратного появления пламени при продувке;
- после трехкратного сигнала ограничителя температуры о перегреве.
Деблокировка возможна только после устранения неисправностей с помощью подключения к диагностическому разъему компьютера.
В случае, если подогреватель не запустился или в процессе работы возникла неисправность, контрольный светодиод с добавочным сопротивлением (1-1,5 кОм), подключенный к жгуту проводов отопителя, выдает мигающий код неисправности на блоке управления 3. Код состоит из одного или двух блоков, каждый из которых состоит из последовательности коротких и длинных импульсов.

Жидкостный подогреватель HIDRONIC 30
1 – воздухозаборник (установка СО2);
2 – муфта сцепления;
3 – блок управления;
4 – высоковольтный источник зажигания;
5 – фотоиндикатор пламени;
6 – топливный магнитный клапан;
7 – датчик температуры;
8 – электроды зажигания;
9 – камера сгорания;
10 – датчик перегрева;
11 – реле управления вентилятором;
12 – предохранители;
13 –модульный таймер;
14 – крыльчатка нагнетателя;
15 – электромотор;
16 – топливная трубка;
17 – электронагреватель топливной форсунки;
18 – топливная форсунка
19 – жаровая труба;
20 – теплообменник;
21 – водяной насос;
22 – выхлопная труба;
А = Выход отработанных газов
B = Подвод топлива
V = Воздух для сгорания
WА = Выход жидкости
WE = Вход жидкости
Коды неисправностей жидкостного подогревателя HIDRONIC 30
