Электросхемы
9120, 9220, 9320,9420, 9520 and 9620 Tractors John Deere
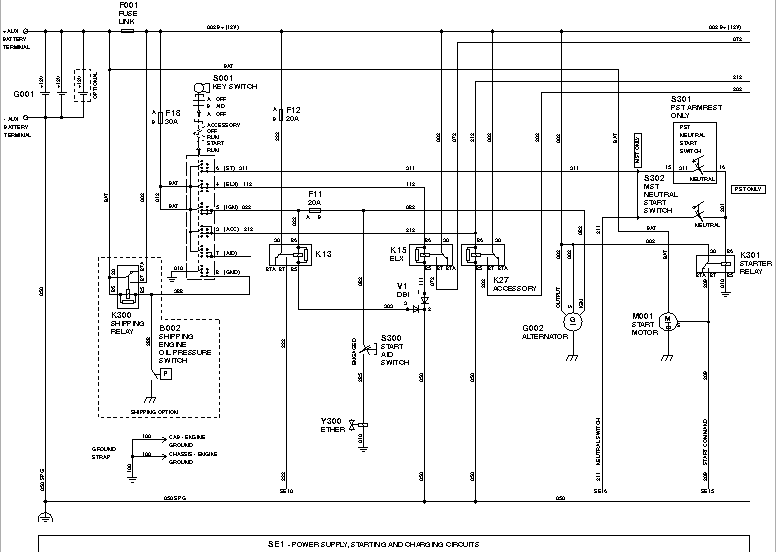
- B002 - Shipping Engine Oil Pressure Sensor
- F001 - Fusible Link
- F11 - Alternator, Start Aid Solenoid Fuse
- F12 - Engine Control Unit (ECU) Fuse
- F18 - Ignition Switch Fuse
- G001 - Batteries
- G002 - Alternator
- K13 - Engine Control Unit (ECU)
- K15 - ELX (Electronics Relay)
- K27 - Accessory Relay
- K300 - Shipping Relay
- K301 - Starter Relay
- M001 - Starter Motor
- S001 - Key Switch
- S300 - Start Aid Switch
- S301 - PST Neutral Start Switch
- S302 - MST Neutral Start Switch
- V1 - Diode Block 1 (DB1)
- Y300 - Ether Solenoid
- A942 - Heated Seat Control Unit
- E946 - Seat Heating Element
- E947 - Backrest Heating Element
- F28 - Wiper Circuit Fuse
- F38 - Operator Presence Switch/RZP Assembly Fuse
- F45 - Seat Compressor Motor/Bleed Valve Fuse
- K24 - Wiper Circuit Relay
- K25 - Intermittent Wiper Pause Relay
- K26 - Intermittent Wiper Enable Relay
- M240 - Front Wiper Motor
- M241 - Rear Wiper Motor
- M242 - Rear Washer Pump
- M243 - Front Washer Pump
- M930 - Seat Compressor Motor
- S241 - Front Wiper Switch
- S242 - Rear Wiper Switch
- S930 - Operator Presence Switch
- S931 - Seat Raise/Lower Switch
- V933 - Seat Raise Motor and Bleed Valve Diode
- Y930 - Seat Bleed Valve Solenoid

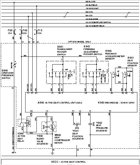
- A940 - ACTIVE SEAT™ Control Unit (ASU) (SE2c)
- B940 - Feedback Accelerometer Sensor (SE2c)
- B941 - Seat Position Sensor (SE2c)
- F13 - ACTIVE SEAT™ Control Unit Fuse (SE2c)
- F38 - Operator Presence Switch/RZP Assembly Fuse (SE2b,c W6)
- F45 - Seat Compressor Motor/Bleed Valve Fuse (SE2b,c W6)
- K940 - ACTIVE SEAT™ Relay (SE2c)
- M940 - Seat Compressor Motor (SE2c)
- S940 - Operator Presence Switch (SE2c)
- S941 - Raise/Lower Rocker Switch (SE2c)
- S942 - Firmness Adjustment Switch (SE2c)
- X940 - ACTIVE SEAT™ Control Connector (30 Way) (SE2c)
- Y940 - Seat Bleed Valve Solenoid (SE2c)
- Y941 - Seat Position Solenoid (SE2c)
- Y942 - Seat Pressure Solenoid

- A940 - ACTIVE SEAT™ Control Unit (ASU) (SE2c)
- B940 - Feedback Accelerometer Sensor (SE2c)
- B941 - Seat Position Sensor (SE2c)
- F13 - ACTIVE SEAT™ Control Unit Fuse (SE2c)
- F38 - Operator Presence Switch/RZP Assembly Fuse (SE2b,c W6)
- F45 - Seat Compressor Motor/Bleed Valve Fuse (SE2b,c W6)
- K940 - ACTIVE SEAT™ Relay (SE2c)
- M940 - Seat Compressor Motor (SE2c)
- S940 - Operator Presence Switch (SE2c)
- S941 - Raise/Lower Rocker Switch (SE2c)
- S942 - Firmness Adjustment Switch (SE2c)
- X940 - ACTIVE SEAT™ Control Connector (30 Way) (SE2c)
- Y940 - Seat Bleed Valve Solenoid (SE2c)
- Y941 - Seat Position Solenoid (SE2c)
- Y942 - Seat Pressure Solenoid

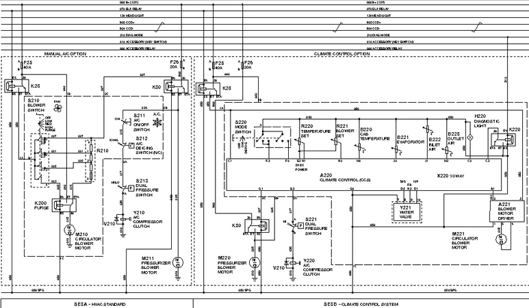
- A220 - Climate Control System (CCS)
- A221 - Blower Motor Driver
- B220 - Cab Air Temperature Sensor
- B221 - Evaporator Temperature Sensor
- B222 - Inlet Temperature Sensor
- B223 - Outlet Air Temperature Sensor
- F25 - Heating, Ventilating and Air Conditioning (HVAC) Fuse
- F26 - Pressurizer Blower Motor Fuse
- H220 - CCS Diagnostic Light
- K28 - Heating, Ventilating and Air Conditioning Relay
- K30 - Pressurizer Blower Motor Relay
- K200 - Circulator Blower Motor Purge Relay
- K220 - Diagnostic Relay
- M210 - Circulator Blower Motor
- M211 - Pressurizer Blower Motor
- M220 - Pressurizer Blower Motor
- M221 - Circulator Blower Motor
- R210 - Blower Motor Resistor
- R220 - Temperature Set
- R221 - Blower Set
- S210 - Blower Motor Switch
- S211 - A/C ON/OFF Switch
- S212 - A/C De-icing Switch
- S213 - A/C HI/LO Switch
- S220 - Mode Switch
- S221 - A/C HI/LO Switch
- V210 - A/C Clutch Compressor Diode
- X220 - CCS Connector (30-Way)
- Y210 - A/C Compressor Clutch
- Y220 - A/C Compressor Clutch
- Y221 - Water Valve

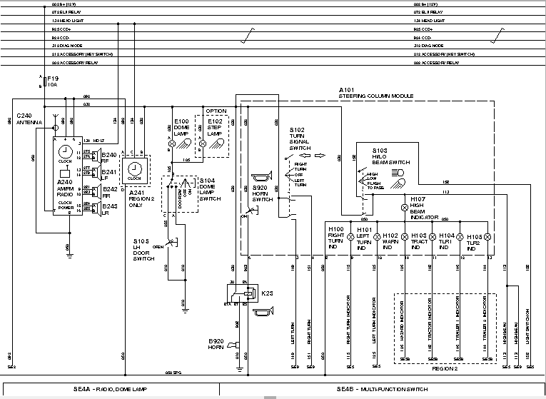
- A101 - Steering Column Module
- A240 - Radio
- A241 - Clock (Eur)
- B240 - Right Front Speaker
- B241 - Left Front Speaker
- B242 - Right Rear Speaker
- B243 - Left Rear Speaker
- B920 - Horn
- C240 - Antenna
- E100 - Dome Lamp
- E102 - Step Lamp
- F19 - Radio, Clock, Dome Lamp, Horn, Turn Signal and High/Low Beam Switch Fuse
- H100 - Right Turn Indicator
- H101 - Left Turn Indicator
- H102 - Warning Indicator (Eur)
- H103 - Tractor Indicator (Eur)
- H104 - Trailer 1 Indicator (Eur)
- H105 - Trailer 2 Indicator (Eur)
- H107 - High Beam Indicator
- K23 - Horn Relay
- S102 - Turn Signal Switch
- S103 - HI/LOW Beam Switch
- S104 - Dome Lamp Switch
- S105 - Door Switch
- S920 - Horn Switch

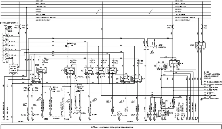
- A100 - Delay Timer
- A110 - HID Ballast
- E130 - Right Tail Lamp
- E131 - Left Tail Lamp
- E132 - Front Grill Spot Light
- E133 - Roof Beacon
- E134 - Left/Right Front Grill Flood Lights (2)
- E135 - Left HI/LO Beam Lamp
- E136 - Right HI/LOW Beam Lamp
- E137 - Right Chassis Extremity Light
- E138 - Right Roof Turn/Warning Light (2)
- E139 - Right Fender Turn Light
- E140 - Left Fender Turn Light
- E141 - Left Roof Turn/Warning Lights (2)
- E142 - Left Chassis Extremity Light
- E190 - Roof Flood Lights (4) (Optional)
- E191 - Left/Right Rear Fender Floods (4)
- F20 - Light Switch Fuse
- F24 - Display Backlighting and Right Console Lamp Fuse
- F27 - Front Grill Spot Light Fuse
- F29 - Front Floods, Roof Beacon Fuse
- F30 - Roof Flood Lights Fuse (Optional)
- F31 - 7-way Accessory Outlet
- F32 - Warning Light Switch, Left and Right Turn Signal Lights
- F35 - Left Tail Lamp
- F36 - Right Tail Lamp
- F39 - 7-way Accessory Outlet Fuse
- F42 - High/Low Beam Fuse
- F44 - Left/Right Rear Fender Floods Fuse
- H106 - Roof Beacon Indicator
- K1 - High Beam Relay
- K3 - Roof Flood Lights Relay (Optional)
- K4 - Front Grill Floods Relay
- K5 - 7-way Accessory Pin 2 Flood Lights
- K7 - Left/Right Rear Fender Floods Relay
- K8 - Right Turn Signal Relay
- K9 - Left Turn Signal Relay
- K10 - Fender Turn Lamps Relay
- K11 - Low Beam Relay
- K12 - 7-way Accessory Outlet Relay
- K14 - Front Grill Spot Light Relay
- K31 - K14 Grounding Relay
- S100 - Light Switch
- S101 - Warning Light Switch
- S106 - Beacon Light Switch
- X130 - 7-way Accessory Outlet (Trailer Lighting)
- V1 - Diode Block 1

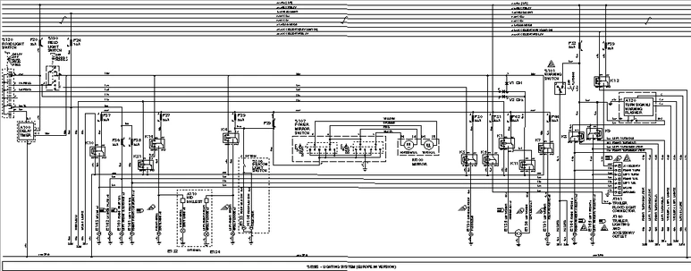
- A100 - Delay Timer
- A110 - HID Ballast
- A120 - Turn Signal/Warning Flasher
- E132 - Front Grill Spot Light
- E133 - Beacon Light
- E134 - Left/Right Front Grill Flood Lights (2)
- E135 - Left HI/LO Beam Lamp
- E136 - Right HI/LO Beam Lamp
- E160 - Right Rear Taillight/Left Front Clearance Light (2)
- E161 - Left Rear Taillight/Right Front Clearance (2)
- E162 - License Plate Light
- E163 - Brake Lights (2), 7 Pin Accessory Outlet terminal 6
- E164 - Right Front and Fender Turn Signal (Yellow) (2)
- E165 - Left Front and Fender Turn Signal (Yellow) (2)
- E190 - Roof Flood Lights (4) (Optional)
- E191 - Left/Right Fender Flood Lamps (4)
- F20 - Light Switch Fuse
- F24 - Display Backlighting and Right Console Lamp Fuse
- F27 - Front Grill Spot Light Fuse
- F29 - Front Grill Floods, Roof Beacon Fuse
- F30 - Roof Flood Lights Fuse (Optional)
- F31 - Trailer Lighting Flood Lights Fuses
- F32 - Warning Light Switch, Left/Right Turn Signal
- F35 - Left Rear Taillight/Right Front Clearance Light, 7 Pin Accessory Outlet Terminal 5
- F36 - Right Rear Taillight/Left Front Clearance, License Plate Light, 7 Pin Accessory Outlet terminal 7
- F37 - Brake Light Fuse
- F39 - Trailer Lighting and Accessory Outlet Fuse
- F42 - High/Low Beam Fuse
- F44 - Left/Right Fender Fuse
- H106 - Beacon Light Indicator
- K1 - High Beam Relay
- K3 - Roof Flood Lights Relay (Optional)
- K4 - Front Grill Floods Relay
- K5 - Trailer Lighting Flood Lights Relay
- K7 - Left/Right Fender Floods Relay
- K8 - Right Turn Relay
- K9 - Left Turn Relay
- K10 - Brake Light Relay
- K11 - Low Beam Relay
- K12 - Trailer Lighting and Accessory Outlet Relay
- K14 - Front Grill Spot Light Relay
- K31 - K14 Grounding Relay
- M100 - Power Mirror
- S101 - Warning Light Switch
- S106 - Beacon Light Switch
- S107 - Mirror Switch
- S120 - Road Light Switch
- S190 - Field Light Switch
- V1 - Diode Block 1
- V2 - Diode Block 2
- X160 - Trailer Lighting and Accessory Outlet (Trailer Lighting)
- X161 - Trailer Flood Light Connector (Eur)

- E101 - Right Console Lights (2)
- F41 - Convenience Outlets, Junction Blocks, Field Office Option, Auxiliary Power Strip, Cigarette Lighter (Unswitched circuit 262 only)
- F47 - Convenience Outlets, Junction Blocks, (Left Side), Business Band Prewire, Field Office Option (Switched circuit 272 Only)
- F48 - Convenience Outlets, Junction Blocks (Right Side), Auxiliary Power Strip (Switched circuit 192 only)
- F500 - Back-Up Alarm Fuse
- H500 - Back-Up Alarm Relay
- K500 - Back-Up Alarm Relay
- X240 - Left Junction Block #2
- X241 - Right Junction Block #1
- X242 - Convenience Outlet #1
- X243 - Convenience Outlet #2
- X244 - Convenience Outlet #3
- X245 - Lighter #1
- X246 - Lighter #2
- X247 - Lighter #3
- X248 - Auxiliary Power Strip
- X249 - Business Band/CB Prewire

- A830 - Hitch Control Unit/SCV I, II, III Control Unit (HSU/SCU)
- B830 - Hitch Position Feedback Sensor
- B832 - TOUCHSET™ Depth Control Position Sensor (cylinder 1)
- B833 - TOUCHSET™ Depth Control Position Sensor (cylinder 2)
- B890 - Hitch Draft Sensor
- F5 - Hitch Control Unit (HCU) and SCV I Fuse
- F6 - SCV II and SCV III Fuse
- S830 - Hitch External Raise/Lower Switch
- X830-1 - 30-way HCU/SCU Connector (White)
- X830-2 - 18-way HCU/SCU Connector (White)
- X831 - 8-way HCU/SCU Connector (Black) (SE7,W8), SCV I Solenoids-to-Chassis Harness (SE20,W8,W46)
- X832 - 10-way HCU/SCU Connector (Black) (SE7,W8), SCV II and SCV III Solenoid-to-Chassis Harness
- (SE20,W8,W46)
- Y830 - Hitch Raise Solenoid
- Y831 - Hitch Lower Solenoid
- Y832 - SCV I Extend Solenoid (SE7, W8)(SE20,W46)
- Y833 - SCV I Retract Solenoid (SE7, W8)(SE20,W46)
- Y834 - SCV II Extend Solenoid (SE7, W8)(SE20,W47)
- Y835 - SCV II Retract Solenoid (SE7, W8)(SE20,W47)
- Y836 - SCV III Extend Solenoid (SE7, W8)(SE20,W47)
- Y837 - SCV III Retract Solenoid (SE7, W8)(SE20,W47)

