Электросхема автономного отопителя AT 2000st

Схема соединений Air Top 2000 ST с комбинированным прибором

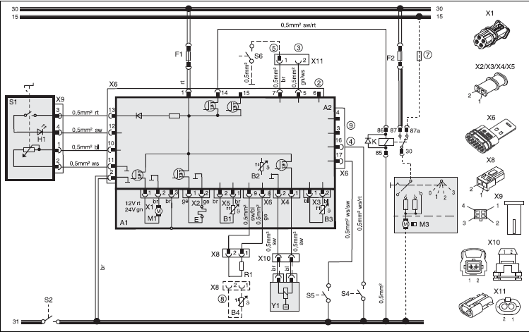
Электрическая схема Air Top 2000 ST, 12 В/24 В с органом управления и вентилятором автомобиля

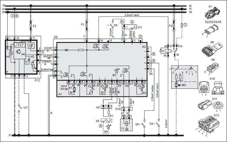
Электрическая схема Air Top 2000 ST, 12 В/24 В с комбинированным прибором и вентилятором автомобиля

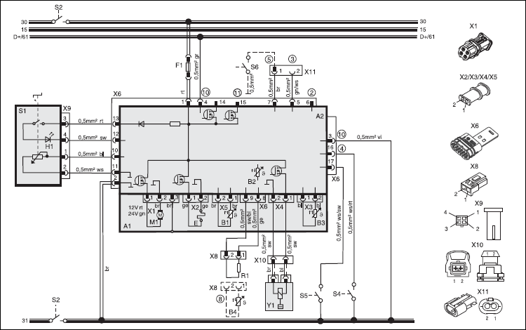
Электрическая схема Air Top 2000 ST D, 24 В, режим ADR с органом управления

Электрическая схема Air Top 2000 ST D, 24 В, режим ADR с органом управления без вспомогательного привода
Пояснения к электрическим схемам
➀ С плюсом от клеммы (15/75) к соединению 10:
Длительный режим работы при немедленном включении, пока включено зажигание
Без плюса на соединении 10:
Длительность нагрева программируется по-разному (от 10 мин до 120 мин),
Основная установка 120 мин
➁ Диагностика K-провода
➂ Вт-шина
➃ Входной контактный штырек (штырек 16/штекер X7, цвет кабеля в кабельном жгуте: белый/красный): „Вентиляция“ (Частота вращения вентилятора зависит от положения органа управления)
➄ CO2 регулировка (см. заводскую инструкцию)
➅ УКАЗАНИЕ:
Если подключение осуществляется на клемме 30, то режим длительного нагрева возможен при выключенном зажигании!
В этом случае запрещено любое соединение с клеммой 15/75!
➆ Предохранитель в автомобиле имеется
➇ Если используется внешний датчик температуры (В4), то резистор R1 заменяется датчиком температуры (В4).
➉ Подключение только для ADR-автомобилей
➉ УКАЗАНИЕ:
При выполнении ADR-функции требуются провода: серый и фиолетовый
11 Сигнал для разъединителя аккумулятора
Вход реле (в случае его наличия) разъединителя (S2) должен быть связан с управляющим устройством (штырек 15/штекер X6).
Цвет проводов
bl синий
br коричневый
ge желтый
gn зеленый
gr серый
or оранжевый
rt красный
sw черный
vi фиолетовый
ws белый


Выдача кода неисправностей
УКАЗАНИЕ:
В случае оснащения органом управления после возникновения неисправности выдача кода осуществляется путем мигания светодиода контроля включения/индикатора кода неисправности. После пяти кратковременных импульсов мигания осуществляется выдача кода неисправности в виде последовательности продолжительных импульсов мигания согласно числу в нижеприведенной таблице.
При оснащении комбинированным прибором после возникновения перебоев код неисправности появляется на дисплее программируемых часов. В случае применения органа управления номер дефекта
указывается путем мигания индикатора рабочего режима:
- F 00 Неисправность управляющего устройства/ неправильная установка параметров / Неисправность справочной шины
- F 01 Невозможность пуска (после двух попыток пуска) / пламя не образуется
- F 02 Прерывание пламени (повторно > 3)
- F 03 Пониженное или завышенное напряжение
- F 04 Преждевременное обнаружение пламени
- F 05 В цепи датчика пламени (бензиновый отопитель) обрыв или короткое замыкание
- F 06 Обрыв в цепи датчика температуры или короткое замыкание
- F 07 Обрыв или короткое замыкание в цепи дозирующего насоса
- F 08 Обрыв или короткое замыкание в цепи электродвигателя вентилятора, или перегрузка, или блокирование
- F 09 Обрыв или короткое замыкание в цепи калильного стержня
- F 10 Перегрев. Из-за этого происходит постоянное блокирование отопителя
- F 11 Обрыв или короткое замыкание
- F 12 Блокирование отопителя
- F 14 Неправильное положение датчика перегрева
- F 15 Обрыв в цепи задающего устройства