Электронная тормозная система (EBS), описание системы
VOLVO FE3 / FL3
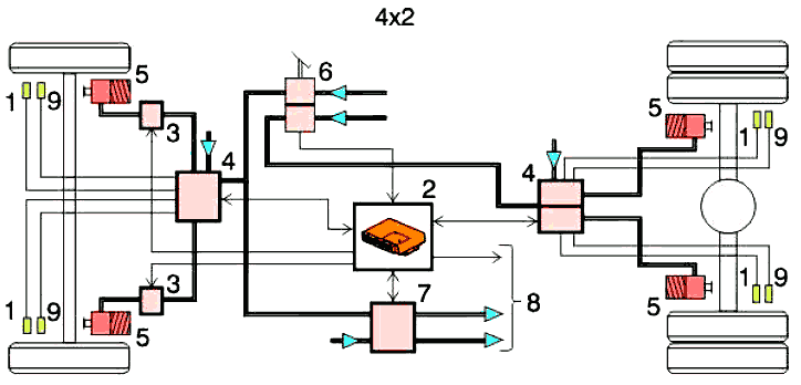
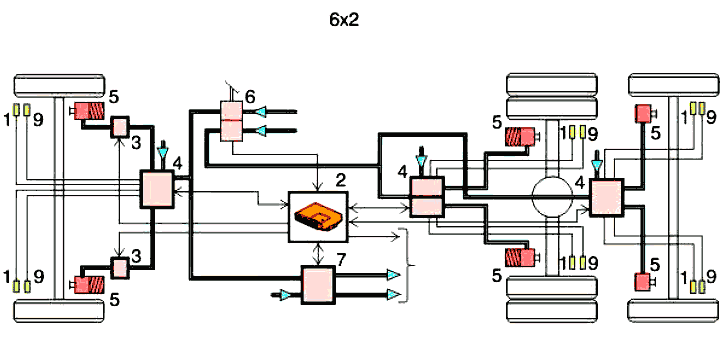
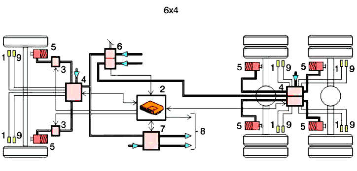
Обзор

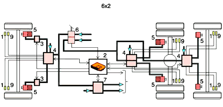
1 Датчики частоты оборотов колеса
2 Блок управления EBS
3 Тормозной клапан, ABS
4 Тормозные модуляторы, 1 и 2 канал
5 Тормозной цилиндр
6 Модулятор клапана ножного тормоза
7 Управляющий модулятор прицепа
8 Тормозные соединения с прицепами
9 Датчик износа тормозных накладок
Примеры системы EBS в различных конфигурациях мостов:
Примечание
Тонкими линиями являются электрические линии, толстыми линиями отображаются пневматические линии, номера позиций соответствуют вышеуказанной таблице




Варианты
Обозначение варианта Описание варианта
- BSYS-EBS Тормозная система, электронная (EBS)
- EBS-STD Стандартный пакет EBS
- EBS-MED Средний пакет EBS
Система EBS (BSYS-EBS) состоит из ряда компонентов и относится к блоку управления EBS, который обрабатывает входящие сигналы с датчиков, таких как, датчики модулятора клапана ножного тормоза, датчики скорости вращения колес, датчики износа тормозных накладок и датчики уровня шасси (на грузовиках с задней рессорной подвеской. В случае пневмоподвески эта информация поступает от ECS (Подвеска с электронным управлением)).
Система EBS обеспечивает оптимальное тормозное усилие автомобиля и различными способами компенсирует разнообразные факторы, влияющие на силу торможения в случаях, например, с буксующими колесами или заблокированными тормозами.
Система EBS в основном работает на основании следующих условий:
● Нажатие тормоза водителем, например, экстренное торможение.
● Состояние автомобиля по отношению к нагрузке на мост, скорости колеса и подсоединенному прицепу.
● Сцепление с поверхностью дороги и наклон.
● Тормозная экономичность и тормозная безопасность путем отслеживания износа тормозных накладок и сочетание тормозного усилия со служебными тормозами и вспомогательными тормозами.
Система EBS регулирует весь цикл торможения. Когда водитель нажимает на педаль ножного тормоза, на блок управления EBS передается сигнал. Путем включения сигналов от датчиков уровня шасси и датчиков скорости вращения колес блок управления EBS вычисляет необходимое давление торможения. Затем блок управления EBS отправляет сигналы с расчетными значениями на модуляторы. Модуляторы преобразуют электрический сигнал в соответствующее давление воздуха в каждом цилиндре колесного тормоза. При достижении запрошенного давления модуляторы поддерживают давление на постоянном уровне.
Когда водитель нажимает педаль тормоза, это также включает резервную пневматическую тормозную систему. Система EBS не допускает вклинивания резервной системы в работу, пока функционирует система EBS. Резервная пневматическая тормозная система не оснащена системами ABS (Антиблокировочная тормозная система), TCS (Система распределения тягового усилия) и функциями измерения нагрузок.
Система EBS обеспечивает правильную работу тормозов прицепов без системы EBS и дисковых тормозов.
Система EBS также оснащена функциями, такими как помощь при пуске на косогоре и автоматическое управление блокировкой дифференциала.
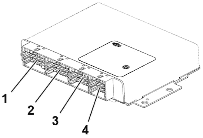
Блок управления EBS
Блок управления EBS расположен в кабине за приборной панелью. Блок управления EBS выпускается в четырех вариантах:
1 Поддержка: 3 модуляторов
2 Поддержка: 3 модуляторов и модулятора прицепа
3 Поддержка: 4 модуляторов, модулятора прицепа, управления задним мостом, датчика угла управления
4 Поддержка: 4 модуляторов, модулятора прицепа, управления задним мостом, датчика угла управления, датчика рысканья

1 Питание, заземление, модулятор клапана ножного тормоза, датчик скорости рысканья, датчик угла поворота рулевого колеса
2 Модулятор переднего тормоза, модулятор заднего тормоза
3 ESP (Электронная система динамической стабилизации)
4 Модулятор прицепа
EBS-STD, EBS-MED
Существует два типа пакетов, EBS-STD (стандарт) и EBS-MED (средний), который оснащен дополнительными функциями.
Ниже показаны функциональные возможности двух пакетов EBS:
Функции EBS EBS STD EBS MED
Антиблокировочная тормозная система Да Да
Предупреждение о износе колодок Нет Да
Управление износом накладки Нет Да
Прогнозирование износа тормозных накладок Нет Да
Комбинирование тормозов Да Да
Управление тормозным моментом Да Да
Синхронизация блокировки дифференциала Да Да
Облегчение начала движения на подъеме Нет Да
Предупреждение о температуре тормозов Да Да
Запрос на внешний тормоз Да Да
Система распределения тягового усилия Да Да
Помощь при экстренном торможении Да Да
Мониторинг колесного тормоза Да Да
Управление силой связи Да Да
ABS
Система ABS работает в полностью автоматическом режиме и использует систему EBS для повышения эффективности управления ABS.
Предупреждение о износе колодок
Датчики износа накладок расположены на всех колесных тормозах и предоставляют блоку управления информацию о толщине тормозной накладки каждый раз при нажатии водителем педали тормоза. Предупреждающий символ отображается на дисплее, когда на мосту с самым большим износом остается около 20% толщины накладки.
Управление износом накладки
С помощью этой информации тормозное давление регулируется между передним и задним мостом, чтобы обеспечить максимально равномерный износ. Общая тормозная сила автомобиля остается той же.
Иногда накладки на одном мосту изнашиваются значительно медленнее, чем на других мостах, например на подъемном ведомом мосту. В этом случае непрактично пытаться добиться равномерного износа всех накладок. Таким образом равномерность износа регулируется так, чтобы накладки на подъемном мосту изнашивались с той же скоростью, что и два комплекта накладок на ведущем мосту. Поэтому накладки подъемного моста требуется менять в два раза реже, чем накладки на ведущем мосту, и тормозные накладки можно заменять одновременно на обоих мостах.
Прогнозирование износа тормозных накладок
Анализ износа накладок предсказывает пробег до следующей замены тормозных накладок.
Эта информация отображается на дисплее.
Комбинирование тормозов
Функция комбинирования тормозов основана на использовании в первую очередь вспомогательных тормозов для снижения износа служебных тормозов.
При торможении с использованием комбинирования тормозов сначала включаются служебные тормоза, а затем вспомогательные тормоза. Причиной является то, что вспомогательным тормозам требуется для включения больше времени, чем служебным тормозам. Поэтому служебные тормоза выступают в роли вспомогательных, и обеспечивают общую постоянную тормозную силу автомобиля.
Функция комбинирования тормозов со вспомогательной тормозной системой активируется рычагом. Функция работает до тех пор, пока рычаг будет находиться в автоматическом положении.
Управление тормозным моментом
Управление тормозным моментом не допускает блокировки ведущих колес на скользкой поверхности при отпускании педали акселератора. Если колеса начинают блокироваться, расцепляются вспомогательные тормоза и ведущие колеса набирают вращательную скорость, соответствующую скорости автомобиля. Затем колеса восстанавливают сцепление с поверхностью. Функция срабатывает автоматически, когда скорость автомобиля превысит скорость включения. Функция выключится автоматически, когда будет отжато сцепление автомобиля или будет срабатывать ABS на переднем мосту.
Технические данные
Скорость включения управления тормозным моментом 10 км/ч
Синхронизация блокировки дифференциала
Синхронизация блокировки заставляет ведущие колеса вращаться с одинаковой скоростью, и, при включении, приводится в действие крутящим моментом двигателя.
Облегчение начала движения на подъеме
Система помощи при пуске на подъеме позволяет водителю трогаться с места вверх по склону. При включении этой функции тормоза отпускаются не сразу же, и у водителя есть дополнительное время для троганья. Функция отключается при нажатии переключателя второй раз.
Функции системы помощи при пуске на подъеме по-разному зависят от коробки передач:
● Механическая коробка передач: Тормозное давление поддерживается до тех пор, пока не будет отпущена педаль сцепления или до тех пор, пока не будет достигнут определенный крутящий момент двигателя.
● Автоматическая коробка передач: Тормозное давление остается постоянным в течение определенного периода времени после того, как педаль тормоза будет отпущена, или когда будет достигнут определенный крутящий момент двигателя.
Предупреждение о температуре тормозов
Температура тормозных накладок оценивается без прямого измерения. Водителя система предупреждает двумя способами: отображением предупредительного сигнала на дисплее и изменением характеристик педали. Водитель чувствует ухудшение тормозного действия и нажимает сильнее на педаль тормоза. Это изменение в ощущении педали управляется системой EBS, чтобы предупредить водителя и заставить его меньше использовать тормоза, и, таким образом, избежать снижения эффективности тормозов из-за перегрева.
Запрос на включение наружного тормоза
Запрос на включение наружного тормоза представляет собой интерфейс между системой EBS и другими блоками, такими как ACC (Адаптивный круиз-контроль) и I-shift, которые могут подавать запрос на торможение автомобиля.
Система распределения тягового усилия
Система распределения тягового усилия автоматически снижает вращение колеса, понижая крутящий момент двигателя.
Система TCS также работает как автоматическая муфта дифференциала повышенного трения и притормаживает проворачивающееся колесо.
Технические данные
Рабочий диапазон TCS, автоматический дифференциал повышенного трения: 0 – 40 км/ч
Помощь при экстренном торможении
Если педаль тормоза резко нажимается, система воспринимает это как экстренное торможение. Запрошенное тормозное давление автоматически повышается для достижения максимального замедления.
Слежение за колесным тормозом
Эта функция предупреждает водителя, если какой либо колесный тормоз работает менее эффективно, чем другие, например, если на какую-то тормозную накладку попало масло.
Система EBS постоянно контролирует работоспособность тормоза каждого колеса и, поэтому, может определить, когда торможение какого-то колеса начинает ухудшаться.
Управление силой связи
Управление силой связи оптимизирует тормозное давление между блоком трактора и прицепом, что приводит к более равномерному износу тормозных накладок и повышает динамическую стабилизацию трактора и прицепа. Тормозное давление можно регулировать по-разному между трактором и прицепом. При оснащении прицепа системой EBS, весь автопоезд использует управление тормозным усилием на основе нагрузки. Тормозное усилие распределяется таким образом, чтобы колеса трактора и прицепа вращались с одинаковой скоростью.
Применимые функции для BSYS-EBS
Варианты
Обозначение варианта Описание варианта
ESP-BAS1 Базовый пакет ESP
TRBR-STA Стационарное управление тормозами прицепа
ESP
ESP - это система динамической стабилизации, являющаяся приложением к системе EBS.
Система ESP активно помогает водителю удерживать грузовик в выбранном направлении и избежать неконтролируемого заноса, опрокидывания или складывания автопоезда. Это осуществляется путем расчета тормозного давления, которое необходимо применить к каждому колесу, ограничения крутящего момента двигателя и предотвращения работы замедлителя и моторного тормоза-замедлителя.
Система ESP оснащена двумя датчиками специального предназначения: датчиком угла поворота рулевого колеса, который измеряет характеристики рулевого управления, и датчиком скорости рысканья, который обнаруживает вращение автомобиля и боковое ускорение.
Примечание
ESP применяется только к автомобилям с дисковыми тормозами и максимум тремя мостами.
Тормоз прицепа
Тормоз прицепа (TRBR) представляет собой функцию, имеющую три варианта исполнения, и может быть полезна в таких ситуациях, как:
● Подсоединение прицепа для регулировки положения пятого колеса.
● Проверка надежности соединения с прицепом.
● Погрузка тяжелых грузов на прицеп во время стоянки на уклоне.
Стационарный тормоз прицепа (TRBR-STA) подает на прицеп воздушное давление. Скорость должна находиться в диапазоне включения тормозов. Тормоз расцепляется на скорости выше скорости отключения или при отпускании рычага.
Технические данные
Управление стационарным тормозом прицепа, подача воздушного давления 4 бар
Стационарный тормоз прицепа, диапазон скоростей включения 0 – 5 км/ч
Стационарный тормоз прицепа, скорость отключения 7 км/ч
После включения этой функции система действует упреждающе, применяя импульсное торможение прицепа при отпущенной педали акселератора. Система также улучшает характеристики рулевого управления, поскольку тормоза передних колес не включаются при торможении автопоезда.
Опция отпускания стояночного тормоза, автоматического Стояночный тормоз отпускается автоматически, когда автомобиль трогается с места. Опция отпускания стояночного тормоза зависит от типа тормозной системы и трансмиссии.
Модуляторы и клапаны в системе EBS
Система EBS состоит из модуляторов и клапанов следующих типов:

1 1-канальный модулятор тормоза
2 2-канальный модулятор тормоза
3 Модулятор клапана ножного тормоза
4 Тормозной клапан, ABS
5 Управляющий модулятор прицепа
Блок управления EBS обменивается данными с тормозными модуляторами 1 и 2 канала по цепи CAN (Контроллерная локальная сеть) для регулировки давления тормоза. Многие различные функции, такие как ABS и TCS сгруппированы в модулятор, который затем управляется блоком управления EBS. Датчики скорости колеса датчики износа тормозных накладок подключены к этим модуляторам.
Модулятор управления прицепом управляет подачей сжатого воздуха к прицепу. Модулятор управления прицепом обменивается данными с блоком управления EBS с помощью аналоговых сигналов.
Модулятор клапана ножного тормоза электронно отслеживает запросы водителя на снижение скорости посредством давления на педаль ножного тормоза. Модулятор клапана ножного тормоза обменивается данными с блоком управления EBS с помощью аналоговых сигналов.
Тормозной клапан (ABS) - это электромагнитный клапан управления, расположенный рядом с
передними тормозами на автомобиле с одним передним мостом. Тормозной клапан электрически подключен к блоку управления EBS, и включается только когда активируется функция ABS.