Перейти к контенту
Пропустить меню
×
MAN
▼
Тренинг - Параметрирование - ZBR
Тренинг - Параметрирование - FFR
Тренинг - Параметрирование - EDC (A435)
Тренинг - Параметрирование - ASTRONIC (A330)
Тренинг - Параметрирование - Denoxtronic
Тренинг - Параметрирование - EBS
Тренинг - Параметрирование - Отопитель/кондей
Тренинг - Диагностика - MAN-cats II
Тренинг - Диагностика - cats III Мониторинг
Тренинг - Диагностика - Плавность хода
Тренинг - Диагностика - Проверка вращением
Тренинг - Диагностика - Проверка компрессии
Тренинг - Диагностика - Система OBD
Тренинг - Диагностика - Компоненты OBD
Тренинг - EURO 6 - Начнем?
Тренинг - New MAN Truck Generation
Тренинг - EURO 6 - Описание MAN
Тренинг - EURO 6 - TG3 – PTO
Тренинг - EURO 6 - TG3 - Электросистема
Тренинг - TG3 - Электрооборудование
Тренинг - EURO 6 - TG3 - A100
Тренинг - EURO 6 - Шина CAN EDC17
Тренинг - EURO 6 - Схемы
Тренинг - Нейтрализация ОГ - Обзор
Тренинг - Нейтрализация ОГ - Схема работы
Тренинг - Нейтрализация ОГ - AdBlue
Тренинг - Нейтрализация ОГ - SCR AdBlue (diag)
Тренинг - Нейтрализация ОГ - AGR
Тренинг - КП - Обучение
Тренинг - КП - AS-Tronic
Тренинг - КП - AS-Tronic lite
Тренинг - КП - AS-Tronic mid
Тренинг - КП - Voith DIWA.5
Тренинг - КП - ZF-EcoLife
Тренинг - КП - TipMatic
Тренинг - Отбор мощности - Пуск вне кабины
Тренинг - ГБО (CNG) - Структурная схема
Тренинг - ГБО (CNG) - EGC4
Тренинг - ГБО (CNG) - Компоненты
Тренинг - ГБО (CNG) - Позиции компонентов
Тренинг - ГБО (CNG) - Диагностика
Тренинг - ГБО (CNG) - Коды неисправностей
Тренинг - ГБО (CNG) - Этапы проверки
Тренинг - ГБО (CNG) - Данные двигателя
Тренинг - ECAS - Описание
Тренинг - ECAS - EFR (CDC)
Тренинг - EDC - MS 5
Тренинг - EDC - MS 6.1
Тренинг - EDC - MS 6.4
Тренинг - EDC - EDC7
Тренинг - EDC - EDC17
Тренинг - PTM
Тренинг - FFR / ZFR
Тренинг - ZBR2
Тренинг - ZDR / FFR
Тренинг - EBS / ESP
Тренинг - EBS2 Knorr
Тренинг - ABS Ci12
Тренинг - Пневматика
Тренинг - KSM
Тренинг - CAN
Тренинг - HydroDrive
Тренинг - Гибридные БУ
Тренинг - Электрофакел
Тренинг - ECAM
Тренинг - Двухступенч. наддув
Тренинг - ACC, LGS, TBM, TPM
Тренинг - PriTarder
Тренинг - Разъемы кабины
Тренинг - АКБ соединения
Тренинг - Тестер DLS
Тренинг - Интардер 3
Мастерская - ЧИТАЕМ СХЕМЫ
Мастерская - Таблички двигателей
Мастерская - VIN код
Мастерская - Рычаг преселектора
Мастерская - Уровень топлива
Мастерская - Блокировка маневровых режимов
Мастерская - EDC - Практика
Мастерская - EDC - Низкое давление
Мастерская - EDC - Высокое давление
Мастерская - EDC - Высокий расход
Мастерская - EDC - PM-KAT
Мастерская - EDC - Обманываем AGR
Мастерская - EDC - Работы с AdBlue
Мастерская - EDC - Коды 5556, 5038
Мастерская - EDC - Код 4549, 4357
Мастерская - EDC - Код 03855 03938
Мастерская - EDC - EDC (00081, 03785, 03789, 03790)
Мастерская - EDC - Ремонт AdBlue
Мастерская - Диагностика - SPN 3673
Мастерская - Диагностика - Сцепление
Мастерская - Диагностика - EDC-FFR пара
Мастерская - Система ОГ - Датчик NOx
Мастерская - Система ОГ - AdBlue
Мастерская - AdBlue Bosch DeNOx 6-HD
Мастерская - Проверка интеркулера
Мастерская - TipMatic(Mid) - Код AST 03155
Мастерская - Система ОГ - Датчик кислорода
Мастерская - Система ОГ - Настройка AGR
Мастерская - Регулировка клапанов - Клапаны MAN
Мастерская - Регулировка клапанов - D 0836
Мастерская - КП - Сцепление
Мастерская - SPN 3124 после замены сцепления
Мастерская - Ошибки Astronic
Мастерская - КП - Переделка ПГУ
Мастерская - КП - Блок клапанов
Мастерская - Световой тест
Мастерская - Генератор
Мастерская - Ремонт холодильника
Мастерская - Оптимизируем расход..
Мастерская - Кардан
Мастерская - Грузовай борт
Мастерская - Моторный тормоз
Мастерская - ДЫМ (причины)
Мастерская - Засорение PM-Kat
Мастерская - Наддув
Мастерская - Нет "нейтрали"
Мастерская - Датчик износа
Мастерская - Проверка иммобилайзера
Мастерская - Колебания температуры масла
Мастерская - Проверка переключения передач
Мастерская - Проверка сцепления Ecosplit
Мастерская - Проверка сцепления Traxon
Мастерская - Процесс смазки сцепления
Мастерская - Сцепление невозможно откалибровать
Мастерская - Предупреждение «Сцепление!»,
Мастерская - Разные значения износа накладок
Мастерская - Светодиодные фонари прицепа
Мастерская - Сообщение «Неисправность EBS»
Мастерская - Тормозная мощность отсутствует
Мастерская - TipMatic выходит из авто режима
Мастерская - Проверка кондиционера
Мастерская - AdBlue Emitec E6
Мастерская - AGR E6
Мастерская - Проверка противодавления
Мастерская - Топливо в масле
Схемы - L2000 / M2000-L
Схемы - EURO 4/5 - EDC
Схемы - EURO 4/5 - EDC MS 5
Схемы - EURO 4/5 - EDC MS 6.1
Схеміы- EURO 4/5 - EDC MS 6.4
Схемы - EURO 4/5 - Euro 3
Схемы - EURO 4/5 - Euro 3 M-S
Схемы - EURO 4/5 - Euro 4
Схемы - Euro 5
Схемы - Euro 5 M-S
Схемы - AdBlue
Схемы - AdBlue M-S
Схемы - EDC-17 D0836
Схемы - EDC-17 D20, D26
Схемы - EURO 4/5 - EBS
Схемы - EURO 4/5 - EBS 5 KNORR
Схемы - EURO 4/5 - EBS 2 KNORR
Схемы - TGS/TGX - Электросхемы
Схемы - TGS/TGX - ECAS 2
Схемы - TGS/TGX - EBS 5
Схемы - TGS/TGX - КП
Схемы - TGS/TGX - Интардер
Схемы - TGS/TGX - Двери
Схемы - TGS/TGX - KSM
Схемы - TGX 28.440/29.440/29.480
Схемы - TGL/TGM - Использование
Схемы - TGL/TGM
Схемы - TGL/TGM -EBS WABCO
Схемы - TGL/TGM -ECAS
Схемы - TGL/TGM -КП
Схемы - Блокировка
Схемы - MAN TG с PTM
Схемы - EURO 6 - TG EVO
Схемы - TG3 - EBS Knorr
Схемы - TG3 - EBS Wabco
Схемы - TG3 - Power
Схемы - TG3 - EBS 5
Схемы - TG3 - Climate control
Схемы - TG3 - Exhaust system
Распиновка новых компонентов - EURO 6
EDC - MS 5 - Поиск сбоев
EDC - MS 5 - Электросхемы
EDC - MS 5 - Осцилограммы
EDC - MS 5 - Самодиагностика
EDC MS 6.1- Функц. описание
EDC MS 6.1-Поиск неисправностей
EDC MS 6.1-Электросхемы
EDC MS 6.4 - Поиск сбоев
EDC MS 6.4 - Функциональное описание
EDC MS 6.4 - Электросхемы
EDC 7 - Коды неисправностей
EDC 7 - Опис. компонентов
EDC 7 - Функц. описания
EDC 7 - Этапы проверки
EDC 7 - Электросхемы
EDC 17 - Шина CAN
EDC 17 - Мониторинг через MAN-cats II
EDC 17 - Поиск неисправностей
EDC 17 - Схема
FFR - Коды неисправностей
FFR - Функц. описание
FFR - Этапы проверки
FFR - Электросхемы
ZBR 2 - Коды неисправностей
ZBR 2 - Центр. борт. комп.
ZBR 2 - Электросхемы
ECAS 2 - Коды неисправностей
ECAS 2 - Описание компонентов
ECAS 2 - Функции ECAS 2
ECAS 2 - Общая информация
ECAS 2 - CDC
ECAS 2 - Этапы проверки
ECAS 2 - Электросхемы
EBS 5 KNORR - Коды неисправностей
EBS 5 KNORR - Описание
EBS 5 KNORR - Этапы проверки
EBS 5 KNORR - Сигналы
EBS 5 KNORR - Электросхемы
EBS 2 KNORR - Коды неисправностей
EBS 2 KNORR - Описание EBS
EBS 2 KNORR - Описание ESP
EBS 2 KNORR - CAN шина
EBS 2 KNORR - Компоненты
EBS 2 KNORR - Этапы проверки
EBS 2 KNORR - Электросхема
EBS - Коды неиспраностей
EBS - Общее описание
EBS - Электросхема
AdBlue - Коды неисправностей
AdBlue - Описание системы
AdBlue - Функц. описания
AdBlue - Опис. компонентов
AdBlue - Этапы проверки
AdBlue - Электросхемы
AS-TRONIC
AS-TRONIC - Коды неисправностей
AS-TRONIC -Общая информация
AS-TRONIC -Описание компонентов
AS-TRONIC -Функц. описание
AS-TRONIC -Электросхема
Климат/Кондиционер - TGA - Коды неисправностей
Климат/Кондиционер - TGA - Проверки
Климат/Кондиционер - TGA - Электросхема
Климат/Кондиционер - TGX - Коды неисправностей
Климат/Кондиционер - TGX - Этапы проверки
Климат/Кондиционер - TGX - Компоненты
Климат/Кондиционер - TGX - Электросхема
Климат/Кондиционер - TGS/TGX - Описание
Климат/Кондиционер - TGS/TGX - Функц. описание
Климат/Кондиционер - TGS/TGX - Компоненты
Климат/Кондиционер - TGS/TGX - Коды неисправностей
Климат/Кондиционер - TGS/TGX - Электросхема
Климат/Кондиционер - TG - Коды неисправностей
Климат/Кондиционер - TG - Функц. описание
Климат/Кондиционер - TG - Этапы проверки
Климат/Кондиционер - TG - Электросхема
Приборы - Коды неиспраностей
Приборы - Этапы проверки
Приборы - Электросхемы
Курсовой контроль - Коды неисправностей
Курсовой контроль - Общая информация
Курсовой контроль - Компоненты
Курсовой контроль - Электросхема
Двери - TGX - Коды неисправностей
Двери - TGX - Этапы проверки
Двери - TGX - Управление
Двери - TGX - Электросхема
Двери - TGA - Коды неисправностей
Двери - TGA - Этапы проверки
Двери - TGA - Управление
Двери - TGA - Электросхемы
EST 48 - Коды неисправностей
EST 48 - Функц. описание
EST 48 - Компоненты
EST 48 - Код сбоя
EST 48 - Электросхема
ECAM - Коды неисправностей
ECAM - Описание
ECAM - Диагностика
ECAM - Электросхема
Отопители - Airtronic - Коды неисправностей
Отопители - Airtronic - Функц. описание
Отопители - Airtronic - Компоненты
Отопители - Airtronic - Электросхемы
Отопители - Hydronic - Описание
Отопители - Hydronic - Компоненты
Отопители - Hydronic - Этапы проверки
Отопители - Hydronic - Электросхема
Отопители - Air Top 3500 ST - Описание
Отопители - Air Top 3500 ST - Диагностика
Отопители - Air Top 3500 ST - Схема
Отопители - Airtronic - Описание
Отопители - D1LCC/D3LCC - Диагностика
Отопители - D1LCC/D3LCC - Схема
Отопители - TGL/TGM
HydroDrive TGA - Коды неисправностей
HydroDrive TGA - Описание
HydroDrive TGA - Функц. описание
HydroDrive TGA - Компоненты
HydroDrive TGA - Электросхема
CAN - Коды неисправностей
CAN - Описание
EHLA/ALA - Коды неисправностей
EHLA/ALA - Описание
EHLA/ALA - Система EHLA
EHLA/ALA - Система ALA
EHLA/ALA - Электросхема
RAS-EC1 - Описание
RAS-EC1 - Функц. описание
LGS - Описание
F/L/M 2000 - Электрооборудование
Хитрости
ЦРУ
ЭПБ
TGX [ 2024 - ... ]
DAF
▼
Мастерская - Проверка EAS-2
Мастерская - Прокачка EMAS
Тренинг - Маркировка проводов
Схемы - XF 105 2006_2013
Схемы - XF 2013_2017
Схемы - 95XF
Схемы - Читаем схемы
Схемы - DMCI
Схемы - VIC-2/VIC 2 Lite
Схемы - VIC-3/VIC 3 Lite
Схемы EAS 3
EURO 6 - Мастерская - Стартер
EURO 6 - MX 11/MX 13, EN2/14 - Двигатели MX
EURO 6 - MX 13 - PACCAR
EURO 6 - MX 13 - EGR
EURO 6 - MX 13 - Коды неисправностей
Аббревиатуры
EAS
Замок зажигания
ГЕНЕРАТОР
Электропитание
Сети автомобиля
DAFXF Схемы
Коды - "MIL" - для ECS/DC4/EAS
Коды - "MIL" - для ECS/DC5/EAS
Коды - DMCI - Расшифровка
Коды - DMCI - DMCI
Коды - ECAS 2
Коды - ECAS 3
Коды - ABS/ASR-D
Коды - ABS-D/ABS/ASR E
Коды - ABS E
Коды - EBS
Коды - EBS 2
Коды - EST42
Коды - EST52
Коды - EAS 2 - Расшифровка
Коды - EAS 2 - EAS
Коды - UPEC
Коды - VIC
Коды - AS TRONIC
Коды - HYDRONIC 10
Коды - EMAS
Коды - AIRTRONIC
Коды - CDS 3
Коды - D3LC (ACH EA)
Коды - AGS
Коды - ALS S
Коды - IMMOBILISER
Коды - CDM
Коды - ECS/DC3
Коды - AGC-A
Коды - DTCO
Коды - MTCO
Коды - ATC
Коды - DTS
Коды - ECS/DC4/EAS
Коды - ECS/DC5/EAS
VIC/DIP 4/MTCO - Поиск неисправностей
Схемы - UPEC - Поиск неисправностей
Схемы - UPEC - CF75/85 <2002 г.
Схемы - UPEC - CF75/85 ≥2002 г. XF95
Схемы - UPEC - Блок UPEC
Схемы - UPEC - Описание
Схемы - EST 52
Схемы - EST 42
Схемы - ACH EW
Схемы - ACH EA
Схемы - ACH W2
Схемы - ACH W3
Схемы - EBS
Схемы - ABS E
Схемы - ABS D
Схемы - ABS E2
Схемы - Конструкция
Схемы - Схемы торможения
Кабина - Подвеска кабины
Кабина - Опрокидывание
Электро проводка
Сокращения
Кондиционер
Описание CAN
AS TRONIC
Описание APU
Система AGS
ECS DC3 (LF/CF)
ZF EST 42
RAS-EC
ИММОБИЛАЙЗЕР
ATC
E gas 3
CDS 3 LF45/55
ECAS 4
ECAS 5
LDWA
ALS S
Двери
Руль
DAF XF 105 - Топология CAN
DAF XF 105 - Проверка CAN
DAF XF 105 - ZF EST 42
DAF XF 105 - ZF EST 52
DAF XF 105 - EBS 2
DAF XF 105 - Пневматика
DAF XF 105 - EAS 2 - Описание
DAF XF 105 - EAS 2 - Компоненты
DAF XF 105 - EAS 2 - Схема
DAF XF 105 - EAS 2 - Функции
DAF XF 105 - КП - Пневматика
DAF XF 105 - КП - Механика
DAF XF 105 - КП - Таблички
DAF XF 105 - КП - Защита
DAF XF 105 - КП - Сцепление
DAF XF 105 - КП - Модулятор
DAF XF 105 - BBM - Описание
DAF XF 105 - BBM - Схемы
DAF XF 105 - Электросхемы
DAF XF 105 - Компоненты
DAF XF 105 - DMCI
DAF XF 105 - Пнемоподвеска
DAF XF 105 - AGS
DAF XF 105 - ACC
DAF XF 105 - Типы КП
DAF XF 105 - Варианты APU
DAF XF 105 - Климат контроль
DAF XF 105 - Холодильник
DAF XF 105 - Регулир. клапанов
DAF XF 105 - Блок. дифференциала.
DAF XF 95 - Электросхемы
DAF XF 95 -Изменения с 0Е626381
DAF XF 95 -95XF серия
DAF XF 95 -CHASSIS 0E459335
DAF XF 95 -CHASSIS 0E473500
DAF XF 95 -CHASSIS 0E477514
DAF XF 95 -CHASSIS 0E527418
DAF XF 95 -Проводка
DAF XF 95 -КП
DAF XF 95 -Компоненты
DAF XF 95 -Системы
DAF XF 95 -Узлы
DAF XF 95 -Разъемы
F 95 - Электросхемы
DAF CF65/75/85 - Диагностика
DAF CF65/75/85 - Электросхемы
DAF CF65/75/85 - Компоненты
DAF CF65/75/85 - Проводка
DAF CF65/75/85 - Читаем схемы
DAF CF65/75/85 - Узлы
DAF LF 45/55 - LF45 IV, LF55 IV
DAF LF 45/55 - Гл. выключатель
DAF LF 45/55 - DIP-4
Хитрости
Идентификация
Типы DAF
XF Е6 (G2/CB Series) [ 2021 -... ]
MERCEDES
▼
Тренинг - ECU MR-PLD
ACTROS 950_954 - Регул. двигателя
ACTROS 950_954 - Тормоза
ACTROS 950_954 - КП
ACTROS 950_954 - Коды неисправностей
ACTROS 950_954 - Электросхемы
ACTROS 930_934 - Конструкция MP2-3
ACTROS 930_934 - Изучаем Actros
ACTROS 930_934 - DAS
ACTROS 930_934 - Потеря мощности
ACTROS 930_934 - Коды - MR euro 2/3
ACTROS 930_934 - Коды - MR euro 4/5
ACTROS 930_934 - Коды - ZHE
ACTROS 930_934 - GS II
ACTROS 930_934 - BS
ACTROS 930_934 - ART
ACTROS 930_934 - BNT
ACTROS 930_934 - EAPU
ACTROS 930_934 - EDW
ACTROS 930_934 - BTS
ACTROS 930_934 - DTCO
ACTROS 930_934 - EHZ
ACTROS 930_934 - FLA
ACTROS 930_934 - FR
ACTROS 930_934 - MR "Code"
ACTROS 930_934 - GS ограничение
ACTROS 930_934 - Мощность снижена
ACTROS 930_934 - Схемы - Задний модуль
ACTROS 930_934 - Схемы - Передний модуль
ACTROS 930_934 - Схемы - Тахограф
ACTROS 930_934 - Схемы - Дверь пассажира
ACTROS 930_934 - Схемы - Дверь водителя
ACTROS 930_934 - Схемы - Модуль MSF
ACTROS 930_934 - Схемы - Система HPS
ACTROS 930_934 - Схемы - Подогрев FLA
ACTROS 930_934 - Схемы - MR euro 2/3
ACTROS 930_934 - Схемы - MR euro 4/5
ACTROS 930_934 - Схемы - Тормоза BS
ACTROS 930_934 - Схемы - Движение FR
ACTROS 930_934 - Схемы - АКП GS II
ACTROS 930_934 - Схемы - GM
ACTROS 930_934 - Схемы - ZHE
ACTROS 930_934 - Схемы - Приборы
ACTROS 930_934 - Схемы - WS
ACTROS 930_934 - Схемы - ТР
ACTROS 930_934 - Схемы - ART
ACTROS 930_934 - Схемы - BTS
ACTROS 930_934 - Места установки - АКП GS II
ACTROS 930_934 - Места установки - MR
ACTROS 930_934 - Места установки - BS
ACTROS 930_934 - Места установки - FR
ACTROS 930_934 - Места установки - TMB
ACTROS 930_934 - Места установки - TMF
ACTROS 930_934 - Места установки - HM
ACTROS 930_934 - Места установки - FM
ACTROS 930_934 - Места установки - INS
ACTROS 930_934 - Места установки - ZHE
ACTROS 930_934 - Места установки - FLA
ACTROS 930_934 - Места установки - MTCO
ACTROS 930_934 - Места установки - MSF
ACTROS 930_934 - Места установки - WS
ACTROS 930_934 - Штекеры - АКП GS II
ACTROS 930_934 - Штекеры - MR
ACTROS 930_934 - Штекеры - GM
ACTROS 930_934 - Штекеры - BS
ACTROS 930_934 - Штекеры - FR
ACTROS 930_934 - Штекеры - TMB
ACTROS 930_934 - Штекеры - TMF
ACTROS 930_934 - Штекеры - HM
ACTROS 930_934 - Штекеры - FM
ACTROS 930_934 - Штекеры - ZHE
ACTROS 930_934 - Штекеры - FLA
ACTROS 930_934 - Штекеры - MTCO
ACTROS 930_934 - Штекеры - MSF
ACTROS 930_934 - Хитрости
ACTROS 930_934 - Процессы обучения
ACTROS 930_934 - Кто кого...
ACTROS 930_934 - Реле/предохранители
ACTROS MP4_MP5 - Коды неисправностей
ACTROS model 963
ACTROS 5 (963/964) [2019 - 2023]
ACTROS EURO 6 - TCM
ACTROS EURO 6 - Обучение
ACTROS EURO 6 - Коды MCM
ACTROS EURO 6 - ACM
ACTROS EURO 6 - APS
ACTROS EURO 6 - Разъемы
ACTROS EURO 6 - Схемы
ATEGO 950_954 - Коды ABS
ATEGO 950_954 - Коды
ATEGO 950_954 - Схемы - MR OM904
ATEGO 950_954 - Схемы -MR OM906
ATEGO 950_954 - Схемы -ABS
ATEGO 950_954 - Схемы -AGN
ATEGO 950_954 - Схемы -GS
ATEGO 950_954 - Схемы -BS
ATEGO 950_954 - Схемы -DTCO
ATEGO 950_954 - Схемы -EHZ
ATEGO 950_954 - Схемы -FLA
ATEGO 950_954 - Коды неисправностей
ATEGO 950_954 - Коды - АКП
ATEGO 950_954 - Коды - MR
ATEGO 950_954 - SCR
ATEGO 950_954 - EBS
ATEGO 950_954 - Впрыск
ATEGO 968 Euro 6 (2023-...)
AXOR 940_944 - Схемы - ABS
AXOR 940_944 - Схемы - FLA
AXOR 940_944 - Схемы - TCO
AXOR 940_944 - Схемы - SRS
AXOR 940_944 - Схемы - RS
AXOR 940_944 - Схемы - NR
AXOR 940_944 - Схемы - MR
AXOR 940_944 - Схемы - FR
AXOR 940_944 - Схемы - GS
AXOR 940_944 - Схемы - INS
AXOR 940_944 - Коды неисправностей
AXOR 950_954 - Схемы - MR
AXOR 950_954 - Коды - ABS/ASR
AXOR 950_954 - Коды - AGN alison
AXOR 950_954 - Коды - AGS
AXOR 950_954 - Коды - BS
AXOR 950_954 - Коды - DTCO
AXOR 950_954 - Коды - EHZ
AXOR 950_954 - Коды - FLA
AXOR 950_954 - Коды - FR
AXOR 950_954 - NR
VARIO - MR - Электросхемы
VARIO - MR - Компоненты
VARIO - FR
SK/MK/LK - ADM
UNIMOG - HYD
UNIMOG - MR
ATRON - Схемы - MR
ZETROS - Схемы - MR
SPRINTER 909 - CR4_T1N OM646
SPRINTER 910 - CDID 3S2 OM651
Ремонт блоков
EPS
Компоненты 900_926
Видео обучения
ТО
IVECO
▼
EURO TRAKKER - Электросхемы
EURO TRAKKER - ABS/ASR
EURO TRAKKER - TRAKKER EURO 4/5
EURO TRAKKER - ECAS
EURO TRAKKER - Соединения
EURO CARGO - TECTOR
EURO CARGO - До 2003 г.
EURO CARGO - 6 - 10 тонн
EuroStar Cursor - Электросхемы
STRALIS - Электросхемы
STRALIS - STRALIS AS EURO 4/5
STRALIS - Борт. компьютер
STRALIS - EDC 6.2
STRALIS - EBS
STRALIS - ECAS
STRALIS - КП EUROTRONIC
Коды - КПП Евротроник
EBS
ECAS
Регулир. данные
SCANIA
▼
Мастерская - HPI с EDC S6 - Давление топлива
Мастерская - AdBlue-OFF
Мастерская - EGR-OFF
Мастерская - IMMO-OFF
Мастерская - Ремонт блоков - PDE
Мастерская - Ремонт блоков - S6
Мастерская - Распредвал
Мастерская - Прогар клапанов
Мастерская - Зимой
Диагностика - SCR
Диагностика - Протокол SCR
Диагностика - Проверки SCR
Диагностика - OBD
Диагностика - Сбой коммуникации
Тренинг - Введение
Тренинг - Аббревиатуры
Тренинг - Сигналы
Тренинг - Пути тока
Тренинг - Поиск по схемам
Тренинг - Шасси
Тренинг - Кабина
Тренинг - Магистрали
Тренинг - LimpHome
Тренинг - Дилерское обучение
Тренинг - КП Р/R/Т серий
Тренинг - Снижаем токсичность
Тренинг - EGR
Тренинг - SCR
Тренинг - CAN для FMS
Тренинг - Сокращения
Коды - Двигатель
Коды - Трансмиссия
Коды - Тормозная система
Коды - Подвеска
Коды - EDC
Коды - PDE S6
Коды - Opticruise
Коды - EBS 2.2
Коды - NOx
XPI - Описание
XPI - Контур
XPI - SDP3 и XPI
CAN - Диагностика
CAN - CAN Dump_Analyzer
CAN - Адреса
Блок координатор - COO 7 - Описание
Блок координатор - COO 7 - Распиновка
Блок координатор - COO 7 - Электросхемы
Блок координатор - COO 8 - Распиновка
Блок координатор - Описание
Блок координатор - Диагностика
Блок координатор - Электросхемы
Блок координатор - COO 6
EBS - Устройство системы
EBS - Системы
EBS - Компоненты
EBS - Сигналы блока
EBS - Электросхемы
EBS - Диагностика
EBS - схемы 5 серии
ABS - BOSCH
ABS - WABCO D
Тормозная система - Без EBS
Тормозная система - Пневматика
Тормозная система - Прицеп
ELC 2 - Диагностика
ELC 2 - Ремонт
EDC PDE MS6 - Диагностика
EDC PDE MS6 - Испытания
EDC PDE MS6 - Блок EDC
EDC PDE MS6 - Насос-форсунка
EDC PDE MS6 - Неисправности
EDC MS 5 - Описание MS5
EDC MS 5 - Диагностика
EDC MS 5 - Соединения блока управления
EDC MS 5 - Схемы
EDC PDE S6
EDC - Диагностика PDE
EDC - HPI с EDC S6
EDC - 14л. 3 серия
КП
КП - Retarder
КП - ZF (механика)
КП - GMS P/G/R/T
Opticruise - Компоненты
Opticruise - Конструкция
Opticruise - Функционирование
SCR - Описание
SCR - Диагностика
SCR - Поиск неисправностей
SCR - Типы кодов
SCR - Самоподготовка
SCR - Denoxtronic
AGR
SCANIA 3
APS
TRIP
Турбина
Блок S6, S7
Диагностика
Компоненты
Маркировка кабелей
Зарядка
Блок управл. S6
VIS
Замедлитель
Алко-блок
VOLVO
▼
Мастерская - FM - Регулировка капанов
Мастерская - SAE J1939
Мастерская - Климат
Мастерская - Дым
Мастерская - Малая мощность
Мастерская - Расход топлива
Мастерская - Моменты затяжек
Мастерская - Уровень пола
Мастерская - AdBlue OFF
Тренинг - VIN код
Тренинг - Электрика
Тренинг - Регулировки
Тренинг - MID 130, MID 223
Тренинг - MID 136 EBS/ESP
Тренинг - MID 150 ECS2
Тренинг - MID 150 ECS3
Тренинг - MID 216 LCM
Тренинг - MID 144 VECU
Тренинг - MID 128 EECU
Тренинг - Жгуты
Тренинг - D16C
Тренинг - APM
Тренинг - Климат контроль
Тренинг - RSTS-EHY
Тренинг - SUSPL-EC
Тренинг - Коробка передач
Топливная система - Баланс. цилиндра
Топливная система - Объем топлива
Топливная система - FM - Описание FM4
Топливная система - FM - FM4 D11
Топливная система - FM - FM4 D16
Топливная система - FH - FH4 D13 A400
Топливная система - FH - FH4 D13 K420
Топливная система - FH - FH4 D13 K460
Топливная система - Электросхема
Топливная система - С ручным насосом
Топливная система - С электро насосом
Топливная система - FE3/FL3 EURO 6
Топливная система - EURO 6
Топливная система - D9B
Топливная система - D11
Топливная система - D12C
Топливная система - D12D
Топливная система - D13
Топливная система - D13K
Топливная система - D16
Топливная система - D16K
EBS - Описание
EBS - FE3/FL3
EBS - FH4/FM4
EBS - Коды неисправностей
ABS - Описание
ABS - Коды неисправностей
Коды неисправносей MID 136
FM (4) - Электросхема
FM9_12/FH12_16/NH12 - Электросхемы
FM7/FM10/FM12 - Обозначения
FM7/FM10/FM12 - Оборудование
FM - Электросхемы E5
FM 2013 г.
FM - EBS
FM - Регулир. данные
FL6/FL/FE - Электросхемы
FL6/FL/FE - Схемы FL серии
FL6/FL/FE - Проводка
FL6/FL/FE - Сокращения
VM EM E5 - Электросхемы
FH - Коды - ECM
FH - Коды - EMS
FH - Коды - MID 128
FH - Коды - MID 140
FH - Стояночный тормоз
FH - ALCOLOCK
FH - D12D
FH4 - Все коды неисправностей
EECU MID 128 - D9/D12/D16
EECU MID 128 - Коды MID 128
Коды MID 144
VN/VHD/VAN
VN/VHD
EURO 6 - Service
EURO 6 - FH4 2016 г.
EURO 6 - FH4 2016 г.
EURO 6 - FH4 2013 г.
EURO 6 - FH4 2013 г.
EURO 6 - FH4 2012 г.
EURO 6 - FL3 2013 г.
EURO 6 - FE3 2013 г.
FM9/FM12/FH12 - Tridem
FM/FH VERSION2 - Tridem
FM/FH - Новый жгут проводов фар
FM9/FM12/FH12/FH16/NH12 - FIREWALL
FM - Climate Unit, Correction
FM/FH - Val Bas 4, Val Chd 2
OBD
Дисплей
DAS
LCS
ACC
LSS
Каналы данных
ESP
ECS
Тормоз-замедлитель
Шина CAN
Разъемы прицепа
Электросхемы
Сборник мануалов
RENAULT
▼
Тренинг - Как читать схемы
Тренинг - EBS 5/ESP - Описание
Тренинг - EBS 5/ESP - Компоненты
Тренинг - EBS 5/ESP - Пневматика
Тренинг - Проводка
Тренинг - OPTIDRIVER 2
Тренинг - DXi 12
Тренинг - VOITH
Тренинг - IC 04
Тренинг - V-MAC IV и VECU
Тренинг - A.P.M.
Тренинг - CLU, ACU/ICU/FCU
Тренинг - DIAGNOSTIC DXI
Тренинг - SUPER H
Тренинг - DXi 13
Тренинг - Bodybuilder
Тренинг - DXi 11
Тренинг - Новое в DXi
Шасси - Кабина
Розетка прицепа
LCM
Диагностика SCR
Коды - Обозначения
Коды - ТАХОГРАФ
Коды - EBS
Коды - ABS
Коды - EECU EUP
Коды - EECU CR
Коды - INTARDER ZF
Коды - TELMA
Коды - VECU
Коды - ASTRONIC
Коды - EDC
MAGNUM - Электросхемы
MAGNUM 2000-2006
MAGNUM - Предохранители
MAGNUM - Места установки
MAGNUM - Электроцепи
MAGNUM - Дисплей IC 04
MAGNUM - V-MAC IV и VECU
MAGNUM - Mack MIDR
Подвеска (6X2) - Электросхемы
Подвеска (6X2) - Диагностика
PREMIUM E4 - Электросхемы
PREMIUM E4 - Компоненты
PREMIUM E5 - Электросхемы
PREMIUM E5 - Компоненты
PREMIUM - Р/блок, CAN, ADR
PREMIUM - Контроль автомобилем
PREMIUM - Мочевина
PREMIUM - DXi
PREMIUM - ECOSPLIT
PREMIUM - OptiTrack
PREMIUM - Кондей
PREMIUM - Подвеска
PREMIUM - EBS
PREMIUM - Читаем схемы
PREMIUM - Электросхемы
PREMIUM - Компоненты
PREMIUM - Блок предохранителей
PREMIUM - Блок соединений
PREMIUM - Двигатель
PREMIUM - Шасси - кабина
MIDLUM - Читаем схему
MIDLUM -Электросхемы
MIDLUM 2008 - Схемы
MIDLUM -Компоненты
MIDLUM -Тормоза
KERAX - Читаем схему
KERAX - Электросхемы
KERAX - Блок предохранителей
KERAX - Компоненты
EURO 6 - Сервис. инструкции
EURO 6 - Читаем схемы
Серия T - Управление двигателем
Серия T - Компоненты
Серия T - Жгуты
Серия T - CAN
Серия T - Связь с прицепом
Серия T - Расположение компонентов
Тормозная система
EMS 2
FORD
▼
Мастерская - Классификатор FORD
Мастерская - EASYSTART
Мастерская - Регулировка колес
Мастерская - Калибровка ECAS
Мастерская - Калибровка PTO
Мастерская - Калибровка сцепления
Мастерская - Дефектные кабеля
Мастерская - Нет задней передачи
Мастерская - TELMA
Мастерская - Уменьшение расхода
Тренинг - Кодировка на двигателях
Тренинг - SCR
Тренинг - ABS-ASR
Тренинг - Рулевое управление
Тренинг - Моторный тормоз
Тренинг - Турбокомпрессор VGT
Тренинг - Калибровка подвески
Тренинг - Электрооборудование
CARGO H566 - Блок предохранителей
CARGO H566 - Диагностика неисправн.
CARGO H566 - Осушитель воздуха
CARGO H566 - Схема 2017
CARGO H566 - Компоненты
CARGO H566 - Модуль BCU
CARGO H566 - Датчики двиг. 12,7L
CARGO H566 - Коды неисправностей
CARGO H566/H476 - Компоненты двигателя
CARGO H566/H476 - Компоненты SCR
CARGO H566/H476 - Компоненты BCU
CARGO H566/H476 - Компоненты трансмиссии
CARGO H566/H476 - Компоненты кабины
CARGO H566/H476 - Приборка
CARGO H566/H476 - Воздухонагреватель
CARGO H566/H476 - Многофункциональный рычаг
CARGO H566/H476 - EBS
CARGO H566/H476 - Immobilizer
CARGO H566/H476 - OBD
CARGO H476 9L - Электросхема
F MAX - ЭБУ двигателя
F MAX H625 - Схемы
F MAX H625 - Электрооборудование
F MAX CARGO GC46 - Схемы
Коды - EMS
Коды - BCU
Коды - AMT
Коды - Другие
Ecoroq 9L 16MY
Ecoroq 12.7L 16MY
Cursor 10L 1846T/1843T
1846T - Коды неисправностей
HINO
▼
Мастерская - Регулировка клапанов
Мастерская - Регулировка угла впрыска J08E-TI
Мастерская - Программирование АБС
Мастерская - Проверка компонентов
Тренинг - Обучение чтению электро схем
Тренинг - XZU600, XZU700, WU600, WU700
J08E - COMMON RAIL
J05D/J08E Engine - CRS
Коды - S05C/D_S05C-TB
Коды двигателя E13C
HINO 300 - Читаем схемы
HINO 300 - Компоненты
HINO 300 - ШТРИХ-ТахоRUS
HINO 300 - ECU N04C-TR,TS,ТТ,TU,TV,TW
HINO 500 - Интегрирующий блок
HINO 500 - Схема
HINO 500 GD8J серия - схемы EURO 3
HINO 500 GD8J серия - схемы EURO 4
HINO 700 - FC-SG серия - Читаем схемы
HINO 700 - FC-SG серия - Схемы
HINO 700 - FC-SG серия - Разъемы
HINO 700 - FC-SG серия - Рэле
HINO 700 - Схема FS1E и SS1E
HINO 700 - Диагностика ABS
HINO 700 - Коммутационный блок
HINO 700 - Тормозные системы
HINO 700 - Hino-700 E13C Engine
HINO 700 - Установка HYDRONIC M12
J и S серии
RANGER - Схемы
Аббревиатуры
HINO 300
XZU/WU
E13C euro 4
Тахограф
HINO 238-358
Отопители
ШТРИХ-ТахоRUS
Тормозное оборудование
Engine Wiring Diagram
FOTON
▼
Тренинг - Читаем схемы
Тренинг - 4189 - Электрика
Тренинг - 4189 - Пневматика
Тренинг - AUMAN - CAN и диагностика
Тренинг - AUMAN - КП
Тренинг - AUMAN - Тормозная система
Мастерская - AUMAN - Диагностика
Мастерская - AUMAN - Неисправности ABS
Мастерская - AUMAN - Неисправности дверей
Мастерская - AUMAN - Неисправности зеркал
Мастерская - AUMAN - Неисправности стеклоочистителя
Мастерская - AUMAN - Неисправности кондиционера
Мастерская - AUMAN - Неисправность аудиосистемы
Мастерская - AUMAN - Неисправность приборки
Мастерская - AUMAN - Неисправность иммобилайзера
Мастерская - AUMAN - Неисправность СУ автомобиля
Мастерская - AUMAN - Неисправности ECAS
Мастерская - AUMAN - Неисправности КП
Мастерская - AUMAN - Жгуты проводов
AUMAN - 4189 - Электрооборудование
AUMAN - 4189 - Схемы
AUMAN - Электро система
AUMAN - Стандарт
AUMAN - Комфорт
AUMAN - Люкс
AUMAN - Foton & Daimler
AUMAN - BJ3253 - Ремонт
AUMAN - BJ3253 - Электропитание
AUMAN - BJ3253 - Схемы
AUMAN - BJ3253 - Диагностика неисправностей
HOWO
▼
Тренинг - A7 - Приборка
Тренинг - A7 - Запуск
Электросхемы
ABS
HOWO-TX
HOWO A7
HOWO 7C - Схемы
SITRAK
▼
Мастерская - Регулировка клапанов
Мастерская - Калибровка датч. прод. наклона
Мастерская - Вода в TCU разъёме
Тренинг - Читаем схемы
Тренинг - CAN шина
Тренинг - Система питания
Тренинг - ZF Ecosplit 16S
Тренинг - RCM
Тренинг - TCM
Тренинг - Управления дверьми
Тренинг - AC
Тренинг - ECAS
Тренинг - EBS 3
Тренинг - Читаем сообщения на приборке
Коды - КП ZF
Коды - ABS
Коды - AMT
Коды - CFV, EGR, CAN
Коды - ECAS CAN2
Коды - SCR
Коды - Nano BCU
Коды - VCU
Коды - BOSCH
Схема C7H
Схема C7H (c VCU)
Схема C7H (без VCU)
Отопитель FJH-4A
Электрооборудование
NanoBCU
SHACMAN
▼
Тренинг - Расшифровка проводки
Тренинг - Системы автомобиля
Тренинг - TPMS (давление в шинах)
Тренинг - CNG
Тренинг - LNG
Тренинг - HPDI
Тренинг - ZF TraXon
Мастерская - X500 - расход масла
Мастерская - Разблокировка Webasto TP90
Мастерская - Закрылись замки
Мастерская - Настройки приборной панели
Коды - EDC 17
Схемы - F2000
Схемы - Shaanxi F3000
Схемы - Shacman X3000
Схемы - X3000 EDC17(BCM)
Схемы - SX3255DR
Схемы - Delong F3000
Сземы - X500
Схемы - X500 (газовый)
Пневматика тормозов - X500
X500 - Идентификаторы автомобиля
Схемы - X6000
X600 - EBS 3
X600 - ECAS
X600 - Коды
X600 - CAN шина
X600 - TPMS
X600 - EPB
X600 - (A100)
X600 - VCU
X600 - Двери
X600 - Приборка
X600 - Кондиционер
X600 - Звуковая система
X600 - Замедлитель
X600 - Комфортность вождения
ECU
Проблемы
ISUZU
▼
Мастерская - 4HG1-T - Регулировка впрыска
Мастерская - Клапана 4HG1-T
Мастерская - Клапан LSPV
Мастерская - Прокачка тормозов
Мастерская - Зазоры тормоз. колодок
Тренинг - Читаем схемы
Тренинг - ABS
Тренинг - N SERIES
СЕРИЯ N - Компоненты
СЕРИЯ N - Подача питания
СЕРИЯ N - Электросхема
СЕРИЯ N - CAN
СЕРИЯ N - Стартер и цепи заряда
СЕРИЯ N - Приборка
СЕРИЯ N - DLC
СЕРИЯ N - ECM
СЕРИЯ N - TCM
СЕРИЯ N - ABS
СЕРИЯ N - HSA
СЕРИЯ N - DRM
СЕРИЯ N - Отопитель и кондиционер
СЕРИЯ N - Полный привод
СЕРИЯ N - Отбор мощности
СЕРИЯ N - Иммобилайзер
СЕРИЯ N - Тахограф
СЕРИЯ N - Компоненты двигателя и КП
СЕРИЯ N - Освещение
СЕРИЯ N - BCM
СЕРИЯ N - Двери
СЕРИЯ F/G - Компоненты
СЕРИЯ F/G - Подача питания
СЕРИЯ F/G - Электросхема
СЕРИЯ F/G - Проводка
ЭСУД - 4HK1
ЭСУД - 4JJ1-TCS
ISUZU ELF - Схемы
ELF - Признаки неисправности EBS
FAW
▼
Тренинг - SCR
CA4180 - Общее описание
6JP
J6 JIEFANG - CA6DL2-E4R
J6P JIEFANG
J6P - Схемы
J7 JIEFANG - Схемы
J7 JIEFANG CA4180P77K25E5 - КП
J7 JIEFANG CA4180P77K25E5 - Передачи
J7 JIEFANG CA4180P77K25E5 - Компоненты
J7 JIEFANG CA4180P77K25E5 - ABS
J7 - Коды (update)
J7 - Коды ABS
J7 - Коды ECAS
J7 - Коды VCU
J7 - Коды CA6DM3-55
HYUNDAI
▼
Тренинг - ANTI LOCK BRAKE SYSTEM
Тренинг - ABS & ASR
Мастерская - Регулировка фар
Мастерская - ETACS
Мастерская - Приборка
Тренинг - Читаем схемы
Тренинг - Системы
HD 35L_45L (LT) - Схемы и компоненты
AIRTRONIC D2
HYDRONIC D10W
Электросхема
MITSUBISHI
▼
CANTER EURO 3 - Электросхема
CANTER EURO 3 - Common Rail
CANTER EURO 3 - Диагностика
CANTER EURO 3 - Компоненты
CANTER EURO 4 - Common Rail
CANTER EURO 4 - Диагностика
CANTER EURO 4 - Электросхема
CANTER ECO HYBRID - Electrical
CANTER ECO HYBRID - Chassis
CANTER ECO HYBRID - Diesel engine
FUSO FIGHTER - Common Rail
Common Rail E4 - Проверка компонентов
TOYOTA
▼
DYNA 100+ - Toyoace, Hiace
DYNA 150 - Toyoace G15
DYNA 200+ - Toyoace
DYNA 200, 300, 400 - Toyoace
INTERNATIONAL
▼
LT
MAXXFORCE 7
MAXXFORCE 11 and 13
A26 Engine Diagnostic
FREIGHTLINER
▼
FLC Cummins
Eaton FLC
Коды неисправностей
COLUMBIA CL112, CL120 Models
BUSINESS CLASS M2 Models
WESTERN STAR
▼
4700, 4800, 4900, 5900, 6900 Models
KENWORTH
▼
Тренинг - Читаем схемы
T800
T2000
W900
Коды неисправностей
PETERBILT
▼
359 Model - Electrical Schematics
379 Model - Cummins CELECT
379 Model - Cummins ISX
379 Model - Family Electrical
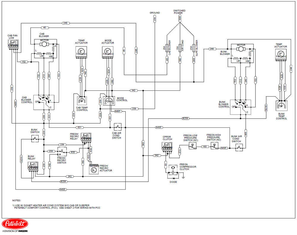
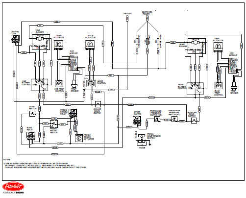
379 Model - Heater/Air Conditioner
387 Model - Diagnostic - Electrical System
387 Model - Electrical Schematics
387 Model - Cummins ISX
389 Model - Family Electrical
DONGFENG
▼
Вводный тренинг
TATA
▼
Тренинг - Читаем схемы
Тренинг - Трансмиссия
Тренинг - ELECTRIC
NOVUS - EURO4 ELECTRIC SYSTEM
NOVUS - Реле и предохранители
NOVUS - Схемы
NOVUS - DE/DW euro 1/2
NOVUS - HCV, DLDV, Euro 3, LHD
NOVUS - HCV/DLDV Euro 5, LHD
MAXIMUS - Реле и предохранители
MAXIMUS - Схемы E3
MAXIMUS - Схемы E5
MAXIMUS DV11K LHD
Коды DX12
МАЗ
▼
МАЗ 6430 - Электрооборудование
МАЗ 6430 - БКА ЗА
Схема MB EURO 3/4
Схема MB EURO 5
Схема Deutz EURO 4
Двигатели
МАЗ-ххххВ9*
ЯМЗ - MAN
ABS
ЭСУПП
Очистка катализатора
КАМАЗ
▼
Тренинг - Серия К5 - Компоненты
Тренинг - Серия К5 - Поиск неисправностей
Тренинг - Серия К5 - Неисправности CAN
Тренинг - Серия К5 - Неисправности ЭБУ
Тренинг - Серия К5 - Неисправности ЭБУТС
Тренинг - EBS/ABS
Тренинг - ECAS
Тренинг - Разъем EOBD
Мастерская - Webasto
Мастерская - 14ТС-10-GP
Мастерская - OM 457 LA - Регулировка клапанов
Мастерская - SCR на Евро 5
Мастерская - ZF Intarder
Мастерская - Регулировка клапанов
КП - Таблички ЭПСУ КП
КП - Работа ЭПСУ КП
КП - Схемы ЭПСУ КП
Cummis CM2150
ГБО - MB - Давление топлива
ГБО - MB - Другие давления
ГБО - MB - Моменты затяжки
ГБО - MB - Замена GFI на LR NG2
ГБО - Landi Renzo NG 2
ГБО - Спец. ключ для NGK
ГБО - Расход газа
ГБО - Зазоры M 906 LAG
ГБО - SCR - Нейтрализация ОГ
ГБО - SCR - Подача AdBlue
ГБО - Маркировка
ГБО - МРДГ
ГБО - Двигатели YC.....
ГБО - 457/460/500/900 - Описание
ГБО - 820.60-260
ГБО - M 906 LAG
ГБО - М20 на 820.60-820.61
ГБО - Коды M20.21
ГБО - Система питания
ГБО - Компоненты
ГБО - Поиск неисправностей
ГБО - Схемы - КАМАЗ YUCHAI ESI-2
ГБО - Схемы - DAIMLER газовый
ГБО - Схемы - НЕФАЗ YC6G260N-50
ГБО - Схемы - YUCHAI E5 ESI
ГБО - Схемы - ЭСУД М20
ГБО - Схемы - ADM3-FR
ГБО - Схемы - Жгуты ГБО
ГБО - Схемы - YUCHAI YC6G260N-50
ГБО - BRISK
BOSCH MS 6.1
EDC 7
Common Rail
Коленвал/Распредвал
CUMMINS
КамАЗ 740.XX
ZF-ASTRONIC
Коды - AS-Tronic
Коды - CBCU3-E
Коды - ZF EST 42
Коды - ADM3_MR2_SCR
Коды - ABS (блинк/SPN)
Тормозная система - Описание
Тормозная система - ABS
KAMAZ (mercedes) - Система пуска
KAMAZ (mercedes) - 5490 - Электросхема
KAMAZ (mercedes) - 5490 - Системы
KAMAZ (mercedes) - Коды - ABS
KAMAZ (mercedes) - Коды - ABS SCRABS
KAMAZ (mercedes) - Коды - MR
KAMAZ (mercedes) - Коды - ADM2
KAMAZ (mercedes) - Коды - ADM3
KAMAZ (mercedes) - Схемы - ABS
KAMAZ (mercedes) - Схемы - MR
KAMAZ (mercedes) - Схемы - ADM2-3
КАМАЗ 5490 - Компоненты
КАМАЗ-5490 5Р - Схемы
КАМАЗ 5490 - Пневматика
EURO 2_3 - Схемы
EURO 4 - Схемы
EURO 5 - Схемы
EURO 6 - CUMMINS
EURO 6 - КП
EURO 6 - ABS/ASR
EURO 6 - Подвеска
EURO 6 - Все схемы
ТП и ЭСУД-1
РАРИТЭК- 1
МНЭ
65116
Блок коммутации CAN
CBCU3-E24
МUХ2-ВР
УРАЛ
▼
Мастерская - Диагностика насоса
6370 - ABS 6 - Устройство
6370 - ABS 6 - Компоненты
6370 - ABS 6 - ECU
6370 - ABS 6 - Характеристики
6370 - ABS 6 - Ошибки
6370 - Электросхема
NEXT - Схема
4320 - Схема 4320М
4320 - АБС
4320 - ЭБУ двигателя
JAC
▼
Читаем схемы
Схемы - Электропитание
Схемы - Пуск/Зарядка
Схемы - ECU
Схемы - Аудио
Схемы - Приборка
Схемы - Световая сигнализация
Схемы - Двери/Окна
Схемы - Дворники и омыватель
Схемы - Кондиционер
Схемы - ABS
Предохранители/Реле
Коды неисправностей
Описания по кодам
Компоненты двигателя
Схемы ABS 8
Коды и ремонт ABS 8
TATRA
▼
Двигатель с ECU MT 30
ABS BOSCH, ABS WABCO
Климат контроль
ADBLUE - UDA2 для TEU1
АВТОБУСЫ
▼
MAZ
MAZ - 103-107
MAZ - 203
MAZ - 206
MAZ - 251
MAZ - 256
МАЗ 103, МАЗ 107
МАЗ 105
МАЗ 152
МАЗ 215
МАЗ 231
МАЗ 241
МАЗ 206/226
Пневмосистемы
NEFAZ - Приборка «ИТЕЛМА»
IRISBUS CROSSWAY
Электросхемы
Контрольные лампы
ABS ASR
MAN
Читаем схемы
NES
TEPS
Иммобилайзер
FFR
ZBR 2
EBS
ECAS
КП
Генераторы
EBS - Коды неисправностей
EBS - Диагностика
EBS - Электросхемы
EDC17 - Этапы проверки
ME7 - Описание
ME7 - Схемы
NL243 / 283
RH 353 / 403 F
NL_NB 263/213/353
TEBS
EDC MS 6.1
EDC MS 6.4
A74
Гибридная система
NEOPLAN
N11X, N21X, N31X
DAF
SB 220 GS/LT
DAEWOO
BH120F
Компоненты
ABS
HYUNDAI
Hyundai Universe
Country
ABS
KIA
KIA Grandbird
MERCEDES
Tourismo Е5 - Driveline
Tourismo Е5 - HLK
Tourismo Е5 - Body
Tourismo Е5 - Control lamps
CONECTO
INTOURO
CITARO
SETRA
Setra S315
Setra S400
SCANIA
SCANIA - Scania Touring - Электрика
SCANIA - Scania Touring - Отопитель
SCANIA - Scania Touring - Кондиционирование
АКП - АКП ZF
АКП - Элементы
АКП - Сигналы
Пневматика
Подвеска ELC
Электросхемы ELC
Подвеска - Коды неисправностей
Приборка
Блок предохранителей
Рама и двигатель
АКПП ZF
EDC MS5
Шасси K/L/N
4 серия - Электросхема
4 серия - Отключение массы
ELC
BNS II
EDC MS 6
VOLVO
Серия B(XX)
B12B_B12M
B10 EDC
B7, B9, B12
B11R
Серия B
Серия B0E
Все электросхемы
9500, 9700, 9900, E6
B7B,B9B,B12B,B12M
8500, Body x900, E4
Читаем схемы
TEMSA
VOLVO - Читаем схемы
PRESTIJ E5
MD 7
AVENUE E6
AVENUE EV
LD Plus
OTOKAR
NAVIGO C (E6)
MMC
E200 MMC
E400 MMC
EOS
EOS 80-233
КАМАЗ
КАМАЗ Bravis
ЛИАЗ
5292_22
ЭСУ-1АА
529230-31
BOVA
Futura
Magiq
Lexio
VAN HOOL
Двигатель
Приборы
Все схемы
HIGER
ЭБУ CM2150E
6129
KING LONG
XMQ6120C
ВОЛЖАНИН
Волжанин
ПАЗ
ПАЗ
ВЕКТОР - Приборы и датчики
ВЕКТОР - ECAS - Калибровка ручная
ВЕКТОР - ABS
БОГДАН
Богдан - A092 / A0921
РИТМИКС
РИТМИКС
YUTONG
YUTONG
НЕМАН
НЕМАН
SOR
Схемы - C12,10,9 E5
Схемы - CN12,10,9 E5
Системы\
STREET
ETS и MTS
CПЕЦТЕХНИКА
▼
KOMATSU
KOMATSU - BR380JG
KOMATSU - D31
KOMATSU - D37A
KOMATSU - D65
KOMATSU - D85C-21
KOMATSU - D155A
KOMATSU - D155C-1
KOMATSU - D275A
KOMATSU - D355C
KOMATSU - D375A-5D
KOMATSU - PC27MR
KOMATSU - PC35(45)R-8
KOMATSU - PC120-6 Excel
KOMATSU - WF550A-3
KOMATSU - WB97S-2
KOMATSU - PW200(220)-7H
KOMATSU - PC300(LC)-6
KOMATSU - PC400-7
KOMATSU - PC400(450)(LC)-7
KOMATSU - PC1800-6
KOMATSU - PC1250 (SP) (LC)-7
KOMATSU - PC1100 (LC) (SP)-6
KOMATSU - PC750(800)
KOMATSU - PC750(800)-6
KOMATSU - PC1000(LC)(SE)
KOMATSU - Тех. документация
KOMATSU - Двигатели
CATERPILLAR
CATERPILLAR - CS653E
CATERPILLAR - 374D
CATERPILLAR - 432/434/442/444
CATERPILLAR - Словарь CAT
CATERPILLAR - Коды неисправностей
D3 K XL
D5 N SIS
777/777F
938Gll
C10/C12, 3176B, 3406E
HITACHI
HITACHI - EX300 - 5
HITACHI - ZX200 - 270
HITACHI - ZX450 - 520
HITACHI - Zaxis190W-5N
HITACHI - 210-6N and 210LC-6N
HITACHI - Коды неисправностей
HITACHI - Сервисная документация
KOBELCO
KOBELCO - Сборник схем
KOBELCO - RK250
Гидравлические экскаваторы
LIEBHERR
LIEBHERR - LTM 1100 - Коды неисправностей
LIEBHERR - LTM 1100 - Электросхема
LIEBHERR - LR1600
LIEBHERR - LTM1250/1300
LIEBHERR - PR712 - PR752
LIEBHERR - LT1025
LIEBHERR - Коды неисправностей
LIEBHERR - LICCON
LIEBHERR - Серия T, TL
LIEBHERR - Серия PR
LIEBHERR - Серия LH
LIEBHERR - Серия RL, LR
FURUKAWA
FURUKAWA UNIC - Коды неисправностей
FURUKAWA UNIC - Электросхемы
FURUKAWA UNIC - Гидросхемы
JCB
JCB - Backhoe Loaders
JCB - Loadalls
JCB - Excavators
JCB - Wheeled Loaders
JCB - Fastrac
JCB - Robot
JCB - Teletruk
JCB - Dump Trucks
JCB - JS145W
JCB - 3CX - 4CX
JCB - BW 177-226
JCB - Телескоп CODE
JCB - 409
JCB - TM310
JCB - 411, 412, 416
JCB - 414, 426, 434, 436, 456
JCB - Мини погрузчик
JCB - 175
JCB - Common Rail - Коды неисправностей
JCB - Common Rail - Проверка
JCB - Common Rail - Устройства
JCB - Мега коллекция
JCB - Проводка
NEW HOLLAND
NEW HOLLAND - Тренинг - NH/Case/Steyr
NEW HOLLAND - Фронт. коды двигателя
NEW HOLLAND - Фронт. коды КП
NEW HOLLAND - Коды L C
NEW HOLLAND - Фронт. серия 3
NEW HOLLAND - Фронт. серия 6
NEW HOLLAND - Мини фронт.
NEW HOLLAND - Фронтальный
NEW HOLLAND - Tractor T6
NEW HOLLAND - Tractor T7
NEW HOLLAND - Tractor T8
NEW HOLLAND - Tractor T9
NEW HOLLAND - Tractor T9
NEW HOLLAND - SP280_SP480
NEW HOLLAND - Коды неисправностей
NEW HOLLAND - Электросхемы
CASE
CASE - Magnum (гидр.электрика)
CASE - Фронт. коды
CASE - Коды SR SV TR TV
CASE - Коды Steiger
CASE - Фронт. серия 3
CASE - Фронт. серия 6
CASE - Мини фронт.
CASE - Фронтальный
CASE - MX Magnum - Коды неисправностей
CASE - MX Magnum - Компоненты
CASE - MX Magnum - Электросхемы
CASE - Magnum 225-335 Гидравлика
CASE - PUMA - Коды неисправностей
CASE - PUMA -Электросхемы
CASE - PUMA -Трактор Steiger
CASE - PUMA -Сервисные инструкции
CASE - PUMA -Сервисная коллекция
CASE - 788 - Ремонт
CASE - CX130 Ремонт
CASE - Farmall 95U, 105U, 115U (Pro EP)
DOOSAN
DOOSAN - Электрика - DL
DOOSAN - Электрика - DX
DOOSAN - Электрика - DX W
DOOSAN - Электрика - Mega - III
DOOSAN - Электрика - Mega - V
DOOSAN - Электрика - Skid Loader
DOOSAN - Электрика - Solar LC-III
DOOSAN - Электрика - Solar LC-V
DOOSAN - Электрика - Solar W-III
DOOSAN - Электрика - Solar W-V
DOOSAN - Гидравлика - DL
DOOSAN - Гидравлика - DX
DOOSAN - Гидравлика - DX W
DOOSAN - Гидравлика - Mega - III
DOOSAN - Гидравлика - Mega - V
DOOSAN - Гидравлика - Skid Loader
DOOSAN - Гидравлика - Solar LC-III
DOOSAN - Гидравлика - Solar LC-V
DOOSAN - Гидравлика - Solar W-III
DOOSAN - Гидравлика - Solar W-V
DOOSAN электрика и гтдравлика
BOMAG
BOMAG - BW 213/214 - Электросхемы
BOMAG - Engine BW 213/214
BOMAG - Engine type TCD
STEYR
STEYR - CVT 6140 - 61195
STEYR - 4110 - 6140 PROFI
STEYR - CVT 6130 - 6160
STEYR - 9080 - 9105 MT
STEYR - CVT 6165 - CVT 6225
STEYR - CVT 6170 - CVT 6230
STEYR - Коды неисправностей
JOHN DEERE
JOHN DEERE - 444K 4WD
JOHN DEERE - 524K 4WD
JOHN DEERE - 644K 4WD
JOHN DEERE - 724K 4WD
JOHN DEERE - 824K 4WD
JOHN DEERE - Коды неисправностей
JOHN DEERE - 350D and 400D-II
JOHN DEERE - 250D and 300D
JOHN DEERE - Коды 250D/300D
JOHN DEERE - 210K EP
JOHN DEERE - 540G-III and 548G-III
JOHN DEERE - 540H and 548H
JOHN DEERE - 648G-III and 460D
JOHN DEERE - 9120 - 9620
JOHN DEERE - 7720, 7820 и 7920
JOHN DEERE - 8130 - 8530
JOHN DEERE - 335C
JOHN DEERE - 318E and 320E
JOHN DEERE - 319E and 323E
JOHN DEERE - 210LE
JOHN DEERE - 210LJ
JOHN DEERE - 9560_9660 - Эектросхемы
JOHN DEERE - 9560_9660 - Коды неисправостей
JOHN DEERE - Читаем схемы
JOHN DEERE - Терминология
JOHN DEERE - Тренинг персонала
XCG
XCG - 210LC-8B
XCG - 240LC-8B
XCG - 330LC-8B
XCG - Коды неисправностей
HYUNDAI
HYUNDAI - Электросхемы
HYUNDAI - MINI EXCAVATOR
HYUNDAI - Все схемы
HYUNDAI - Сборник инструкций
CLAAS
GLAAS - Читаем схемы
GLAAS - Обозначения компонентов
CLAAS - Jaguar 695
CLAAS - Сервисные инструкции
BOBCAT
BOBCAT - Сервисная информация
BOBCAT - T2250
BOBCAT - T2556-T2566
BOBCAT - Коды T40140-80
BOBCAT - Схемы серии Т
BOBCAT - Code List
TEREX
TEREX - Схемы A350
TEREX - Схемы A600
TEREX - Серия 600
TEREX - Серия 700
TEREX - HC110-HC 230
TEREX - CC 2500
TEREX - FUCHS MHL331
TEREX - 820-980,TX760-TX980
TEREX - TLB 815 RM
TVEX
TVEX - ЕК/ЕТ
TADANO
TADANO - Схемы
TADANO - MDT 9 Error Codes
TADANO - ATF-Faun 130
VOGELE
VOGELE - SUPER 2500
VOLVO
VOLVO - BHL
VOLVO - EC240B LC
SAME
SAME
LINDE
LINDE - H12T-H20T
LINDE - Service
DYNAPAC
DYNAPAC - Сборник схем
GENIE
GENIE - Service manual
HYSTER
HYSTER - Сервис. коллекция
GROVE
GROVE - TMS700E
LIUGONG
LiuGong - Пневматика full
LiuGong - Электрика full
LiuGong - Двигатели full
FENDT
FENDT - Шина САN
FENDT - 700, 800, 900 (Vario)
FENDT - 700 Vario С4
MANITOU
MANITOU - Джойстик
MANITOU - Электрика
MANITOU - Гидравлика
MANITOU - Электрика
TVEX
TVEX - 140W, 180W
TVEX - гидросистемы
KAWASAKI
Kawasaki
CROWN
CROWN - WE 2300
CROWN - SP 3400
CROWN - SH/SHR 5500 AC
CROWN - RC 5500
CROWN - RR 5200 DC
BAUMANN
BAUMANN - Погрузчик
LOGLIFT
LOGLIFT 59
DHOLLANDIA
Подъемники
SANY
SRSC45V / SRSC45V1A / SRSC45V5
AMMANN
AV 110 X, AV 110 X4
Pallet Truck (бренда EP Equipment)
Мануалы всех моделей
RU
RU - ЕТ 14
RU - ЕТ 18, 20
RU - ЕТ 26
RU - ЕК 14
RU - ЕК 18 245
RU - ЕК 18 Perkins
RU - ЕК/ЕТ - Электрика
RU - ВП 1,6
RU - ВП 05
RU - ПК 30
RU - ПК 46
RU - ПК 65
RU - Кран КС 55727
RU - ЭО 3323A
ПРИЦЕПЫ
▼
WABCO - ECAS
WABCO - Параметризация
WABCO - Калибровка
WABCO - Неисправности
WABCO - Клапаны
WABCO - Системы
WABCO - Vario
WABCO - Vario VCS II
Knorr Bremse - TEBS 4
Knorr Bremse - TEBS E
Knorr Bremse - TEBS G2.0/G2.1
Knorr Bremse - TEBS G2
Knorr Bremse - TEBS G2 Обучение
Knorr Bremse - Кабели
Knorr Bremse - KB4TA
Knorr Bremse - EZ2085
Knorr Bremse - BR92..
Knorr Bremse - TEPM S/TEPM-P
Knorr Bremse - KB3 TA
Knorr Bremse - ES2005
Имитатор Knorr
HALDEX - Система
HALDEX - Схемы
NOOTEBOOM - Схемы
Спец прицеп FAYMONVILLE
ECAS - Система EBS D
ECAS - Компоненты EBS D
ECAS - Установка EBS D
ECAS - Компоненты
EBS C - Системы
EBS E - Система EBS E
EBS E - Модернизация
EBS E - Компоненты
EBS E - Штекеры
EBS E - TEBS E2
Thermo King - Электросхемы
Thermo King - Коды ошибок
CARRIER - Электросхемы
CARRIER - Сокращения
CARRIER - Maxima 2
CARRIER - VECTOR
CARRIER - Maxima (1000 серия)
MITSUBISHI - Коды неисправностей
ТОНАР
Розетки
TIR вездеход
Прицепы МАЗ
SORL - ABS
<РАЗНОЕ>
▼
Autocom Mercedes Actros
Калибровка уровня
Делаем Актрос шустрее в разгоне
Калибровка датчиков уровня
Дополнение к калибровке уровня
Клапан резервирования_задний мост
Наддув
Прицеп - возможны только частичные функции
Проверка датчиков АБС
Проверка топливной системы
Програмирование насос форсунки
Кл. резервирования
Модуль Ast
Autocom DAF
DAF XF105 с тахографом - на контроль
DAF XF105 сброс ТО
Проверяем EBS DAF XF105
DAF XF105 тест компрессии и балансировки цилиндров
Autocom MAN
Ошибка EDC 3082
Ошибка EDC 3087
Ошибка EDC 3088
Ошибка EDC 3089
Ошибка EDC 3099
Ошибка EDC 3100
Ошибка EDC 3748
Ошибка EDC 3752
Ошибка EDC 3753
Ошибка EDC 3789
Ошибка EDC 3851
Ошибка EDC 00081, 03785
Ошибка EBS 04376, 04377
Ошибка EBS 04081, 01056
Датчики ABS
ABS прицепа
Продолжение для ABS прицепа
MAN Autocom 2014
Наддув турбины
Давление топлива перед фильтром
Датчики ABS
Езда на магните
Калибровка воздушной подвески
Калибровка датчиков давления
Логика АБС скорость колеса неверная
Неисправность системы выхлопных газов
Оставшийся срок службы акуммуляторных батарей
Отключаем цилиндры
Ошибки после регулирования датчиков тормозных колодок
Поиск неисправностей EGR
Проверка катализатора
Проверка компрессии
Сброс ТО
Удаление неудаляемых ошибок
Адаптация лямбда зонда
Проверка автономного отопителя
Экономичность
Рычаг передач
Буквари и помощь
Осциллограф
FLUKE 123
ABS
DAVIE и топливная
DAVIE и EAS (EAS 2)
DAVIE и EMAS
MAN-cats II
SDP3
SDP и SCOP
TEBS E
TEXA
TECH TOOL
DaimlerChrysler
Vediamo
EOL Sinotruk
Автономные отопители
14ТС 10
14ТС Mini GP, 14ТС Mini GP TM
14ТС Mini GP MAN, 14ТС Mini GP MAN2
14ТС Mini GP ВЛЖ, 14ТС Mini GP ВЛЖ2
14ТС 10 ДМ C NEO
14ТС 10 Е4С
14ТС 10 GP
14ТС 10 М4
14ТС 10 М5
14ТС 10 С
14ТС 10 ТВЭК2
14ТС 10 12 4910, 14ТС 10 12 8080
Ремонт серии 14ТС
11ТС
20ТС
20ТС Д38
BINAR 10D
Адаптер RS232
15ТСГ
30TCG
ПЛАНАР 4Д
ПЛАНАР 8Д
Термикс - Коды неисправностей
B7W - D7W
X3, X7, X12
D 24 W
D9W
HYDRONIC L - Диагностика L
HYDRONIC L - Схемы L
HYDRONIC L - Hydronic L2
HYDRONIC 16/24/30/35
HYDRONIC M10, M12
HYDRONIC M
HYDRONIC - Схемы M-II
HYDRONIC - Ремонт M-II
HYDRONIC - Диагностика M-II
HYDRONIC-10
HYDRONIC M D10W
HYDRONIC - Диагностика M или D10
AIRTRONIC - Высокогорный комплект
AIRTRONIC - Расчет отопителей
ПРАМОТРОНИК - 4Д-24
ПРАМОТРОНИК - 141.8106.000
ПРАМОТРОНИК - 15.8106
ПРАМОТРОНИК - 16ЖД24
AT 2000 - Описание
AT 2000 - Регулировка CO2
AT 2000 - Проверка компонентов
AT 2000 - Модифицирование
AT 2000 - Все схемы
AT 2000
AT 2000st
AT 3500/5000
AT 2000 - 24/32
Thermo 300
Thermo 300 - Описание
Thermo 300 - Проверка компонент.
Thermo 300 - Диагностика
Thermo 90
Thermo E
Thermo Pro 90, 90 HDD
Webasto BBW/DBW46
2010-2020 300-350
DBW 160 - DBW 350
Stroco
DW 80 / DW 80-TRS
ПЖД12
AERO COMFORT 2D/4D
ДиТаН 14
ДиТаН 14 NEXT
ТЕРМОТРАНС
Установки - DAF
Установки - IVECO
Установки - MB
Установки - NEOPLAN
Установки - RENAULT
Установки - SCANIA
Установки - MAN
Двигатели
Cummins ISB / ISBe - Коды неисправностей
Cummins ISB / ISBe - Компоненты
Cummins ISX - Коды неисправностей
CUMMINS - N14 PLUS
CUMMINS - M11
CUMMINS - SCR
CUMMINS - Электросхемы
CUMMINS - CM2150
ЯМЗ-656..658 - Коды неисправностей
ЯМЗ-656..658 - CRS
ЯМЗ-650 - Коды неисправностей
ЯМЗ-650 - CRS System 2
ЯМЗ-530 ГАЗ - Диагностика
ЯМЗ-530 ГАЗ - Компоненты
ЯМЗ - Описание
ЯМЗ - Компоненты
ЯМЗ - ТС
ЯМЗ - БД
ЯМЗ - Диагностика двигателя
ЯМЗ - Коды неисправностей
ЯМЗ - Электросхема
ЯМЗ - ЯМЗ-536
DEUTZ - EMR3
DEUTZ - BF4M
JCB - Tier 3
JCB - Isuzu T4i
Detroit Diesel - Компоненты DDEC
Detroit Diesel - Коды неисправностей
Detroit Diesel - Series 60 EGR
John Deere - 4.5L and 6.8L
MX-13 Топливная
MX-13 ОГ
D0834-36
D2866 / 76
DX12E E5 ECU
DX12E E5 Sensor
1103 и 1104С
D6AV/D6AB/D6AC
С6АВ/C6AB
Д-245
OM 904_OM 906
DL06, DL08, DV11
DV11
PERKINS - MODEL TNE series - Моменты затяжек
PERKINS - Серии 1100 - Тренинг
PERKINS - Мастерская - Обслуживание
CARRIER - Двигатели серии "V"
WEICHAI - WP12NG
WEICHAI - WP10, WP12
WEICHAI - WP12, WP13 - Регулировка клапанов
PACCAR - Programming Guide
PACCAR Dealernet - overhaul (ENGINE)
PACCAR - DIAGNOSTIC TROUBLE CODES
PACCAR - CECU
WP12 - Коды
WP10 - Регулировка зазоров
MC11 - Регулировка клапанов
ZD30 - Диагностика
6DL2, 6DM2 - Регулировка клапанов
ТРАНСМИССИЯ
TELMA - Электросхемы
ALLISON - 3000_4000 серия
ZF ERGOPOWER - DW-3 и ERGO II
ZF ERGOPOWER - 4 WG-190/210
ZF ECOMAT 2
ZF ASTRONIC
ZF ECOSPLIT
ZF AS-Lite
Eaton Fuller
EPS
ISHIFT
C6J45T
ЭБУ
ЭСУ 1А - Диагностика
ЭСУ 1А - Неисправности
ЭСУ 1А - Пины 50.3763
ЭСУ 1А - Пины М230.Е3
MR2A/MR2B - Описание ЭБУ
MR2A/MR2B - Прог. обеспечение
MR2A/MR2B - Параметрирование
MR2A/MR2B - Диагностика
MR2A/MR2B - Компоненты
EDC 17
BOSCH - Неисправности CP
BOSCH - Неисправности CP1
BOSCH - Неисправности CP2
BOSCH BODAS Controller RC
WISE15C P270 Weichai Power
М240 Коды неисправностей
M240 Система управления
M240 Протокол обмена по J1939
EDC7UC31-14
WEICHAI - EDC17
Тормозные системы
Knorr - Bremse - CAN-сообщения
Knorr - Bremse - J1939
Knorr - Bremse - Обучение ABS/ASR
Knorr - Bremse - Обучение ELC
Knorr - Bremse - Обучение EBS-2
Knorr - Bremse - ABS 6 - Диагностика
Knorr - Bremse - Описание EBS
Knorr - Bremse - Справочник
Knorr - Bremse - ECS 13
Knorr - Bremse - EBS КВ4-ЕL
Knorr - Bremse - Коды Гамма-систем
WABCO - TEBS E
WABCO - EBS 3 - Компоненты
WABCO - EBS 3 - Описание
WABCO - EBS 3 - Схемы
WABCO - EBS 3 - Компоненты
WABCO - EBS 3 - Диагностика
WABCO - ECAS - Описание
WABCO - ECAS - Компоненты
WABCO - ECAS - Системы
WABCO - ABS D - Описание
WABCO - ABS D - Световые коды
WABCO - ABS D - Схемы
WABCO - EBS
WABCO - ABS
WABCO - ESC
WABCO - Самодиагностика
WABCO - Электросхемы
WABCO - IVTM
WABCO ABS-E2
АБС-Т - Диагностика
АБС-Т - Ремонт
АБС-Т - Электросхемы
ЭКРАН - Работа с кодами
ЭКРАН - Компоненты "Экран"
ЭКРАН - Диагностика «Экран»
АБС-П
ТАХО
StoneRidge - 2400
КАСБИ DT-20М
Штрих Taxo
Кабель + PIN
VOCOM I, II
Прочее
АКБ
Турбина VGT
Большой сборник
DONGFENG - IMMO
- CARS -
Подписывайтесь на наш канал в
Telegram
и будьте всегда в курсе самых последних сообщений и публикаций с сайта.
PETERBILT 379 Model - Heater/Air Conditioner without PCC
Все схемы в высоком качестве в
"
Большой энциклопедии для автоэлектриков и диагностов
"
Назад к содержимому
Для использования этого сайта необходимо включить JavaScript.