Электрооборудование автобуса МАЗ 215
Перечень электросхем
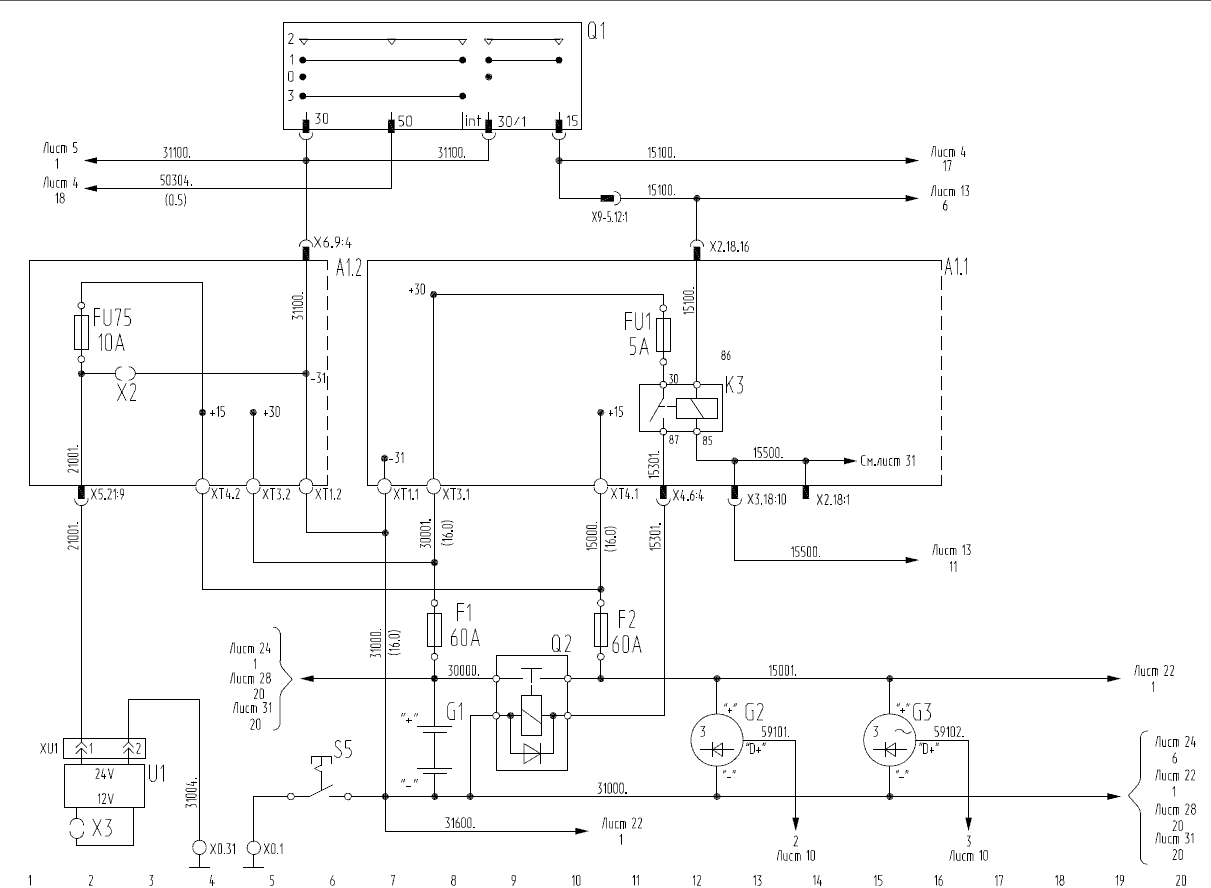
- Система электропитания автобуса, розетка 12 В.
- Центральный управляющий электронный блок (CAMU). Зуммер. Маркерные фонари 1 секции. Датчик скорости. Разъем сервисный MultI.
- Схема подключения панелей выключателей и кнопок управления щитка приборов.
- Щиток приборов MultIC SF18. Разъем программирования CAMU и MultIC. Разъем сервисный CAMU. Кнопки требования остановки первой секции.
- Щиток приборов MultIC SF18. Разъем программирования CAMU и MultIC. Повторитель поворота.
- Управление передней правой светотехникой. Стеклоочиститель. Контроль износа тормозных накладок. Управления подъемом и книлингом автобуса.
- Управление передней левой светотехникой. Заслонка рециркуляции воздуха. Звуковой сигнал.
- Управление клапанами отопления салона. Контроль зарядки АКБ. Питание осушителя воздуха. Датчики уровня охлаждающей жидкости, уровня масла в бачке ГУР, засоренности воздушного фильтра.
- Освещение салона, кнопки требования остановки у приоритетных сидений, крышные вентиляторы первой секции, обогрев зеркал и стекла.
- Первая дверь (для автобусов с двумя распределителями).
- Первая дверь (для автобусов с одним распределителем).
- Освещение салона, датчики уровня топлива и угла предельного складывания, крышный вентилятор.
- Кнопки требования остановки у второй и третьей двери, вторая и третья дверь первой секции.
- Электромагнитные клапаны подъема и книлинга, вентилятор отопителя салона и вентилятора крыши, кнопки требования остановки второй секции. Четвертая дверь.
- Четвертая дверь, кнопки требования остановки.
- Вентилятор отопителей салона 2-й секции, звуковой и световой сигнал заднего хода, габаритные огни, противотуманные фонари, освещение салона.
- Пятая дверь, кнопки требования остановки.
- Задняя правая светотехника, звукового сигнала заднего хода, вентиляторы отопителя салона и крыши.
- Подогреватель жидкостный дополнительный.
- Обогрев топливного фильтра, освещение моторной шахты и рабочего места водителя, ПЖД 2-й секции, отопитель рабочего места водителя.
- Блоки управления двигателем.
- Блок управления ГПВ, система предпускового подогрева.
- Блок управления ГМП.
- Вентиляторы отопителей салона 1-й секции, независимый воздушный отопитель.
- Блока управления ABS.
- Кондиционер рабочего места водителя.
- Информационная система.
- Система пожаротушения.
- Кондиционер салона.
- Блок микроклимата рабочего места водителя.
- Система видеообзора.
- Power CAN (SAE J1939).
- CVN CAN.
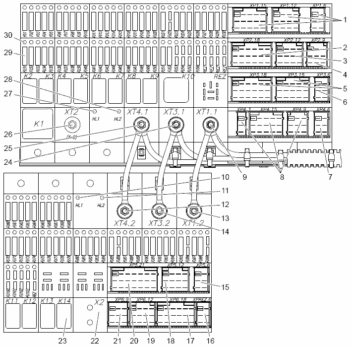
БЛОК КОММУТАЦИИ
Автобус комплектуется блоком коммутации производства ОДО «Павеж». В связи с постоянной модернизацией и усовершенствованием в конструкцию БК могут вводиться изменения.
Для надежной работы приборов и аппаратов автобуса необходимо следить за состоянием предохранителей, установленных в блоке коммутации (БК). Исправность предохранителей контролируется по светодиоду, находящемуся рядом с предохранителем. При перегорании плавкого элемента и включенной нагрузке светодиод начинает светиться, что облегчает поиск электрической цепи, в которой произошло короткое замыкание.

1 - разъем жгута двигателя; 2 - разъем жгута включения систем; 3, 19 - разъем не используется; 4 - разъем жгута ГМП; 5, 8 - разъем главного жгута 1-й секции; 6 - разъем жгута ABS/ASR; 7 - разъем жгута отопителей 1-й секции; 9, 13 - общая «масса»; 10, 27 - контрольная лампа исправности цепи АКБ; 11, 28 - контрольная лампа исправности цепи генератора; 12, 25 - питание цепи 15000; 14, 24 - питание с АКБ; 15 - разъем жгутка системы пожаротушения; 16, 17 - разъем верхнего жгута передка; 18 - жгут передка нижний; 20, 21 - разъем жгута передка; 22 - розетка; 23 - промежуточные реле; 26 - подача питания на стартер; 29 - плавкие предохранители; 30 - светодиоды исправности предохранителей
Категорически запрещается применять нестандартные предохранители, а тем более, так называемые «жучки». В случае короткого замыкания в цепи это приведет к немедленному выходу из строя приборов электрооборудования и может вызвать оплавление изоляции проводов. Перегоревший предохранитель следует заменить другим, таким же по значению рабочего тока.
БК выполняет функции защиты всех цепей электрооборудования автобуса от коротких замыканий, функции релейных развязок между щитком приборов и мощными потребителями электрической энергии. Подвод питания к блоку осуществляется сверху по двум цепям – генераторной 15000 и аккумуляторной 30000. О том, что цепи подключены, свидетельствует свечение диодов «ГЕН» и «АКБ».
Перечень элементов
- A1.1 Блок коммутации главный
- A1.2 Блок коммутации передка
- A2.1 Щиток приборов
- A2.2 Мембранная панель управления правая
- A2.3 Мембранная панель управления левая
- A3.1, A3.2 Блок управления передний
- A3.4 Блок управления задний
- A3.6, A3.7, A3.8 Блок управления двери
- A3.9 Блок управления дверьми второй секции
- A3.12 Блок управления блоками коммутации А1.1, А1.2
- А4 Блок адаптации двигателя ADM3
- А5 Блок управления двигателя PLD
- А6 Электронный блок системы SCR двигателя
- А8 Блок управления ГМП «ZF»
- А9 Блок управления гидропривода вентилятора «BOSH»
- A10 Блок управления ABS
- А11 Блок управления подогревателем жидкости двигателя
- А13 Блок управления независимым воздушным отопителем
- А14 Разветвитель MCAN двигателя
- А16 Разветвитель SCRCAN двигателя
- А21 Электронный блок системы пожаротушения
- А26 Блок управления подогревателем жидкости 2-й секции
- А30.1 Блок управления информационной системы
- А30.2, А30.3, А30.5 Табло информационной системы
- А30.4 Табло внутрисалонное информационной системы
- А30.6 Табло внутрисалонное 2-й секции информационной системы
- А113 Блок управления датчика NOx
- B1 Датчик давления в контуре рабочих тормозов передней оси комбинированный
- B2 Датчик давления в контуре рабочих тормозов ведущего моста комбинированный
- В3 Датчик аварийного давления в контуре рабочих тормозов дополнительной оси
- В4.1 Датчик аварийного давления в ресивере потребителей 1-й секции
- В4.2 Датчик аварийного давления в ресивере потребителей 2-й секции
- B5 Датчик аварийного давления в магистрали стояночного тормоза
- B6 Датчик стоп-сигналов магистрали тормозов передней оси
- B7 Датчик стоп-сигналов магистрали тормозов ведущего моста
- B8.1 Датчик аварийного давления в контуре подвески 1-й секции
- B8.2 Датчик аварийного давления в контуре подвески 2-й секции
- B10 Датчик наличия давления в магистрали стояночного тормоза
- B13 Датчик уровня охлаждающей жидкости
- B14 Датчик уровня масла ГУР
- B15 Датчик положения заслонки фронтального отопителя М12
- B16 Датчик уровня топлива
- B17 Датчик засоренности воздушного фильтра
- В18 Датчик температуры наружного воздуха гидропривода вентилятора
- B80 Датчик давления в магистрали тормозов ведущего моста «ZF»
- В90 Датчик температуры воздуха в моторном отсеке
- В115 Датчик температуры воздуха до катализатора двигателя
- В116 Датчик температуры воздуха после катализатора двигателя
- В117 Датчик температуры и уровня реактива в баке AdBlue двигателя
- В132 Датчик температуры и влажности воздуха двигателя
- Вао Датчик аварийного открывания двери
- Вас Датчик аварийного состояния двери
- BА1, BА2, BА3, BА4 Динамик 1-й секции
- BА5, BА6 Динамик 2-й секции
- BМ1 Микрофон информационной системы
- BR1.1, BR1.2 Датчик угловой скорости колеса передней оси
- BR2.1, BR2.2 Датчик угловой скорости колеса ведущего моста
- BR3.1, BR3.2 Датчик угловой скорости колеса дополнительной оси
- BS1 Датчик положения педали акселератора двигателя
- BS2 Датчик положения педали тормоза ГМП «ZF»
- E1.1, E1.2 Фара ближнего света
- E2.1, E2.2 Фара дальнего света комбинированная с габаритным огнем
- E3.1, E3.2 Фара дневного ходового огня комбинированная с противотуманной фарой
- E4.1, E4.2 Фара противотуманная
- E4.3, E4.4 Фонарь противотуманный
- E5.1, E5.2 Указатель поворота передний
- E5.3, E5.4 Боковой повторитель указателя поворота
- E5.5, E5.6 Указатель поворота задний
- E5.7, E5.8 Указатель поворота задний верхний
- E6.1, E6.2 Фара заднего хода левая
- E7.1, E7.2 Стоп-сигнал комбинированный с габаритным огнем
- E7.3 Повторитель стоп-сигнала
- E13 Освещение над служебными дверьми
- E14 Освещение рабочего места водителя
- E15 Освещение моторного отсека
- Е24.1, Е24.2 Освещение салона 1-й секции
- Е24.3, Е24.4 Освещение салона левое 2-й секции
- ЕТ1,1 Устройство пожаротушения моторного отсека
- ЕТ1.3 Устройство пожаротушения отсека ПЖД
- ЕТ1.3 Устройство пожаротушения отсека дополнительного ПЖД
- G1 Аккумуляторная батарея
- G2 Генератор
- G3 Генератор дополнительный
- G5 Преобразователь напряжения 24/12В
- Н1.1, Н1.2 Габаритный фонарь встроенный в фару дальнего света
- Н1.3, Н1.4 Передний верхний позиционный фонарь
- Н2.1, Н2.3, Н2.5, Н2.7, Н2.2, Н2.4, Н2.6, Н2.8 Боковые маркерные фонари 1-й секции
- Н2.9, Н2.11, Н2.13, Н2.15, Н2.10, Н2.12, Н2.14, Н2.16 Боковые маркерные фонари 2-й секции
- H3.1, H3.2 Задний верхний позиционный фонарь
- Н4.1, Н4.3, Н4.2, Н4.4 Фонари освещения сочленения
- Н5.1, Н5.2 Фонари подсветки номерного знака
- Н6.1, Н6.2, Н6.3 Фонари знака автопоезда
- HА1.1, НА1.2 Звуковые сигналы
- НА3 Звуковой сигнал при движении задним ходом
- НАз Звуковой сигнал при закрытии двери
- M1 Стартер
- M2,1, М2.2 Электродвигатели вентиляторов отопителей салона 1-й секции
- M3.1...М3.3 Электродвигатели вентиляторов отопителей салона 2-й секции
- M4.1...М4.5 Электродвигатель крышных вентиляторов салона
- M6 Блок электродвигателей отопителя места водителя
- M7 Электродвигатель моторедуктора стеклоочистителя
- M10 Электродвигатель крышного вентилятора рабочего места водителя
- M12 Электродвигатель заслоники отопителя места водителя
- M13 Электродвигатель стеклоомывателя
- M14 Электродвигатель циркуляционного насоса ПЖД
- M15 Электродвигатель топливного насоса дополнительного ПЖД
- M90 Электродвигатель дополнительного вентилятора моторного отсека
- M250 Электродвигатель насоса подачи реактива Adblue системы SCR двигателя
- Q1 Замок зажигания
- Q2 Контактор коммутации клеммы «15»
- RT1.1, RT1.2 Обогрев зеркала заднего вида
- RT2 Обогрев бокового стекла водителя
- RT3.2, RT3.3 Обогрев стекла информационного табло
- RT4 Нагревательный элемент осушителя воздуха
- RT5 Нагревательный элемент обогрева топливного фильтра
- RT8 Нагревательный элемент предпускового подогрева наддувочного воздуха
- S1 Переключатель ближнего / дальнего света фар / поворотов / звукового сигнала
- S2 Подрулевой переключатель стеклоочистителя / стеклоомывателя / звукового сигнала
- S3 Главный переключатель света
- S5 Концевой выключатель предельного угла складывания 2-й секции
- S23 Тумблер разблокировки остановочного тормоза
- S92.1 Датчики положения трапа 1-й секции
- S92.2 Датчики положения трапа 2-й секции
- S93.1 Наружная кнопка требования трапа 1-й секции
- S93.2 Наружная кнопка требования трапа 2-й секции
- S94.1 Внутренняя кнопка требования трапа 1-й секции
- S94.2 Внутренняя кнопка требования трапа 2-й секции
- S95.1-S95.4 Датчики износа тормозных накладок 1-й секции
- S95.5, S95.6 Датчики износа тормозных накладок 2-й секции
- S96 Управление независимым воздушным отопителем
- S98 Переключатель режимов работы
- Sо1 Концевой выключатель открытия 1-й дверной створки
- Sо2 Концевой выключатель открытия 2-й дверной створки
- Sт1, Sт2 Кнопки требования остановки пассажирами
- Sи Кнопки требования остановки у приоритетных сидений
- Sов Наружная кнопка открытия двери водителя
- U1 Преобразователь 24/12 B
- XD1 Разъем OBD II
- X0.1 Болт массы отсека АКБ
- X0.2 Болт массы передка правый
- X0.3 Болт массы передка левый
- X0.41 Болт массы отсека диагностики левый
- X0.42 Болт массы отсека диагностики правый
- Х0.5 Болт массы в воздушном канале над блоком коммутациии
- Х0.6 Болт массы над первой дверью
- Х0.7 Болт массы над второй дверью
- Х0.8 Болт массы в воздушном канале 1-й секции у сочленения
- Х0.81 Болт массы над третьей дверью
- Х0.9 Болт массы над моторным отсеком
- Х0.10 Болт массы в воздушном канале 2-й секции у сочленения
- Х0.11 Болт массы двигателя
- Х0.12 Болт массы над четвертой дверью
- Х0.13 Болт массы задка левый
- Х0.14 Болт массы над пятой дверью
- Х0.16 Болт массы задка правый
- ХТ1.1 Болт массы главного блока коммутации
- ХТ1.2 Болт массы блока коммутации передка
- ХТ3.1 Болт клеммы «+30» блока коммутации главного
- ХТ3.2 Болт клеммы «+30» блока коммутации передка
- ХТ4.1 Болт клеммы «+15» блока коммутации главного
- ХТ4.2 Болт клеммы «+15» блока коммутации передка
- Y1 Электромагнитный клапан пневмоподвески сидения водителя
- Y2.1 Электромагнитный клапан магистрали остановочного тормоза 1-й секции
- Y2.2 Электромагнитный клапан магистрали остановочного тормоза 2-й секции
- Y3.1 Электромагнитный клапан магистрали «книлинга» передней оси
- Y3.2, Y3.3 Электромагнитный клапан магистрали «книлинга» ведущего моста
- Y3.4, Y3.5 Электромагнитный клапан магистрали «книлинга» дополнительной оси
- Y4.1 Электромагнитный клапан магистрали подъема передней оси
- Y4.2 Электромагнитный клапан магистрали подъема ведущего моста
- Y4.3 Электромагнитный клапан магистрали подъема дополнительной оси
- Y5 Электромагнитный клапан контура быстрого прогрева двигателя
- Y6.1 Электромагнитный клапан контура системы отопления рабочего места водителя
- Y6.2 Электромагнитный клапан контура системы отопления салона
- Y9 Электромагнитный клапан электродвигателя насоса контура гидропривода вентилятора
- Y10 Электромагнитный клапан ASR системы ABS
- Y11.1, Y11.2 Электромагнитный клапан модулятора передней оси системы ABS
- Y12.1, Y12.2 Электромагнитный клапан модулятора ведущего моста системы ABS
- Y13.1, Y13.2 Электромагнитный клапан модулятора дополнительной оси системы ABS
- Y15 Импульсный топливный насос подогревателя жидкости 2-й секции
- Y106 Электромагнитный клапан дозировки реактива Adblue системы SCR двигателя
- Yо Электромагнитный клапан открытия служебной двери
- Yз Электромагнитный клапан закрытия служебной двери
- Yб Электромагнитный клапан блокировки салонного крана аварийного открытия двери
- Yов Электромагнитный клапан открытия водительской двери
- Yзв Электромагнитный клапан закрытия водительской двери
Перечень предохранителей
- F1 60А Питание электрооборудования «+30»
- F2 60А Питание электрооборудования «+15»
- F5 100А Питание предпускового подогрева двигателя
- FU2 10А Питание «+15»блоков управления ADM, PLD двигателя
- FU5 7.5А Питание вентиляторов отопителей салона 1-й секции (1-я скорость)
- FU6 7.5А Питание вентиляторов отопителей салона 1-й секции (2-я скорость)
- FU7 7.5А Резерв (питание вентиляторов отопителей салона 1-й секции (1-я скорость))
- FU8 7.5А Резерв (питание вентиляторов отопителей салона 1-й секции (2-я скорость))
- FU9 7.5А, FU11 7.5А Питание вентиляторов отопителей салона 2-й секции (1-я скорость)
- FU10 7.5А, FU12 7.5А Питание вентиляторов отопителей салона 2-й секции (2-я скорость)
- FU13 15А Питание крышных вентиляторов салона 1-й секции
- FU14 7.5А Питание крышных вентиляторов салона 2-й секции
- FU15 10А Питание блока управления А3.7
- FU16 15А Питание блока управления А3.8
- FU17 7.5А Питание блока управления А3.9
- FU20 5А Питание блока управления А3.12
- FU23 5А Резерв (питание управления независимым воздушным отопителем)
- FU24 10А Питание независимого воздушного отопителя
- FU25 15А Питание блока управления ПЖД дополнительного "Eberspacher"
- FU26 15А Питание блока управления ПЖД
- FU27 15А Питание блока управления ПЖД
- FU28 25А Питание обогрева топливного фильтра
- FU29 7.5А Питание нагревательного элемента осушителя воздуха
- FU30 10А Питание освещения моторного отсека
- FU33 15А Питание блока управления А3.12
- FU34 5А Питание «+15» блока управления ABS
- FU35 20А Питание «+30» блока управления ABS «Knorr-Bremse»
- FU36 15А Питание «+30» блока управления ABS «Wabco»
- FU37 7.5А Питание блока управления ГМП, датчика педали тормоза, датчика давления в магистрали тормозов ведущего моста «ZF»
- FU38 7.5А Питание «+15» ГМП
- FU39 10А Питание «+30» ГМП
- FU40 5А Питание «+15» блока управления гидроприводом вентилятора
- FU41 10А Питание «+30» блока управления гидроприводом вентилятора
- FU43 15А Питание дополнительного вентилятора моторного отсека
- FU49 10А Питание «+30» блока управления ADM двигателя
- FU50 25А Питание «+30» блока управления PLD двигателя
- FU51 15А Питание «+30» блока управления системы SCR двигателя
- FU52 10А Питание «+15» блока управления системы SCR двигателя
- FU60 5А Питание щитка приборов
- FU61 5А Питание мембранной панели управления правой
- FU62 5А Питание мембранной панели управления левой
- FU64 15А Питание блока управления А3.1
- FU65 15А Питание блока управления А3.2
- FU66 10А Питание «+30» разъема OBD
- FU67 10А Питание «+15» разъема OBD
- FU70 15А Питание вентиляторов отопителя места водителя (3-я скорость)
- FU71 10А Питание вентиляторов отопителя места водителя (2-я скорость)
- FU72 7.5А Питание вентиляторов отопителя места водителя (1-я скорость)
- FU73 10А Питание моторедуктора стеклоочистителя
- FU74 10А Питание звукового сигнала
- FU81 5А Питание знака автопоезда
- FU82 15А Питание блока управления А3.6
- FU85 5А Питание освещения места водителя
- FU86 5А Питание крышного вентилятора места водителя
Перечень реле
- K1 Пуск стартера
- K2 Отключение питания «+15» с блока управления двигателем
- К6 Включение вентиляторов отопителей салона 1-й секции (1-я скорость)
- К7 Включение вентиляторов отопителей салона 1-й секции (2-я скорость)
- К8 Включение вентиляторов отопителей салона 2-й секции (1-я скорость)
- К9 Включение вентиляторов отопителей салона 2-й секции (1-я скорость)
- К10 Включение крышных вентиляторов салона
- К11 Включение освещения салона (1-я ступень)
- К12 Включение освещения салона (2-я ступень)
- К20 Включение вентиляторов отопителя места водителя (3-я скорость)
- К21 Включение вентиляторов отопителя места водителя (2-я скорость)
- К22 Включение вентиляторов отопителя места водителя (1-я скорость)
- К23 Останов моторедуктора стеклоочистителя
- К24 Включение 1-й, 2-й скоростей моторедуктора стеклоочистителя
- К25 Включение звуковых сигналов
- К27 Резерв (включение освещение места водителя)
- К28 Включение крышного вентилятора рабочего места водителя (режим вытяжки воздуха)
- К29 Включение крышного вентилятора рабочего места водителя (режим нагнетания воздуха)
- К40 Включение дополнительного вентилятора моторного отсека
ПРИМЕРЫ ЭЛЕКТРОСХЕМ
Система электропитания автобуса, розетка 12 В




Все схемы в высоком качестве - доступны только пользователям


