Электрическая схема крана КС-55727
ПЕРЕЧЕНЬ ЭЛЕКТРОСХЕМ
- Схема электрическая соединений крана КС-55727-1
- Схема электрическая принципиальная крана КС-55727-5
- Схема электрическая соединений крана КС-55727-5
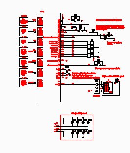
Схема электрическая принципиальная кранов
- КС-5727-7 (исполнения КС-55727-7-12, КС-55727-7-13),
- КС-77727-8(исполнения КС-55727-8-12),
- КС-55727-9 (исполнения КС-55727-9-12),
- КС-55727-А (исполнение КС-55727-А-13),
- КС-55727-D (исполнение КС-55727-D-13),
- КС-55727-E (исполнение КС-55727-E-13):
(исполнение КС-55727-7-12
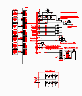
Схема электрическая принципиальная кранов
- КС-5727-7 (исполнения КС-55727-7-22, КС-55727-7-23),
- КС-77727-8(исполнение КС-55727-8-22),
- КС-55727-9 (исполнение КС-55727-9-22),
- КС-55727-А (исполнение КС-55727-А-23),
- КС-55727-D (исполнение КС-55727-D-23),
- КС-55727-E (исполнение КС-55727-E-23)(
Щиток приборов в кабине водителя
Щиток приборов в кабине машиниста
Токосъемник
Ограничитель подъема крюка
Ограничитель нагрузки
БОИ
Блок индикации
Указатель угла наклона крана
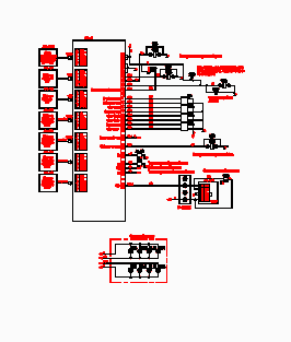
Схема электрическая принципиальная крана КС-55727-1





Все схемы в высоком качестве - смотрите в

