См. также:
Конструктивная группа, модули и блоки управления
- Цветовая маркировка проводов -
- bl Синий
- br Коричневый
- ge Жёлтый
- gn Зелёный
- gr Серый
- rs Розовый
- rt Красный
- sw Чёрный
- vi Фиолетовый
- ws Белый
- tk Бирюзовый (бензин)
- or Оранжевый
- tr Световое табло
А1: Держатель предохранителя

- А1: Держатель предохранителя
- А7: Блок управления Базовый модуль GM
- А32: Кронштейн реле
- F1-A1: Предохранитель
- F24-A7: Предохранитель
- К2-А7: Реле 'клемма D+'
- К4-А32: Реле 'Клемма 15'
- R14: Обогрев фильтра Racor
- R18: Обогрев АКБ
- S132: Выключатель 'Обогрев АКБ'
- Х4.1: Штекерное соединение 'Плата штекеров - Кабина водителя шасси'
- Х5.1: Штекерное соединение 'Плата штекеров - Кабина водителя шасси'
- Y100: Электромагнитный клапан 'Двухкамерный влагоотделитель'
А1: Держатель предохранителя

- А1: Держатель предохранителя
- А2: Держатель предохранителя
- А7: Блок управления Базовый модуль GM
- А20: Блок управления RS управление тормозом-замедлителем (ретардером)
- А22: Блок управления PSM параметрируемый спецмодуль
- F4-A2: Предохранитель
- F7-A7: Предохранитель
- F13-A1: Предохранитель
- Т2: 24/12V Трансформатор
- (443): Telma
- (766): В случае сцепления с гидротрансформатором (WSK) с тормозом-замедлителем (ретардером)
- (767): В случае тормоза-замедлителя (ретардера) Voith и тормоза-замедлителя (ретардера) Telma с жидкостным охлаждением
А1: Держатель предохранителя

- А1: Держатель предохранителя
- А4: Блок управления FLA электрофакельный подогреватель воздуха
- А7: Блок управления Базовый модуль GM
- А8: Сиденье водителя с демпфирующей подвеской
- А20: Блок управления RS управление тормозом-замедлителем (ретардером)
- А22: Блок управления PSM параметрируемый спецмодуль
- А61: Блок управления Стояночный кондиционер
- А62: Блок управления SPA ассистент помощи движения по полосе
- А72: Блок управления EHZ электронно-гидравлический дополнительный рулевой привод
- F5-A1: Предохранитель
- F6-A1: Предохранитель
- F9-A1: Предохранитель
- F10-A1: Предохранитель
- F12-A1: Предохранитель
- F14-A1: Предохранитель
- F26-A7: Предохранитель
- К4-А7: Реле 'Клемма 15'
- М14: Электромотор солнцезащитного козырька со стороны водителя
- М15: Электромотор солнцезащитного козырька со стороны переднего пассажира
- Х42: Плафон освещения моторного отсека
- Х55: Штекерное соединение 'Борт грузовой платформы'
- (765): В случае тормоза-замедлителя (ретардера) Voith и тормоза-замедлителя (ретардера) Telma с жидкостным охлаждением
- (766): В случае сцепления с гидротрансформатором (WSK) с тормозом-замедлителем (ретардером)
А2: Держатель предохранителя

- А1: Держатель предохранителя
- А2: Держатель предохранителя
- А7: Блок управления Базовый модуль GM
- А20: Блок управления RS управление тормозом-замедлителем (ретардером)
- А22: Блок управления PSM параметрируемый спецмодуль
- F4-A2: Предохранитель
- F7-A7: Предохранитель
- F13-A1: Предохранитель
- Т2: 24/12V Трансформатор
- (443): Telma
- (766): В случае сцепления с гидротрансформатором (WSK) с тормозом-замедлителем (ретардером)
- (767): В случае тормоза-замедлителя (ретардера) Voith и тормоза-замедлителя (ретардера) Telma с жидкостным охлаждением
А2: Держатель предохранителя

- А1: Держатель предохранителя
- А4: Блок управления FLA электрофакельный подогреватель воздуха
- А7: Блок управления Базовый модуль GM
- А8: Сиденье водителя с демпфирующей подвеской
- А20: Блок управления RS управление тормозом-замедлителем (ретардером)
- А22: Блок управления PSM параметрируемый спецмодуль
- А61: Блок управления Стояночный кондиционер
- А62: Блок управления SPA ассистент помощи движения по полосе
- А72: Блок управления EHZ электронно-гидравлический дополнительный рулевой привод
- F5-A1: Предохранитель
- F6-A1: Предохранитель
- F9-A1: Предохранитель
- F10-A1: Предохранитель
- F12-A1: Предохранитель
- F14-A1: Предохранитель
- F26-A7: Предохранитель
- К4-А7: Реле 'Клемма 15'
- М14: Электромотор солнцезащитного козырька со стороны водителя
- М15: Электромотор солнцезащитного козырька со стороны переднего пассажира
- Х42: Плафон освещения моторного отсека
- Х55: Штекерное соединение 'Борт грузовой платформы'
- (765): В случае тормоза-замедлителя (ретардера) Voith и тормоза-замедлителя (ретардера) Telma с жидкостным охлаждением
- (766): В случае сцепления с гидротрансформатором (WSK) с тормозом-замедлителем (ретардером)
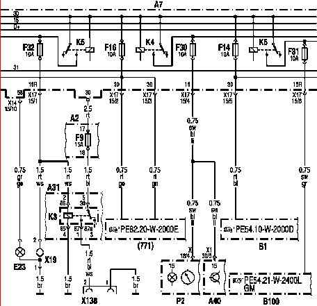
А2: Держатель предохранителя

- А2: Держатель предохранителя
- А7: Блок управления Базовый модуль GM
- А31: Кронштейн реле
- А40: Блок управления SRS система удержания пассажиров
- В100: Датчик внутрисалонной температуры
- Е23: Освещение пепельницы для водителя
- F9-A2: Предохранитель
- F14-A7: Предохранитель
- F16-A7: Предохранитель
- F30-A7: Предохранитель
- F31-A7: Предохранитель
- F32-A7: Предохранитель
- K3-A31: Реле 'Розетка 24 В'
- К4-А7: Реле 'Клемма 15'
- К5-А7: Реле 'клемма 15R'
- Р2: INS комбинация приборов
- S1: Замок зажигания
- Х19: Прикуриватель для водителя
- Х138: Розетка 24 В
- (771): Внутрисалонное освещение
АЗ: Блок управления FR система управления движением (FMR)

- АЗ: Блок управления FR система управления движением
- А4: Блок управления FLA электрофакельный подогреватель воздуха
- А7: Блок управления Базовый модуль GM
- А11 : Блок управления BS управление тормозной системой
- А12а0: Панель управления отопителем
- А12а1: Блок управления HZR регулирование отопления
- А1б: Блок управления GS управление переключением передач
- А20: Блок управления RS управление тормозом-замедлителем (ретардером)
- А22: Блок управления PSM параметрируемый спецмодуль
- А88: Блок управления RDK система контроля давления в шинах
- Х2.1: Штекерное соединение 'Плата штекеров - Кабина водителя - шасси'
- (766): В случае сцепления с гидротрансформатором (WSK) с тормозом-замедлителем (ретардером)
- (767): В случае тормоза-замедлителя (ретардера) Voith и тормоза-замедлителя (ретардера) Telma с жидкостным охлаждением
АЗ: Блок управления FR система управления движением (FMR)

- АЗ: Блок управления FR система управления движением
- А7: Блок управления Базовый модуль GM
- A11: Блок управления BS управление тормозной системой
- А22: Блок управления PSM параметрируемый спецмодуль
- CAN1: Шина CAN а/м
- Р2: INS комбинация приборов
- (312): Провода скручены.
АЗ: Блок управления FR система управления движением (FMR)

- А2: Держатель предохранителя
- А7: Блок управления Базовый модуль GM
- А31: Кронштейн реле
- А40: Блок управления SRS система удержания пассажиров
- В100: Датчик внутрисалонной температуры
- Е23: Освещение пепельницы для водителя
- F9-A2: Предохранитель
- F14-A7: Предохранитель
- F16-A7: Предохранитель
- F30-A7: Предохранитель
- F31-A7: Предохранитель
- F32-A7: Предохранитель
- K3-A31: Реле 'Розетка 24 В'
- К4-А7: Реле 'Клемма 15'
- К5-А7: Реле 'клемма 15R'
- Р2: INS комбинация приборов
- S1: Замок зажигания
- Х19: Прикуриватель для водителя
- Х138: Розетка 24 В
- (771): Внутрисалонное освещение
А4: Блок управления FLA электрофакельный подогреватель воздуха

- АЗ: Блок управления FR система управления движением
- А4: Блок управления FLA электрофакельный подогреватель воздуха
- А7: Блок управления Базовый модуль GM
- A11: Блок управления BS управление тормозной системой
- А12а0: Панель управления отопителем
- А12а1: Блок управления HZR регулирование отопления
- А1б: Блок управления GS управление переключением передач
- А20: Блок управления RS управление тормозом-замедлителем (ретардером)
- А22: Блок управления PSM параметрируемый спецмодуль
- А88: Блок управления RDK система контроля давления в шинах
- Х2.1: Штекерное соединение 'Плата штекеров - Кабина водителя - шасси'
- (766): В случае сцепления с гидротрансформатором (WSK) с тормозом-замедлителем (ретардером)
- (767): В случае тормоза-замедлителя (ретардера) Voith и тормоза-замедлителя (ретардера) Telma с жидкостным охлаждением
А4: Блок управления FLA электрофакельный подогреватель воздуха

- А1: Держатель предохранителя
- А4: Блок управления FLA электрофакельный подогреватель воздуха
- А7: Блок управления Базовый модуль GM
- А8: Сиденье водителя с демпфирующей подвеской
- А20: Блок управления RS управление тормозом-замедлителем (ретардером)
- А22: Блок управления PSM параметрируемый спецмодуль
- А61: Блок управления Стояночный кондиционер
- А62: Блок управления SPA ассистент помощи движения по полосе
- А72: Блок управления EHZ электронно-гидравлический дополнительный рулевой привод
- F5-A1: Предохранитель
- F6-A1: Предохранитель
- F9-A1: Предохранитель
- F10-A1: Предохранитель
- F12-A1: Предохранитель
- F14-A1: Предохранитель
- F26-A7: Предохранитель
- К4-А7: Реле 'Клемма 15'
- М14: Электромотор солнцезащитного козырька со стороны водителя
- М15: Электромотор солнцезащитного козырька со стороны переднего пассажира
- Х42: Плафон освещения моторного отсека
- Х55: Штекерное соединение 'Борт грузовой платформы'
- (765): В случае тормоза-замедлителя (ретардера) Voith и тормоза-замедлителя (ретардера) Telma с жидкостным охлаждением
- (766): В случае сцепления с гидротрансформатором (WSK) с тормозом-замедлителем (ретардером)
Аб: Блок управления MR система управления двигателем

- Аб: Блок управления MR система управления двигателем
- А7: Блок управления Базовый модуль GM
- А1б: Блок управления GS управление переключением передач
- В47: Датчик температуры масла КП
- F4-A7: Предохранитель
- F20-A7: Предохранитель
- F21-A7: Предохранитель
- G2: Генератор
- КЗ-А7: Реле 'Клемма 15'
- S23: Выключатель обратной связи 'Механизм отбора мощности 1'
- S80: Выключатель обратной связи 'Механизм отбора мощности 3'
- Х29: Штекерное соединение для КП
- Х38: Штекерное соединение 'Механизм отбора мощности'
- Y46: Электромагнитный клапан 'Механизм отбора мощности 1'
- Y48: Электромагнитный клапан 'Механизм отбора мощности 3'
А8: Сиденье водителя с демпфирующей подвеской

- А1: Держатель предохранителя
- А4: Блок управления FLA электрофакельный подогреватель воздуха
- А7: Блок управления Базовый модуль GM
- А8: Сиденье водителя с демпфирующей подвеской
- А20: Блок управления RS управление тормозом-замедлителем (ретардером)
- А22: Блок управления PSM параметрируемый спецмодуль
- А61: Блок управления Стояночный кондиционер
- А62: Блок управления SPA ассистент помощи движения по полосе
- А72: Блок управления EHZ электронно-гидравлический дополнительный рулевой привод
- F5-A1: Предохранитель
- F6-A1: Предохранитель
- F9-A1: Предохранитель
- F10-A1: Предохранитель
- F12-A1: Предохранитель
- F14-A1: Предохранитель
- F26-A7: Предохранитель
- К4-А7: Реле 'Клемма 15'
- М14: Электромотор солнцезащитного козырька со стороны водителя
- М15: Электромотор солнцезащитного козырька со стороны переднего пассажира
- Х42: Плафон освещения моторного отсека
- Х55: Штекерное соединение 'Борт грузовой платформы'
- (765): В случае тормоза-замедлителя (ретардера) Voith и тормоза-замедлителя (ретардера) Telma с жидкостным охлаждением
- (766): В случае сцепления с гидротрансформатором (WSK) с тормозом-замедлителем (ретардером)
А9: Аудиомодуль

- А7: Блок управления Базовый модуль GM
- А9: Аудиомодуль
- А12а0: Панель управления отопителем
- А12а1: Блок управления HZR регулирование отопления
- CAN9: Шина CAN телематики
- F13-A7: Предохранитель
- F27-A7: Предохранитель
- К4-А7: Реле 'Клемма 15'
- S43: Выключатель кондиционера
- Х124.2: Штекерное соединение 'Крыша' со стороны водителя
- Х125.2: Штекерное соединение 'Крыша' со стороны переднего пассажира
- Х126: Штекерное соединение 'Телематика'
- (312): Провода скручены.
- (756): Провод пробуждения
А9: Аудиомодуль

- А7: Блок управления Базовый модуль GM
- А9: Аудиомодуль
- А87: Система громкой связи
- CAN2: Шина CAN салона
- F13-A7: Предохранитель
- F31-A7: Предохранитель
- К4-А31: Реле 'клемма 15R (12V)'
- К5-А7: Реле 'клемма 15R'
- Х124.2: Штекерное соединение 'Крыша' со стороны водителя
- Х125.2: Штекерное соединение 'Крыша' со стороны переднего пассажира
- Х126: Штекерное соединение 'Телематика'
- (312): Провода скручены.
А9.1: (12 V) Аудиомодуль

- А7: Блок управления Базовый модуль GM
- А9.1: (12 V) Аудиомодуль
- А12а0: Панель управления отопителем
- Е23: Освещение пепельницы для водителя
- F32-A7: Предохранитель
- К5-А7: Реле 'клемма 15R'
- М3: Электромотор стеклоочистителя
- S144: Левая группа клавиш многофункционального руля
- S145: Правая группа клавиш многофункционального руля
- Х19: Прикуриватель для водителя
- Х124.2: Штекерное соединение 'Крыша' со стороны водителя
- Х138: Розетка 24 В
АН : Блок управления BS управление тормозной системой

- АЗ: Блок управления FR система управления движением
- А4: Блок управления FLA электрофакельный подогреватель воздуха
- А7: Блок управления Базовый модуль GM
- А11: Блок управления BS управление тормозной системой
- А12а0: Панель управления отопителем
- А12а1: Блок управления HZR регулирование отопления
- А1б: Блок управления GS управление переключением передач
- А20: Блок управления RS управление тормозом-замедлителем (ретардером)
- А22: Блок управления PSM параметрируемый спецмодуль
- А88: Блок управления RDK система контроля давления в шинах
- Х2.1: Штекерное соединение 'Плата штекеров - Кабина водителя - шасси'
- (766): В случае сцепления с гидротрансформатором (WSK) с тормозом-замедлителем (ретардером)
- (767): В случае тормоза-замедлителя (ретардера) Voith и тормоза-замедлителя (ретардера) Telma с жидкостным охлаждением
A ll: Блок управления BS управление тормозной системой

- АЗ: Блок управления FR система управления движением
- А7: Блок управления Базовый модуль GM
- A11: Блок управления BS управление тормозной системой
- А22: Блок управления PSM параметрируемый спецмодуль
- CAN1: Шина CAN а/м
- Р2: INS комбинация приборов
- (312): Провода скручены.
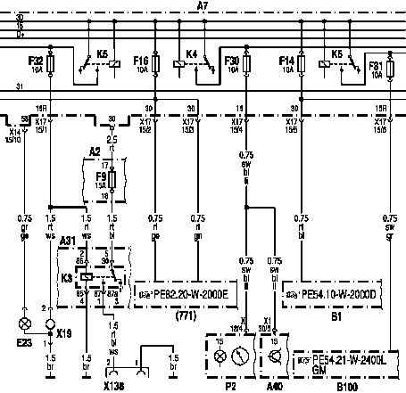
A ll: Блок управления BS управление тормозной системой

- А2: Держатель предохранителя
- А7: Блок управления Базовый модуль GM
- А31: Кронштейн реле
- А40: Блок управления SRS система удержания пассажиров
- В100: Датчик внутрисалонной температуры
- Е23: Освещение пепельницы для водителя
- F9-A2: Предохранитель
- F14-A7: Предохранитель
- F16-A7: Предохранитель
- F30-A7: Предохранитель
- F31-A7: Предохранитель
- F32-A7: Предохранитель
- K3-A31: Реле 'Розетка 24 В'
- К4-А7: Реле 'Клемма 15'
- К5-А7: Реле 'клемма 15R'
- Р2: INS комбинация приборов
- S1: Замок зажигания
- Х19: Прикуриватель для водителя
- Х138: Розетка 24 В
- (771): Внутрисалонное освещение
А12а0: Панель управления отопителем

- А7: Блок управления Базовый модуль GM
- А12а0: Панель управления отопителем
- А12а1: Блок управления HZR регулирование отопления
- CAN2: Шина CAN салона
- F2-A7: Предохранитель
- F15-A7: Предохранитель
- F27-A7: Предохранитель
- К4-А7: Реле 'Клемма 15'
- S43: Выключатель кондиционера
- Х125.2: Штекерное соединение 'Крыша' со стороны переднего пассажира
- Х126: Штекерное соединение 'Телематика'
- (312): Провода скручены.
А12а0: Панель управления отопителем

- А7: Блок управления Базовый модуль GM
- А9: Аудиомодуль
- А12а0: Панель управления отопителем
- А12а1: Блок управления HZR регулирование отопления
- CAN9: Шина CAN телематики
- F13-A7: Предохранитель
- F27-A7: Предохранитель
- К4-А7: Реле 'Клемма 15'
- S43: Выключатель кондиционера
- Х124.2: Штекерное соединение 'Крыша' со стороны водителя
- Х125.2: Штекерное соединение 'Крыша' со стороны переднего пассажира
- Х126: Штекерное соединение 'Телематика'
- (312): Провода скручены.
- (756): Провод пробуждения
А12а0: Панель управления отопителем

- АЗ: Блок управления FR система управления движением
- А4: Блок управления FLA электрофакельный подогреватель воздуха
- А7: Блок управления Базовый модуль GM
- A11: Блок управления BS управление тормозной системой
- А12а0: Панель управления отопителем
- А12а1: Блок управления HZR регулирование отопления
- А1б: Блок управления GS управление переключением передач
- А20: Блок управления RS управление тормозом-замедлителем (ретардером)
- А22: Блок управления PSM параметрируемый спецмодуль
- А88: Блок управления RDK система контроля давления в шинах
- Х2.1: Штекерное соединение 'Плата штекеров - Кабина водителя
- шасси'
- (766): В случае сцепления с гидротрансформатором (WSK) с тормозом-замедлителем (ретардером)
- (767): В случае тормоза-замедлителя (ретардера) Voith и тормоза-замедлителя (ретардера) Telma с жидкостным охлаждением
А12а0: Панель управления отопителем

- А7: Блок управления Базовый модуль GM
- А9.1: (12 V) Аудиомодуль
- А12а0: Панель управления отопителем
- Е23: Освещение пепельницы для водителя
- F32-A7: Предохранитель
- К5-А7: Реле 'клемма 15R'
- М3: Электромотор стеклоочистителя
- S144: Левая группа клавиш многофункционального руля
- S145: Правая группа клавиш многофункционального руля
- Х19: Прикуриватель для водителя
- Х124.2: Штекерное соединение 'Крыша' со стороны водителя
- Х138: Розетка 24 В
А12а0: Панель управления отопителем

- А2: Держатель предохранителя
- А7: Блок управления Базовый модуль GM
- А31: Кронштейн реле
- А40: Блок управления SRS система удержания пассажиров
- В100: Датчик внутрисалонной температуры
- Е23: Освещение пепельницы для водителя
- F9-A2: Предохранитель
- F14-A7: Предохранитель
- F16-A7: Предохранитель
- F30-A7: Предохранитель
- F31-A7: Предохранитель
- F32-A7: Предохранитель
- K3-A31: Реле 'Розетка 24 В'
- К4-А7: Реле 'Клемма 15'
- К5-А7: Реле 'клемма 15R'
- Р2: INS комбинация приборов
- S1: Замок зажигания
- Х19: Прикуриватель для водителя
- Х138: Розетка 24 В
- (771): Внутрисалонное освещение
А12а1: Блок управления HZR регулирование отопления

- А7: Блок управления Базовый модуль GM
- А12а0: Панель управления отопителем
- А12а1: Блок управления HZR регулирование отопления
- CAN2: Шина CAN салона
- F2-A7: Предохранитель
- F15-A7: Предохранитель
- F27-A7: Предохранитель
- К4-А7: Реле 'Клемма 15'
- S43: Выключатель кондиционера
- Х125.2: Штекерное соединение 'Крыша' со стороны переднего пассажира
- Х126: Штекерное соединение 'Телематика'
- (312): Провода скручены.
А12а1: Блок управления HZR регулирование отопления

- А7: Блок управления Базовый модуль GM
- А9: Аудиомодуль
- А12а0: Панель управления отопителем
- А12а1: Блок управления HZR регулирование отопления
- CAN9: Шина CAN телематики
- F13-A7: Предохранитель
- F27-A7: Предохранитель
- К4-А7: Реле 'Клемма 15'
- S43: Выключатель кондиционера
- Х124.2: Штекерное соединение 'Крыша' со стороны водителя
- Х125.2: Штекерное соединение 'Крыша' со стороны переднего пассажира
- Х126: Штекерное соединение 'Телематика'
- (312): Провода скручены.
- (756): Провод пробуждения
А12а1: Блок управления HZR регулирование отопления

- АЗ: Блок управления FR система управления движением
- А4: Блок управления FLA электрофакельный подогреватель воздуха
- А7: Блок управления Базовый модуль GM
- A11: Блок управления BS управление тормозной системой
- А12а0: Панель управления отопителем
- А12а1: Блок управления HZR регулирование отопления
- А1б: Блок управления GS управление переключением передач
- А20: Блок управления RS управление тормозом-замедлителем (ретардером)
- А22: Блок управления PSM параметрируемый спецмодуль
- А88: Блок управления RDK система контроля давления в шинах
- Х2.1: Штекерное соединение 'Плата штекеров - Кабина водителя - шасси'
- (766): В случае сцепления с гидротрансформатором (WSK) с тормозом-замедлителем (ретардером)
- (767): В случае тормоза-замедлителя (ретардера) Voith и тормоза-замедлителя (ретардера) Telma с жидкостным охлаждением
А12а1: Блок управления HZR регулирование отопления

- А2: Держатель предохранителя
- А7: Блок управления Базовый модуль GM
- А31: Кронштейн реле
- А40: Блок управления SRS система удержания пассажиров
- В100: Датчик внутрисалонной температуры
- Е23: Освещение пепельницы для водителя
- F9-A2: Предохранитель
- F14-A7: Предохранитель
- F16-A7: Предохранитель
- F30-A7: Предохранитель
- F31-A7: Предохранитель
- F32-A7: Предохранитель
- K3-A31: Реле 'Розетка 24 В'
- К4-А7: Реле 'Клемма 15'
- К5-А7: Реле 'клемма 15R'
- Р2: INS комбинация приборов
- S1: Замок зажигания
- Х19: Прикуриватель для водителя
- Х138: Розетка 24 В
- (771): Внутрисалонное освещение
А16: Блок управления GS управление переключением передач

- АЗ: Блок управления FR система управления движением
- А4: Блок управления FLA электрофакельный подогреватель воздуха
- А7: Блок управления Базовый модуль GM
- A11: Блок управления BS управление тормозной системой
- А12а0: Панель управления отопителем
- А12а1: Блок управления HZR регулирование отопления
- А1б: Блок управления GS управление переключением передач
- А20: Блок управления RS управление тормозом-замедлителем (ретардером)
- А22: Блок управления PSM параметрируемый спецмодуль
- А88: Блок управления RDK система контроля давления в шинах
- Х2.1: Штекерное соединение 'Плата штекеров - Кабина водителя - шасси'
- (766): В случае сцепления с гидротрансформатором (WSK) с тормозом-замедлителем (ретардером)
- (767): В случае тормоза-замедлителя (ретардера) Voith и тормоза-замедлителя (ретардера) Telma с жидкостным охлаждением
А16: Блок управления GS управление переключением передач

- А2: Держатель предохранителя
- А7: Блок управления Базовый модуль GM
- А31: Кронштейн реле
- А40: Блок управления SRS система удержания пассажиров
- В100: Датчик внутрисалонной температуры
- Е23: Освещение пепельницы для водителя
- F9-A2: Предохранитель
- F14-A7: Предохранитель
- F16-A7: Предохранитель
- F30-A7: Предохранитель
- F31-A7: Предохранитель
- F32-A7: Предохранитель
- K3-A31: Реле 'Розетка 24 В'
- К4-А7: Реле 'Клемма 15'
- К5-А7: Реле 'клемма 15R'
- Р2: INS комбинация приборов
- S1: Замок зажигания
- Х19: Прикуриватель для водителя
- Х138: Розетка 24 В
- (771): Внутрисалонное освещение
А16: Блок управления GS управление переключением передач

- Аб: Блок управления MR система управления двигателем
- А7: Блок управления Базовый модуль GM
- А1б: Блок управления GS управление переключением передач
- В47: Датчик температуры масла КП
- F4-A7: Предохранитель
- F20-A7: Предохранитель
- F21-A7: Предохранитель
- G2: Генератор
- КЗ-А7: Реле 'Клемма 15'
- S23: Выключатель обратной связи 'Механизм отбора мощности 1'
- S80: Выключатель обратной связи 'Механизм отбора мощности 3'
- Х29: Штекерное соединение для КП
- Х38: Штекерное соединение 'Механизм отбора мощности'
- Y46: Электромагнитный клапан 'Механизм отбора мощности 1'
- Y48: Электромагнитный клапан 'Механизм отбора мощности 3'
А20: Блок управления RS управление тормозом-замедлителем (ретардером)

- АЗ: Блок управления FR система управления движением
- А4: Блок управления FLA электрофакельный подогреватель воздуха
- А7: Блок управления Базовый модуль GM
- A11: Блок управления BS управление тормозной системой
- А12а0: Панель управления отопителем
- А12а1: Блок управления HZR регулирование отопления
- А1б: Блок управления GS управление переключением передач
- А20: Блок управления RS управление тормозом-замедлителем (ретардером)
- А22: Блок управления PSM параметрируемый спецмодуль
- А88: Блок управления RDK система контроля давления в шинах
- Х2.1: Штекерное соединение 'Плата штекеров - Кабина водителя - шасси'
- (766): В случае сцепления с гидротрансформатором (WSK) с тормозом-замедлителем (ретардером)
- (767): В случае тормоза-замедлителя (ретардера) Voith и тормоза-замедлителя (ретардера) Telma с жидкостным охлаждением
А20: Блок управления RS управление тормозом-замедлителем (ретардером)

- АЗ: Блок управления FR система управления движением
- А7: Блок управления Базовый модуль GM
- A11: Блок управления BS управление тормозной системой
- А22: Блок управления PSM параметрируемый спецмодуль
- CAN1: Шина CAN а/м
- Р2: INS комбинация приборов
- (312): Провода скручены.
А20: Блок управления RS управление тормозом-замедлителем (ретардером)

- А1: Держатель предохранителя
- А2: Держатель предохранителя
- А7: Блок управления Базовый модуль GM
- А20: Блок управления RS управление тормозом-замедлителем (ретардером)
- А22: Блок управления PSM параметрируемый спецмодуль
- F4-A2: Предохранитель
- F7-A7: Предохранитель
- F13-A1: Предохранитель
- Т2: 24/12V Трансформатор
- (443): Telma
- (766): В случае сцепления с гидротрансформатором (WSK) с тормозом-замедлителем (ретардером)
- (767): В случае тормоза-замедлителя (ретардера) Voith и тормоза-замедлителя (ретардера) Telma с жидкостным охлаждением
А20: Блок управления RS управление тормозом-замедлителем (ретардером)

- А1: Держатель предохранителя
- А4: Блок управления FLA электрофакельный подогреватель воздуха
- А7: Блок управления Базовый модуль GM
- А8: Сиденье водителя с демпфирующей подвеской
- А20: Блок управления RS управление тормозом-замедлителем (ретардером)
- А22: Блок управления PSM параметрируемый спецмодуль
- А61: Блок управления Стояночный кондиционер
- А62: Блок управления SPA ассистент помощи движения по полосе
- А72: Блок управления EHZ электронно-гидравлический дополнительный рулевой привод
- F5-A1: Предохранитель
- F6-A1: Предохранитель
- F9-A1: Предохранитель
- F10-A1: Предохранитель
- F12-A1: Предохранитель
- F14-A1: Предохранитель
- F26-A7: Предохранитель
- К4-А7: Реле 'Клемма 15'
- М14: Электромотор солнцезащитного козырька со стороны водителя
- М15: Электромотор солнцезащитного козырька со стороны переднего пассажира
- Х42: Плафон освещения моторного отсека
- Х55: Штекерное соединение 'Борт грузовой платформы'
- (765): В случае тормоза-замедлителя (ретардера) Voith и тормоза-замедлителя (ретардера) Telma с жидкостным охлаждением
- (766): В случае сцепления с гидротрансформатором (WSK) с тормозом-замедлителем (ретардером)
А21: Блок управления ZHE дополнительное отопление

- А7: Блок управления Базовый модуль GM
- А21: Блок управления ZHE дополнительное отопление
- CAN2: Шина CAN салона
- F2-A7: Предохранитель
- Х145: Штекерное соединение 'Дополнительный отопитель'
- (312): Провода скручены.
А22: Блок управления PSM параметрируемый спецмодуль

- АЗ: Блок управления FR система управления движением
- А4: Блок управления FLA электрофакельный подогреватель воздуха
- А7: Блок управления Базовый модуль GM
- A11: Блок управления BS управление тормозной системой
- А12а0: Панель управления отопителем
- А12а1: Блок управления HZR регулирование отопления
- А1б: Блок управления GS управление переключением передач
- А20: Блок управления RS управление тормозом-замедлителем (ретардером)
- А22: Блок управления PSM параметрируемый спецмодуль
- А88: Блок управления RDK система контроля давления в шинах
- Х2.1: Штекерное соединение 'Плата штекеров - Кабина водителя - шасси'
- (766): В случае сцепления с гидротрансформатором (WSK) с тормозом-замедлителем (ретардером)
- (767): В случае тормоза-замедлителя (ретардера) Voith и тормоза-замедлителя (ретардера) Telma с жидкостным охлаждением
А22: Блок управления PSM параметрируемый спецмодуль

- АЗ: Блок управления FR система управления движением
- А7: Блок управления Базовый модуль GM
- A11: Блок управления BS управление тормозной системой
- А22: Блок управления PSM параметрируемый спецмодуль
- CAN1: Шина CAN а/м
- Р2: INS комбинация приборов
- (312): Провода скручены.
А22: Блок управления PSM параметрируемый спецмодуль

- А1: Держатель предохранителя
- А2: Держатель предохранителя
- А7: Блок управления Базовый модуль GM
- А20: Блок управления RS управление тормозом-замедлителем (ретардером)
- А22: Блок управления PSM параметрируемый спецмодуль
- F4-A2: Предохранитель
- F7-A7: Предохранитель
- F13-A1: Предохранитель
- Т2: 24/12V Трансформатор
- (443): Telma
- (766): В случае сцепления с гидротрансформатором (WSK) с тормозом-замедлителем (ретардером)
- (767): В случае тормоза-замедлителя (ретардера) Voith и тормоза-замедлителя (ретардера) Telma с жидкостным охлаждением
А22: Блок управления PSM параметрируемый спецмодуль

- А1: Держатель предохранителя
- А4: Блок управления FLA электрофакельный подогреватель воздуха
- А7: Блок управления Базовый модуль GM
- А8: Сиденье водителя с демпфирующей подвеской
- А20: Блок управления RS управление тормозом-замедлителем (ретардером)
- А22: Блок управления PSM параметрируемый спецмодуль
- А61: Блок управления Стояночный кондиционер
- А62: Блок управления SPA ассистент помощи движения по полосе
- А72: Блок управления EHZ электронно-гидравлический дополнительный рулевой привод
- F5-A1: Предохранитель
- F6-A1: Предохранитель
- F9-A1: Предохранитель
- F10-A1: Предохранитель
- F12-A1: Предохранитель
- F14-A1: Предохранитель
- F26-A7: Предохранитель
- К4-А7: Реле 'Клемма 15'
- М14: Электромотор солнцезащитного козырька со стороны водителя
- М15: Электромотор солнцезащитного козырька со стороны переднего пассажира
- Х42: Плафон освещения моторного отсека
- Х55: Штекерное соединение 'Борт грузовой платформы'
- (765): В случае тормоза-замедлителя (ретардера) Voith и тормоза-замедлителя (ретардера) Telma с жидкостным охлаждением
- (766): В случае сцепления с гидротрансформатором (WSK) с тормозом-замедлителем (ретардером)
А31: Кронштейн реле

- А2: Держатель предохранителя
- А7: Блок управления Базовый модуль GM
- А31: Кронштейн реле
- А40: Блок управления SRS система удержания пассажиров
- В100: Датчик внутрисалонной температуры
- Е23: Освещение пепельницы для водителя
- F9-A2: Предохранитель
- F14-A7: Предохранитель
- F16-A7: Предохранитель
- F30-A7: Предохранитель
- F31-A7: Предохранитель
- F32-A7: Предохранитель
- K3-A31: Реле 'Розетка 24 В'
- К4-А7: Реле 'Клемма 15'
- К5-А7: Реле 'клемма 15R'
- Р2: INS комбинация приборов
- S1: Замок зажигания
- Х19: Прикуриватель для водителя
- Х138: Розетка 24 В
- (771): Внутрисалонное освещение
А32: Кронштейн реле

- А1: Держатель предохранителя
- А7: Блок управления Базовый модуль GM
- А32: Кронштейн реле
- F1-A1: Предохранитель
- F24-A7: Предохранитель
- К2-А7: Реле 'клемма D+'
- К4-А32: Реле 'Клемма 15'
- R14: Обогрев фильтра Racor
- R18: Обогрев АКБ
- S132: Выключатель 'Обогрев АКБ'
- Х4.1: Штекерное соединение 'Плата штекеров - Кабина водителя - шасси'
- Х5.1: Штекерное соединение 'Плата штекеров - Кабина водителя - шасси'
- Y100: Электромагнитный клапан 'Двухкамерный влагоотделитель'
А34: Сиденье переднего пассажира с демпфирующей подвеской

- А7: Блок управления Базовый модуль GM
- F8-A7: Предохранитель
- (773): Блок управления RDK система контроля давления в шинах
- (792): Клемма 30 'Сиденье переднего пассажира с демпфирующей подвеской'
- (793): Клемма 30 'Стояночный кондиционер'
- (794): Клемма 30 'Проблесковый маячок'
А40: Блок управления SRS система удержания пассажиров

- А7: Блок управления Базовый модуль GM
- А40: Блок управления SRS система удержания пассажиров
- CAN2: Шина CAN салона
- F2-A7: Предохранитель
- F30-A7 Предохранитель
- К4-А7: Реле 'Клемма 15'
- (312): Провода скручены.
А40: Блок управления SRS система удержания пассажиров

- А7: Блок управления Базовый модуль GM
- В74: Внутрисалонный датчик Инфракрасный
- F14-A7: Предохранитель
- S1: Замок зажигания
- Х7.2: Штекерное соединение 'Плата штекеров - Кабина водителя - шасси'
- (273): Электропитание
А40: Блок управления SRS система удержания пассажиров

- А2: Держатель предохранителя
- А7: Блок управления Базовый модуль GM
- А31: Кронштейн реле
- А40: Блок управления SRS система удержания пассажиров
- В100: Датчик внутрисалонной температуры
- Е23: Освещение пепельницы для водителя
- F9-A2: Предохранитель
- F14-A7: Предохранитель
- F16-A7: Предохранитель
- F30-A7: Предохранитель
- F31-A7: Предохранитель
- F32-A7: Предохранитель
- K3-A31: Реле 'Розетка 24 В'
- К4-А7: Реле 'Клемма 15'
- К5-А7: Реле 'клемма 15R'
- Р2: INS комбинация приборов
- S1: Замок зажигания
- Х19: Прикуриватель для водителя
- Х138: Розетка 24 В
- (771): Внутрисалонное освещение
А61: Блок управления Стояночный кондиционер

- А7: Блок управления Базовый модуль GM
- F8-A7: Предохранитель
- (773): Блок управления RDK система контроля давления в шинах
- (792): Клемма 30 'Сиденье переднего пассажира с демпфирующей подвеской'
- (793): Клемма 30 'Стояночный кондиционер'
- (794): Клемма 30 'Проблесковый маячок'
А61: Блок управления Стояночный кондиционер

- А1: Держатель предохранителя
- А4: Блок управления FLA электрофакельный подогреватель воздуха
- А7: Блок управления Базовый модуль GM
- А8: Сиденье водителя с демпфирующей подвеской
- А20: Блок управления RS управление тормозом-замедлителем (ретардером)
- А22: Блок управления PSM параметрируемый спецмодуль
- А61: Блок управления Стояночный кондиционер
- А62: Блок управления SPA ассистент помощи движения по полосе
- А72: Блок управления EHZ электронно-гидравлический дополнительный рулевой привод
- F5-A1: Предохранитель
- F6-A1: Предохранитель
- F9-A1: Предохранитель
- F10-A1: Предохранитель
- F12-A1: Предохранитель
- F14-A1: Предохранитель
- F26-A7: Предохранитель
- К4-А7: Реле 'Клемма 15'
- М14: Электромотор солнцезащитного козырька со стороны водителя
- М15: Электромотор солнцезащитного козырька со стороны переднего пассажира
- Х42: Плафон освещения моторного отсека
- Х55: Штекерное соединение 'Борт грузовой платформы'
- (765): В случае тормоза-замедлителя (ретардера) Voith и тормоза-замедлителя (ретардера) Telma с жидкостным охлаждением
- (766): В случае сцепления с гидротрансформатором (WSK) с тормозом-замедлителем (ретардером)
А62: Блок управления SPA ассистент помощи движения по полосе

- А1: Держатель предохранителя
- А4: Блок управления FLA электрофакельный подогреватель воздуха
- А7: Блок управления Базовый модуль GM
- А8: Сиденье водителя с демпфирующей подвеской
- А20: Блок управления RS управление тормозом-замедлителем (ретардером)
- А22: Блок управления PSM параметрируемый спецмодуль
- А61: Блок управления Стояночный кондиционер
- А62: Блок управления SPA ассистент помощи движения по полосе
- А72: Блок управления EHZ электронно-гидравлический дополнительный рулевой привод
- F5-A1: Предохранитель
- F6-A1: Предохранитель
- F9-A1: Предохранитель
- F10-A1: Предохранитель
- F12-A1: Предохранитель
- F14-A1: Предохранитель
- F26-A7: Предохранитель
- К4-А7: Реле 'Клемма 15'
- М14: Электромотор солнцезащитного козырька со стороны водителя
- М15: Электромотор солнцезащитного козырька со стороны переднего пассажира
- Х42: Плафон освещения моторного отсека
- Х55: Штекерное соединение 'Борт грузовой платформы'
- (765): В случае тормоза-замедлителя (ретардера) Voith и тормоза-замедлителя (ретардера) Telma с жидкостным охлаждением
- (766): В случае сцепления с гидротрансформатором (WSK) с тормозом-замедлителем (ретардером)
А63: Блок управления ART темпомат с регулятором допустимой безопасной дистанции

- А1: Держатель предохранителя
- А4: Блок управления FLA электрофакельный подогреватель воздуха
- А7: Блок управления Базовый модуль GM
- А8: Сиденье водителя с демпфирующей подвеской
- А20: Блок управления RS управление тормозом-замедлителем (ретардером)
- А22: Блок управления PSM параметрируемый спецмодуль
- А61: Блок управления Стояночный кондиционер
- А62: Блок управления SPA ассистент помощи движения по полосе
- А72: Блок управления EHZ электронно-гидравлический дополнительный рулевой привод
- F5-A1: Предохранитель
- F6-A1: Предохранитель
- F9-A1: Предохранитель
- F10-A1: Предохранитель
- F12-A1: Предохранитель
- F14-A1: Предохранитель
- F26-A7: Предохранитель
- К4-А7: Реле 'Клемма 15'
- М14: Электромотор солнцезащитного козырька со стороны водителя
- М15: Электромотор солнцезащитного козырька со стороны переднего пассажира
- Х42: Плафон освещения моторного отсека
- Х55: Штекерное соединение 'Борт грузовой платформы'
- (765): В случае тормоза-замедлителя (ретардера) Voith и тормоза-замедлителя (ретардера) Telma с жидкостным охлаждением
- (766): В случае сцепления с гидротрансформатором (WSK) с тормозом-замедлителем (ретардером)
А64: Блок управления FM передний модуль

- А7: Блок управления Базовый модуль GM
- А64: Блок управления FM передний модуль
- CAN3: Шина CAN рамы
- (312): Провода скручены.
- (756): Провод пробуждения
А65: Блок управления Задний модуль НМ

- А7: Блок управления Базовый модуль GM
- А65: Блок управления Задний модуль НМ
- CAN3: Шина CAN рамы
- S20: Выключатель 'Разблокировка кабины водителя' на левой стороне кабины водителя
- S21: Выключатель 'Разблокировка кабины водителя' на правой стороне кабины водителя
- Х32: Штекерное соединение 'Разблокировка кабины водителя'
- (312): Провода скручены.
- (756): Провод пробуждения
Абб: Блок управления Дверной модуль со стороны водителя TMF

- А7: Блок управления Базовый модуль GM
- Абб: Блок управления Дверной модуль со стороны водителя TMF
- CAN2: Шина CAN салона
- F1-A7: Предохранитель
- Х22.1: Штекерное соединение водительской двери
- (312): Провода скручены.
- (791): Контроль жгута электропроводки блоком управления EDW система противоугонной сигнализации
А67: Блок управления Дверной модуль переднего пассажира ТМВ

- А7: Блок управления Базовый модуль GM
- А67: Блок управления Дверной модуль переднего пассажира ТМВ
- CAN2: Шина CAN салона
- F3-A7: Предохранитель
- Х23.1: Штекерное соединение двери переднего пассажира
- (312): Провода скручены.
- (791): Контроль жгута электропроводки блоком управления EDW система противоугонной сигнализации
А68: Блок управления Модульная панель переключателей MSF

- А7: Блок управления Базовый модуль GM
- А68: Блок управления Модульная панель переключателей MSF
- CAN2: Шина CAN салона
- F6-A7: Предохранитель
- (312): Провода скручены.
А72: Блок управления EHZ электронно-гидравлический дополнительный рулевой привод

- А1: Держатель предохранителя
- А2: Держатель предохранителя
- А7: Блок управления Базовый модуль GM
- А20: Блок управления RS управление тормозом-замедлителем (ретардером)
- А22: Блок управления PSM параметрируемый спецмодуль
- F4-A2: Предохранитель
- F7-A7: Предохранитель
- F13-A1: Предохранитель
- Т2: 24/12V Трансформатор
- (443): Telma
- (766): В случае сцепления с гидротрансформатором (WSK) с тормозом-замедлителем (ретардером)
- (767): В случае тормоза-замедлителя (ретардера) Voith и тормоза-замедлителя (ретардера) Telma с жидкостным охлаждением
А72: Блок управления EHZ электронно-гидравлический дополнительный рулевой привод

- А1: Держатель предохранителя
- А4: Блок управления FLA электрофакельный подогреватель воздуха
- А7: Блок управления Базовый модуль GM
- А8: Сиденье водителя с демпфирующей подвеской
- А20: Блок управления RS управление тормозом-замедлителем (ретардером)
- А22: Блок управления PSM параметрируемый спецмодуль
- А61: Блок управления Стояночный кондиционер
- А62: Блок управления SPA ассистент помощи движения по полосе
- А72: Блок управления EHZ электронно-гидравлический дополнительный рулевой привод
- F5-A1: Предохранитель
- F6-A1: Предохранитель
- F9-A1: Предохранитель
- F10-A1: Предохранитель
- F12-A1: Предохранитель
- F14-A1: Предохранитель
- F26-A7: Предохранитель
- К4-А7: Реле 'Клемма 15'
- М14: Электромотор солнцезащитного козырька со стороны водителя
- М15: Электромотор солнцезащитного козырька со стороны переднего пассажира
- Х42: Плафон освещения моторного отсека
- Х55: Штекерное соединение 'Борт грузовой платформы'
- (765): В случае тормоза-замедлителя (ретардера) Voith и тормоза-замедлителя (ретардера) Telma с жидкостным охлаждением
- (766): В случае сцепления с гидротрансформатором (WSK) с тормозом-замедлителем (ретардером)
Датчики температуры
В47: Датчик температуры масла КП

- Аб: Блок управления MR система управления двигателем
- А7: Блок управления Базовый модуль GM
- А1б: Блок управления GS управление переключением передач
- В47: Датчик температуры масла КП
- F4-A7: Предохранитель
- F20-A7: Предохранитель
- F21-A7: Предохранитель
- G2: Генератор
- КЗ-А7: Реле 'Клемма 15'
- S23: Выключатель обратной связи 'Механизм отбора мощности 1'
- S80: Выключатель обратной связи 'Механизм отбора мощности 3'
- Х29: Штекерное соединение для КП
- Х38: Штекерное соединение 'Механизм отбора мощности'
- Y46: Электромагнитный клапан 'Механизм отбора мощности 1'
- Y48: Электромагнитный клапан 'Механизм отбора мощности 3'
В100: Датчик внутрисалонной температуры

- А7: Блок управления Базовый модуль GM
- А9.1: (12 V) Аудиомодуль
- А12а0: Панель управления отопителем
- Е23: Освещение пепельницы для водителя
- F32-A7: Предохранитель
- К5-А7: Реле 'клемма 15R'
- М3: Электромотор стеклоочистителя
- S144: Левая группа клавиш многофункционального руля
- S145: Правая группа клавиш многофункционального руля
- Х19: Прикуриватель для водителя
- Х124.2: Штекерное соединение 'Крыша' со стороны водителя
- Х138: Розетка 24 В
В100: Датчик внутрисалонной температуры

- А2: Держатель предохранителя
- А7: Блок управления Базовый модуль GM
- А31: Кронштейн реле
- А40: Блок управления SRS система удержания пассажиров
- В100: Датчик внутрисалонной температуры
- Е23: Освещение пепельницы для водителя
- F9-A2: Предохранитель
- F14-A7: Предохранитель
- F16-A7: Предохранитель
- F30-A7: Предохранитель
- F31-A7: Предохранитель
- F32-A7: Предохранитель
- K3-A31: Реле 'Розетка 24 В1
- К4-А7: Реле 'Клемма 15'
- К5-А7: Реле 'клемма 15R'
- Р2: INS комбинация приборов
- S1: Замок зажигания
- Х19: Прикуриватель для водителя
- Х138: Розетка 24 В
- (771): Внутрисалонное освещение
Освещение
Е23: Освещение пепельницы для водителя

- А7: Блок управления Базовый модуль GM
- А9.1: (12 V) Аудиомодуль
- А12а0: Панель управления отопителем
- Е23: Освещение пепельницы для водителя
- F32-A7: Предохранитель
- К5-А7: Реле 'клемма 15R"
- М3: Электромотор стеклоочистителя
- S144: Левая группа клавиш многофункционального руля
- S145: Правая группа клавиш многофункционального руля
- Х19: Прикуриватель для водителя
- Х124.2: Штекерное соединение 'Крыша' со стороны водителя
- Х138: Розетка 24 В
Е23: Освещение пепельницы для водителя

- А2: Держатель предохранителя
- А7: Блок управления Базовый модуль GM
- А31: Кронштейн реле
- А40: Блок управления SRS система удержания пассажиров
- В100: Датчик внутрисалонной температуры
- Е23: Освещение пепельницы для водителя
- F9-A2: Предохранитель
- F14-A7: Предохранитель
- F16-A7: Предохранитель
- F30-A7: Предохранитель
- F31-A7: Предохранитель
- F32-A7: Предохранитель
- K3-A31: Реле 'Розетка 24 В'
- К4-А7: Реле 'Клемма 15'
- К5-А7: Реле 'клемма 15R'
- Р2: INS комбинация приборов
- S1: Замок зажигания
- Х19: Прикуриватель для водителя
- Х138: Розетка 24 В
- (771): Внутрисалонное освещение
Е35: Проблесковый маячок

- А7: Блок управления Базовый модуль GM
- F8-A7: Предохранитель
- (773): Блок управления RDK система контроля давления в шинах
- (792): Клемма 30 'Сиденье переднего пассажира с демпфирующей подвеской1
- (793): Клемма 30 'Стояночный кондиционер'
- (794): Клемма 30 'Проблесковый маячок'