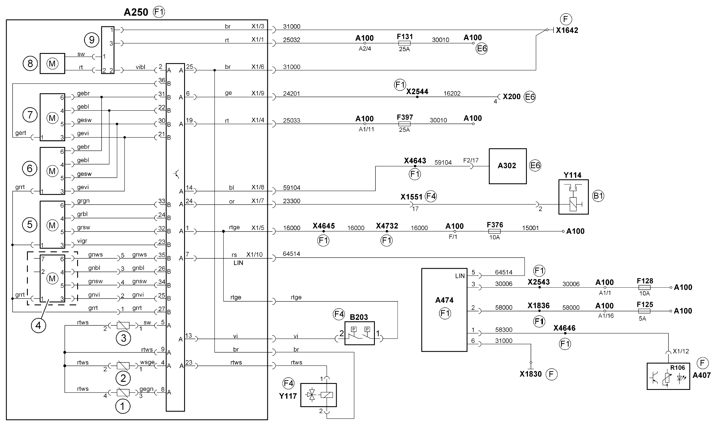
Схема кондиционера с электронным управлением TGS/TGX
A100 Блок предохранителей и реле
A250 Блок управления отопителя/кондиционера
A302 Центральный процессор 2
A407 Приборная панель
A474 Прибор управления обогревом кабины без/с кондиционером
B203 Реле высокого/низкого давления бака хладагента (кондиционер)
F125 Предохранитель прожектора
F128 Предохранитель постоянно включенных потребителей
F131 Предохранитель вентилятора отопителя
F376 Предохранитель (кл. 15) внутри кабины
F397 Предохранитель отопления передней части, кондиционер
R106 Потенциометр подсветки приборного щитка
X200 Диагностическая розетка (MAN-cats)
X1551 Штекерное соединение – двигателя/EDC/коробки передач II
X1642 Точка массы отопителя кабины без кондиционера/с кондиционером
X1830 Обжимное соединение провода 31002
X1836 Обжимное соединение провода 58000
X2543 Распределитель потенциалов 21-контактного провода 30006
X2544 Распределитель потенциала 21-контактный К-провод
X4643 Распределитель потенциалов провода 59104
X4645 Распределитель потенциалов провода 16000
X4646 Распределитель потенциалов провода 58300
X4732 Распределитель потенциалов провода 16000 освещения переключателя
Y114 Электромагнитное сцепление компрессора
Y117 Электромагнитный клапан переднего кондиционера
1 Датчик температуры испарителя
2 Датчик наружной температуры
3 Датчик температуры теплообменника
4 Серводвигатель свежего воздуха/рециркуляции
5 Серводвигатель боковых форсунок
6 Серводвигатель распределения воздуха
7 Серводвигатель температуры
8 Электродвигатель вентилятора
9 Регулятор вентилятора
B1 Место установки двигателя
E6 Место установки – область центральной электрической сети
F Место установки приборной панели
F1 Место установки средней части
F4 Место установки передка внутри слева
