Объяснение правил чтения электросхем DAF
На схемах в разрезе подробное представлена только информация о работе изображенной функции.
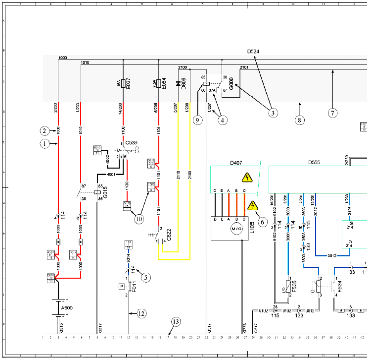
Пример схемы:

1 Проводка имеет те же цвета, что и проводка автомобиля.
2 Номера проводов соответствуют нанесенным на проводку в автомобиле. Суффиксы номеров проводов, такие как A, B, C и т.д. опущены.
3 Базовый код компонента. См. описание компонента в пояснениях к схеме.
4 Номер точки проводного соединения или дорожки PCB на компоненте.
5 Базовый код разъема и точка подключения разъема.
6 Внимание, высокое напряжение.
7 Дорожки PCB.
8 PCB центрального блока и приборной панели имеют серый цвет.
9 Съемные компоненты показаны белым цветом.
10 Ссылка на компонент и точку соединения и на схему, где представлена информация о данном компоненте.
G178 = Базовый номер кода компонента
85 = Точка соединения на компоненте
7 = Ссылка на схему 711 ПРИМЕЧАНИЕ! Расположение компонентов на автомобиле может отличаться в зависимости от комплектации.
12 Корпус компонента соединяется с "массой". Т.е. показанная линия не является проводом.
13 Номера строки поиска.
14 Номер чертежа, а также номер разреза.
Цифровая и цветовая кодировка электропроводки за исключением проводки "массы" и проводки CAN
Источники электропитания
Цветовая кодировка: Красный
Цифровая кодировка:
от 1000 до 1099 Генерация напряжения
от 1100 до 1199
от 1600 до 1999
Подача электропитания до зажигания
от 1200 до 1599 Подача электропитания после зажигания
Освещение
Цветовая кодировка: Желтый
Цифровая кодировка:
от 2000 до 2099 Указатели поворота и аварийная сигнализация
от 2100 до 2599 Внешнее освещение автомобиля
от 2600 до 2999 Внутреннее освещение автомобиля
Функции предупреждений и индикации
Цветовая кодировка: Синий
Цифровая кодировка:
от 3000 до 3399 Функции двигателя
от 3400 до 3999 Функции автомобиля
Потребители
Цветовая кодировка: Черный
Цифровая кодировка:
от 4000 до 4499 Функции запуска, останова, двигателя, предпускового подогрева
от 4500 до 5499 Функции автомобиля
от 5500 до 5999 Автоматическая трансмиссия
Специального назначения
Цветовая кодировка: Цвет по выбору
Цифровая кодировка:
от 6000 до 6999
Цветовая кодировка: Оранжевый
Цифровая кодировка
от 8500 до 8599 Высокое напряжение пост. тока
от 8600 до 8699 Высокое напряжение пер. тока
Цифровая и цветовая кодировка электропроводки "массы"
Цветовая кодировка: Белый
Цифровая кодировка:
"M" с порядковым номером "массы" переключения
от 9000 до 9400, "масса" проверки и сигнала
------------
Соединения "массы"
Необходимо понимать различие между двумя типами соединений "массы":
— "масса" выключателя;
— "масса" проверки и сигнала.
"Масса" проверки и сигнала используется только для электронных систем.
Для защиты от перебоев в работе электронного оборудования "масса" проверки и сигнала никогда не должна использоваться для соединения электрооборудования, которому не требуется "масса" проверки и сигнала.
Если электрооборудование необходимо подключить к "массе", используйте для этого центральную точку "массу" кабины.
Цифровая и цветовая кодировка электропроводки CAN
I-CAN
Цветовая кодировка: Желтый CAN-L
Серый CAN-H
Цифровая кодировка: 3565 CAN-L
3566 CAN-H
V-CAN 1
Цветовая кодировка: Желтый CAN-L
Красный CAN-H
Цифровая кодировка: 3780 CAN-L
3781 CAN-H
V-CAN 2
Цветовая кодировка: Желтый CAN-L
Синий CAN-H
Цифровая кодировка: 3700 CAN-L
3701 CAN-H
D-CAN
Цветовая кодировка: Желтый CAN-L
Зеленый CAN-H
Цифровая кодировка: 3782 CAN-L
3783 CAN-H
EBS-ТЯГАЧ-CAN
Цветовая кодировка: Желтый CAN-L
Черный CAN-H
Цифровая кодировка: 3619 CAN-L
3620 CAN-H
EBS-TT-CAN
Цветовая кодировка: Желтый CAN-L
Черный CAN-H
Цифровая кодировка: 3558 CAN-L
3559 CAN-H
EBS-ТЯГАЧ-CAN (VSC)
Цветовая кодировка: Желтый CAN-L
Черный CAN-H
Цифровая кодировка: 3729 CAN-L
3730 CAN-H
BB-CAN
Цветовая кодировка: Желтый CAN-L
Оранжевый CAN-H
Цифровая кодировка: 3810 CAN-L
3811 CAN-H
AS Tronic CAN
Цветовая кодировка: Желтый CAN-L
Коричневый CAN-H
Цифровая кодировка: 3731 CAN-L
3732 CAN-H
Список сокращений цветовых кодов
- Черный BK
- Синий BU
- Коричневый BN
- Зеленый GN
- Оранжевый OG
- Красный RD
- Фиолетовый VT
- Белый WH
- Желтый YE
- Серый GY
- Пурпурный VT
- Бирюзовый TQ
- Розовый PK
- Золотой GD
- Серебряный SR