Экскаватор гусеничный гидравлический ЕТ-18, 20
(электрические, гидравлические схемы и инструкции по ремонту)

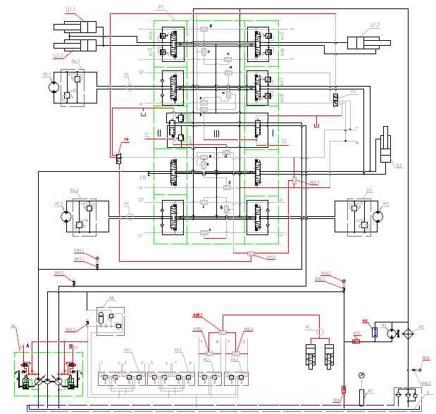
Принципиальная гидравлическая схема ЕТ-18, 20
А1 Коллектор центральный ЭО-3123.31.12.300
А3 Калорифер 313-00-80.06.700-10
А4.1-А4.2 Блок клапанов ЭО-3123.31.12.200
А5 Блок предохранительных клапанов 520.70.00.000-10
А8 Кран 314-02-80.01.500
АК Пневмогидроаккумулятор 64002.10.000
Б Гидробак 314-20-80.11.000-20
ВН1.1-ВН1.2 Включатель манометра ЭО-3323.01.82.680
ВН2.1-ВН2.3 Включатель манометра ЭО-3322А.23.02.260
КО1 Клапан предохранительный ЭО-3323А.08.07.110-10
КО2 Клапан подпорный ЭО-3323А.08.07.110-20
КИ1.1-КИ1.2 Клапан «ИЛИ» ЭО-3323А.07.15.020
КИ2.1-КИ2.3 Клапан «ИЛИ» ЭО-3332А.49.01.140
М1.1-М1.2 Гидромотор аксиально-поршневой 310.3.56.00 или 410.56 (г.Одесса)
М2 Гидромотор аксиально-поршневой 310.3.112.00 или 410.112 (г.Одесса)
М3 Гидромотор аксиально-поршневой 310.12.01.03 (или ДЭЦ2.957.001)
МН1 Манометр МП3-60 МПа х 1,5 черт. 1 ТУ25.02.943-74
МН2 Манометр масляный с демпфером Ø60 МТП-3-10 МПа-1,5 ТУ 25-7310.0045-87
МН3 Манометр масляный с демпфером Ø60 МТП-3-1 МПа-1,5 ТУ 25-7310.0045-87
НА Насосный агрегат 333.3.55.100.220
Р1 Гидрораспределитель 214-02-520.00 ГР
Р2.1-Р2.2 Блок управления 13.80.04.500 или 100 ВНМ
Р3.1-Р3.2 Блок управления 13.80.04.800/850
Р7 Гидрораспределитель ЭО-3323А.07.21.010
Р8 Гидрораспределитель ЭО-3323.07.10.010
Ц1.1-Ц1.3 Гидроцилиндр стрелы и ковша (125х80х1100) 318-00-21.91.000
Ц2 Гидроцилиндр рукояти (125х90х1400) 318-00-21.92.000

Электрическая схема экскаватора ЕТ-18, 20
1-фары;
2-плафон;
3-стеклоомыватель;
4-стеклоочиститель;
5-вентилятор;
6-звуковой сигнал;
7-электронная панель приборов;
8-включатель электрофакельного подогревателя;
9-включатель «массы»;
10-включатель стартера;
11-включатель подогревателя HYDRONIC 10-12;
12-розетка;
13-предохранители подогревателя;
14-блок предохранителей;
15-датчик уровня топлива;
16-насос дозировочный;
17-подогреватель HYDRONIC 10-12;
18-дистанционный включатель «массы»;
19-аккумуляторные батареи;
20-генератор;
21-электрофакельный подогреватель двигателя;
22-датчик давления масла в двигателе;
23-датчик температуры охлаждающей жидкости;
24-стартер;
25-реле стартера;
26-датчик температуры рабочей жидкости;
27-отопитель;
28-реле фар;
29-включатель сигнала;
30-включатель омывателя;
31-включатель вентилятора;
32-включатель отопителя;
33-включатель стеклоочистителя;
34-включатель фар на кабине и стреле.
Все схемы и инструкции в