Читаем схемы автобусов MAN
(тренинг персонала)
Lion‘s City (Лаэнс Сити) A 20 Lion‘s City (Лаэнс Сити) T A 72

Lions City DD A 39 Centroliner (Сентролайнер) 486

Lions Regio R12 (Лаэнс Реджио Р12) Trendliner P23 (Трэндлайнер П23)

Lions Coach R08 (Лаэнс Коуч Р08) Lions Star R02 (Лаэнс Стар Р02)

Lion's Coach Supreme R07 (Лаэнс Коуч Суприм Р07) Tourliner (Турлайнер) P21

Cityliner P14 (Ситилайнер П14) Starliner P12 (Старлайнер П12)

Работа с электросхемами
В современных грузовых транспортных средствах много деталей, имеющих электрические разъемы. Электрические соединения между деталями представлены на электрических схемах.
Условные обозначения (Legende) (L) расположены на каждой электрической схеме справа вверху и служат для обозначения деталей посредством букв и порядкового номера, а также для идентификации запчастей посредством кодового номера.

Буквенное обозначение в примере A описывает тип узла.
Индекс в примере 354, установлен конструкцией и для всех моделей (грузовые а/м и автобусы) имеет одинаковое значение.
Код в примере 111, означает: в этой электрической схеме используется предохранитель с кодом 111. Принадлежность кода номеру запчасти может быть перекодирована с помощью инструкции по ремонту T60, MAN-Cats® 1 и 2.
Обозначение детали описывает деталь.
Пример представления электрической схемы:

Отдельные детали A изображаются на электрических схемах лишь схематически, как правило, в виде прямоугольника (пунктирной линией).
На прямоугольнике B отмечены отдельные разъемы таким образом, чтобы обеспечивалось простое (с минимальным количеством пересечений) представление, последовательность расположения разъемов редко соответствует фактическому расположению разъемов на детали, но тем не менее на электросхеме указываются обозначения всех выводов детали.
Детали C по возможности описываются условными графическими обозначениями.
Там, где это необходимо для понимания, упрощенно отображается схема внутреннего включения D.
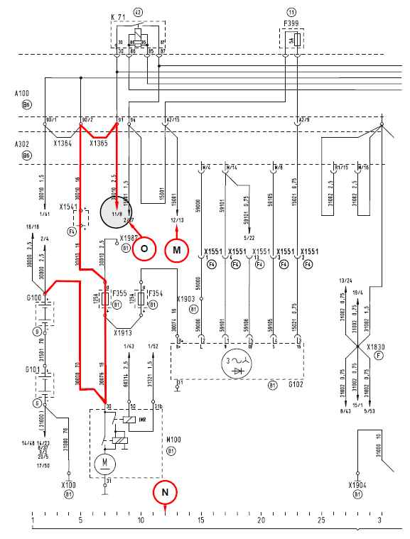
На многих страницах электросхем (документации T и K) в верхней части приводится деталь центрального распределительного устройства E (ZE / A100) со своим внутренним включением.
Над центральным распределительным устройством отображаются детали F (предохранители, БУ, реле и перемычки), смонтированные на центральном распределительном устройстве.
В электросхемах под центральным распределительным устройством показан центральный бортовой компьютер (ZBR / A302) G . Эта деталь на многих страницах также показана в виде пунктирной полосы Для каждой детали существует ссылка на место ее установки H. На первых страницах перед электросхемами места установки в документации схематично соответствуют виду автомобиля.

Для кабельного или проводного соединения указан номер кабеля I , а при необходимости - цвет кабеля и сечение (если меньше или больше 1 мм2).
Все места разъединения J проводов перечислены в электросхемах и обозначены символом Х.
В случае многополюсных штекерных соединений наряду с обозначением соединения (X1551) под ним также наносится обозначение штекерного гнезда (2) или, соответственно, штырькового вывода K.
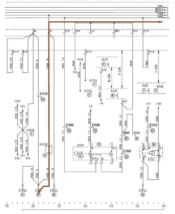
Из-за большого количества подключений больше невозможно размещать все соединения на одной единственной схеме, поэтому с одной схемы даются ссылки на другие. В случае ссылки провод заканчивается чёрной стрелкой, на конце которой находятся сведения о продолжении L.

В этих сведениях указывается страница электрической схемы и, через косую черту, электроцепь M. Если этот провод продолжается на нескольких страницах, то ссылка содержит сведения для нескольких страниц/электроцепей.
Номер соответствующего пути тока указывается в строке примечания страницы с электрической схемой N. Электрическая схема подразделяется на отдельные электроцепи. В актуальных электросхемах электроцепь соответствует вертикальному столбцу.

Провод на этой странице электрической схемы проходит от страницы 1 и электроцепи 8 O.
Провод на этой страницы электрической схемы проходит через электроцепь 8 P. Страница с проводкой от отрицательного полюса
Ссылка Q на страницу электросхемы 3, электроцепь 4.
Электросхема лист 11

Ссылка R на страницу электрической схемы 1. Провод здесь проходит внутри центрального блока электрики.
Провод на этой странице электрической схемы проходит от страницы 11 и электроцепи 8 S.
Провод на этой страницы электрической схемы проходит через электроцепь 4 T.
Электрическая схема лист 3 (страница с проводкой от отрицательного полюса)


На электросхемах часто при ссылках на другие системы (дополнительные электросхемы) используются сокращения. На следующих страницах приводится объяснение сокращений.
На каждой схеме, чаще всего в нижнем правом углу, находится информация о самой схеме. Так, помимо вида схемы, применения, количества листов, составляющих всю схему, имеются также указания на дату изменения и индекс.

1. Название электрической схемы
2. Номер листа электрической схемы
3. Количество листов электрической схемы
4. Номер электрической схемы
5. Использование для
6. Дата изменения
7. Индекс
Обозначение электрических блоков



Обозначение групп номеров проводов
- 04... Система зажигания
- 05... Топливная система
- 12... Система противотуманных фар
- 13... Система пожаротушения
- 14... Предохранительные устройства, аварийный режим, собственные электрические цепи
- 15... Электроснабжение (клемма 15)
- 16... Устройство слежения, тахограф
- 17... Система накаливания, электрофакельный пуск
- 20... Стеклоочиститель и стеклоомыватель, устройство для очистки фар
- 21... Устройства визуального отображения
- 23... Кондиционер
- 24... Отопление, дополнительные устройства, обогрев аккумуляторной батареи (АКБ)
- 25... Вентиляция
- 30... Электроснабжение (плюс), освещение салона
- 31... Электроснабжение (минус)
- 32... Электродвигатели
- 37... Компостер
- 40... Система управления трансмиссией
- 43... Тормоз-замедлитель (ретардер), моторный тормоз
- 49... Система мигающей световой сигнализации / аварийной световой сигнализации
- 50... Управление стартера
- 55... Маскировочное освещение
- 56... Ближний/дальний свет, световой сигнал, противотуманная фара, задняя противотуманная фара, регулирование угла наклона фар
- 57... Стояночный свет
- 58... Стояночный свет, габаритный свет, задний габаритный свет, подсветка щитка приборов.
- 59... Генератор, выработка электроэнергии
- 60... Система управления двигателем, система EDC, электронная система управления подачей топлива E-GAS, компьютер управления транспортным средством FFR
- 61... Привод вентилятора, охлаждающая жидкость
- 62... Радио
- 64... Диагностика, контрольное устройство, CAN
- 65... Навигационное устройство
- 68... Управление тормозной системой
- 69... Управление углом "складывания"
- 70... Электрическое подрессоривание ходовой части (ECAS) / амортизация ходовой части (ESAC, ADC)
- 71... Звуковой сигнал, следящее за сигналом устройство
- 72... Проблесковый маячок, фара рабочего освещения
- 73... Противоблокировочное устройство ABS
- 74... Противобуксовочная система ASR
- 75... Радио
- 76... Динамик
- 77... Управление дверей
- 78... Кухня
- 80... Центральный замок, блокировка опрокидывания кабины
- 90... Фильтрующее устройство, система защиты от оружия массового поражения, сажи и пыли
- 91... Подъёмное устройство
- 92... Гидравлическая система
- 93... Пневматическая система
- 94... Установка пулемета
- 95... Погрузочное устройство
- 96... Устройство управления огнём
- 97... Осушительная установка
- 99... Дополнительные системы
Все описания в