Антиблокировочная система тормозов (АБС) на прицепах-самосвалах
МАЗ 856100, 856101, 856102, 857100, 857101
Назначение антиблокировочной системы
На прицепе может быть установлена антиблокировочная система (АБС), предотвращающая блокировку (юз) колёс при торможении.
Примечания
1 На прицепах МАЗ в основном устанавливается АБС типа 4S/3М (4 датчика/3 модулятора).
2 На прицепах различных модификаций может быть установлена АБС версии «VCS-II» ф. Wabco или НПРУП «Экран».
АБС значительно облегчает работу водителей тяжелых транспортных средств в критических ситуациях, компенсируя ошибочные действия при торможении, регулируя тормозное усилие на контролируемых колёсах пропорционально силе сцепления колеса с дорожным покрытием. Это позволяет избежать блокировки колес даже при аварийном торможении на обледеневшем участке дороги и обеспечивает оптимальное сцепление шин с дорожным покрытием. Тем самым сохраняется управляемость и устойчивость движения автопоезда, что чрезвычайно важно при езде на дорогах с низким коэффициентом сцепления (укатанный снег, лед, мокрый асфальтобетон).
Устройство
Одна из возможных схем установки АБС на трёхосный прицеп показана на рисунке ниже
Система содержит: колесные датчики частоты вращения колес 1, установленные в колесных узлах в специальной пружинной втулке 6, зубчатые роторы 8, закрепленные на ступице колес и вращающиеся вместе с ней, электронный блок управления 2, электропневматические модуляторы давления 3, установленные в тормозных магистралях перед тормозными камерами колес. Электронный блок управления подключается к системе электропитания тягача через кабель 5, с разъемом по ISO7638. Датчики частоты вращения колес и электропневмодуляторы соединены с электронным блоком через специальные соединительные кабели 4. Для осуществления диагностики системы с помощью специального тестового оборудования, может быть установлен диагностический разъем 7 по ISO 9141, расположенный с внешней стороны правого лонжерона, возле электронного блока.
Электрические схемы соединений АБС версии «VCS-II» ф. Wabco и АБС производства НПРУП «Экран» показаны на рисунках внизу соответственно.
Система не требует специального обслуживания, кроме контрольной проверки функционирования и проверки установки датчиков АБС при регулировке или смене подшипников в колесных узлах или смене тормозных накладок (если при этом производилось снятие ступиц). Для нормальной работы АБС зазор между статором и ротором датчика не должен превышать 0,2 мм.
Схема установки АБС на 3-осном полуприцепе
(тип системы 4S/3M — 4 датчика/3 модулятора)

1 — колесные датчики; 2 — электронный блок управления; 3 — электропневмо-модуляторы;
4 — соединительные кабели; 5 — кабель с разъемом для питания АБС;
6 — пружинные втулки датчиков; 7 — диагностический разъем; 8 — зубчатые роторы.
Схема установки АБС на 2-осном прицепе
(тип системы 4S/3M — 4 датчика/3 модулятора)

1 — колесные датчики; 2 — электронный блок управления; 3 — электропневмо-модуляторы;
4 — соединительные кабели; 5 — кабель с разъемом для питания АБС;
6 — пружинные втулки датчиков; 7 — диагностический разъем; 8 — зубчатые роторы.
Схема электрическая соединений АБС VCS2 ф. Wabco

Схема электрическая принципиальная АБС НПРУП «ЭКРАН»

Для установки минимального рабочего зазора между статором и ротором необходимо вывесить колесо, снять щит тормоза и воздействуя на торец статора датчика усилием 120-140 Н (12-14кгс) или легким постукиванием неметаллическим предметом через отверстие 5 переместить статор датчика в зажимной втулке в осевом направлении до упора в венец ротора и провернуть ступицу колеса на 2-3 оборота. Если перемещение датчика во втулке затруднено вследствие «закоксовывания» из-за попадания грязи,
коррозии и т. д. необходимо разобрать узел и смазать внутреннюю поверхность втулки тонким слоем (2,5гр.) пластичной смазки согласно спецификации WABCO JED-564 для импортных датчиков, консистентной смазкой Пента-219Д (Пента-220Д, 221Д) для датчиков НПРУП «Экран».
Если прицеп подключен к тягачу, оборудованному АБС, и система исправна, контрольная лампа с символом , расположенная на щитке приборов автомобиля-тягача загорается и гаснет (через 2 секунды) после включения замка выключения стартера и приборов в положение «ПРИБОРЫ.Если в системе возникает какая-либо неисправность, электронный блок не гасит контрольную лампу при начале движения, либо зажигает ее во время движения, если неисправность была обнаружена при движении. В
этих случаях действие обычной тормозной системы сохраняется, только функция предотвращения блокировки колес в процессе торможения ограничивается или выключается полностью (производится обычное торможение с возможностью блокировки («юза») колес).
Если контрольная лампа загорелась во время движения или не гаснет при начале движения, следует обратиться на сервисную станцию.
Таким образом, встроенная система самодиагностики и индикации отказов с помощью световых кодов позволяет определить неисправность АБС без использования специального диагностического оборудования.
Диагностика АБС VCS 2 (ф. Wabco) с помощью световых мигающих кодов.
Световые мигающие коды позволяют быстро индицировать текущие неисправности при помощи контрольной лампы ABS прицепа, установленной в тягаче, либо, контрольной лампой ABS на прицепе (если таковая установлена), без применения дополнительных инструментов и приспособлений.
Световые мигающие коды используются для упрощенной диагностики текущих неисправностей. Световые коды АБС VCS 2 позволяют определить неисправный элемент системы.
Световой код состоит из образцовых световых импульсов используемых для индикации неисправностей. Устройством, передающим световые коды, является контрольная лампа ABS прицепа, установленная на тягаче, либо, контрольная лампа ABS снаружи прицепа (если таковая установлена). Обе лампы подключены параллельно и работают синхронно.
Световой код индицирует только текущую (активную) неисправность (это значит, что неисправность присутствует в текущий момент времени).
Если неисправностей несколько, индицируется код компонента, неисправность которого возникла последней. Доступ к содержимому памяти неисправностей при этом не поддерживается. Световой код активируется включением зажигания на время от одной до пяти секунд и последующим его
выключением. После того, как зажигание будет включено вновь, контрольная лампа, при наличии текущей неисправности, начнет выдавать мигающий сигнал. При этом допускается, что система может получать электропитание одновременно как по ISO 1185, так и по ISO 12098 (питание от стоп-игналов 24N).
После активации световых кодов будет индицироваться текущая неисправность. Количество вспышек указывает на “проблемный” компонент.
Все коды неисправностей приведены в списке мигающих световых кодов.
Более того, такие же номера проштампованы на корпусе электронного блока напротив разъемов соответствующих элементам системы.
После активации, мигающий световой код повторяется трижды.
Список световых мигающих кодов
Код неисправности Наименование компонента
3 Датчик скорости BU1 (H2) c
4 Датчик скорости YE1 (H1) d
5 Датчик скорости BU2 (Z2) e
6 Датчик скорости YE2 (Z1) f
7 Внешний модулятор RD (L)
9 Впускной клапан внутреннего модулятора 2
10 Впускной клапан внутреннего модулятора 1
11 Выпускной клапан внутреннего модулятора
14 Электропитание
15 Внутренняя неисправность ECU
18 Неисправность GenericIO
Диагностика АБС НПРУП «Экран» с помощью световых мигающих кодов.
Диагностика и определение места и вида неисправности производится при использовании специальной диагностической кнопки-индикатора, в дальнейшем ДКИ.
Для запуска режима диагностики необходимо вставить ДКИ в диагностический разъём ISO9141 и нажать кнопку один раз на 2 сек. После отпускания кнопки индикатор произведёт серию световых кодов, по которым можно определить конфигурацию системы, неисправный компонент и тип неисправности.
Последовательность вывода световых кодов: стартовый импульс 4 сек, пауза 2 сек, код конфигурации, пауза 2 сек, код компонента, пауза 2 сек, код неисправности.
После устранения всех неисправностей необходимо выполнить стирание кодов неисправностей из памяти ЭБУ. Для этого следует нажать кнопку на 2 сек и после прохождения кода конфигурации снова нажать кнопку на время вывода кодов всех неисправностей. После этого необходимо выключить и вновь включить питание АБС.
Если прицеп сцеплен с автомобилем, в кабине которого установлена специальная кнопка диагностики АБС прицепа, то вывод световых кодов может быть произведён нажатием этой кнопки, как описано выше. При этом информация выводится на контрольную лампу с символом , расположенную на щитке приборов.
Примечание – Кнопка диагностики АБС прицепа, оборудованного АБС НПРУП «Экран», устанавливается только на автомобилях семейства МАЗ-6422.
При невозможности определить неисправность АБС с использованием встроенных средств диагностики следует обратиться на станцию техобслуживания для комплексной диагностики с помощью диагностического оборудования, подключаемого к диагностическому разъёму.
Электрооборудование
Электрооборудование прицепов МАЗ-856100, МАЗ-857100 (в соответствии с рисунками 32 и 33) выполнено по однопроводной схеме. В качестве второго провода служат металлические части прицепа.
Электрооборудование прицепов МАЗ-856101, МАЗ-856102 и МАЗ-857101 (в соответствии с рисунками 33 и 34) выполнено по двухпроводной схеме.
Система электрооборудования включает в себя следующие изделия:
— задние фонари, выполняющие функции габаритных огней, указателей поворотов, сигналов торможения, контурного огня, сигнала заднего хода; заднего противотуманного огня, бокового габаритного фонаря и светоотражающего устройства, сигнала заднего хода;
— контурные фонари;
— фонари освещения номерного знака;
— подфарники со светоотражающим устройством;
— фонарь габаритный боковой со светоотражающим устройством;
— жгуты проводов для подключения изделий электрооборудования;
— задние световозвращатели красного цвета треугольной формы;
— фонарь задний противотуманный – для МАЗ-856100 и МАЗ-857100;
— розетку переносной лампы для проведения обслуживания в тёмное время суток – для МАЗ-856100 и МАЗ-857100;
— две семиконтактные вилки;
— коробку распределительную коммутационную – для МАЗ-856101, МАЗ-856102 и МАЗ-857101.
Соединение электропроводов и большинства изделий прицепов МАЗ-856100 и МАЗ-857100 осуществляется с помощью штекерных соединителей. Штекерные соединители помещены в герметичные коробки для защиты от попадания влаги и грязи. Отдельные соединители защищены резиновыми чехлами.
Соединение электропроводов с фонарями и КРК прицепов МАЗ-856101, МАЗ-856102 и МАЗ-857101 осуществляется с помощью байонетных разъемов.
Отражающая поверхность рассеивателей фонарей и линз светоотражателей должна периодически очищаться от пыли и грязи.
Включение и выключение светосигнальных огней производится переключателями, установленными в кабине тягача.
Номинальное напряжение системы электрооборудования 24В.
Источниками света служат лампы накаливания А24-5-1, А24-10 и А24-21-3.
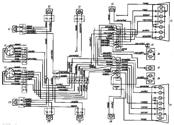
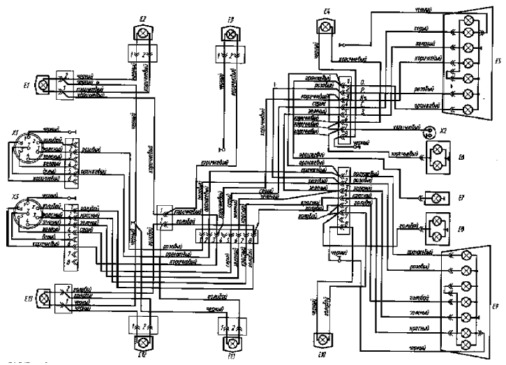
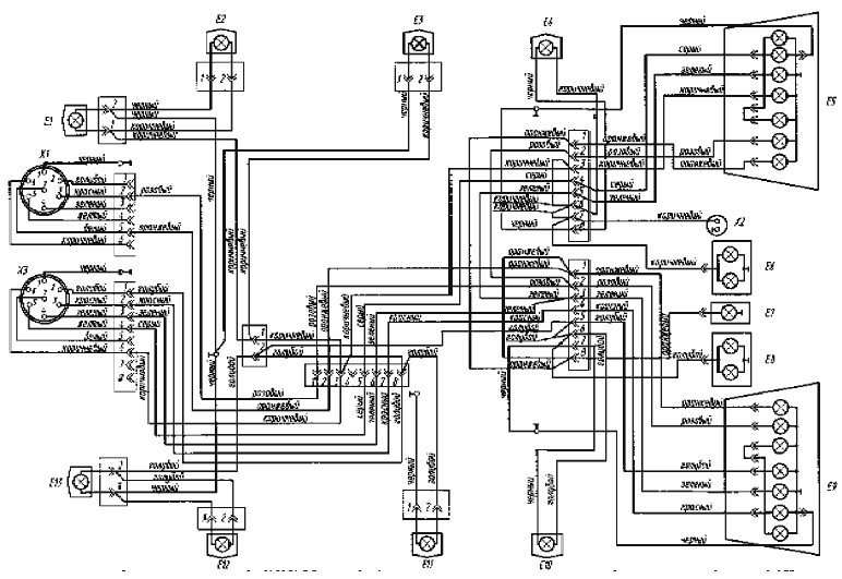
Принципиальная схема электрооборудования прицепа МАЗ-856100

Е1, Е13 — подфарник со светоотражающим устройством; Е2, Е3, Е11, Е12 — фонарь боковой габаритный со светоотражающим устройством; Е4 — фонарь полного габарита правый; Е5 — фонарь задний правый; Е6, Е8 — фонарь освещения номерного знака; Е7 — фонарь задний противотуманный; Е9 — фонарь задний левый; Е10 — фонарь полного габарита левый; Х1, Х3 — вилка семиконтактная; Х2 — розетка переносной лампы.
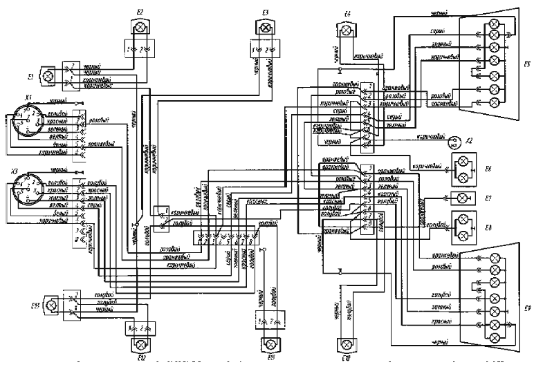
Принципиальная схема электрооборудования прицепа МАЗ-857100

Е1, Е13 — подфарник со светоотражающим устройством; Е2, Е3, Е11, Е12 — фонарь боковой габаритный со светоотражающим устройством; Е4 — фонарь полного габарита правый; Е5 — фонарь задний правый; Е6, Е8 — фонарь освещения номерного знака; Е7 — фонарь задний противотуманный; Е9 — фонарь задний левый; Е10 — фонарь полного габарита левый; Х1, Х3 — вилка семиклеммовая; Х2 — розетка переносной лампы.
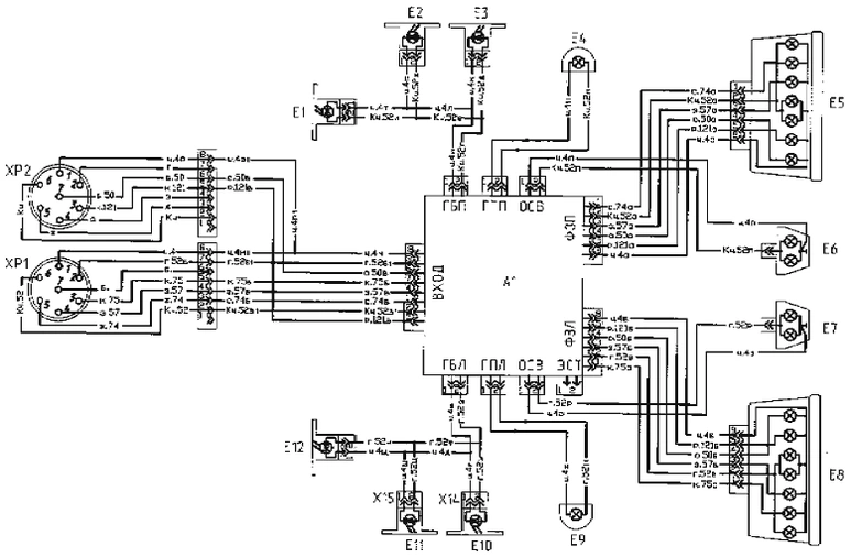
Принципиальная схема электрооборудования прицепов МАЗ-856101 и МАЗ-856102

Е1, Е14 — подфарник со светоотражающим устройством; Е2...Е4, Е11...Е13 — фонарь боковой габаритный; Е5 — фонарь полного габарита; Е6 — фонарь задний; Е7, Е8 — фонарь освещения номерного знака; Е9 — фонарь задний;
Е10 — фонарь полного габарита; ХР1, ХР2 — розетка семиконтактная; А1 — коробка распределительная коммутационная.
Принципиальная схема электрооборудования прицепа МАЗ-857101

Е1, Е12 — подфарник со светоотражающим устройством; Е2...Е3, Е10...Е11 — фонарь боковой габаритный; Е4 — фонарь полного габарита; Е5 — фонарь задний; Е6, Е7 — фонарь освещения номерного знака; Е8 — фонарь задний; Е9 — фонарь полного габарита; ХР1, ХР2 — розетка семиконтактная; А1 — коробка распределительная коммутационная.