Нет задней передачи на грузовике FORD
Описание неисправности
• Перестала включаться задняя передача ZF 16S2230
Выполненные действия
• При отключении датчика давления передача начинает включаться.
• Поиск неисправностей в цепях управления КПП результатов не дал.
Детальная диагностика всего автомобиля выявила еще ряд неисправностей:
• Не включалась не только задняя передача но 1-я и 2-я передачи.
• Не работал тахограф. При включении зажигания не включался дисплей тахографа.
• Не работал спидометр.
• Не работал вентилятор отопления/вентиляции кабины.
• Не включался механизм отбора мощности.
План дальнейших действий
• Основная идея плана - после детальной диагностики выявить наиболее «простые» неисправности и их устранить.
• Анализ схемы показал что наиболее простой для устранения является неисправность тахографа.
Al - постоянное питание и АЗ - питание при включении зажигания, присутствует.
• Проверка «земли» показала что на клемме А6 - «земля зажигания» «земля» отсутствует. Для пробы была установленная временная перемычка А5-А6.
• Все функции восстановились.
Анализ неисправности
• При отключении датчика давления 1-я, 2-я и задняя начинали включаться, так как система управления видит низкое давление воздуха и запрещает работу блокировки низких передач.
• Не работал вентилятор отопления/вентиляции (АС) кабины
• Не работал прикуриватель
• Не работал тахограф
• Так как тахограф не давал сигнал скорости в V-CAN то:
• Не включался отбор мощности (BCU не видел скорости)
• Не работал спидометр.
• Система управления КПП блокировала включение низких передач.
Пояснение: система блокировки низких передач предотвращает случайное включение 1-й или 2-й передачи (вместо 5-й или 6-й) при скоростях движения свыше 15-18 км/час , чем предотвращается «заброс» оборотов двигателя в красный сектор тахографа.
Цепи заземления
Тахограф, Блок управления вентилятора отопления/вентиляции кабины и прикуриватель имеют одну общую цепь - от спайки S2D184-B на точку заземления D184. Поэтому обрыв «земли» на участке между спайкой S2D184-B и точкой заземления D184 привел к отказу ряда систем.

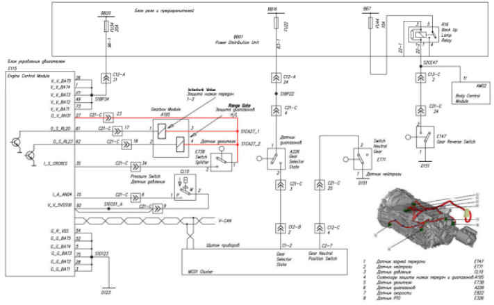
Элементы управления ZF16S2230

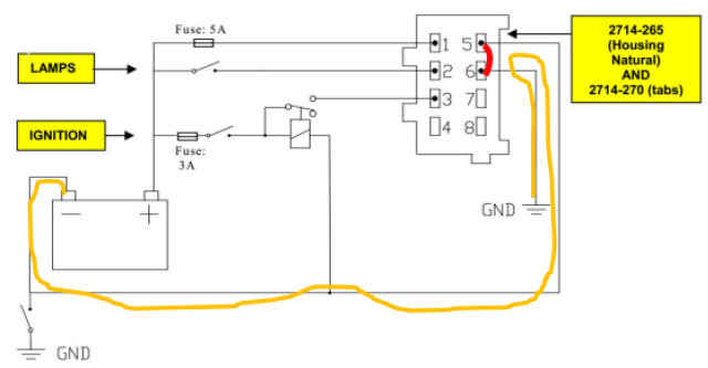
Цепи питания тахографа
Предупреждение: Категорически нельзя оставлять перемычку А5-А6 после диагностики, так как при выключенном выключателе «массы» , при попытке запуска, стартерный ток пройдет по пути, указанном на рисунке. Так как сечение проводов этого контура 1,5 - 4,0 мм2 то стартерный ток вызовет их возгорание и повреждение жгутов проводки.

Распиновка тахографа

Управление КПП ZF 16S2230
Система управления механической КПП

Выводы
1. Первым шагом любой диагностики должна быть проверка всех функций автомобиля, проверка всех его систем с целью выявления всех неисправностей, а не только поиск заявленного водителем дефекта.
2. При наличии нескольких неисправностей - анализ электрической схемы с целью выявления общих, для неработающих систем, электрических цепей или влияющих элементов.
3. Из списка выявленных неисправностей поиск дефекта начинать с самых «простых» с точки зрения устранения, неисправностей. В данном случае тахограф находился в кабине и доступ к нему был наиболее легкий, проверка питания не составила труда. По стечению обстоятельств именно в его цепи была главная неисправность.