Электросхемы Jaguar 695 CLAAS
Внимание! Напряжение бортовой сети для эксплуатации электрического оборудования и электроники
должно составлять от 12 до 14,5 В. В случае недостижения или превышения этих значений качественная работа электрооборудования и электроники не гарантируется.
Контроль и измерения - электрическая часть


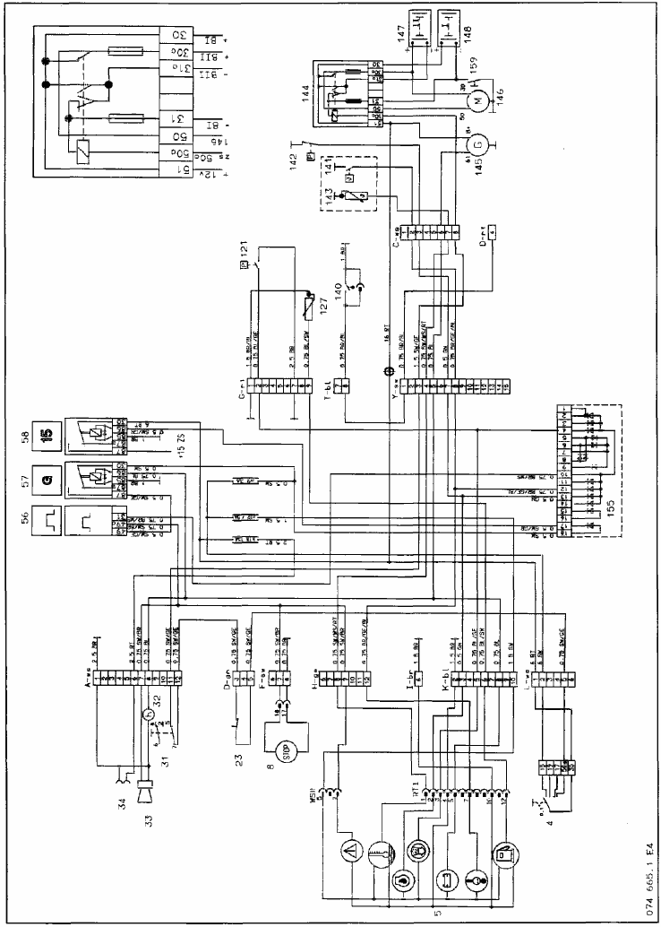
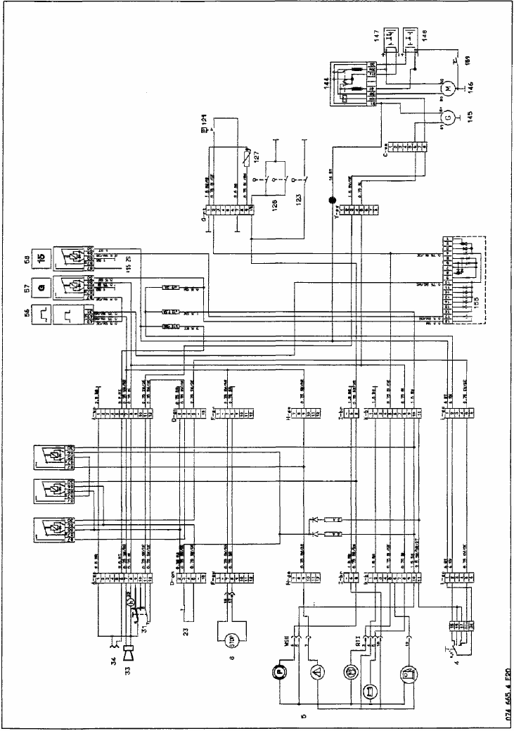
Запуск дизельного двигателя 24 В, датчики давления масла, температуры воды,
наличия топлива, превышения температуры, уровня загрязненности воздушного
фильтра, счетчик моточасов, воспламенитель для сигарет (номера машин до ...)

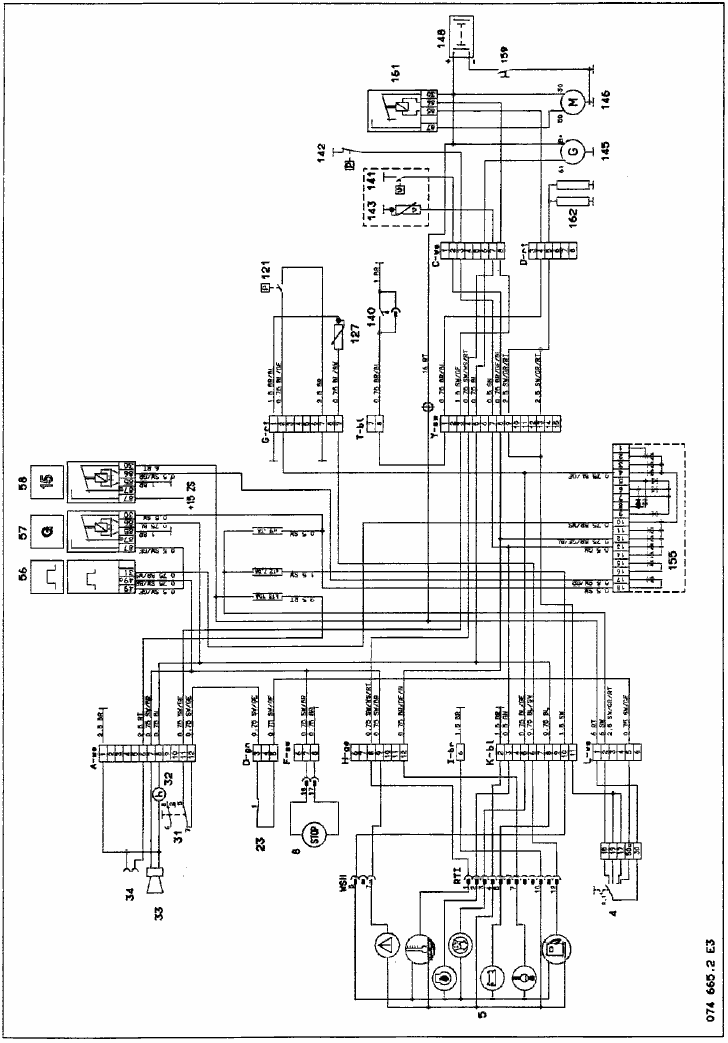
4 - Замок-выключатель зажигания
5 - Информатор движения
8 - Функциональный информатор
23 - Выключатель, блокировка пуска
31 - Выключатель, главный привод
32 - Счетчик часов работы
33 - Зуммер
34 - Подключение прикуривателя
56 - Импульсный датчик
57 - Реле, генератор
58 - Реле 15
121 - Предупредительный контактный выключатель, воздушный фильтр
127 - Датчик указателя уровня топлива
140 - Блокировка пуска, сцепление (вариант для опред. стран)
141 - Предупредительный контактный выключатель, охлаждающая вода
142 - Реле давления масла
143 - Датчик дистанционного термометра
144 - Пусковой переключатель аккумуляторных батарей (с предохранителями 2 х 80 А)
145 - Генератор трехфазного тока
146 - Двигатель стартера
147 - Батарея П
148 - Батарея I
155 - Диодная плата
159 - Выключатель аккумуляторной батареи (вариант для опред. стран)
Запуск дизельного двигателя 24 В, датчики давления масла, температуры воды,
наличия топлива, превышения температуры, уровня загрязненности воздушного
фильтра, счетчик моточасов, воспламенитель сигарет (от номера машино ...
датчик стояночного тормоза серийно)

Запуск дизельного двигателя 24 В, датчики давления масла, температуры воды,
наличия топлива, превышения температуры, уровня загрязненности воздушного
фильтра, счетчик моточасов, воспламенитель сигарет (от номера машино ...
набор для дооснастки датчиком стояночного тормоза)

Запуск дизельного двигателя 24 Д датчики давления масла, температуры воды,
наличия топлива, превышения температуры, уровня загрязненности воздушного
фильтра, счетчик моточасов, воспламенитель сигарет, устройство контроля за
двигателем

Запуск дизельного двигателя 24 В, датчики давления масла, температуры воды,
наличия топлива, превышения температуры, уровня загрязненности воздушного
фильтра, счетчик моточасов, воспламенитель сигарет

Аварийный световой сигнал, сигнал поворота, звуковой сигнал, сигнал включения
заднего хода

1 - Выключатель аварийной световой сигнализации
3 - Переключатель указателей поворота
5 - Информатор движения
55 - Реле прерывателя указателей поворота
99 - Задний фонарь указателя поворота слева
102 - Задний фонарь указателя поворота справа
106 - Подсоединение для штепсельной розетки прицепа
130 - Звуковой сигнал
131 - Передний фонарь указателя поворота слева
135 - Передний фонарь указателя поворота справа
167 - Выключатель сигнала включения заднего хода
168 - Сигнал включения заднего хода
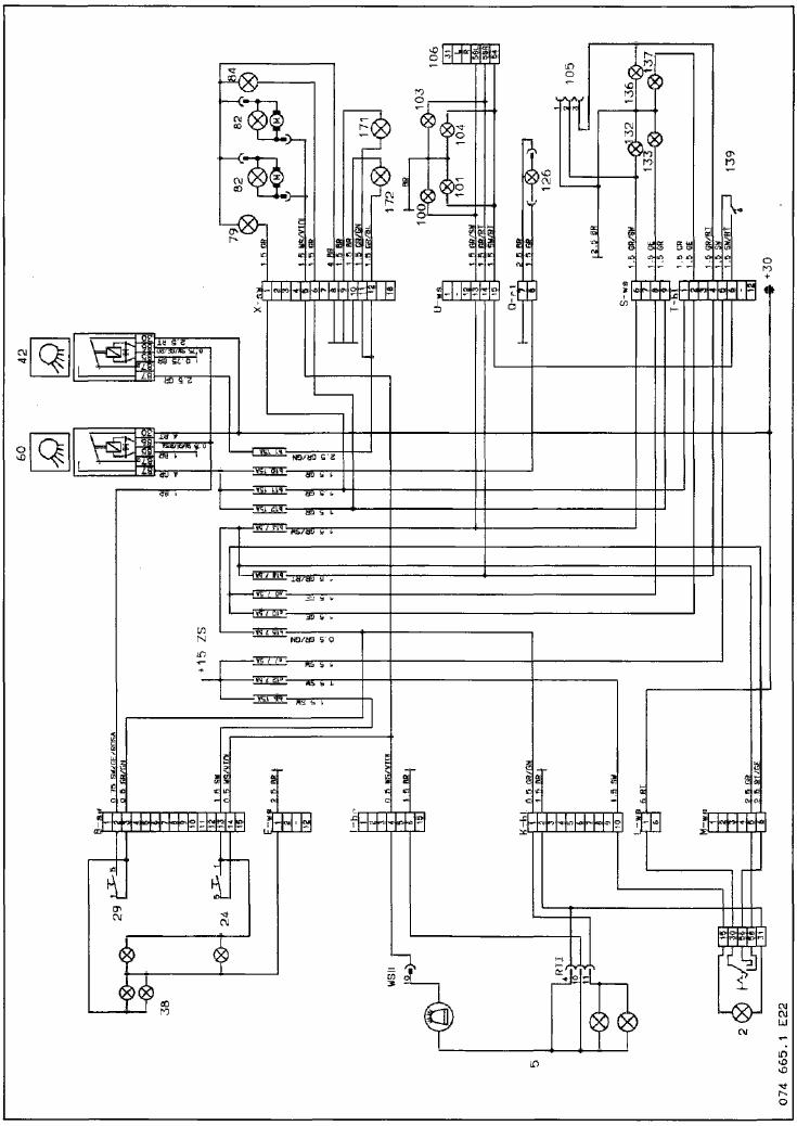
Рабочее освещение, круговая сигнальная лампа, сигнальный контакт ночжного и
ручного тормоза (машины с номером до... - 2 фары)

2 - Переключатель света
5 - Информатор движения
24 - Выключатель, проблесковый маячок
29 - Выключатель фары рабочего освещения
38 - Освещение щитка приборов
60 - Реле, фара рабочего освещения
79 - Фара рабочего освещения вверху
82 - Проблесковый маячок
84 - Фара рабочего освещения вверху
100 - Стояночный огонь слева
101 - Сигнал торможения слева
103 - Стояночный огонь справа
104 - Сигнал торможения справа
105 - Подсоединение габаритных фонарей приставок
106 - Подсоединения штепсельной розетки прицепа
123 - Датчик контроля дискового тормоза
126 - Фары рабочего освещения, выводная башня
128 - Выключатель, стояночный тормоз
132 - Габаритный фонарь спереди слева
133 - Фара освещения дороги слева
136 - Габаритный фонарь спереди справа
137 - Фара освещения дороги справа
139 - Выключатель сигнала торможения
5 - Информатор движения
24 - Выключатель, проблесковый маячок
29 - Выключатель фары рабочего освещения
38 - Освещение щитка приборов
60 - Реле, фара рабочего освещения
79 - Фара рабочего освещения вверху
82 - Проблесковый маячок
84 - Фара рабочего освещения вверху
100 - Стояночный огонь слева
101 - Сигнал торможения слева
103 - Стояночный огонь справа
104 - Сигнал торможения справа
105 - Подсоединение габаритных фонарей приставок
106 - Подсоединения штепсельной розетки прицепа
123 - Датчик контроля дискового тормоза
126 - Фары рабочего освещения, выводная башня
128 - Выключатель, стояночный тормоз
132 - Габаритный фонарь спереди слева
133 - Фара освещения дороги слева
136 - Габаритный фонарь спереди справа
137 - Фара освещения дороги справа
139 - Выключатель сигнала торможения
Рабочее освещение, круговая сигнальная лампа, сигнальный контакт ночжного и
ручного тормоза (машины с номером... - 4 фары)

Кабина, стеклоочиститель, компрессор-кондиционер

6 - Выключатель стеклоочистителя
7 - Двигатель кругового стеклоочистителя
8 - Функциональный информатор
61 - Реле компрессора-кондиционера
78 - Подключение радиоприемника и радиотелефона
80 - Внутреннее освещение с выключателем
85 - Термостатный выключатель, компрессор-кондиционер
86 - Двигатель вентилятора
87 - Выключатель вентилятора
97 - Предохранительный выключатель компрессора-кондиционера
98 - Предохранительный выключатель ко мпрессора - кондиционера
125 - Электромагнитная муфта компрессора-кондиционера
129 - Насос стеклоочистителя
155 - Диодная плата
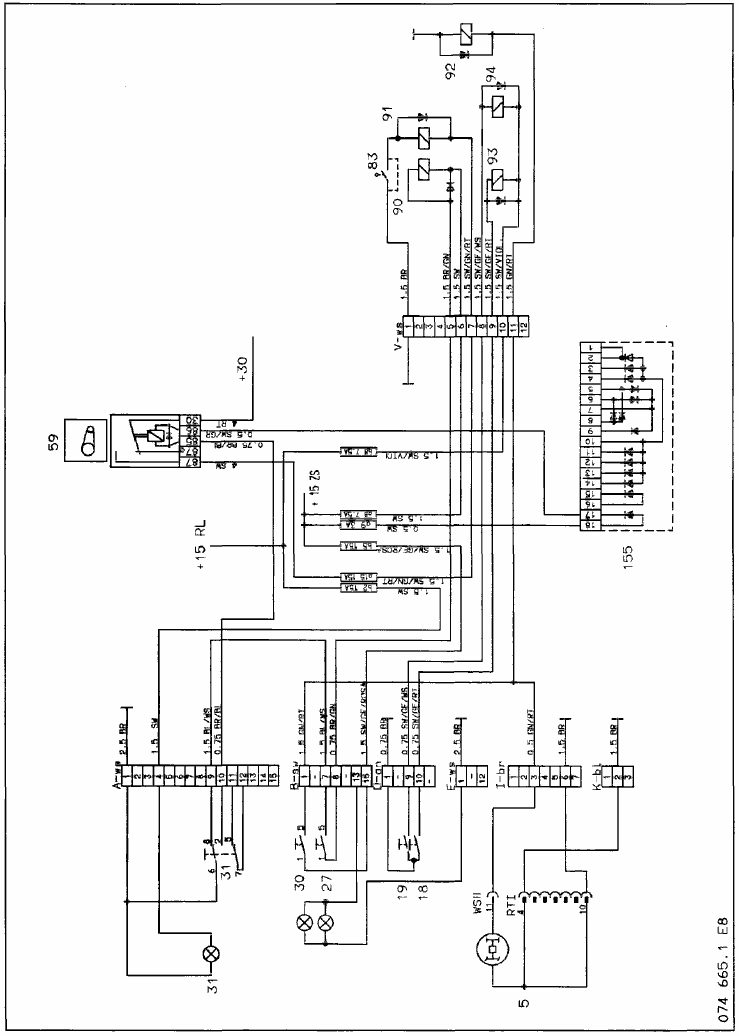
Главный привод, шлифование, регулирование заслонок, система Claas-4-Trac

5 - Информатор движения
18 - Выключатель, выброс далекий
19 - Выключатель, выброс близкий
27 - Шлифование
30 - Выключатель, система 4-Тгас
31 - Выключатель главного привода
59 - Реле главного привода
83 - Концевой выключатель, шлифование
90 - Магнитный клапан, шлифование (12 В, 2 А, продолжительность включения 100 %, сопротивление катушки 6 Ом)
91 - Магнитный клапан, главный привод (12 В, 2 А, продолжительность включения 100 %, сопротивление катушки 6 Ом)
92 - Магнитный клапан, система 4-Тгас (12 В, 2 А, продолжительность включения 100 %, сопротивление катушки 6 Ом)
93 - Магнитный клапан, регулирование заслонок (12 В, 2 А, продолжительность включения 100 %, сопротивление катушки 6 Ом)
94 - Магнитный клапан, регулирование заслонок (12 В, 2 А, продолжительность включения 100 %, сопротивление катушки 6 Ом)
155 - диодная плата
Подъем - опускание приставки, автоматика опускания

17 - Выключатель, предварительная установка высоты среза вкл.
20 - Выключатель, приставку опустить
21 - Выключатель, приставку поднять
31 - Выключатель главного привода
35 - Выключатель деблокировки функции приставки
36 - Выключатель контурной системы
37 - Концевой выключатель предв. установки высоты среза
50 - Реле контурной системы
51 - Реле контурной системы
53 - Реле контурной системы
54 - Реле контурной системы
113 - Электромагнитный клапан, приставку поднять (12В, 3,5А, продолжительность включения 60 %, сопротивление катушки 3,4 Ом)
114 - Электромагнитный клапан, приставку опустить (12В, 3,5А, продолжительность включения 60 %, сопротивление катушки 3,4 Ом)
155 - Диодная плата
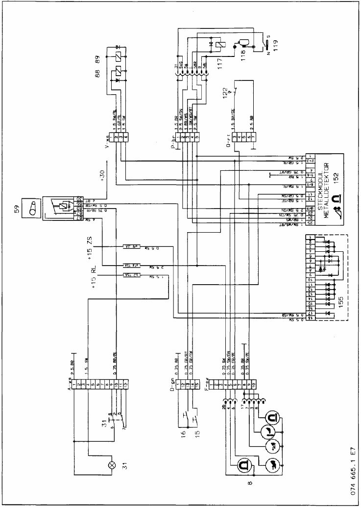
Металлический детектор, втягивающее устройство, реверсирование

8 - Функциональный информатор
15 - Выключатель, реверсирование
16 - Выключатель, втягивающее устройство вкл.
31 - Выключатель главного привода
88 - Электромагнитный клапан, втягивающее устройство вкл. (12 В, 2 А, продолжительность включения 100 %, сопротивление катушки 6 Ом)
89 - Электромагнитный клапан, реверсирование (12В, 2А, продолжительность включения 100 %, сопротивление катушки 6 Ом)
117 - Подъемный электромагнит, металлический детектор (12 В, 2,75 А, продолжительность включения 100 %, сопротивление катушки 3,2 Ом)
118 - Сенсорная ванна
119 - Выключатель гашения
122 - Концевой выключатель зажимного ролика
152 - Вставной модуль, металлический детектор управления втягивающим устройством
155 - Диодная плата
Автопилот

5 - Информатор движения
25 - Центрирующее устройство
26 - Главный выключатель
59 - Реле главного привода
74 - Электромагнитный клапан справа (12 В, 3,5А, продолжительность включения 60 %, сопротивление катушки = 3,4 Ом)
75 - Электромагнитный клапан слева (12 В, 3,5А, продолжительность включения 60 %, сопротивление катушки = 3,4 Ом)
76 - Ножной выключатель, автоматика вкл.
77 - Сельсин
81 - Выключатель, предохранитель схода
96 - Датчик угла колес
151 - Розетка приставки, автопилот
153 - Вставной модуль
163 - Копирный щуп справа
164 - Копирный щуп слева
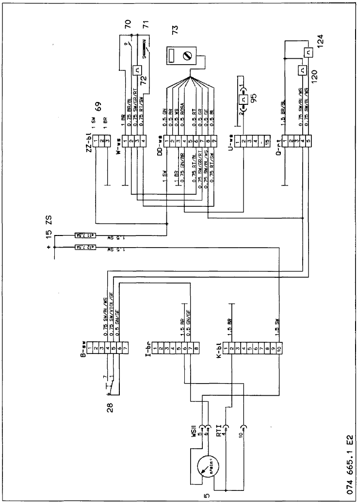
Бортовой информатор, присоединение дополнительных приборов

5 - Информатор движения
28 - Выключатель, предв. установка, указатель скорости вращения
69 - Присоединение дополнительных приборов
70 - Выключатель, положение приставки
71 - Герконовый выключатель, скорость движения
73 - Бортовой информатор
72 - Генератор Com Cracker
95 - Генератор, число оборотов двигателя
120 - Генератор, число оборотов ножевого барабана
124 - Генератор, скорость движения
Мотовило вперед-назад, мотовило поднять-опустить, сцепное устройство
поднять-опустить, выводную башню поднять-опустить

10 - Выключатель, выводная башня - регулировка по высоте
12 - Выключатель, сцепное устройство
13 - Выключатель, мотовило поднять-опустить
14 - Выключатель, мотовило вперед-назад
35 - Выключатель, деблокировка функции приставки
58 - Реле 15
107 - Электромагнитный клапан, мотовило вперед (12В, 4,5А, продолжительность включения 60%, сопротивление катушки = 2,7 Ом)
108 - Электромагнитный клапан, мотовило назад (12В, 4,5А, продолжительность включения 60%, сопротивление катушки = 2,7 Ом)
109 - Электромагнитный клапан, подъем мотовила (12В, 3,5А, продолжительность включения 60%, сопротивление катушки = 3,4 Ом)
110 - Электромагнитный клапан, опускание мотовила (12В, 3,5А, продолжительность включения 60%, сопротивление катушки = 3,4 Ом)
111 - Электромагнитный клапан, подъем сцепного устройства (12 В, 3,5 А, продолжительность включения 60 %, сопротивление катушки = 3,4 Ом)
112 - Электромагнитный клапан, опускание сцепного устройства (12 В, 3,5А, продолжительность включения 60%, сопротивление катушки = 3,4 Ом)
115 - Электромагнитный клапан, подъем выводной башни (12В, 4,5А, продолжительность включения 60%, сопротивление катушки = 2,7 Ом)
116 - Электромагнитный клапан, опускание выводной башни (12В, 4,5А, продолж. включения сопротивление катушки = 2,7 Ом)
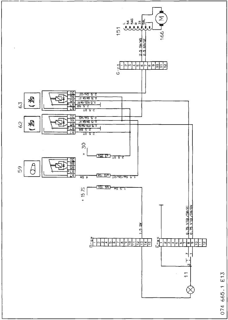
Регулирование числа оборотов мотовила

11 - Выключатель, регулирование числа оборотов мотовила
59 - 59 - Реле, главный привод
62 - Реле, регулирование числа оборотов мотовила
63 - Реле, регулирование числа оборотов мотовила
151 - Штепсельная розетка приставки
166 - Сервомотор, регулирование числа оборотов мотовила
Центральное распределительное устройство (штекерные соединения)
