Расположение компонентов и узлов DAF XF95
В центральном блоке имеется наклейка, на которой показано, какие реле, диоды и предохранители установлены на центральной печатной плате.
Основные коды узлов
Описание
Расположение
А000
Розетка прицепа (7-штырьковая)
За кабиной, задний торец рамы
А001
Розетка, задние противотуманные фонари, фонари заднего хода (7-штырьковая)
За кабиной, задний торец рамы
А004
Розетка, ABS / EBS (2-штырьковая)
За кабиной, задний торец рамы
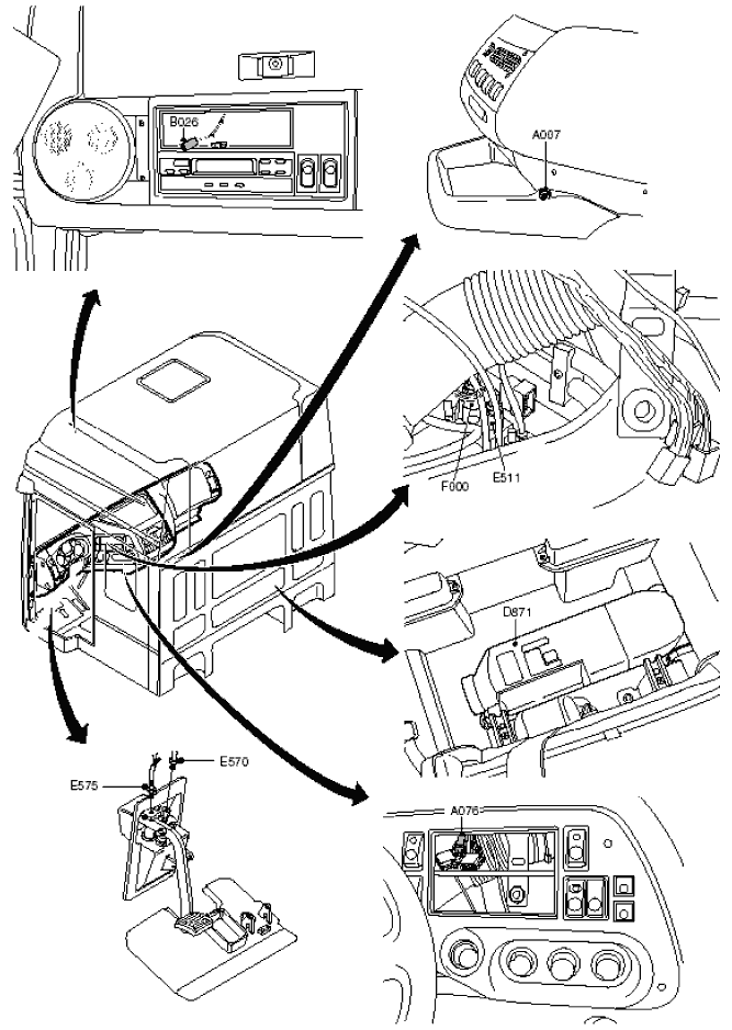
А007
24-вольтовая розетка (2-штырьковая)
Под центральной консолью, со стороны пассажира
А021
Розетка диагностики (16-штырьковая)
Под кронштейном подножки кабины, со стороны пассажира
А043
Розетка в основании сиденья водителя (2 штырьковая)
Левая стойка сиденья, со стороны водителя
В026
Разъем рации
В консоли крыши, со стороны водителя
А076
Телефонная розетка
За накладкой панели радиоприемника
А510
Аккумуляторная батарея системы сигнализации
На пластине крепления в центральном блоке
В071
Клапан подъема подъемного механизма
На насосе механического подъемного устройства между лонжеронами за ведомым мостом
В072
Клапан опускания подъемного механизма
На насосе механического подъемного устройства между лонжеронами за ведомым мостом
В073
Электродвигатель насоса механического подъемного устройства
На насосе механического подъемного устройства между лонжеронами за ведомым мостом
В176
Зуммер заднего хода
В задней поперечине рамы
В243
Клапан включения блокировки межколесного дифференциала
В лонжероне рамы, над задним мостом, со стороны водителя
В245
Контрольный клапан механизма РТО
Коробка передач, со стороны пассажира
В378
Нагревательный элемент топливного фильтра / влагоотделителя
Под кабиной со стороны водителя
В403
Резистор системы ECAS для увеличения уровня маневрирования, опускание
В жгуте проводов системы ECAS, центральный блок
В404
Резистор системы ECAS для увеличения уровня маневрирования, поднимание
В жгуте проводов системы ECAS, центральный блок
С622
Выключатель освещения
На приборной панели со стороны водителя
С716
Выключатель проблескового маячка
В консоли крыши, со стороны водителя
С725
Выключатель лампы рабочего освещения
На приборной панели, приборный щиток
С727
Выключатель противотуманных огней, передних / задних
На приборной панели, приборный щиток
С731
Выключатель внутреннего освещения в антресоли, со стороны пассажира F249 XC
На приборной панели, центральная консоль
С733
Выключатель внутреннего освещения в антресоли, со стороны водителя F249 XC
На приборной панели, центральная консоль
С735
Выключатель ночного освещения в кабине
На приборной панели, центральная консоль
С736
Выключатель открывающегося люка в крыше
На приборной панели, центральная консоль
С737
Выключатель тягового усилия, ABS/ASR-D
На приборной панели, центральная консоль
С739
Выключатель механического подъемного устройства
На приборной панели за панелью радиоприемника
С740
Выключатель системы ECAS, нормальное транспортное положение
На приборной панели за панелью радиоприемника
С741
Выключатель системы ECAS, подъем моста
На приборной панели за панелью радиоприемника
С742
Выключатель усиления тягового усилия
На приборной панели за панелью радиоприемника
С748
Выключатель управления блокировкой межколесного дифференциала
На приборной панели за панелью радиоприемника
С749
Контрольный выключатель блокировки межосевого дифференциала
На приборной панели за панелью радиоприемника
С750
Выключатель управления механизмом отбора мощности РТО
На приборной панели, приборный щиток
С751
Выключатель управления механизмом отбора мощности РТО
На приборной панели, приборный щиток
С760
Выключатель кондиционера
На приборной панели за панелью радиоприемника
С763
Потенциометр уменьшения яркости подсветки приборного щитка
На приборной панели, приборный щиток
С764
Потенциометр регулировки направленности света фар
На приборной панели, приборный щиток
С765
Выключатель аварийной сигнализации (со светодиодом подсветки)
На приборной панели, центральная консоль
С773
Выключатель задних противотуманных фонарей
На приборной панели, приборный щиток
С774
Выключатель центрального замка
На приборной панели, центральная консоль
С778
Выключатель отопителя кабины Eberspächer
На приборной панели, центральная консоль
С802
Переключатель заслонки рециркуляции
На приборной панели за панелью радиоприемника
C813
Выключатель фар-прожекторов на крыше
В консоли крыши, со стороны водителя
C835
Выключатель отключения датчика контроля кабины
На приборной панели, приборный щиток
C836
Выключатель отключения датчика контроля кузова / прицепа
На приборной панели, приборный щиток
C844
Выключатель отопителя кабины Eberspacher с таймером
На приборной панели, центральная консоль
C853
Выключатель «массы» в кабине
На приборной панели, центральная консоль
C854
Выключатель «массы» на раме
В корпусе лонжерона со стороны водителя
C859
Выключатель внутреннего освещения, консоль крыши со стороны водителя
На задней стене, со стороны водителя
С881
Выключатель подъема, система ECAS
На приборной панели за панелью радиоприемника
C883
Выключатель срабатывания усиления тягового усилия
На приборной панели за панелью радиоприемника
C890
Выключатель включения третьего тормоза
На приборной панели за панелью радиоприемника
С895
Выключатель системы ECAS, увеличение уровня маневренности автомобиля
На приборной панели за панелью радиоприемника
С897
Внутреннее освещение в кабине SH со стороны пассажира
На задней стене, со стороны водителя
D503
Электронный блок подъемного механизма
В распределительной коробке внутри рамы со стороны пассажира, передняя часть ведущего моста
D529
Электронный блок дистанционного управления системы ECAS
Слева от стойки сидения, со стороны водителя
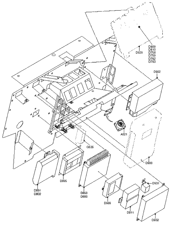
D609
Диод выключателя освещения
На печатном проводнике платы, центральный блок
D610
Диод, дальний свет / ближний свет
На печатном проводнике платы, центральный блок
D611
Диод, демпфирующий клапан опускания подъемного механизма
В распределительной коробке внутри рамы со стороны пассажира, передняя часть ведущего моста
D612
Диод, демпфирующий клапан подъема подъемного механизма
В распределительной коробке внутри рамы со стороны пассажира, передняя часть ведущего моста
D613
Диод, демпфирующее реле насоса подъемного механизма
В распределительной коробке внутри рамы со стороны пассажира, передняя часть ведущего моста
D622
Диод, блокировка подъема подъемного механизма
В распределительной коробке внутри рамы со стороны пассажира, передняя часть ведомого моста
D623
Диод, блокировка опускания подъемного механизма
В распределительной коробке внутри рамы со стороны пассажира, передняя часть ведущего моста
D709
Диод внутреннего освещения, предотвращение обратной связи на выключатель со стороны пассажира
В антресоли со стороны водителя
D710
Диод внутреннего освещения, для предотвращения обратной связи на выключатель со стороны водителя
В антресоли со стороны водителя
D715
Светодиод системы сигнализации
Под антресолью, в центре
D758
Диод предотвращения обратной связи с VIC
На печатном проводнике платы, центральный блок
D759
Диод предотвращения обратной связи со стоп-сигналами
На печатном проводнике платы, центральный блок
D782
Диод предотвращения обратной связи запирания двери, со стороны водителя
На печатном проводнике платы, центральный блок
D783
Диод внутреннего освещения, со стороны водителя
На печатном проводнике платы, центральный блок
D802
Электронный блок ECAS-2, (6х2)
Передняя часть крепежной пластины, центральный блок
D814
Электронный блок UPEC
В передней части блока двигателя, с левой стороны
D826
Электронный блок ограничителя тока системы VLG
В лонжероне рамы, со стороны водителя
D850
Электронный блок системы ABS/ASC, модель D
На крепежной пластине, центральный блок
D851
Электронный блок ECAS-3, (4х2)
На крепежной пластине, центральный блок
D571
Электронный блок отопителя кабины
За пассажирским сиденьем
D880
Электронный блок системы EBS
На крепежной пластине, центральный блок
D895
Электронный блок преобразователя (10А) с энергопитанием памяти радиоприемника
На крепежной пластине под печатной платой, центральный блок
D900
Электронный блок VIC
На крепежной пластине под печатной платой, центральный блок
D902
Электронный блок интардера ZF, EST-42
На крепежной пластине под печатной платой, центральный блок
D904
Контрольный выключатель меню, MCS
На приборной панели за панелью радиоприемника
D905
Электронный блок, центральный замок
В антресоли, со стороны водителя
D909
Электронный блок, система сигнализации, ультразвуковые датчики
Под антресолью в центре
D910
Электронный блок, зарядное устройство аккумуляторной батареи
На крепежной пластине, центральный блок
D911
Электронный блок системы сигнализации (ALS-S)
На крепежной пластине под печатной платой, центральный блок
D912
Электронный блок иммобилайзера
На рулевой колонке, рядом с переключателем зажигания/стартера
D924
Электронный блок выключателя «массы»
На лонжероне рамы, со стороны водителя
D929
Центральная печатная плата
Центральный блок, со стороны пассажира
D931
Светодиодный блок, иммобилайзер
На крепежной пластине под печатной платой, центральный блок
D932
Электронный блок системы EMAS
На крепежной пластине, центральный блок
D954
Модулятор коробки передач AS Tronic
В центральной части коробки передач
D955
Блок рычага переключения передач коробки передач AS Tronic
На трубопроводе двигателя со стороны водителя
D969
Диспетчер данных CAN (CDM)
Центральный блок, со стороны пассажира
D979
Электронный блок отопителя кабины Hydronic 10
В центре задней части кабины
E112
Предохранитель, лампа индикатора свечей накаливания
Над реле свечей накаливания
E153
Предохранитель выключателя «массы» для синхронизатора/аварийная остановка двигателя/ энергопитания выключателя «массы»
В лонжероне рамы, со стороны водителя
E279
Предохранитель регулировки напряжения генератора
Над реле стартера
E286
Главный предохранитель
На подрамнике блока двигателя с левой стороны
Е330
Предохранитель, «контрольные» провода выключателя «массы»
В лонжероне рамы, со стороны водителя
Е507
Бесконтактный выключатель подъемного механизма защиты от превышения осевой нагрузки (10 т)
Рядом с распределительной коробкой внутри рамы со стороны пассажира, в передней части ведомого моста
E509
Контрольный выключатель кондиционера, низкое/высокое давление
В трубопроводе испарителя, с внешней стороны кабины, со стороны пассажира
E511
Контрольный переключатель, стоп-сигналы
За накладкой панели радиоприемника
Е524
Датчик давления масла для выключателя подъемного механизма
На насосе механического подъемного устройства между лонжеронами, за ведомым мостом
E564
Выключатель моторного тормоза
На полу, со стороны водителя
E566
Контрольный выключатель термостата автономного отопителя кабины Eberspächer Airtronic
В задней стенке, со стороны водителя
E570
Пневматический переключатель, сцепление - механизм отбора мощности РТО N10
Над педалью сцепления
E575
Бесконтактный переключатель, сцепление
Рядом с педалью сцепления, с левой стороны
E579
Выключатель управления термостатом/обогревателем кабины, вентилятором Eberspächer (жидкостной)
В задней стенке, со стороны водителя
E580
Выключатель, термостат/обогреватель кабины, вентилятор, Eberspacher (таймер)
В задней стенке, со стороны водителя
E581
Выключатель, таймер обогревателя кабины Eberspacher Airtronic
В задней стенке, со стороны водителя
Е584
Бесконтактный выключатель для защиты от превышения нагрузки на ось (7,5 тонн)
Рядом с распределительной коробкой внутри рамы со стороны пассажира, в передней части ведущего моста
Е590
Селекторный выключатель коробки передач AS Tronic
На трубопроводе двигателя со стороны водителя
Е592*
Выключатель фонарей заднего хода (механизм РТО не установлен)
В верхней части коробки передач
Е592**
Выключатель фонарей заднего хода (установлен механизм РТО N 10)
В верхней части коробки передач
Е593*
Выключатель нейтрального положения
В верхней части коробки передач
Е593**
Выключатель нейтрального положения
В верхней части коробки передач
Е595
Выключатель защиты от включения низших передач КПП на высокой скорости
На коробке передач со стороны водителя
Е599
Выключатель нейтрального положения коробки передач
В верхней части коробки передач
F000
Контрольный выключатель стояночного тормоза
За накладкой панели радиоприемника
F050
Контрольный выключатель, давление блокировки дифференциала (1-ый и 2-ой дифференциал)
В лонжероне рамы, над задним мостом со стороны водителя
F087
Контрольный выключатель, отбор мощности с КПП
Коробка передач, со стороны водителя
F097
Бесконтактный выключатель подъемного механизма, поддерживающий задний мост
Рядом с распределительной коробкой, внутри рамы со стороны пассажира, передняя часть ведущего моста
F120
Выключатель на коробке передач, кулиса 3-4
С левой стороны коробки передач
F533
Датчик скорости (1-ый, 4-штырьковый)
Коробка передач, со стороны водителя
F603
Ультразвуковой передатчик
Под антресолью, в центральной части
F604
Ультразвуковой приемник
Под антресолью, в центральной части
F616
Датчик запирания кабины
В замке кабины со стороны пассажира
F619
Датчик запирания кабины, система сигнализации
В замке кабины со стороны водителя
F651
Датчик температуры окружающего воздуха
За бампером, со стороны водителя
F652
Датчик давления воздуха
На блоке подачи воздуха
F656
Датчик уровня охлаждающей жидкости
В задней части расширительного бачка
F673
Датчик уровня и температуры масла в двигателе
В поддоне картера двигателя, со стороны водителя
F686
Радарный датчик системы сигнализации
Под антресолью в центре
F705
Датчик скорости
На коробке передач, со стороны водителя
G014
Реле свечей накаливания
У блока двигателя, с левой стороны
G052
Реле, двигатель подъемного механизма
В распределительной коробке внутри рамы со стороны пассажира, передняя часть ведущего моста
G066
Реле перегрузки подъемного механизма
В распределительной коробке внутри рамы со стороны пассажира, передняя часть ведущего моста
G257
Реле клапана рециркуляции
С правой стороны блока отопителя
G258
Реле клапана рециркуляции
С правой стороны блока отопителя
G267
Реле кондиционера
С правой стороны блока отопителя
G279
Реле кондиционера
С правой стороны блока отопителя
G367
Реле энергопитания главного выключателя
В лонжероне рамы, над задним мостом, со стороны водителя
G380
Реле, механический подъемный мост, верхнее положение
В распределительной коробке внутри рамы со стороны пассажира, передняя часть ведущего моста
G381
Реле, механический подъемный мост (7,5 тонн)
В распределительной коробке внутри рамы со стороны пассажира, передняя часть ведущего моста
G535
Распределительный блок CAN
На крепежной пластине под печатной платой, центральный блок











