Автономные отопители DW 80 / DW 80-TRS
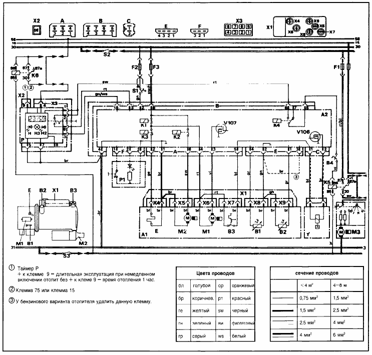
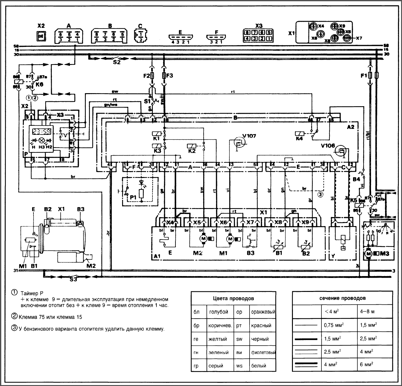
Схема подключения автоматики отопителей BW 80, DW 80,12 и 24 В

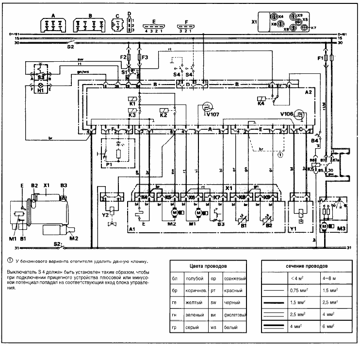
Схема подключения автоматики отопителя BW 80-TR 24 В (8025-3000-0001) (относится только к транспортным средствам, предназначенным для перевозки опасных грузов согласно TRGGVS/TRS)

После установки отопителя следует тщательно удалить воздух из системы охлаждения и топливной системы автомобиля. При этом следует придерживаться указаний завода-изготовителя автомобиля.
Во время пробного пуска отопителя следует проверить места соединений топливопровода и системы
охлаждения на прочность и герметичность. Если во время эксплуатации отопителя возникает неисправность, следует руководствоваться таблицей диагностики неисправностей.
Неисправности
Аварийное выключение.
Если не образуется пламени в камере сгорания, подача топлива прекращается не более, чем через
180 сек.
При прекращении процесса сгорания во время эксплуатации отопителя топливо продолжает подаваться
в течение не более 90 сек.
При перегреве отопителя (температурный предохранитель перегорает) подача топлива прекращается.
При аварийном выключении отопителя из-за понижения напряжения до:
- 10,2 + 0,2 В (у отопителей на 12 В)
- 20,4 ±0,4 В (у отопителей на 24 В)
в течение более 20 сек. подача топлива прекращается.
После устранения неисправности следует снять аварийную блокировку путем выключения и повторного
включения отопителя. В случае перегрева отопителя следует вернуть в первоначальное положение кнопку температурного ограничителя.
Поиск неисправностей.
Проверить предохранители в штеккерные разъемы.
Вид неисправности определяется по миганию контрольной лампы во время выбега отопителя.
После пяти коротких сигналов следует считать длинные световые импульсы:
- 1х сбой при пуске отопителя
- 2х прекращение процесса сгорания во время работы отопителя
- Зх пониженное напряжение
- 4х датчик пламени постоянно горячий
- 5х дефект датчика пламени
- 6х дефект температурного датчика
- 7х дефект дозировочного насоса
- 8х дефект нагнетателя воздуха в камеру сгорания
- 9х дефект стержня накаливания.

