Пояснения к номерам позиций на схемах участков DAF CF65/75/85
На схеме участка подробно представлена только та информация, которая является функционально-значимой для данного участка.
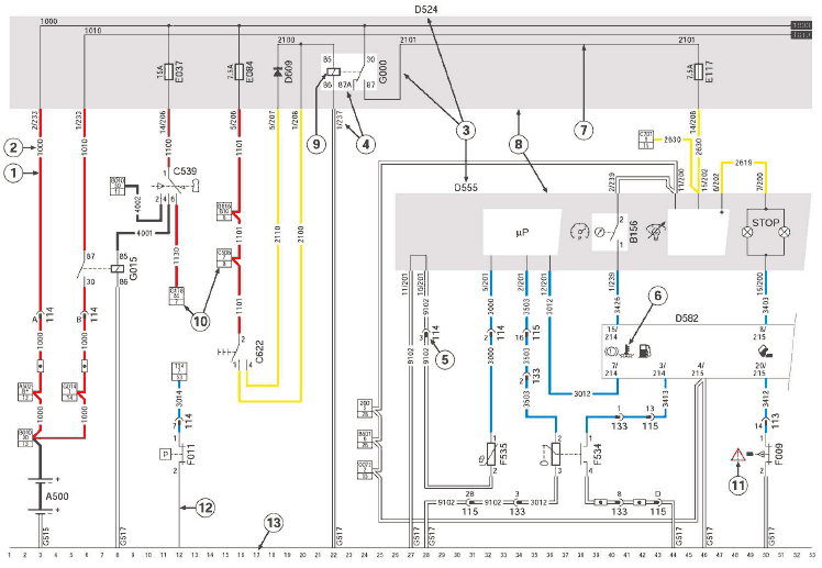
1. Провода показаны тем же цветом, что и провода на автомобиле.
2. Номера проводов те же, что и номера, напечатанные на проводах автомобиля.
Дополнения к номерам проводов, например, А, В, С и т.д.– опущены.
3. Основной код узла. Описание узла см. в пояснении к схеме. Более подробную информацию см. в пояснениях к схеме соответствующего участка.
4. Номер вывода провода или дорожки печатной платы на этом узле.
5. Основной код разъема и место подсоединения этого разъема.
6. Символами указывается на отношение к определенной системе или узлу (в большинстве случаев символ также показан на стекле сигнальной лампочки или выключателе).
7. Дорожки печатной платы.
8. Печатные платы центральной коробки и приборного щитка отмечены серым цветом.
9. Съемные узлы показаны белым цветом.
2. Номера проводов те же, что и номера, напечатанные на проводах автомобиля.
Дополнения к номерам проводов, например, А, В, С и т.д.– опущены.
3. Основной код узла. Описание узла см. в пояснении к схеме. Более подробную информацию см. в пояснениях к схеме соответствующего участка.
4. Номер вывода провода или дорожки печатной платы на этом узле.
5. Основной код разъема и место подсоединения этого разъема.
6. Символами указывается на отношение к определенной системе или узлу (в большинстве случаев символ также показан на стекле сигнальной лампочки или выключателе).
7. Дорожки печатной платы.
8. Печатные платы центральной коробки и приборного щитка отмечены серым цветом.
9. Съемные узлы показаны белым цветом.
10. Ссылка на узел с выводом и участок (схему участка), дающие дополнительную информацию об этом узле.

G178 = Основной код узла
85 = Вывод узла
7 = Ссылка на схему участка 7
11. ВНИМАНИЕ! Вследствие различия спецификаций, ситуация на автомобиле может быть различной. Всякий раз см. пояснения к схеме.
12. Корпус данного узла соединен с «массой». Следовательно, показанная линия не является проводом.
13. Номера на поисковой полоске.
14. Номер схемы участка, а также номер участка.
15. Соотнесенность с принципиальной схемой.
