Электросхемы RENAULT KERAX
33AA P 8X4 / 33BB P 8X4 / 33CC P 8X4 / 33DD P 8X4 / 33GG P 6X4 / 33HH P 6X4 / 33II P 6X4 / 33JJ P 6X4 /
33KK T 6X4 / 33LL T 6X4 / 33MM P 6X6 / 33NN T 6X6 / 33PP P 4X2 / 33QQ T 4X2 / 33RR P 4X4 / 33SS T 4X4
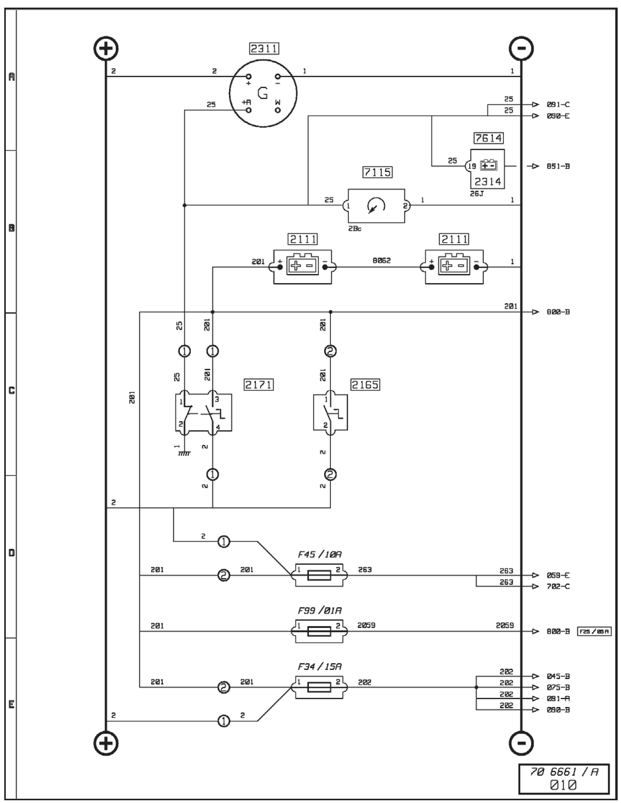
Выработка энергии
- 2111 Аккумуляторная батарея (батареи) C4d
- 2165 Общий выключатель C4d
- 2171 Общий выключатель с пневматическим приводом C4d
- 2311 Генератор B2c
- 2314 Контрольная лампа зарядки батареи C2b
- 7115 Хронометр A3c
- 7614 Главный дисплей C2b
1: с общим выключателем "ADR"
2: с механическим общим выключателем
Распределение после контакта
- 0112 Диод(ы)
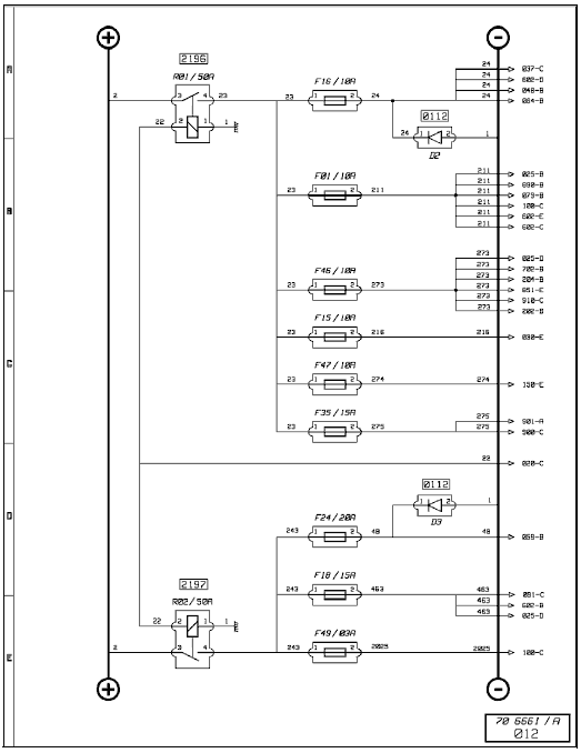
- 2196 Реле N°1 питания после контакта A2c
- 2197 Реле N°2 питания после контакта A2c
Пуск двигателя
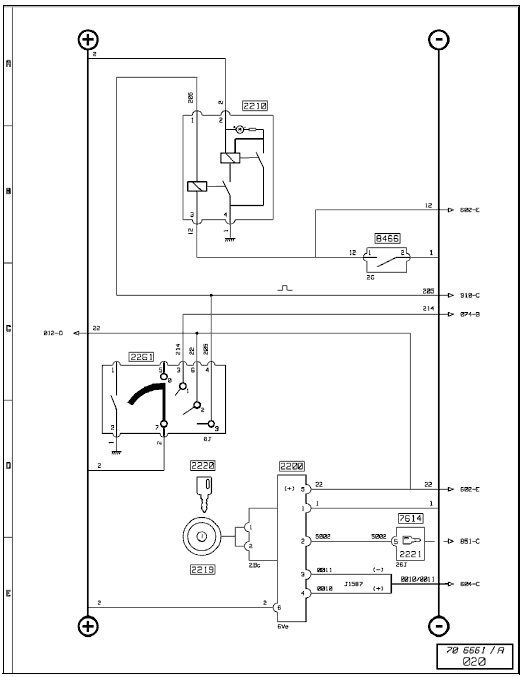
- 2200 Электронный блок с противоугонным устройством C2a
- 2210 Стартер с встроенным реле B3c
- 2219 Антенна ответчика C2a
- 2220 Ключ ответчика C2a
- 2221 "КОНТРОЛЬНЫЙ" сигнализатор электронного противоугонного устройства C2b
- 2261 Противоугонное устройство и электрический пуск C2b
- 7614 Главный дисплей C2b
- 8466 Датчик положения контакта на мёртвой точке B4d
Стартовая помощь двигателю
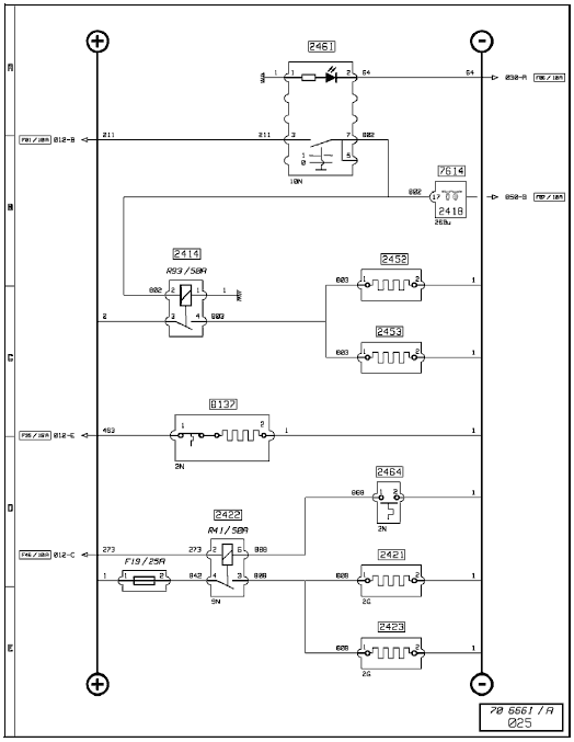
- 2414 Реле N°1 предпускового нагрева B3d / B2c
- 2418 Контрольная лампа предпускового нагрева C2b
- 2421 Элемент N°1 для подогрева топлива B3c
- 2422 Реле питания элемента д л я подогрева топлива A2b
- 2423 Элемент N°2 для подогрева топлива B3c
- 2452 Элемент N°1 предварительного нагрева B3c
- 2453 Элемент N°2 предварительного нагрева B3c
- 2461 Выключатель предпускового нагрева двигателя B2b
- 2464 Термоконтакт подогревателя дизельного топлива C3c / B3d
- 7614 Главный дисплей C2b
- 8137 Подогреватель на осушителе воздуха A1a
Стеклоочиститель(ли) и промыватель прожекторов
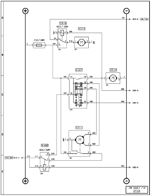
- 5300 Реле питания мотора стеклоочистителя(лей) A2c
- 5310 Реле времени питания насоса (стеклоомывателей) A2c
- 5311 Двигатель стеклоочистителя (стеклоочистителей) B1c
- 5314 Насос стеклоомывателя (стеклоомывателей) C1c
- 5319 Насос омывателей фар A2d
- 6167 Подрулевой привод C2b
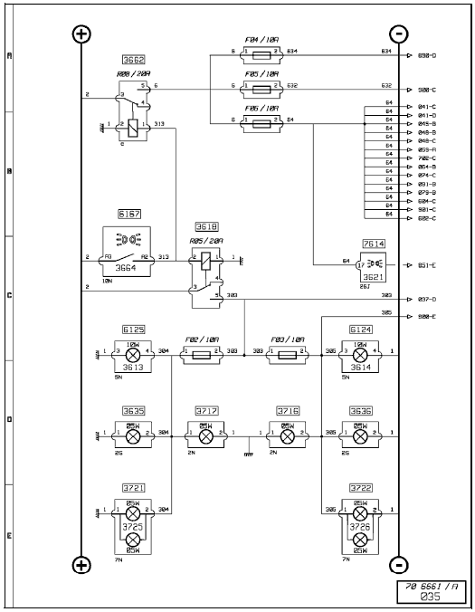
Габаритные подфарники
- 3613 Стояночный фонарь передний правый A1d
- 3614 Стояночный фонарь передний левый C1d
- 3618 Реле питания подфарников N°1 A2b
- 3621 Контрольная лампа стояночных фонарей C2b
- 3635 Габаритный правый подфарник(и) (кузовая оснастка) A2c
- 3636 Габаритный левый подфарник(и) (кузовая оснастка) A2c
- 3662 Реле питания освещения A2b
- 3664 Привод стояночных подфарников C2b
- 3716 Габаритный фонарь центральный левый C5d
- 3717 Габаритный фонарь центральный правый A4d
- 3721 Фонари задние правые (указатель поворота - стоп-сигнал - противотуманный фонарь - фонарь заднего хода - стояночный подфарник) A9d
- 3722 Фонари задние левые (указатель поворота - стоп-сигнал - противотуманный фонарь - фонарь заднего хода - стояночный подфарник) C9d
- 3725 Стояночный фонарь задний правый A9d
- 3726 Стояночный фонарь задний левый C9d
- 6124 Фары дальнего и ближнего света и левый подфарник C1d
- 6125 Фары дальнего и ближнего света и правый подфарник A1d
- 6167 Подрулевой привод C2b
- 7614 Главный дисплей C2b
Противотуманные фонари и прожектора / Фонари ближнего света
- 0102 Электрический вывод -
- 3500 Противотуманный фонарь(ри) задний левый C9d
- 3501 Противотуманный фонарь(ри) задний правый A9d
- 3513 Реле питания противотуманного фонаря(рей) A2b
- 3517 Контрольная лампа противотуманного фонаря (или фонарей) C2b
- 3721 Фонари задние правые (указатель поворота - стоп-сигнал - противотуманный фонарь - фонарь заднего хода - стояночный подфарник) A9d
- 3722 Фонари задние левые (указатель поворота - стоп-сигнал - противотуманный фонарь - фонарь заднего хода - стояночный подфарник) C9d
- 6102 Привод прожекторов ближнего света C2b
- 6111 Фара ближнего света правая A1d
- 6112 Фара ближнего света левая C1d
- 6119 Реле питания прожекторов ближнего света A2b
- 6120 Реле фонарей дневного света A2b
- 6124 Фары дальнего и ближнего света и левый подфарник C1d
- 6125 Фары дальнего и ближнего света и правый подфарник A1d
- 6132 Контрольная лампа фар ближнего света C2b
- 6167 Подрулевой привод C2b
- 6211 Противотуманный прожектор левый C1d
- 6212 Противотуманный прожектор правый A1d
- 6214 Реле питания противотуманных фар A2b
- 6218 Контрольная лампа противотуманных фар C2b
- 6262 Выключатель противотуманных фар B2b
- 6263 Привод противотуманного фонаря(ей) B2b
- 7614 Главный дисплей C2b
Прожектора дальнего света и добавочные
- 6113 Фара дальнего света правая Aid
- 6114 Фара дальнего света левая Cid
- 6121 Реле питания фар дальнего света A2b
- 6123 Контрольная лампа фар дальнего света C2b
- 6124 Фары дальнего и ближнего света и левый подфарник Cid
- 6125 Фары дальнего и ближнего света и правый подфарник Aid
- 6138 Двигатель регулировки положения левой фары C2d
- 6139 Двигатель регулировки положения правой фары A2d
- 6165 Привод прожекторов дальнего света C2b
- 6166 Выключатель регулировки фар C2b
- 6167 Подрулевой привод C2b
- 6215 Реле питания прожектора дальнего света A2b
- 6221 Прожектор дальнего света правый Aid
- 6222 Прожектор дальнего света левый Cid
- 6261 Выключатель фар дальнего света B2b
- 6314 Рабочий прожектор (тягача) C4c
- 6315 Контрольная лампа рабочего прожектора C2b
- 6362 Выключатель рабочего прожектора C2a
- 7614 Главный дисплей C2b
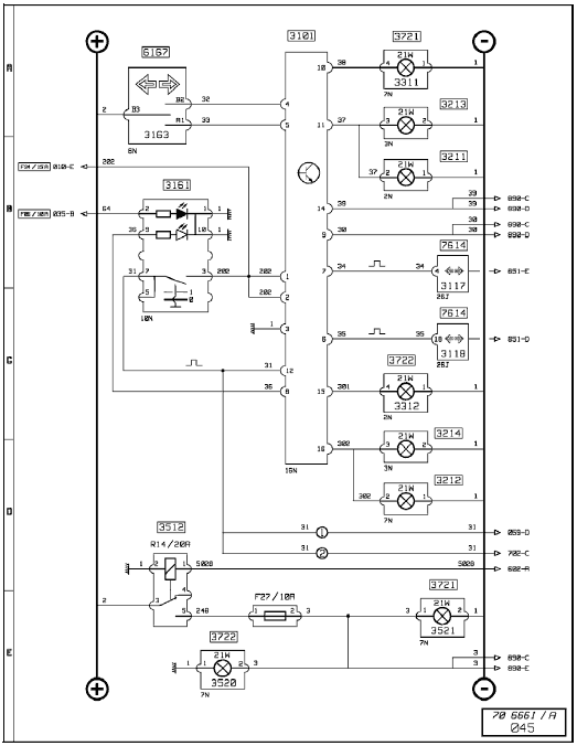
Указатели поворота
- 3101 Блок-переключатель указателей поворота A2a
- 3117 Мигающая контрольная лампа C2b
- 3118 Мигающая контрольная лампа прицепа C2b
- 3161 Кнопка управления аварийным сигналом B2b
- 3163 Привод указателя поворота C2b
- 3211 Передний правый указатель(ли) поворота A1d
- 3212 Передний левый указатель(ли) поворота C1d
- 3213 Боковой указатель правого поворота A3d
- 3214 Боковой указатель левого поворота C2d
- 3311 Указательный(ные) огонь(ни) поворота сзади справа A9d
- 3312 Указательный(ные) огонь(ни) поворота сзади слева C9d
- 3512 Реле питания стоп-сигнала A2b
- 3520 Огонь(ни) левого стоп-сигнала C9d
- 3521 Огонь(ни) правого стоп-сигнала A9d
- 3721 Фонари задние правые (указатель поворота - стоп-сигнал - противотуманный фонарь - фонарь заднего хода - стояночный подфарник) A9d
- 3722 Фонари задние левые (указатель поворота - стоп-сигнал - противотуманный фонарь - фонарь заднего хода - стояночный подфарник) C9d
- 6167 Подрулевой привод C2b
- 7614 Главный дисплей C2b
1: без предупредительного сигнала
2: с предупредительным сигналом
Фонари заднего хода и предупредительные сигналы
- 3410 Электроклапан сирены на крыше C2d
- 3411 Звуковой сигнал A2d
- 3417 Поворотная фара N°i C3a
- 3418 Поворотная фара N°2 A3a
- 3419 Реле питания гироскопической(ких) фары (фар) A2b
- 3462 Выключатель поворотных фар C2a
- 3466 Привод предупредительного сигнала C2b
- 3721 Фонари задние правые (указатель поворота - стоп-сигнал - противотуманный фонарь - фонарь заднего хода - стояночный подфарник) A9d
- 3722 Фонари задние левые (указатель поворота - стоп-сигнал - противотуманный фонарь - фонарь заднего хода - стояночный подфарник) C9d
- 6167 Подрулевой привод C2b
- 6321 Огонь(гни) заднего хода правый(ые) A9d
- 6322 Огонь(гни) заднего хода левый(ые) C9d
- 6325 Наружный звуковой предупредительный сигнал "ЗАДНЕГО ХОДА" B9d
- 6365 Привод зуммера " заднего хода " C2a
- 8472 Выключатель фонарей заднего хода B4d
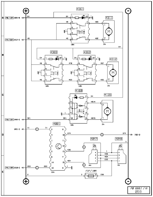
Электрический стеклоподъёмник / Открывающаяся крыша
- 4001 Блок централизованной блокировки дверей B2a
- 4047 Электрический замок со стороны пассажира A3b
- 4048 Электрический замок со стороны водителя C3b
- 4135 Электропривод аэратора крыши B3a
- 4160 Выключатель электропривода аэратора крыши C2a
- 4311 Привод стеклоподъемника окна водителя C2c
- 4312 Привод стеклоподъемника окна пассажира A2c
- 4361 Управление стеклоподъемником окна водителя C2b
- 4362 Управление стеклоподъемником окна пассажира A2b
- 4365 Управление стеклоподъемником окна пассажира (на стороне водителя) C2b
1: комплектация централизованного закрытия приводом с ключа
Поворотные и нагреваемые зеркала заднего вида
- 4114 Нагревательный элемент левого зеркала заднего вида с дефростом C2a
- 4115 Нагревательный элемент правого зеркала заднего вида с дефростом A2a
- 4118 Контрольный указатель зеркал заднего вида с дефростом C2b
- 4122 Водительское поворотное зеркало заднего вида с дефростом C2a
- 4123 Пассажирское поворотное зеркало заднего вида с дефростом A2a
- 4126 Реле питания нагревательного элемента размораживания зеркал заднего вида A2c
- 4144 Двигатель горизонтального поворота правого зеркала заднего вида A2a
- 4145 Двигатель вертикального поворота правого зеркала заднего вида A2a
- 4146 Двигатель горизонтального поворота левого зеркала заднего вида C2a
- 4147 Двигатель вертикального поворота левого зеркала заднего вида C2a
- 4161 Привод поворота наружного(ных) зеркала (зеркал) заднего вида C2b
- 4163 Выключатель размораживания зеркал заднего вида C2a
- 7614 Главный дисплей C2b
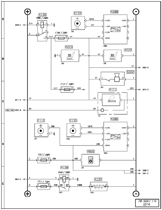
Подсветка (дополнительного комфорта)
- 0112 Диод(ы) C2b / A2c
- 3610 Предупредительный сигнал "ПОТУШИТЬ СВЕТ" C2b
- 4078 Контакт двери со стороны водителя C2c
- 4079 Контакт двери со стороны пассажира A2c
- 4618 Плафон водителя B2a
- 4621 Плафон нижней кушетки C4a
- 4625 Плафон пассажира B2a
- 4650 Подсветка ступеньки со стороны водителя C2c
- 4651 Подсветка ступеньки со стороны пассажира A2c
- 7614 Главный дисплей C2b
1: с предупредительным сигналом
2: без предупредительного сигнала
Элементы дополнительного комфорта
- 2112 Гнездо питания "24 В" C2c
- 2133 Гнездо питания "12 В" B2b
- 2135 Розетка 12 В дополнительная B2b
- 4111 Прикуриватель C2b
- 4136 Реле питания элементов дополнительного комфорта A2c
- 4137 Сопротивление размораживания ветрового стекла A1a
- 4138 Реле времени электропитания нагревательного элемента размораживания ветрового стекла B1c
- 4200 Понижающий трансформатор (розетка 12 вольт) A2c
- 4208 Понижающий трансформатор (24 В / 12 В) - Розетка 12 В дополнительная A2c
- 4222 Нагревательный элемент водительского сидения C3c
- 4223 Нагревательный элемент пассажирского сидения A3c
- 4826 Холодильник B3c
- 5322 Звуковой предупредительный сигнал "ремень водителя не заблокирован" C3c
Авторадиоприёмник, радиостанция УКВ и телефон
- 4202 Радиоприемник C2a
- 4209 Понижающий трансформатор (24 В / 12 В) - Телесвязи C2a
- 4210 Антенна радиостанции УКВ B2a
- 4214 Громкоговоритель водителя C2b
- 4221 Громкоговоритель пассажира A2a
- 4227 Антенна радиостанции УКВ C3a
- 4228 Радиостанция УКВ C2a
- 4229 Телефон C2a
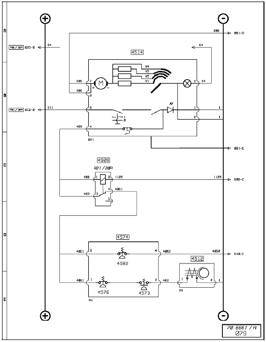
Кондиционирование воздуха
- 4512 Компрессор агрегата кондиционирования воздуха B2d
- 4514 Кондиционер воздуха B2c
- 4573 Прессостат низкого давления B1c
- 4574 Датчик давления 2-ступенчатой климатизации B1c
- 4576 Прессостат высокого давления B1c
- 4582 Датчик давления среднего уровня B1c
- 4909 Реле безопасности отключения климатизации B2c
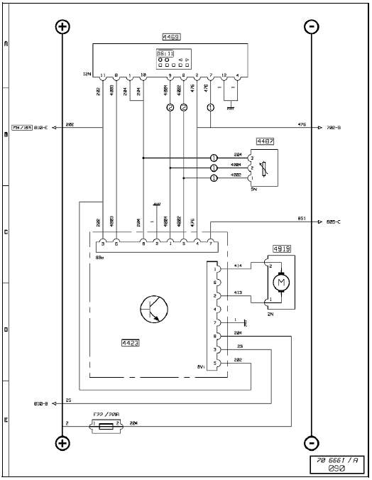
Автономный отопитель воздух/воздух "AT2000" (кроме "ADR")
- 4423 Автономный отопитель воздух/воздух A3c
- 4469 Программируемое управление автономным отопителем C3a
- 4487 Вариатор температуры C3a
- 4919 Насос подачи топлива B3c
1: без 2-метровой кабины
2: c 2-метровой кабиной
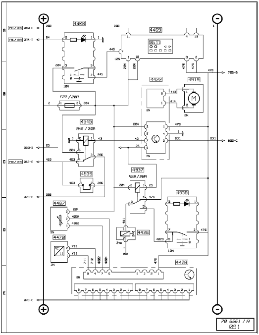
Автономный отопитель воздух/вода Thermo 90S
- 4403 Блок управления вентиляцией B2c
- 4422 Автономный отопитель воздух/вода A3c
- 4426 Электроклапан контура охлаждающей жидкости A3c
- 4469 Программируемое управление автономным отопителем C3a
- 4470 Датчик внутренней температуры A2c
- 4487 Вариатор температуры C3a
- 4545 Реле кондиционирования воздуха A2b
- 4908 Привод включения автономного отопителя B3c
- 4919 Насос подачи топлива B3c
- 4937 Реле автономного отопителя C3a
- 4938 Выключатель главного электроклапана контура охлаждения C3a
- 4939 Шунт (автономный отопитель "ADR") B2b
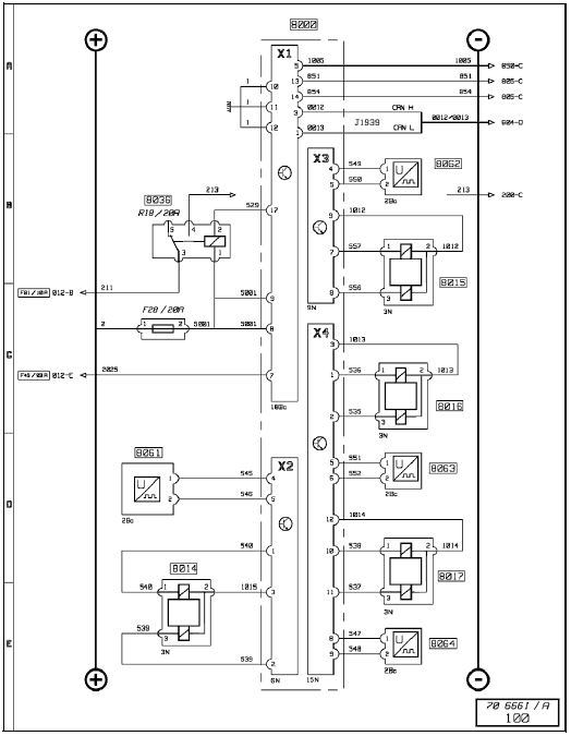
Система торможения "ABS"
- 8000 Вычислительный блок "ABS" A2c
- 8014 Электроклапан системы "ABS" передний левый C3d
- 8015 Электроклапан системы "ABS" передний правый A3d
- 8016 Электроклапан системы "ABS" задний левый B7d / B8d
- 8017 Электроклапан системы "ABS" задний правый B7d / B8d
- 8036 Реле отключения фазового замедлителя "ABS" A2b
- 8061 Датчик системы "ABS" передний левый C3d
- 8062 Датчик системы "ABS" передний правый A3d
- 8063 Датчик системы "ABS" задний левый C7d / C8d
- 8064 Датчик системы "ABS" задний правый C7d / C8d
Пневматическая подвеска "4x2"
- 7614 Главный дисплей C2b
- 8502 Вычислительное устройство подвески A2c
- 8522 Контрольная лампа подвески C2b
- 8523 Аварийная контрольная лампа подвески C2b
- 8524 Блок электроклапанов задней подвески B7d / B8d
- 8560 Блок дистанционного управления механической подвески C3c
- 8572 Задний правый датчик уровня подвески C7d / A8d
- 8573 Задний левый датчик уровня подвески C7d / C8d
Электрический замедлитель
- 8032 Блок реле электрозамедлителя A2c
- 8034 Электрозамедлитель B5d
- 8059 Выключатель электрического или гидравлического замедлителя C2b
Электрический замедлитель с электронным приводом
- 8004 Электрический электронный вычислитель A2c
- 8032 Блок реле электрозамедлителя A5d
- 8034 Электрозамедлитель B5d
- 8059 Выключатель электрического или гидравлического замедлителя C2b
Гидравлический замедлитель
- 1511 Коробка предохранителей A2b
- 8003 Гидравлический электронный вычислитель A2c
- 8059 Выключатель электрического или гидравлического замедлителя C2b
- 8480 Датчик температуры контура охлаждения гидравлического замедлителя B3c
- 8481 Электроклапан аккумулятора замедлителя B4d
- 8491 Электроклапан пропорционального раскрытия гидравлического замедлителя B4d
Электронный контроль автомобилем (1/2)
- 5266 Датчик положения педали акселератора C2c
- 5269 Привод регулировки регулятора скорости и оборотов двигателя C2b
- 8059 Выключатель электрического или гидравлического замедлителя C2b
- 8077 Привод установления задающего сигнала режима работы двигателя в труднопроходимых местностях C2b
- 8103 Датчик позиции педали останова и сцепления C2c
- 8160 Выключатель стоп-сигнала C2c
- 8169 Манометрический выключатель стояночного тормоза C5d
- 8414 Электроклапан демультипликатора B3c
- 8415 Электроклапан привода проходного реле B3c
- 8497 Реле безопасности к.п. (демультипликатор) B3c
- 8498 Реле безопасности к.п. (проход) B3c
- 8499 Датчик положения заднего реле C7d
- 8644 Датчик положения на контакте сцепления B3c
- 9201 Вычислительное устройство B3c
1: с замедлителем на двигателе или на выхлопе
2: с электрическим замедлителем
Электронный контроль автомобилем (2/2)
- 0107 Сварка на шине CAN -
- 4566 Датчик наружной температуры A1c
- 5270 Шунт ограничения скорости в экспортных модификациях A2c
- 8056 Привод соединения замедлитель/тормозная педаль C2b
- 8284 Манометрический выключатель сигнализатора масла серворуля C2c
- 9201 Вычислительное устройство B3c
- 9210 Реле питания вычислительных устройств контроля автомобиля и двигателя B3c
1 : на автомобилях, не подвергаемых нормам «ЕЭ С »
2: без привода установления задающего сигнала режима работы двигателя в труднопроходимых местностях
3: с приводом установления задающего сигнала режима работы двигателя в труднопроходимых местностях
Электронный контроль двигателем (1/2)
- 2267 Привод отключения двигателя в моторном отсёке A2c
- 2400 Датчик давления при загрязнении топливного фильтра C3c / B3b
- 8150 Электроклапан замедлителя на выпуске B3c
- 8228 Вентилятор саморегулирующийся B2c
- 8272 Датчик уровня воды охлаждения двигателя B1c
- 9202 Вычислительное устройство B3c
Электронный контроль двигателем (2/2)
- 7362 Датчик температуры в контуре охлаждения двигателя B3c
- 7368 Датчик давления масла B3c
- 7940 Электроклапан N°1 горного тормоза B3c
- 7941 Электроклапан N°2 горного тормоза B3c
- 8261 Датчик скорости вращения двигателя B3c
- 8275 Датчик уровня масла в двигателе B3d
- 9200 Датчик температуры и давления воздуха подпитки B3c
- 9202 Вычислительное устройство B3c
- 9208 Датчик высокого давления топлива B3c
- 9212 ТНВД - электроклапан цилиндра B3c
- 9213 ТНВД - электроклапан цилиндра B3c
- 9220 Электрическое управление впрыском N°1 B3c
- 9221 Электрическое управление впрыском N°2 B3c
- 9222 Электрическое управление впрыском N°3 B3c
- 9223 Электрическое управление впрыском N°4 B3c
- 9224 Электрическое управление впрыском N°5 B3c
- 9225 Электрическое управление впрыском N°6 B3c
- 9226 Датчик температуры масла двигателя B3c
- 9230 Датчик скорости кулачкового вала B3c
Тревожный сигнал
- 9420 Вычислительный блок тревожного сигнала противоугонной системы C2a
- 9421 Модуль детектирования периметра грузовика C2a
- 9423 Звуковой предупредительный сигнал тревожной противоугонной системы A1d
- 9424 УЗ-радиопередатчик C2a
- 9425 УЗ-радиоприёмник B2b
- 9426 Модуль надзора в периметре грузовика B2b
- 9427 Привод противоагрессионной системы B2b
Контрольный тахограф
- 0102 Электрический вывод -
- 7114 Электронный тахограф C2b
- 8461 Датчик скорости автомобиля B4d
1: с оборудованием "ADR"
2: без оборудования "ADR"
Штепсельная розетка д ля диагностики
- 7519 Штепсельная розетка для диагностики C3c
- 7524 Диагностическая штепсельная розетка "SAE" C3c
Главный дисплей (1/2)
- 0112 Диод(ы) A2b
- 1995 "Аварийный" сигнализатор - поднятого кузова C2b
- 1996 "Аварийный" сигнализатор - открытой боковины C2b
- 1997 "КОНТРОЛЬНЫЙ" сигнализатор - поручень задвинут C2b
- 1998 "АВАРИЙНЫЙ" сигнализатор - компонент в положении работы C2b
- 2418 Контрольная лампа предпускового нагрева C2b
- 3517 Контрольная лампа противотуманного фонаря (или фонарей) C2b
- 4220 Дистанционное управление радиоприемником C2b
- 7411 Указатель уровня топлива C2b
- 7462 Датчик уровня топлива в баке A5c / C6c
- 7614 Главный дисплей A2b
- 8105 Датчик давления воздуха задний C5d
- 8123 Сигнализатор неисправности пневмосистемы C2b
- 8138 Указатель давления воздуха тормозной системы C2b
- 8165 Манометрический выключатель воздуха задних тормозов C5d
- 8166 Манометрический выключатель воздуха передних тормозов C5d
- 8174 Датчик давления воздуха стояночного торможения прицепа C5d
- 8218 Контрольная лампа засорения воздушного фильтра C2b
- 8262 Датчик засорения воздушного фильтра A3d
- 8316 Электроклапан отбора мощности C2b
- 8317 Контрольная лампа блокировки межосевого дифференциала C2b
- 8318 Контрольная лампа блокировки межколесного дифференциала C2b
- 8329 Контрольная лампа блокировки передИиймост дифференциала C2b
- 8363 Датчик положения блокировки межколёсного дифференциала заднего моста B7d / B8d
- 8364 Датчик положения на блокировке межколёсного дифференциала B7d / B8d
- 8365 Датчик положения на блокировке межмостового дифференциала B7d / B8d
- 8373 Датчик положения на блокировке межколёсного дифференциала среднего моста B7d
- 8376 Датчик положения на блокировке дифференциала переднего моста B3d
- 8377 Датчик положения на малой скорости раздаточной к.п. B4c
- 8522 Контрольная лампа подвески C2b
- 8523 Аварийная контрольная лампа подвески C2b
- 9510 "АВАРИЙНЫЙ" сигнализатор (ALERTE) - торможения автомобильного состава C2b
1: с системой торможения 4-х дисковой
2: с системой торможения 2-х дисковой
Главный дисплей (2/2)
- 2221 "КОНТРОЛЬНЫЙ" сигнализатор электронного противоугонного устройства C2b
- 2314 Контрольная лампа зарядки батареи C2b
- 3117 Мигающая контрольная лампа C2b
- 3118 Мигающая контрольная лампа прицепа C2b
- 3610 Предупредительный сигнал "ПОТУШИТЬ СВЕТ" C2b
- 3621 Контрольная лампа стояночных фонарей C2b
- 4118 Контрольный указатель зеркал заднего вида с дефростом C2b
- 4772 Привод меню, просматрываемого на экране сигнализатора C2b
- 6123 Контрольная лампа фар дальнего света C2b
- 6132 Контрольная лампа фар ближнего света C2b
- 6167 Подрулевой привод C2b
- 6218 Контрольная лампа противотуманных фар C2b
- 6315 Контрольная лампа рабочего прожектора C2b
- 7614 Главный дисплей C2b
- 8013 Контрольная лампа системы "ABS" прицепа C2b
- 8370 Датчик положения отбора мощности раздаточной к.п. B1c
Штепсельные розетки прицепа
- 2100 Штепсельная розетки прицепа 15-контактная B9d
- 2113 Штепсельная розетка прицепа 7-контактная B9d
- 2115 Штепсельная розетка прицепа 7-контактная B9d
- 2116 Штепсельная розетка прицепа 7-контактная "ABS / EBS" B9d
- 7614 Главный дисплей B2c
- 8013 Контрольная лампа системы "ABS" прицепа B2c
1: без оборудования "ADR"
2: с оборудованием "ADR"
Резервное питание (1/3)
- 1800 Резервное питание (отрезанные изолированные провода) B2a / A9d
- 1801 Резервное питание (масса автомобиля) B2a / A9d
- 1805 Резервное питание (после контакта) B2b
- 1831 Резервное питание (привод кузовой оснастки) B2c
- 1843 Резервное питание (освещение) B2a
- 2102 Реле резервного питания (кузовой оснастки) A2c
- 2107 Резервное питание (панелъ приборов) B1b
Резервное питание (2/3)
- 1335 Разъём резервного питания A2c
- 1805 Резервное питание (после контакта) A2c
- 1995 "Аварийный" сигнализатор - поднятого кузова C2b
- 1996 "Аварийный" сигнализатор - открытой боковины C2b
- 1997 "КОНТРОЛЬНЫЙ" сигнализатор - поручень задвинут C2b
- 1998 "АВАРИЙНЫЙ" сигнализатор - компонент в положении работы C2b
- 5561 Выключатель подсветки клапанов C2a
- 7614 Главный дисплей C2b
Резервное питание (3/3)
- 1335 Разъём резервного питания A2c
- 8366 Датчик положения отбора мощности B4c
Вычислительный блок "CECU"
- 1335 Разъём резервного питания A2c
- 1999 Вычислительный блок для подготовок к кузовым модификациям A2c




































