Диагностика неисправностей отопителей
Eberspacher Hydronic M или D10

- 1 Двигатель сгорания
- 2 Датчик горения
- 3 Камера сгорания
- 4 Блок управления
- 5 Штифтовой электрод накаливания
- 6 Температурный датчик
- 7 Жаровая труба
- 8 Теплообменник
- 9 Датчик перегрева
- 10 Водяной насос
- 11 Шумоглушитель выхлопных газов
- 12 Шумоглушитель на подаче воздуха в камеру сгорания
- 13 Дозирующий топливный насос
- 14 Разветвитель топливной магистрали
- 15 Кабельный жгут
- 16 Держатель (плавкой вставки) предохранителя
- 17 Реле включения вентилятора автомобиля
18 Часовое реле
WE = Впуск воды
WA = Выпуск воды
V = Воздух, подаваемый в камеру сгорания
B = Топливо
A = Выхлопные газы
КОДЫ НЕИСПРАВНОСТЕЙ
| КОД | ОПИСАНИЕ ОШИБКИ | ПРИЧИНА • Меры по устранению |
000 | Без ошибок | – – |
009 | Отключение ADR / ADR99 | • Выключите и вновь включите отопление – отключение через D+ или HA / NA должно быть квитировано. |
010 | Отключение при перенапряжении | Перенапряжение на блоке управления сохраняется не менее 20 секунд непрерывно –> отопительный прибор отключается. • Разъедините штекерное соединение отопительный прибор / кабельный жгут, запустите двигатель транспортного средства, измерьте напряжение. Штекер B1, штырек C2 и C3: – Если напряжение >15 В или >30 В, проверьте регулятор генератора или аккумулятор. |
011 | Отключение при падении напряжения | Пониженное напряжение на блоке управления сохраняется не менее 20 секунд непрерывно –> отопительный прибор отключается. • Разъедините штекерное соединение отопительный прибор / кабельный жгут, запустите двигатель транспортного средства, измерьте напряжение. Штекер B1, штырек C2 и C3: – Если напряжение <10,5 В или < 20 В, проверьте предохранитель, питающие провода, контакты на массу и плюсовую клемму аккумулятора на падение напряжения (коррозия). |
012 | Перегрев | Датчик перегрева сообщает о температуре выше 115 °C. • Откачайте воздух из отопительного прибора (недостаток воды), откройте шибер отопления, проверьте массовый расход воды. • Измерьте омическое сопротивление датчика перегрева, штекер B5, штырек 11 и 17. – Если датчик перегрева в порядке, проверьте соединительные провода. |
013 | Датчик горения / перегрева | Датчик горения сообщает о температуре выше 700 °C. • Измерьте омическое сопротивление датчика горения, штекер B5, штырек 15 и 16. – Если датчик горения в порядке, проверьте соединительные провода. |
014 | Слишком большая разница температур между датчиком горения и датчиком перегрева | Разница между измеренными значениями на датчике перегрева и датчике температуры > 70 K. • Откачайте воздух из отопительного прибора (недостаток воды), откройте шибер отопления и проверьте массовый расход воды. • Измерьте омическое сопротивление датчика температуры, штекер B5, штырек 14 и 18. – Если датчик температуры в порядке, проверьте соединительные провода. |
015 | Слишком много перегревов | Блокировка блока управления вследствие слишком частого перегрева (коды ошибок 012, 013 или 014) как следствие. Откачайте воздух из отопительного прибора (недостаток воды), откройте шибер отопления, проверьте массовый расход воды. • Разблокирование блока управления путем очистки регистратора ошибок при помощи диагностического прибора / программы технического обслуживания KD2000 / радиоуправления TP5. |
020 021 | Штифтовой электрод – обрыв Штифтовой электрод – короткое замыкание | • Выполните функциональную проверку штифтового электрода во встроенном положении. Подайте соответствующее напряжение и через 25 или 30 с измерьте силу тока. Штекер B5, штырек 2 и 7: При следующих значениях штифтовой электрод в порядке, если значения отклоняются, замените штифтовой электрод). Измеренное значение: • при 8 В через 30 с = 12 A ±1,0 A • при 18 В через 25 с = 5,3 A ±0,8 A – Если штифтовой электрод в порядке, проверьте кабельный жгут от штифтового электрода на наличие повреждений и на проходимость. |
033 | Неисправен двигатель нагнетателя воздуха в камеру сгорания или регулятор числа оборотов – отклонение числа оборотов | Отклонение числа оборотов более 60 секунд. Заданные значения: 7300 об/мин. (МОЩНОСТЬ), 5700 об/мин. (ВЫСОКАЯ), 3600 об/мин. (СРЕДНЯЯ), 2000 об/мин. (МАЛАЯ). • Проверьте двигатель нагнетателя воздуха в камеру сгорания, для этого подайте питающее напряжение 8 В или 18 В на двигатель. Штекер B5, штырек 1 и 4: – Не вращается двигатель нагнетателя воздуха в камеру сгорания – замените двигатель со встроенным датчиком. • Включите отопление, проверьте напряжение и питание датчика. штекер B5, штырек 10 и 5: заданное значение = 5 В – При отклонении замените блок управления. • Проверьте датчик:. измерьте напряжение при работающем нагнетателе при помощи аналогового вольтметра Штекер B5 штырек 13 и 5 Заданное значение: Среднее значение 4 В (+/- 0,3) (8 В – прямоугольные сигналы). – При отклонении замените двигатель нагнетателя воздуха в камеру сгорания вместе со встроенным датчиком. – Если сигнал датчика в порядке, то неисправен регулятор числа оборотов —> замените блок управления. |
037 | Не работает водяной насос | • Проверьте водяной насос. Подайте на водяной насос напряжение в 12 или 24 В, штекер B5, штырек 3 и 6: – Если водяной насос не вращается, замените его. – Если водяной насос в порядке, замените блок управления. |
042 | Водяной насос – короткое замыкание | • Проверьте соединения с блоком управления и водяным насосом на короткое замыкание. штекер B5, штырек 3 и 6: – Если в порядке, проверьте водяной насос и проводку. |
043 | Внеш. компоненты – короткое замыкание | • Проверьте разъем на блоке управления (внеш. штекер В1) на короткое замыкание на массу. штекер B1, разъем С1: – Если в порядке, проверьте подключенные компоненты (макс. ток 6 А), при необходимости замените их. |
047 048 | Дозировочный насос – короткое замыкание Дозировочный насос – обрыв | • Проверьте разъем на блоке управления (внеш. штекер) и провода к дозировочному насосу на короткое замыкание / обрыв. штекер B1, разъем С4: – Если в порядке, проверьте дозировочный насос – заданное значение ок. 20 Ом. |
050 | Слишком много попыток запуска | Блокировка блока управления вследствие многократного включения из-за отсутствия распознавания пламени (код неисправности 052). • Проверьте систему подачи топлива, систему отвода выхлопных газов и систему подачи воздуха в камеру сгорания. • Проверьте штифтовой электрод –> см. коды неисправностей 020 / 021. • Проверьте датчик горения –> код неисправности 013. • Разблокирование блока управления путем очистки регистратора ошибок при помощи диагностического прибора / программы технического обслуживания KD2000 / радиоуправления TP5. |
051 | Сообщение о наличии пламени сразу при включении | Датчик горения сообщает о температуре выше 80 °C. • Проверьте датчик горения –> код неисправности 013. |
052 | Невозможно запустить | На этапе запуска не определяется наличие пламени. Значение датчика горения < 80 °C, вследствие чего выполняется аварийное отключение из-за превышение лимита безопасного времени. • Проверьте систему подачи топлива, систему отвода выхлопных газов и систему подачи воздуха в камеру сгорания. • Проверьте штифтовой электрод –> см. коды неисправностей 020 / 021. • Проверьте датчик горения –> код неисправности 013. |
053 054 055 056 | Обрыв факела на ступени регулирования „МОЩНОСТЬ“ Обрыв факела на ступени регулирования „ВЫСОКАЯ“ Обрыв факела на ступени регулирования „СРЕДНЯЯ“ Обрыв факела на ступени регулирования „МАЛАЯ“ | Отопительный прибор запускается (определено наличие пламени) и на одной из ступеней мощности сообщает об обрыве факела. • Проверьте объем подачи топлива, число оборотов нагнетателя, систему подачи топлива, систему отвода выхлопных газов и систему подачи воздуха в камеру сгорания. • Проверьте датчик горения –> код неисправности 013. |
059 | Слишком быстрый подъем температуры воды | • Откачайте воздух из отопительного прибора (недостаток воды), откройте шибер отопления, проверьте массовый расход воды. • Проверьте датчик температуры –> код неисправности 060 / 061 |
060 061 | Датчик температуры – обрыв Температурный датчик – короткое замыкание | Датчик температуры сообщает о температуре, выходящей за границы диапазона измерения. • Измерьте омическое сопротивление датчика температуры, штекер B5, штырек 14 и 18. – Если датчик температуры в порядке, проверьте соединительные провода. |
064 065 | Датчик горения – обрыв Датчик горения – короткое замыкание | Датчик горения сообщает о температуре, выходящей за границы диапазона измерения. • Проверьте датчик горения –> код неисправности 013. |
071 072 | Датчик перегрева – обрыв Датчик перегрева – короткое замыкание | Датчик перегрева сообщает о температуре, выходящей за границы диапазона измерения. • Проверьте датчик перегрева –> код неисправности 012. |
090 093 094 095 097 | Неисправен блок управления (внутренний сброс) Неисправен блок управления (ошибка ОЗУ) Неисправен блок управления (внутреннее реле) Неисправен блок управления (ошибка ЭСППЗУ) Неисправен блок управления (общая ошибка) | Внутренняя неисправность блока управления – замените блок управления. |
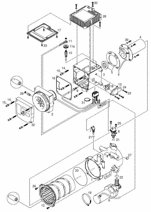
Сборочный чертеж

- 1 Кожух
- 2 Нагнетатель воздуха в камеру сгорания (нанесите уплотнительную массу на переднюю сторону)
- 3 Кожух камеры сгорания
- 4 Камера сгорания с жаровой трубой
- 5 Уплотнения для камеры сгорания
- 6 Водяной насос
- 7 Температурный датчик
- 8 Датчик перегрева
- 9 Датчик горения
- 10 Свеча накаливания
- 11 Кабельный жгут с проставкой
- 11a Втулка
- 12 Теплообменник (нанесите уплотнительную массу на переднюю сторону)
- 13 Кожух
- 14 Винт M5 x 55 / DIN 912
- 15 Шайба A5,3 / DIN 125
- 16 Уплотнение (снимите защитную пленку, наклейте уплотнение в поз. 2)
- 17 Уплотнение
- 18 Втулка
- 19 Шланговый хомут
- 20 Уплотнительное кольцо 107,54 x 3,53
- 21 Уплотнительное кольцо 7 x 2
- 22 Уплотнительное кольцо 19,8 x 2,3
- 23 Винт со сферо-цилиндрической головкой M4 x 12 / DIN 7985-1.4301 TORX
- 24 Упругая шайба A4 / DIN 137 ZN 12
- 25 Винт M5 x 12 TAPTITE / DIN 7985 TORX
- 26 Винт M5 x 12 TAPTITE / DIN 965 TORX
- 27 Крепление кабеля
- 28 Блок управления
- 29 Зубчатое кольцо с регулировочным винтом
- 30 Винт M4 x 16 TAPTITE / DIN 7985 TORX
- 31 Кабельная стяжка 2,5 x 100
- 32 Крышка нагнетателя воздуха в камеру сгорания
- 33 Винт с потайной головкой M4 x 12 с внутренним шестигранником / DIN 7991