Электросхема тормозной системы ABS KAMAZ (mercedes)
А10: Связь с базовым модулем

- А7: Базовый модуль
- А10: Блок управления ABS антиблокировочная система
- XI: Штекерное соединение на блоке управления ABS антиблокировочная система
- XI 18/7: Клемма 15
- XI 18/8: Клемма 30
- XI 18/9: Клемма 30
- XI 18/10: Клемма 31
- XI 18/11: Клемма 31
- XI 18/12: Клемма 31
В30: Датчик числа оборотов на переднем мосту слева

- А10: Блок управления ABS антиблокировочная система
- ВЗ0: Левый датчик числа оборотов переднего моста
- Х2: Штекерное соединение на блоке управления ABS антиблокировочная система
- Х3.2: Штекерное соединение 'Плата штекеров - Кабина водителя - шасси'
В31: Датчик числа оборотов на переднем мосту справа

- А10: Блок управления ABS антиблокировочная система
- В31: Правый датчик числа оборотов переднего моста
- ХЗ: Штекерное соединение на блоке управления ABS антиблокировочная система
- Х3.2: Штекерное соединение 'Плата штекеров - Кабина водителя - шасси'
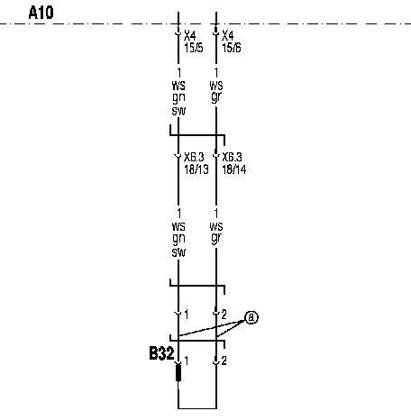
B32: Датчик числа оборотов на заднем мосту слева

- А10: Блок управления ABS антиблокировочная система
- В32: Левый датчик числа оборотов заднего моста
- Х4: Штекерное соединение на блоке управления ABS антиблокировочная система
- Х6.3: Штекерное соединение 'Плата штекеров - Кабина водителя - шасси'
- а: В настоящее время удлинительный провод отдатчика к жгуту проводов рамы устанавливается только при установленном барабанном тормозе.
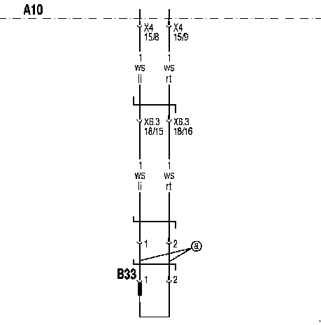
ВЗЗ: Датчик числа оборотов на заднем мосту справа

- А10: Блок управления ABS антиблокировочная система
- ВЗЗ: Правый датчик числа оборотов заднего моста
- Х4: Штекерное соединение на блоке управления ABS антиблокировочная система
- Х6.3: Штекерное соединение 'Плата штекеров - Кабина водителя - шасси'
- а: В настоящее время удлинительный провод отдатчика к жгуту проводов рамы устанавливается только при установленном барабанном тормозе.
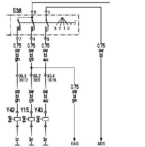
S38: Выключатель/датчик 'Блокировка дифференциала' (Передний мост / Задний мост)

- S38: Выключатель/датчик 'Блокировка дифференциала'
- Y15: Электромагнитный клапан 'Блокировка дифференциала' Задний мост
- Y42: Электромагнитный клапан 'Блокировка дифференциала' Передний мост
- Y43: Электромагнитный клапан 'Блокировка межосевого дифференциала'
S38: Выключатель/датчик 'Блокировка дифференциала' (Задний мост)

- А10: Блок управления ABS антиблокировочная система
- А16: Блок управления GS управление переключением передач (EPS)
- S38: Выключатель/датчик 'Блокировка дифференциала'
- Y15: Электромагнитный клапан 'Блокировка дифференциала' Задний мост
- Y43: Электромагнитный клапан 'Блокировка межосевого дифференциала'
XI 18/15: Выход Отключение блокировки межосевого дифференциала полного привода

- XI 18/15: Выход Отключение блокировки межосевого дифференциала полного привода
Y16: Электромагнитный клапан ABS на переднем мосту слева

- Y16: Электромагнитный клапан 'Передний мост слева'
- Х2: Штекерное соединение на блоке управления ABS антиблокировочная система
- Х3.2: Штекерное соединение 'Плата штекеров - Кабина водителя - шасси'
Y17: Электромагнитный клапан ABS на переднем мосту справа

- Y17: Электромагнитный клапан 'Передний мост справа'
- ХЗ: Штекерное соединение на блоке управления ABS антиблокировочная система
- Х3.2: Штекерное соединение 'Плата штекеров - Кабина водителя - шасси'
Y18: Электромагнитный клапан ABS на заднем мосту слева

- Y18: Левый электромагнитный клапан заднего моста
- Х4: Штекерное соединение на блоке управления ABS антиблокировочная система
- Х5.1: Штекерное соединение 'Плата штекеров - Кабина водителя - шасси'
Y19: Электромагнитный клапан ABS на заднем мосту справа

- Y19: Правый электромагнитный клапан заднего моста
- Х4: Штекерное соединение на блоке управления ABS антиблокировочная система
- Х5.1: Штекерное соединение 'Плата штекеров - Кабина водителя - шасси'
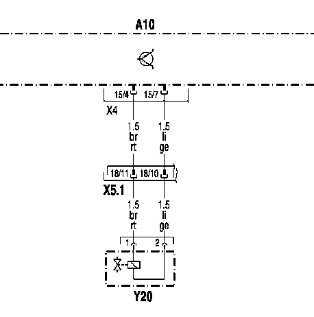
Y20: Электромагнитный клапан 'ASR'

- А10: Блок управления ABS антиблокировочная система
- Х4: Штекерное соединение на блоке управления ABS антиблокировочная система
- Х5.1: Штекерное соединение 'Плата штекеров - Кабина водителя - шасси'
- Y20: Электромагнитный клапан 'ASR'
А10: Блок управления ABS антиблокировочная система

- 7: Блок управления ABS антиблокировочная система
ВЗ0: Датчик числа оборотов на переднем мосту слева

- Левый датчик числа оборотов переднего моста
В31: Датчик числа оборотов на переднем мосту справа

- Правый датчик числа оборотов переднего моста
В32: Датчик числа оборотов на заднем мосту слева

- Датчик числа оборотов на заднем мосту слева
ВЗЗ: Датчик числа оборотов на заднем мосту справа

- Датчик числа оборотов на заднем мосту справа
Y16: Электромагнитный клапан ABS на переднем мосту слева

- Электромагнитный клапан ABS на переднем мосту слева
Y17: Электромагнитный клапан ABS на заднем мосту справа

- Электромагнитный клапан ABS на переднем мосту справа
Y18: Электромагнитный клапан ABS на заднем мосту слева

- ABS - Левый электромагнитный клапан заднего моста
Y19: Электромагнитный клапан ABS на заднем мосту справа

- ABS - Правый электромагнитный клапан заднего моста
Y20: Электромагнитный клапан 'АSR'

- Y20 : Электромагнитный клапан 'АSR'
Y43: Электромагнитный клапан 'Блокировка межосевого дифференциала'

- Y43: Электромагнитный клапан 'Блокировка межосевого дифференциала'
Z1: Точка звезды САМ

- 8: Точка звезды САМ
Распределение штекеров XI на блоке управления ABS антиблокировочная система

- 1: Шина CAN Low
- 3: Шина CAN High
- б: Отключение ABS
- 7: Клемма 15
- 8: Клемма 30
- 9: Клемма 30
- 10: Клемма 31
- 11: Клемма 31
- 12: Клемма 31
- 15: Выход 'Управление блокировкой межосевого дифференциала'
Распределение штекеров Х2 на блоке управления АBS антиблокировочная система

- 1: Выпускной клапан, передний левый
- 2: Впускной клапан, передний левый
- 3: Провод массы электромагнитных клапанов
- 4: Провод Левый датчик числа оборотов переднего моста
- 5: Провод Левый датчик числа оборотов переднего моста
Распределение штекеров ХЗ на блоке управления АBS антиблокировочная система

- 4: Провод Правый датчик числа оборотов переднего моста
- 5: Провод Правый датчик числа оборотов переднего моста
- 7: Выпускной клапан, передний правый
- 8: Впускной клапан, передний правый
- 9: Провод массы электромагнитных клапанов
Распределение штекеров Х4 на блоке управления АBS антиблокировочная система

- 1: Выпускной клапан, задний правый
- 2: Впускной клапан, задний правый
- 3: Провод массы электромагнитных клапанов
- 4: Провод массы электромагнитного клапана 'АБЯ'
- 5: Провод Левый датчик числа оборотов заднего моста
- б: Провод Левый датчик числа оборотов заднего моста
- 7: Провод Электромагнитный клапан 'АБ!*'
- 8: Провод Правый датчик числа оборотов заднего моста
- 9: Провод Правый датчик числа оборотов заднего моста
- 10: Выпускной клапан, задний левый
- 11: Впускной клапан, задний левый
- 12: Провод массы электромагнитных клапанов
Блок управления АBS антиблокировочная система

- 1: Штекерное соединение XI, 18--контактное
- 2: Штекерное соединение Х2, 6--контактное
- 3: Штекерное соединение ХЗ, 9--контактное
- 4: Штекерное соединение Х4, 15--контактное
Базовый модуль

- З0: Электропитание
- 15: Электропитание
- 31: Масса
- Х9, Х10, Х12, Х13: 18-контактные штекерные соединения
- Х6, Х8: 15-контактные штекерные соединения
- XI, Х2, ХЗ, XII: 12-контактные штекерные соединения
- Х14: 10-контактные штекерные соединения
- Х5, Х7: 9-контактные штекерные соединения
- Х4: 8-контактные штекерные соединения
Распределение штекеров на электромагнитных клапанах

- 1: Выпускной клапан
- 2: Клемма 31
- 3: Впускной клапан
S38: Выключатель блокировки дифференциала

- Выключатель/датчик 'Блокировка дифференциала' (S38)
Диаграмма внутренних сопротивлений: Электромагнитные клапаны

- 1: Верхняя граница внутреннего сопротивления
- 2: Нижняя граница внутреннего сопротивления
Диаграмма внутренних сопротивлений: Датчики числа оборотов

- Внутреннее сопротивление: от 1 до 2 кОм в температурном диапазоне от 18 до 28 °С
Диаграмма внутренних сопротивлений: Датчики числа оборотов
Максимальный диапазон значений

- Внутреннее сопротивление: от 0,75 до 3,5 кОм в температурном диапазоне от -40 до 180 °С
Заданные значения
Электропитание:
- Заданное значение (аккумуляторная батарея): > 20 В и < 32 В
- Заданное значение (плотность электролита): > 1,16
- Повышенное напряжение опознаётся при напряжении > 32 В.
- Пониженное напряжение опознаётся при напряжении < 20 В.
Электромагнитные клапаны:
- Y16, Y17, Y18, Y19 : Заданное значение (вход или выход): 15 Ом при 20°С
Датчики числа оборотов:
- ВЗ0, В31, В32, ВЗЗ : Внутреннее сопротивление: от 1 до 2 кОм при температуре помещения 23°С с отклонением +/-5°С