Система адаптивного круиз-контроля (ACC)
DAF CF75 IV/CF85 IV/XF105

Блок ACC (D351)

ECU, система адаптивного круиз-контроля (D430)

Работа системы адаптивного круиз-контроля (ACC)

Система адаптивного круиз-контроля (ACC) является дополнением к системе круиз-контроля, позволяющим автоматически регулировать скорость и дистанцию до идущего впереди автомобиля.
Если система ACC обнаруживает, что впереди идущий автомобиль движется с меньшей скоростью, скорость автоматически снижается до скорости впереди идущего автомобиля.
Затем автомобиль продолжает движение с той же скоростью, что и впереди идущий автомобиль и поддерживает установленную дистанцию (в зависимости от скорости автомобиля). Заданная скорость (адаптивного) круиз-контроля остается сохраненной в памяти. Как только дорожные условия позволят набрать скорость, автомобиль автоматически ускорится до сохраненной скорости (адаптивного) круиз-контроля.
Система ACC состоит из следующих компонентов:
ECU, система адаптивного круиз-контроля (D351 / D430)
Электронный блок ACC (D351 / D430) расположен за крышкой у нижней решетки радиатора автомобиля.
Система ACC использует радарный датчик, который определяет наличие различных объектов. Радарный датчик, встроенный в ECU, может обнаруживать объекты впереди автомобиля на расстоянии до 150 м.
Сигнал радара основывается на трех перекрывающихся лучах. Кроме скорости и дистанции до впереди
идущего автомобиля при помощи сигналов от трех лучей также вычисляется боковое смещение
объекта. Для определения "важности" объектов блок ACC делит все объекты на три категории:
- Движущийся в том же направлении
- Движущийся в противоположном направлении
- Неподвижное состояние
Система ACC реагирует только на объекты, относящиеся к "Движущимся в том же направлении".
Система ACC не реагирует на объекты, удаляющиеся от автомобиля (например, обгоняющие автомобили).
Это обусловлено тем, что дистанция до них увеличивается, а не уменьшается.
Переключатель вкл./выкл. системы ACC (C949)
Переключатель с возвратной пружиной предварительного выбора системы ACC или круиз-контроля.
Система ACC включается автоматически при включении зажигания автомобиля (горит сигнальная лампа выключателя системы ACC). Это означает, что при включении круиз-контроля система адаптивного круиз-контроля (ACC) также включается автоматически.
Предварительный выбор ACC можно отключить нажатием на выключатель системы ACC. В этом случае при включении круиз-контроля система адаптивного круиз-контроля не будет включена.
Если в системе ACC присутствует неисправность, то для того чтобы включить круиз-контроль, необходимо перевести выключатель в положение "выкл.".

Переключатель установки дистанции системы ACC (C950)
Данный ручной 3-позиционный переключатель с возвратной пружиной с фиксированным центральным положением используется для изменения дистанции до движущегося впереди автомобиля:

Нажмите переключатель вверх, чтобы уменьшить дистанцию до движущегося впереди автомобиля
Нажмите переключатель вниз, чтобы увеличить дистанцию до движущегося впереди автомобиля
Сеть CAN
Связь электронного блока с другими электронными системами в автомобиле осуществляется по сети
CAN. Связь с DAVIE также осуществляется через сеть CAN.
VIC-3 (D358)
ECU системы адаптивного круиз-контроля (D351 / D430) отправляет на VIC-3 (D358) сигналы для
отображения на DIP-4 сообщений и/или предупреждений, связанных с круиз-контролем.
Включение и выключение системы адаптивного круиз-контроля
Включение адаптивного круиз-контроля
Система ACC включается автоматически при включении зажигания автомобиля (горит сигнальная лампа выключателя системы ACC). Это означает, что при включении круиз-контроля система адаптивного круиз-контроля (ACC) также включается автоматически.
Если автоматическое включение ACC отключается путем нажатия на переключатель вкл./выкл. системы
ACC, система адаптивного круиз-контроля (ACC) не будет автоматически включаться при включении круиз-контроля.
Условия включения
Включение системы адаптивного круиз-контроля возможно, если:
- скорость автомобиля превышает 30 км/ч,
- тормоза выключены,
- отсутствуют неисправности управления двигателем,
- рычаг КП не находится в нейтральном положении,
- регулируемый ограничитель скорости автомобиля выключен,
- высота автомобиля соответствует нормальной высоте при движении,
- ограничение скорости автомобиля специального назначения выключено.
Отключение адаптивного круиз-контроля
Условия выключения
Система адаптивного круиз-контроля
выключается, если:
- скорость автомобиля выходит за пределы запрограммированных значений ограничения или
- включается стояночный тормоз, или
- рычаг КП находится в нейтральном положении, или
- водитель нажимает на педаль тормоза, или
- водитель включает тормоз двигателя, или
- переключатель на рулевом колесе или
- на рулевой колонке переводится в положение OFF, или
- включается положение ограничения скорости автомобиля (SET) с помощью переключателя на рулевом колесе, или
- включается АБС/ASR или система курсовой устойчивости VSC, или
- водитель включает замедлитель, или
- при нажатии на выключатель ACC, или
- после появления предупреждения о лобовом столкновении, или
- при включении предупреждения системы ACC, или
- если скорость автомобиля опускается ниже 25 км/ч, или
- высота автомобиля не соответствует нормальной высоте при движении.
Система ACC отключена
Если система ACC отключена водителем (с помощью выключателя ACC (C949)) вследствие
неисправности или другой системой (например, VSC), на дисплее на несколько секунд появится это
сообщение.
Данное сообщение не будет отображено на дисплее, если водитель выключит систему ACC нажатием на педаль тормоза.

Настройка дистанции до впереди идущего автомобиля
При включенной системе ACC электроника автоматически поддерживает заданную дистанцию
до впереди идущего автомобиля.
Фактическая дистанция зависит от скорости автомобиля.
Данный 3-позиционный переключатель с пружинным возвратом с фиксированным центральным положением используется для изменения расстояния до движущегося впереди автомобиля:

- Нажмите переключатель вверх, чтобы уменьшить дистанцию до движущегося впереди автомобиля
- Нажмите переключатель вниз, чтобы увеличить дистанцию до движущегося впереди автомобиля

Всего можно установить пять значений дистанции. При включении системы ACC автоматически выбирается средняя дистанция (3).
Фактическая дистанция зависит от скорости автомобиля.
Система ACC активна, цель обнаружена
Данное сообщение появляется на главном дисплее DIP-4 при нажатии на главный переключатель меню.

Система ACC активна, цель не обнаружена
Данное сообщение появляется на главном дисплее DIP-4 при нажатии на главный переключатель меню.

Предупреждение об ограниченных возможностях системы
Если система ACC не способна обеспечить безопасную дистанцию до впереди идущего автомобиля, на
главном дисплее загорается предупреждение "Дистанция".
Водителю необходимо принять торможение автомобилем на себя, путем применения рабочего тормоза.

Система адаптивного круиз-контроля (ACC) не обеспечивает соответствие дистанции до впереди
идущего автомобиля различным погодным условиям (туман, снег, сильный дождь и т.п.).
Несоблюдение безопасной дистанции до идущего впереди автомобиля может привести к возникновению
очень опасных ситуаций (например, столкновения) как для водителя, так и для других участников
движения.
Система ACC НЕ останавливает автомобиль полностью. При необходимости система ACC сбрасывает скорость до 25 км/ч, на скорости ниже этой система ACC автоматически отключается.
Обнаружение впереди автомобиля, движущегося с меньшей скоростью
Если система ACC обнаруживает, что впереди идущий автомобиль движется с меньшей скоростью, скорость автоматически снижается до скорости впереди идущего автомобиля.
Для снижения скорости используются следующие средства, в указанном порядке:

1. Снижение крутящего момента
2. Включение тормоза двигателя
3. Автоматическое понижение передачи
4. Включение интардера
5. Включение ножного тормоза (EBS)
Затем автомобиль продолжает движение с той же скоростью, что и впереди идущий автомобиль и поддерживает установленную дистанцию (в зависимости от скорости автомобиля). Заданная скорость (адаптивного) круиз-контроля остается сохраненной в памяти. Как только дорожные условия позволят набрать скорость, автомобиль автоматически ускорится до сохраненной скорости (адаптивного) круиз-контроля.
Максимальное совокупное снижение скорости составляет: 2,5 м/с2.
Система ACC НЕ останавливает автомобиль полностью. При необходимости система ACC сбрасывает скорость до 25 км/ч, на скорости ниже этой система ACC автоматически отключается.
Ситуации на дороге
Повороты


На поворотах, до и после них, системе ACC трудно определить объекты, движущиеся впереди автомобиля. Автомобиль может затормозить неожиданно или поздно.
Если скорость автомобиля и угловое ускорение слишком высоки, скорость автомобиля снижается вследствие снижения крутящего момента двигателя. (DMCI).
Движение по другой полосе, обочине или съездах

Ваш автомобиль может посылать предупреждение об автомобилях, движущихся по обочине, рядом с дорогой или на съездах, что приведет к необоснованному или "запоздалому" снижению скорости.
Смена полосы движения

Система ACC не может обнаружить автомобили, перестраивающиеся с одной полосы на другую непосредственно перед автомобилем, пока они не попадут в зону опознавания. В этом случае водитель должен снизить скорость, чтобы увеличить дистанцию до перестроившегося автомобиля.
Системе АСС сложнее распознавать транспортные средства с малой поверхностью отражения волн радара (напр. мотоциклы).
Система ACC не реагирует на объекты, удаляющиеся от автомобиля (например, обгоняющие автомобили). Это обусловлено тем, что дистанция до них увеличивается, а не уменьшается.
Автомобили, выполняющие поворот

При приближении к перекресткам и съездам могут возникнуть проблемы при обнаружении автомобилей впереди. Ваш автомобиль может посылать предупреждения об автомобилях выполняющих поворот, что вызовет необоснованное или "запоздалое" снижение скорости.
Обгон

При движении по соседней полосе позади другого автомобиля могут возникнуть проблемы с
обнаружением объекта. Датчик расстояния может не обнаружить автомобиль, движущийся по другой полосе. Расстояние до движущегося впереди со смещением автомобиля очень маленькое. Чтобы увеличить расстояние до движущегося впереди автомобиля, используйте рабочую тормозную систему.
Высота движения автомобиля
Система ACC включается только при нормальной высоте движения.
Существует два способа предупреждения водителя о том, что высота движения автомобиля не соответствует нормальной высоте движения. Способ предупреждения зависит от установленной версии программного обеспечения VIC.
- Способ 1
Предупреждение системы ACC включается, если высота движения автомобиля не соответствует
"нормальной высоте движения".
Перед появлением данного предупреждения: сообщение об отключении системы ACC на DIP.

- Способ 2
Сообщение об отключении системы ACC (с символом ACC) появляется, если высота движения не
соответствует "нормальной высоте движения". Перед появлением данного сообщения: сообщение об
отключении системы ACC (с символом ECAS) на DIP.

Предупреждение по системе ACC
- Системное предупреждение ACC
Предупреждение системы ACC включается при обнаружении общей ошибки системы ACC.
"Предупреждение по системе ACC" активно, если давление воздуха в системе автомобиля опускается
ниже 6,5 бар и скорость автомобиля выше 15 км/ч.

Выравнивание ACC
Для правильной работы ACC крайне важно выровнять систему ACC при установке.
Выравнивание системы ACC необходимо производить в следующих случаях:
- Замена блока ACC или
- Выравнивание систем автомобиля или
- Неправильная работа системы ACC (неправильная установка) или
- Повреждение передней части автомобиля, в результате которого мог сместиться радарный датчик или
- Нормальная высота ECAS при движении откалибрована на другое значение или Изменение размера шин передней и/или задней оси или
- Тяжелый корпус устанавливается на шасси.
Сервисное выравнивание электронного блока управления, ECU системы адаптивного круиз-контроля (D430)
Для правильного функционирования ECU системы адаптивного круиз-контроля важно, чтобы
он был правильно выровнен.
ECU системы адаптивного круиз-контроля необходимо выровнять после одного или нескольких из следующих событий.
- Замена ECU системы адаптивного круиз-контроля
- Неправильное функционирование ECU системы адаптивного круиз-контроля
- Выполнялось выравнивание одной или более осей автомобиля
- Повреждение грузового автомобиля
- Изменена нормальная высота шасси
- На шасси установлен кузов, требующий изменения высоты или угла шасси
Процедура сервисного выравнивания
Сервисное выравнивание необходимо проводить для движения по дорогам общего пользования.
Обязательно соблюдайте правила дорожного движения и требования законодательства. Система
адаптивного круиз-контроля и предупреждение о лобовом столкновении НЕ функционируют во время
выравнивания!
Предварительные условия
При запуске процедуры сервисного выравнивания автомобиль должен быть неподвижен.
Процедура сервисного выравнивания позволяет скорректировать горизонтальное и вертикальное выравнивание с точностью +/-3°. Следовательно, физическое выравнивание крепления ECU системы
адаптивного круиз-контроля по отношению к углу тяги должно находиться в пределах +/-3°.
Дополнительная информация
При установке нового ECU системы адаптивного круиз-контроля сервисное выравнивание запускается в ECU автоматически.
После запуска сервисного выравнивания ECU системы адаптивного круиз-контроля отправляет на DIP-4
предупреждение желтого цвета Во время процедуры сервисного выравнивания подключение DAVIE
не обязательно, но его можно использовать для контроля хода выполнения процедуры на
неподвижном автомобиле В случае сбоя при завершении сервисного выравнивания ECU системы адаптивного круиз-контроля появляется активный код DTC
Сервисное выравнивание завершается успешно в течение 10 минут, если при управлении автомобилем соблюдаются следующие условия:
Практически прямые дороги, радиус закругления >100 м, с придорожными объектами и движущимися впереди автомобилями.
Старайтесь поддерживать постоянную скорость выше 30 км/ч, ускорение и замедление автомобиля должны быть в диапазоне от -2 м/с2 до +2 м/с2.
ECU, система адаптивного круиз-контроля (D351 / D430)
Внутри ECU системы адаптивного круиз-контроля находится несколько компонентов, каждый из которых предназначен для выполнения конкретной функции.
Радарный приемопередатчик
Радарный приемопередатчик посылает три радиолокационных луча. Три луча перекрывают друг
друга, чтобы обеспечить полный контроль зоны перед автомобилем.
Микроволновые лучи отражаются от объектов (на дороге или рядом с дорогой), а отраженные волны
воспринимаются радарным приемопередатчиком. С помощью отраженных волн (измененная частота) ECU ACC (D351 / D430) определяет неподвижные объекты или объекты, движущиеся в том же или в противоположном направлении.

Загрязнен датчик ACC
Предупреждение о загрязнении датчика ACC активируется, если датчик ACC и/или его крышка сильно
загрязнены и это мешает датчику работать должным образом.
Очистите крышку датчика ACC, датчик расположен за нижней решеткой радиатора автомобиля.
Это предупреждение также включается, если датчик ACC заблокирован дополнительным
оборудованием (напр. передней защитной дугой) или крышка датчика ACC окрашена.
Отсутствие вертикальной соосности блока ACC также может вызвать появление этого предупреждения.
Запрещается окрашивать плоскую крышку датчика ACC металлической краской. Также не рекомендуется окрашивать плоскую крышку ACC датчика неметаллической краской.
Неправильная окраска может оказать негативное воздействие на функционирование системы ACC.
Система ACC не должна использоваться, если крышка датчика не установлена на решетку радиатора.

Датчик углового ускорения
Термин "угловое ускорение" означает поворот вокруг вертикальной оси.
Поэтому датчик углового ускорения регистрирует поворот автомобиля вокруг вертикальной оси при
повороте. Полученная в результате этого (вычисленная) угловая скорость соответствует вращению автомобиля за единицу времени. Датчик углового ускорения расположен на печатной плате ECU ACC. Если автомобиль маневрирует ECU должен получить информацию об этом, чтобы обнаружить впереди идущий автомобиль, движущийся по той же полосе.
Если скорость автомобиля и угловое ускорение слишком высоки, скорость автомобиля снижается вследствие снижения крутящего момента двигателя. (DMCI).
Предупреждение о лобовом столкновении (FCW)

Предупреждение о лобовом столкновении (FCW) - это функция системы адаптивного круиз-контроля
(ACC).
В отличие от системы адаптивного круиз-контроля (ACC) функцию предупреждения о лобовом
столкновении нельзя отключить.
Предупреждение о лобовом столкновении на DIP-4 появляется, если дорожная ситуация требует от
водителя экстренного торможения с помощью педали тормоза.
Предупреждение о лобовом столкновении выводится на дисплей DIP-4 в двух случаях:

Система ACC выключена
Если дистанция до движущегося впереди автомобиля становится недостаточной и дорожная ситуация требует от водителя экстренного торможения с помощью педали тормоза.
Система ACC включена
Если после предупреждения об ограниченных возможностях дистанция до движущегося впереди автомобиля все равно становится недостаточной и дорожная ситуация требует от водителя экстренного торможения с помощью педали тормоза.
Если дистанция до движущегося впереди автомобиля становится недостаточной, электронный блок ACC (D351) посылает сигнал VIC-3 по сети CAN, который активирует предупреждение о лобовом столкновении на DIP-4. VIC-3 подает напряжение на реле (R025), которое включает блоки выключения звука D355 (и D367) и выключает звук радиоприемника. VIC-3 посылает сигнал DIP-4, который активирует предупреждение о лобовом столкновении и генерирует акустический сигнал.

Предупреждение о лобовом столкновении на DIP-4 появляется, если дорожная ситуация требует от
водителя экстренного торможения с помощью педали тормоза.
Функция предупреждения о лобовом столкновении отключается при скорости ниже 25 км/ч.
В некоторых дорожных ситуациях предупреждение о лобовом столкновении на DIP-4 может быть в течение некоторого времени включено необоснованно.
Соответствующие компоненты
- VIC-3 (D358)
- ЭБУ, система адаптивного круиз-контроля (D351)
- DIP-4 (D899)
- Реле, выключение звука громкоговорителей (R025)
- ЭБУ, выключение звука (D355 и D367)
Блок-схема
Система адаптивного круиз-контроля (ACC)
Блок-схема E503505 относится к:
CF75 IV, CF85 IV, XF105

- D351 ЭБУ, система адаптивного круиз-контроля
- E351 Предохранитель, электрические системы
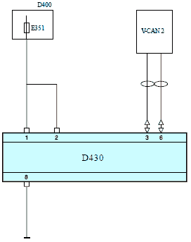
Блок-схема
Система адаптивного круиз-контроля (ACC)
Блок-схема E504599 относится к:
CF75 IV/CF85 IV/XF105

- D430 ECU, система адаптивного круиз-контроля
- E351 Предохранитель, электрические системы
Информация о расположении, ACC
