См. также:
Диагностика
датчиков, выключателей, сигнализаторов, прерывателей
указателей поворотов и стеклоомывателей
«Экран»
Содержание
1. Сокращения в тексте
2. Общие принципы проверки работоспособности датчиков, выключателей и сигнализаторов
3. Датчик указателя уровня топлива ДУМП
4. Датчик сигнализатора засоренности воздушного фильтра ДСФ
5. Датчики ДАДМ, ДАДВ, ВПСТ, ДСДМ
6. Датчик давления ДД
7. Датчик давления комбинированный ДКД
8. Датчик аварийной температуры жидкости ДАТЖ
9. Датчик указателя температуры жидкости ДУТЖ
10. Сигнализатор аварийный СА
11. Выключатель аккумуляторных батарей 1212.3737
12. Прерыватели электронные указателей поворотов ПЭУП
13. Стеклоомыватели электрические автотракторные СЭАТ
Сокращения в тексте рекомендаций:
- СЛ – сигнальная лампа;
- АТС – автотранспортное средство.
Внимание!
При установке и монтаже датчиков на АТС, необходимо выполнять требования, оговоренные в этикетке на соответствующий датчик. В частности, затяжка датчика за кожух корпуса (изолятор), превышение оговоренного усилия затяжки ведет к разрушению датчика.
Необходимо так же учитывать, что неисправность штатного электрооборудования АТС может влиять на работоспособность датчиков, выключателей, сигнализаторов и прерывателей указателей поворотов.
Поэтому, при определении характера неисправности и неисправного элемента, необходимо проверить исправность штатного электрооборудования, предохранители.
Напряжение бортсети должно находиться в нормальных пределах, предохранители должны быть целыми.
Общие принципы проверки работоспособности датчиков, выключателей, сигнализаторов и прерывателей указателей поворотов.
Один из методов установления неисправности какого либо датчика, выключателя, сигнализатора или прерывателя указателя поворотов является его замена на такой же, но заведомо исправный.
При проверке вне АТС, в качестве источников питания можно использовать аккумуляторные батареи на соответствующее напряжение.
Проверка датчиков.
Метод проверки датчиков определяется конструктивной особенностью датчика.
Таблица 1 Конструктивные особенности датчиков

Для проверки датчиков реостатного и мембранно-реостатного типа достаточно определить сопротивление в 2-3 точках положения движка реостата (2-3 положения поплавка, 2-3 значения давления). Однако при наличии провалов (резкое увеличение или снижения показания приборов) требуется дополнительная проверка изменения сопротивления при плавном изменении положения поплавка или давления.
Терморезистивные датчики содержат терморезистор, сопротивление которого уменьшается при увеличении температуры. В связи с отсутствием подвижных элементов в таких датчиках, в большинстве случаев для проверки работоспособности достаточно замерить сопротивление датчика в нормальных условиях.
В датчиках термобиметалического типа замыкание, и размыкание контактов носит пороговый (скачкообразный) характер.
Для проверки, как датчиков давления воздуха, так и масла, внешнее давление рационально создавать воздухом.
Для определения работоспособности датчиков, в частности замера величины сопротивления, факта замыкания или размыкания контактов удобно использовать мультиметр. Можно использовать также метод проверки с соответствующим показывающим прибором, например, проверить датчик уровня топлива с работоспособным указателем уровня топлива. Так же, для проверки правильности работы контактов какого либо датчика, можно использовать в качестве нагрузки лампу или иной сигнализатор, с которыми обычно работает датчик в составе АТС.
Проверка сигнализаторов.
Для проверки сигнализатор подключается к питающему напряжению.
Сигнализатор выдает прерывистый или непрерывный сигнал в зависимости от поданного управляющего сигнала.
Проверка выключателей.
Проверка выключателей сводится к проверке работы механизма включения, состояния силовых и вспомогательных контактов.
На первом этапе проверяется правильность работы механизма включения как элекромагнитного, так и ручного. При этом контролируется факт замыкания силовых и вспомогательных контактов, например, мультиметром.
На втором этапе проверяется состояние контактов. Состояние контактов удобно определять по падению напряжения на замкнутых контактах.
Для этого при включенном выключателе через силовые контакты пропустить ток и замерить падение напряжения на силовых клеммах.
Проверка прерывателей указателей поворотов.
Для проверки прерывателя, следует установить в другое АТС на место рабочего прерывателя. В случае отсутствия АТС с однотипным прерывателем, собрать схему проверки с подключением сигнальных и контрольных ламп.
Проверка стеклоомывателей.
Для проверки стеклоомывателя необходимо проверить эффективность подачи омывающей жидкости и отсутствие утечки в системе.
При отсутствии или низкой эффективности подачи провести проверку насоса стеклоомывателя.
Датчик указателя уровня топлива ДУМП.
Датчики реостатного типа, сопротивление зависит от положения поплавка.
Основные параметры датчиков.
Таблица 2 - Виды датчиков и их параметры

Для проверки датчиков реостатного и мембранно-реостатного типа достаточно определить сопротивление в 2-3 точках положения движка реостата (2-3 положения поплавка, 2-3 значения давления). Однако при наличии провалов (резкое увеличение или снижения показания приборов) требуется дополнительная проверка изменения сопротивления при плавном изменении положения поплавка или давления.
Терморезистивные датчики содержат терморезистор, сопротивление которого уменьшается при увеличении температуры. В связи с отсутствием подвижных элементов в таких датчиках, в большинстве случаев для проверки работоспособности достаточно замерить сопротивление датчика в нормальных условиях.
В датчиках термобиметалического типа замыкание, и размыкание контактов носит пороговый (скачкообразный) характер.
Для проверки, как датчиков давления воздуха, так и масла, внешнее давление рационально создавать воздухом.
Для определения работоспособности датчиков, в частности замера величины сопротивления, факта замыкания или размыкания контактов удобно использовать мультиметр. Можно использовать также метод проверки с соответствующим показывающим прибором, например, проверить датчик уровня топлива с работоспособным указателем уровня топлива. Так же, для проверки правильности работы контактов какого либо датчика, можно использовать в качестве нагрузки лампу или иной сигнализатор, с которыми обычно работает датчик в составе АТС.
Таблица 3 - Сопротивление датчиков при разных положениях поплавка

Примечание: Для установки поплавка в среднее положение, достаточно поднять поплавок с крайнего нижнего положения на высоту указанную в таблице 2.
Расположение контактов и электрическая схема датчиков.

Проверка работоспособности датчиков.
Для проверки датчика необходимо замерить сопротивление между контактами «Р» и «М» при нижнем, среднем и верхним положением поплавка датчика. При плавном движении поплавка проконтролировать непрерывность (отсутствие мертвых зон) изменения сопротивления.
Дополнительно для датчиков с возможностью подключения СЛ, контролировать факт замыкания контактов СЛ во время движения поплавка со среднего в нижнее положение между контактами «К» и «М». Проверку проводить мультиметром.
Если величины сопротивления существенно (более чем на 50%) отличаются от указанного в таблице 3, не происходит замыкания контактов СЛ, либо присутствуют провалы, датчик необходимо заменить.
Датчик сигнализатора засоренности воздушного фильтра ДСФ.
Датчики предназначены для включения сигнальной лампы при засоренности воздушного фильтра выше допустимого предела. Замыкание контактов цепи СЛ производится за счет движения мембраны воспринимающей предельное разрежение в воздушном фильтре.
Мощность сигнальной лампы не должна превышать 2,5 вт.
Параметры датчиков.
Таблица 4 Давление разрежения, при котором срабатывают датчики.

Проверка датчика.
Для проверки создать в датчике разрежение согласно таблице 4.
При достижении указанного разрежения должно происходить замыкание контактов датчика. Факт замыкания контактов контролировать мультиметром.
Если замыкание контактов не происходит, либо значение давления при котором происходит замыкание, существенно отличается от указанного в таблице 4, то датчик необходимо заменить.
Датчики ДАДМ, ДАДВ, ВПСТ, ДСДМ.
Датчики мембранно-контактного типа имеют следующее назначение:
ДАДМ - датчик аварийного давления масла;
ДАДВ - датчик аварийного давления воздуха;
ВПСТ - выключатель пневматические сигнала торможения;
ДСДМ - датчик сигнализатора давления масла.
Работа датчиков.
Таблица 5 Алгоритм работы датчиков.

Параметры датчиков.
Таблица 6 Состояние контактов датчиков и величина давления срабатывания.

Проверка датчика.
Для проверки давление в датчике сначала постепенно поднять выше точки срабатывания, а далее снизить до нуля согласно таблицы 6.
При достижении указанного давления должно происходить замыкание и размыкание контактов датчика.
Факт замыкания и размыкания контактов контролировать мультиметром. Замер проводить между контактными штырями (при наличии в датчике 2-х контактных штырей) или между контактным штырем и корпусом датчика (при наличии в датчике одного контактного штыря).
Если датчик не срабатывает согласно таблице 5, или давление срабатывания существенно отличается от указанного в таблице 6, то датчик необходимо заменить.
Датчик давления ДД.
Датчики мембранно-реостатного типа, предназначены для работы в масло- и пневмосистемах автомобилей и тракторов.
Параметры датчиков.
Рабочее напряжение датчика 12-24 В. Сила тока в цепи датчика не более 0,12 А.
Таблица 7 Зависимость сопротивление реостата датчика от давления.

Продолжение Таблицы 7

Внешний вид контактов датчиков и схемы электрические.

Проверка работоспособности датчиков.
Для проверки работоспособности датчиков подать на проверяемый датчик давление согласно таблицы 7 и контролировать значение сопротивления. Сопротивление контролировать мультиметром между контактными штырями М и 31 или между контактным штырем М и корпусом датчика для датчиков по схеме 1. Для датчиков по схеме 2 и 3 между контактным штырем и корпусом датчика.
Если величины сопротивления существенно отличаются от указанного в таблице 6, датчик необходимо заменить.
Датчик давления комбинированный ДКД.
Датчики мембранно-реостатного типа.
Датчики ДКД-1К и ДКД-5К предназначены для контроля давления в тормозной системе, датчик ДКД-2К для контроля давления в системе смазки автомобилей.
При падении давления ниже допустимого датчики включают соответствующие СЛ.
Параметры датчиков.
Таблица 8 Зависимость величины сопротивления датчика от давления.

Таблица 9 Давление срабатывания (размыкания контактов) датчиков.

Расположение контактов и схема датчиков.

Проверка работоспособности датчиков.
Для проверки правильности работы измерительной части датчиков подать на проверяемый датчик давление и плавно изменять от 0 до 1МПа.
Контролировать изменение сопротивления согласно таблицы 8 мультиметром между контактными штырями 1 и 2 или между контактным штырем 1 и корпусом датчика.
Для проверки срабатывания цепей СЛ давление в датчике сначала постепенно поднять выше точки срабатывания, а далее снизить до нуля согласно таблицы 6.
При достижении указанного давления должно происходить соответственно размыкание и замыкание контактов датчика.
Факт замыкания и размыкания контактов контролировать мультиметром.
Замер проводить между контактными штырями 3 и 2 или между контактным штырем 3 и корпусом датчика.
Если зависимость сопротивления датчика от давления существенно отличается от указанных в таблице 8, замыкание контактов не происходит, либо значение давления при котором происходит замыкание, существенно отличается от указанного в таблице 9, то датчик необходимо заменить.
Датчик аварийной температуры жидкости ДАТЖ.
Датчики термобиметалличекого, контактного типа.
Датчики предназначены для сигнализации факта превышения температуры жидкости выше контрольной.
Параметры датчиков.
Рабочее напряжение датчика 12-24 В. Сила тока в цепи датчика не более 0,12 А.
Таблица 10 Температура срабатывания (замыкания контактов) датчиков.

Проверка работоспособности датчиков.
Для проверки работоспособности датчиков необходимо нагреть рабочую часть датчика до температуры указанной в таблице 10. Нагрев датчиков можно производить не только в жидкостях (вода, масло, глицерин), но и горячим воздухом.
При достижении указанного значения температуры должно происходить замыкание контактов датчика, а при охлаждении размыкание.
Факт замыкания и размыкания контактов контролировать мультиметром. Замер проводить между контактными штырем и корпусом датчика. Если замыкание или размыкание контактов не происходит, либо значение температуры переключения существенно отличается от указанного в таблице 10, то датчик необходимо заменить.
Датчик указателя температуры жидкости ДУТЖ.
В датчиках измерение температуры производится терморезистором, а коммутация СЛ - термобиметаллическая.
Датчики предназначены для контроля температуры охлаждающей жидкости, а так же включения СЛ при достижении максимально допустимой температуры жидкости в системах охлаждения двигателей.
Внимание! Во избежание повреждения датчика, момент вращения разъема при подключении к датчику не должен превышать 1 Н-м, а момент затяжки (не более 40 Н-м) датчика при установке на АТС должен
прикладываться к шестиграннику корпуса датчика.
Параметры датчиков.
Ток протекающий через датчик не должен превышать 0,1 А.
Таблица 11 Зависимость сопротивления датчиков от температуры.

Таблица 12 Наличие возможности подключения СЛ.

Таблица 13 Температура срабатывания и возврата датчиков.

Расположение контактов и схемы датчиков.

Двухконтактные датчики

Трехконтактные датчики
Проверка работоспособности датчиков.
Для проверки работоспособности необходимо определить температуру в которой находится датчик и мультиметром измерить сопротивление датчика.
Замер проводить между контактами М и 31 либо М и корпусом датчика для датчиков ДУТЖ, ДУТЖ-01, ДУТЖ-02, ДУТЖ-02М, ДУТЖ-06М. Для датчиков ДУТЖ-03, ДУТЖ-04 между контактами 2 и 3 либо 3 и корпусом датчика.
Дополнительно для датчиков ДУТЖ-03 и ДУТЖ-04 контролировать факт срабатывания и отпускания согласно таблицы 13. Для этого нагреть датчик выше температуры срабатывания и охладить. При достижении указанного значения температуры должно происходить замыкание и соответственно размыкание контактов датчика. Факт замыкания или размыкания контактов контролировать мультиметром между контактами 1 и 2 либо 1 и корпусом датчика.
Если сопротивления датчика существенно отличается от указанных в таблице 11, замыкание контактов не происходит, либо значение температуры при котором происходит замыкание и размыкание существенно отличается от указанного в таблице 13, то датчик необходимо заменить.
Сигнализатор аварийный СА
Сигнализатор электронный, со звуковым сигналом, предназначен для сигнализации аварийного режима работы различных систем автомобиля.
Параметры сигнализатора.
Рабочее напряжение 12-24 В.
Схема подключения сигнализатора.

Расположение контактов Схема подключения
ПР – прерывистый сигнал,
П – непрерывный сигнал.
Проверка работоспособности сигнализатора.
Подать питающее напряжение 12-24 В на контакты «+» и «-». По очереди соединять контакты «ПР», а затем «П» с «-» питающего напряжения.
Сигнализатор должен издавать соответственно прерывистый или непрерывный сигнал. При отсутствии сигналов или наличии сигнала без подсоединения контактов «ПР» или «П» на «-» питающего напряжения, сигнализатор заменить.
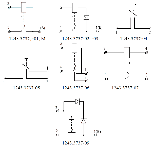
Выключатель аккумуляторных батарей 1212.3737
Выключатели изготавливаются в различном исполнении и различаются по способу управления и управляемому сигналу, по месту установки и по рабочей схеме.
Способ управления и вид управляющего сигнала:
- С электромагнитным приводом управления, управляющий сигнал «плюс» или «минус» аккумуляторной батареи (ЭМ);
- С электромагнитным приводом управления, управляющий сигнал «минус» аккумуляторной батареи (ЭММ);
- С электромагнитным приводом управления, управляющий сигнал «плюс» аккумуляторной батареи (ЭМП);
- С ручным приводом управления (РУ).
Место установки:
- На двигателе (ДВ);
- Вне двигателя (НДВ).
Рабочая схема:
- Двухконтактная (2К);
- Трехконтактная (3К).
Технические характеристики выключателей.
Таблица 14 Основные технические характеристики выключателей.

Сопротивление обмотки для выключателей с электромагнитным приводом с рабочим напряжением 12 В составляет 0,77 Ом, для 24 В-2,5 Ом.
Падение напряжения между силовыми контактами 1 и 2 при токе 50 А должно быть не более 0, 025 В.
Время подачи напряжения на электромагнит не должно превышать 5 с.
Схемы выключателей.

Обозначение контактов. Выводы 1 и 2 – силовые, вывод 4 – вспомогательный (для выключателей 1243.3737-05 и 1243.3737-06), вывод 3 – электромагнита.
Для выключателя 1243.3737-07 выводы электромагнита - контакты 3 и 4.
Проверка работоспособности выключателей.
Для проверки механизма включения выключателей, несколько раз произвести ручное включение и выключение.
Дополнительно для выключателей с комбинированным приводом провести электромагнитное включение и выключение.
При этом, в обесточенном состоянии, проконтролировать факт замыкания силовых (между выводами 1 и 2) и вспомогательных (между выводами 2 и 4) выводах мультиметром.
Таблица 15 Величина и полярность подаваемого напряжения для выключателей с комбинированным приводом.

Проверка состояния силовых и вспомогательных контактов.
Для этого при включенном выключателе через силовые контакты пропустить ток от 10 до 50 А и замерить падение напряжения на силовых выводах.
Падение напряжения должно составлять не более 0,025 В для тока 50 А и 0,005 В для тока 10 А. При измерении, для того, что бы не повредить мультиметр, установить предел измерения не менее подаваемого напряжения, а далее уменьшать до приемлемого.
Падение напряжения для других значений токов можно определить, умножив величину тока на 0,005.
Если включение и выключение не происходит, или падение напряжения на силовых контактах существенно превышает указанное, то выключатель необходимо заменить.
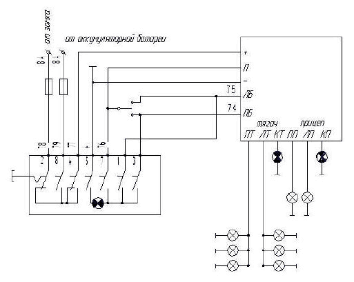
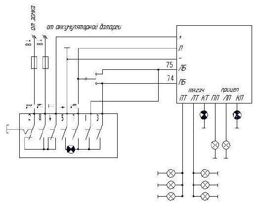
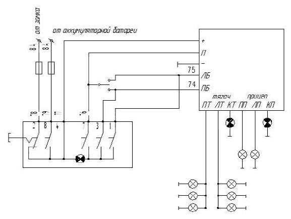
Прерыватели электронные указателей поворотов ПЭУП
Прерыватели электронные указателей поворотов (далее в тексте - ПЭУП), предназначенные для организации прерывистой работы в цепях указателей поворотов АТС.
Номинальное напряжение и количество силовых каналов.
- Номинальное рабочее напряжение 27 В. Рабочее напряжение от 21,6 до 30 В.
- Количество силовых каналов – 4.
Конструктивные разновидности ПЭУП.
Таблица 16 Разновидности ПЭУП.

Примечание - КЗ – короткое замыкание;
- I1к – ток срабатывания защиты по одному каналу;
- 2/1 x 21W – 2 канала с контролируемой нагрузкой по одной лампе 21Вт;
- 2/3 x 21W – 2 канала с контролируемой нагрузкой по три лампы 21Вт;
- 2/(2 x 21W+5W) – 2 канала с контролируемой нагрузкой по две лампы 21Вт плюс одна лампа 5Вт.
- М – модернизированный вариант с дополнительной защитой от электростатического разряда и от КЗ по выходам на аварийные лампы.
Частота прерывания.
Частота сигналов на выводах ЛТ, ПТ, ЛП, ПП, КТ, КП при напряжении питания от 21,6 В до 30 В должна быть в пределах 90±30 ед/мин.
Прерыватели при уменьшении нагрузки (при перегорании или другом каком-либо аварийном отключении хотя бы одной лампы указателей поворотов) отключают соответствующие контрольные лампы.
Расположение контактов ПЭУП.

Обозначения контактов:
ЛП – левый прицеп; ПП – правый прицеп;
ЛТ – левый тягач; ПТ – правый тягач;
КП – контроль прицепа; КТ – контроль тягача;
ЛБ – левый борт; ПБ – правый борт.
Схемы подключения ПЭУП.

Схема 1. Подключение ПЭУП-4, коммутации по выводу «П», контрольная лампа включена на «-» бортсети.

Схема 2. Подключение ПЭУП-6М (7М) при коммутации по выводу «П», контрольная лампа включена на «-» бортсети.

Схема 3. Подключение ПЭУП-6М (7М) при коммутации по выводу «П», контрольная лампа включена к «+» бортсети.

Схема 4. Подключение ПЭУП-6М (7М) при коммутации по «-» бортсети, контрольная лампа включена к выводу «П».
Проверка работоспособности.
Для проверки работоспособности необходимо собрать схему, по которой прерыватель работает в составе АТС.
Мощности указательных по цепям ПТ и ЛТ выбираются по 3 шт. 21 Вт для ПЭУП-6М (7М), по 2 шт. 21 Вт + 1 шт. 5 Вт для ПЭУП-4.
Мощности по цепям ПП и ЛП по 1 шт. 21 Вт.
Контрольных лампы соответственно 5 Вт.
При отсутствии аварийного выключателя подать «+» и «-» напряжения питания непосредственно на прерыватель.
Проверка работоспособности ПЭУП-4.
Проверка обычного режима работы.
Подать поочередно на контакты ЛБ и ПБ сигнал «П» с прерывателя.
Должны периодически загораться указательные и контрольные лампы левого и правого борта соответственно.
Количество загораний должно находится в пределах 90±30 ед/мин.
При отсоединении одной из 2-х 21 Вт лампы тягача или лампы прицепа, соответствующая контрольная лампа должна гаснуть.
Проверка аварийного режима работы.
Подать одновременно на контакты ЛБ и ПБ сигнал «П» с прерывателя.
Должны периодически одновременно загораться все указательные и контрольные лампы левого и правого борта и аварийная контрольная лампа.
При отсоединении одной из 2-х 21 Вт лампы тягача или лампы прицепа, соответствующая контрольная лампа должна гаснуть.
Если периодического загорания ламп не происходит, количество загораний за 1 мин.
существенно отличаются от указанного, или не гаснут контрольные лампы при отсоединении указательных ламп, то прерыватель следует заменить.
Проверка работоспособности ПЭУП-6М (7М).
Проверка обычного режима работы.
Подать поочередно на контакты ЛБ и ПБ «-» источника питания (при проверке по схеме 4) или сигнал «П» с прерывателя (при проверке по схеме 2 или 3).
Должны периодически загораться указательные и контрольные лампы левого и правого борта соответственно.
Количество загораний должно находится в пределах 90±30 ед/мин.
При отсоединении одной из 3-х указательных ламп тягача или лампы прицепа, соответственно должны гаснуть контрольная лампа тягача или прицепа.
Проверка аварийного режима работы.
Подать одновременно на контакты ЛБ и ПБ «-» источника питания (при проверке по схеме 4) или сигнал «П» с прерывателя (при проверке по схеме 2 или 3).
Должны периодически одновременно загораться все указательные и контрольные лампы левого и правого борта и аварийная контрольная лампа.
При отсоединении одной из 3-х указательных ламп тягача или лампы прицепа, соответственно должны гаснуть контрольная лампа тягача или прицепа.
Если периодического загорания ламп не происходит, количество загораний за 1 мин.
существенно отличаются от указанного, или не гаснут контрольные лампы при отсоединении указательных ламп, то прерыватель следует заменить.
СТЕКЛООМЫВАТЕЛИ ЭЛЕКТРИЧЕСКИЕ АВТОТРАКТОРНЫЕ СЭАТ
Стеклоомыватели электрические автотракторные СЭАТ (далее в тексте - стеклоомыватели), предназначенные для подачи жидкости на ветровое стекло и стекла фар транспортных средств.
Рабочие напряжение и потребляемый ток.
Таблица 17 Рабочие напряжение и потребляемый ток стеклоомывателей

Допустимое время непрерывной работы стеклоомывателя.
Продолжительность непрерывной работы стеклоомывателя не более 10 с.
Проверка эффективности работы стеклоомывателя.
Перед проверкой убедится в наличии жидкости в бачке.
Далее, на насос стеклоомывателя подать напряжение питания в соответствии с таблицей 17. Проконтролировать эффективность подачи жидкости.
При отсутствии подачи или ее низкой эффективности необходимо дополнительно проверить работу насоса.
Для этого снять насос с бачка, заборник насоса погрузить в воду, подать напряжение питания и проконтролировать эффективность подачи жидкости и потребляемый мотором насоса ток.
В случаи, когда потребляемый ток в норме, а эффективность подачи жидкости низкая, то необходимо так же проверить правильность (полярность) подключения насоса, так как подача напряжения в обратной полярности существенно снижает как производительность, так и давление создаваемое насосом.
Если подача отсутствует или эффективность подачи низкая и потребляемый ток существенно отличается от среднего указанного в таблице 17, то насос необходимо заменить.
Проверка утечек жидкости в системе стеклоомывателя.
Проверку провести зрительно во всех местах соединения трубок и в месте установки насоса в бачок.
При наличии места утечки, некачественный элемент системы заменить.