Электросхема управления тормозом-замедлителем RS
Mercedes Axor 940-944
Фрагмент электросхемы: блок управления FR

- АЗ: Блок управления FR система управления движением
- А7: Базовый модуль
Фрагмент электросхемы: блок управления ABS

- А10: Блок управления ABS антиблокировочная система
- А7: Базовый модуль
- Х9 18/1-18 Напряжение питания 'Кл. 15' от базового модуля
- Х8 15/1-15 Напряжение питания 'Кл. 31' от базового модуля
- Х13 18/1-18 Напряжение питания 'Кл. 30' от базового модуля
Фрагмент электросхемы: блок управления BS

- A11: Блок управления BS управление тормозной системой
- А7: Базовый модуль
- Х8 15/1-15 Напряжение питания 'Кл. 31' от базового модуля
- Х13 18/1-18 Напряжение питания 'Кл. 15' от базового модуля
- Х9 18/1-18 Напряжение питания 'Кл. 30' от базового модуля
Фрагмент электросхемы: блок управления GS

- А16: Блок управления GS управление переключением передач
- А7: Базовый модуль
Фрагмент электросхемы: блок управления RS

- А20: Блок управления RS управление тормозом-замедлителем (ретардером)
- А7: Базовый модуль
Фрагмент электросхемы: блок управления FR

- АЗ: Блок управления FR система управления движением
- Z1: Точка звезды шины CAN а/м
- CAN-H: Шина CAN High
- CAN-L: Шина CAN Low
- СЗ: Сигнал скорости
Фрагмент электросхемы: блок управления ABS

- XI 18/1, XI 18/3: Штекерное соединение на блоке управления ABS антиблокировочная система
- XI 18/7, XI 18/9: Штекерное соединение на точке звезды шины CAN а/м
Фрагмент электросхемы: блок управления BS

- A11: Блок управления BS управление тормозной системой
- Z1: Точка звезды CAN
- Н: Шина CAN High
- L: Шина CAN Low
- XI 18/7, XI 18/9: Штекерное соединение точки звезды CAN
Фрагмент электросхемы: блок управления GS

- А16: Блок управления GS управление переключением передач
- Z1: Точка звезды CAN
- Н: Шина CAN High
- L: Шина CAN Low
- XI 18/16, XI 18/18: Штекерное соединение точки звезды CAN Z1
Фрагмент электросхемы: блок управления RS

- А20: Блок управления RS управление тормозом-замедлителем (ретардером)
- Z2: Точка звезды CAN на задней стенке кабины водителя
Фрагмент электросхемы шины CAN

- Z1: Точка звезды CAN на консоли
- 12: Точка звезды CAN на задней стенке кабины водителя
Фрагмент электросхемы: блок управления RS

- А20: Блок управления RS управление тормозом-замедлителем (ретардером)
- Z2: Точка звезды CAN на задней стенке кабины водителя
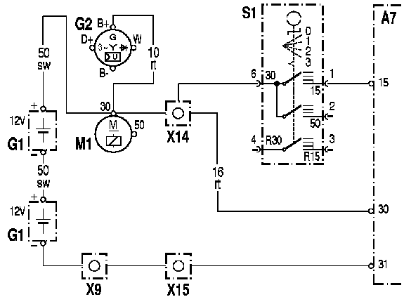
Электропитание базового модуля

- А7 : Базовый модуль
- G1 : Аккумуляторная батарея
- G2 : Генератор
- Ml : Стартер
- S1 : Замок зажигания
- Х9 : Колодка клеммы 30 на кронштейне аккумуляторной батареи
- Х14 : Колодка клеммы 30 на плате штекеров 'Кабина водителя - шасси'
- Х15 : Колодка клеммы 31 на плате штекеров 'Кабина водителя - шасси'
Фрагмент электросхемы: блок управления RS

- А20: Блок управления RS управление тормозом-замедлителем (ретардером)
- А7: Базовый модуль
Фрагмент электросхемы: блок управления RS

- А20: Блок управления RS управление тормозом-замедлителем (ретардером)
- В65: Датчик температуры охлаждающей жидкости
- Вбб: Датчик температуры масла тормоза-замедлителя (ретардера)
- Х2.3: Штекерное соединение Х2.3 на плате штекеров 'Кабина водителя-шасси'
- Х40: Штекерное соединение Х40
- Х97: Штекерное соединение Х97
- Y44: Пропорциональный клапан
Фрагмент электросхемы: блок управления RS

- А20: Блок управления RS управление тормозом-замедлителем (ретардером)
- S2: Рычаг задействования 'Управление двигателем/тормозом-замедлителем
Фрагмент электросхемы: блок управления RS

- А20: Блок управления RS управление тормозом-замедлителем (ретардером)
- В65: Датчик температуры охлаждающей жидкости
- Вбб: Датчик температуры масла тормоза-замедлителя (ретардера)
- Х2.3: Штекерное соединение Х2.3 на плате штекеров 'Кабина водителя-шасси'
- Х40: Штекерное соединение Х40
- Х97: Штекерное соединение Х97
- Y44: Пропорциональный клапан
Фрагмент электросхемы шины CAN

- Z1: Точка звезды CAN на консоли
- 12: Точка звезды CAN на задней стенке кабины водителя
Место установки: Блоки управления

- 1 FLA электрофакельный подогреватель воздуха
- 2 NR Система регулирования уровня кузова
- 3 WS система техобслуживания
- 4 HPS система гидропневматического переключения передач
- 5 FR система управления движением
- 6 ABS антиблокировочная система или BS тормозное управление
- 7 PSM параметрируемый спецмодуль
Место установки: Блоки управления на задней стенке кабины водителя

- 1: ESR система электронного регулирования амортизаторов
- 2: FFB дистанционное радиоуправление
- 3: KSA система комфортабельного открывания/закрывания / ZV центральная блокировка замков
- 4: КОМ коммуникационный интерфейс
- 5: Место блока управления в настоящее время не занято.
- б: RS система управления тормозом-замедлителем - 'ретардером'(RET)
- 7: GS управление переключением передач (EPS)
- 8: EDW система противоугонной сигнализации
Место установки: В65, В66, Y44

- 1: Корпус тормоза-замедлителя (ретардера)
- 2: Масляный бак
- 3: Теплообменник
- 4: Штекерное соединение датчика температуры охлаждающей жидкости
- 5: Штекерное соединение датчика температуры масла тормоза-замедлителя (ретардера)
- В65: Датчик температуры охлаждающей жидкости
- Вбб: Датчик температуры масла тормоза-замедлителя (ретардера)
- Y44: Пропорциональный клапан
Место установки рычага задействования 'Управление двигателем/тормозом-замедлителем'

- 1: Рычаг задействования 'Управление двигателем/тормозом-замедлителем' (S2)
Место установки: Штекерное соединение Х2.3

- Х2.3 Штекерное соединение 'Плата штекеров - Кабина водителя - шасси'
Место установки точки звезды CAN на консоли

- 1: Место установки точки звезды CAN на консоли Z1
Место установки точки звезды CAN на задней стенке кабины водителя

- 1: Место установки точки звезды CAN на задней стенке кабины водителя (Z2)
Штекерные соединения на базовом модуле

- 30: Электропитание
- 15: Электропитание
- 31: Масса
- Х9, Х10, Х12, Х13: 18-контактные штекерные соединения
- Х6, Х8: 15-контактные штекерные соединения
- XI, Х2, ХЗ, XII: 12-контактные штекерные соединения
- Х14: 10-контактные штекерные соединения
- Х5, Х7: 9-контактные штекерные соединения
- Х4: 8-контактные штекерные соединения
Расположение штекерных соединений на блоке управления ABS/BS

- 1: Штекер XI
- 2: Штекер Х2
- 3: Штекер ХЗ
- 4: Штекер Х4
Расположение штекерных соединений на блоке управления GS

- 1: Штекерное соединение Х4
- 2: Штекерное соединение ХЗ
- 3: Штекерное соединение Х2
- 4: Штекерное соединение XI
Расположение штекерных соединений на блоке управления RS

- А20: Блок управления RS управление тормозом-замедлителем (ретардером)
- 1: Штекерное соединение XI на блоке управления RS управление тормозом-замедлителем (ретардером)
- 2: Штекерное соединение Х2 на блоке управления RS управление тормозом-замедлителем (ретардером)
Распределение контактов штекерного соединения А20 XI

- 1: Шина CAN Low
- 3: Шина CAN High
- 4: Вход 'Положение 2' рычага задействования 'Управление двигателем/тормозом-замедлителем1
- 5: Вход 'Положение 1' рычага задействования 'Управление двигателем/тормозом-замедлителем'
- 6: Вход 'Положение 1' рычага задействования 'Управление двигателем/тормозом-замедлителем'
- 7: Напряжение питания 'Кл. 15' от базового модуля
- 8: Вход 'Положение 4' рычага задействования 'Управление двигателем/тормозом-замедлителем1
- 9: Вход 'Положение 3' рычага задействования 'Управление двигателем/тормозом-замедлителем'
- 10: Электропитание рычага задействования 'Управление двигателем/тормозом-замедлителем'
- 13: Напряжение питания 'Кл. 30' от базового модуля
- 15: Напряжение питания 'Кл. 31' от базового модуля
- 17: Вход 'Положение 0' рычага задействования 'Управление двигателем/тормозом-замедлителем'
- Все неуказанные контакты не заняты.
Распределение контактов штекерного соединения Y44

- 1: Пропорциональный клапан +
- 2: Пропорциональный клапан -
Распределение контактов штекерного соединения Х40 и Х97

- 1: Пропорциональный клапан +
- 2: Пропорциональный клапан -
- 3: Сигнал датчика температуры охлаждающей жидкости
- 4: Масса датчика температуры охлаждающей жидкости
- 5: Сигнал датчика температуры масла тормоза-замедлителя (ретардера)
- 6: Масса датчика температуры масла тормоза-замедлителя (ретардера)
Штекерные соединения платы штекеров кабина водителя - шасси

- Плата штекеров кабина водителя - шасси
Обзор через базовый модуль

- 1: Диагностический разъём, 14-контактный
- 2: Кронштейн диодов (А26)
- 3: Блоки предохранителей
- 4: Блоки предохранителей
- 5: Блоки предохранителей
- 6: Блок реле (А31)
- 7: Блок реле (А32)
- 8: Базовый модуль(А7)
Параметрическая кривая датчика температуры охлаждающей жидкости В65

- R: Сопротивление в Ом
- Т: Температура в °С
Параметрическая кривая датчика температуры масла тормоза-замедлителя (ретардера) В66

- R: Сопротивление в Ом
- Т: Температура в °С