Электрооборудование автобуса МАЗ 241
Автобус имеет 24-вольтовую систему электрооборудования, которое выполнено по однопроводной схеме соединений. Минусом («массой») является каркас автобуса, соединенный с минусом аккумуляторных батарей.

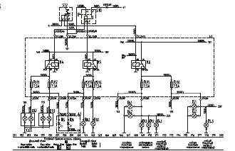
1 - плафоны освещения дверных проемов; 2 - повторители указателей поворота; 3 - внешняя кнопка открытия (закрытия) двери; 4 - плафоны подсветки ступенек и проходов; 5 - боковые габаритные фонари; 6 - задние верхние фонари; 7 - задние фонари; 8 - фонари подсветки номерного знака; 9 - тахограф, аудио-система; 10 - датчики пневмосистем; 11 - аккумуляторные батареи; 12 - датчик уровня топлива; 13 - блок управления ABS; 14 - блок коммутации; 15 - жгуты; 16 - блок управления системы автоматического пожаротушения; 17 - дополнительная панель переключателей; 18 - подрулевые переключатели; 19 - щиток приборов; 20 - плафоны индивидуального освещения; 21 - плафоны освещения салона; 22 - передние габаритные фонари; 23 - стеклоомыватель; 24 - передние указатели поворота; 25 - противотуманные фары; 26 - звуковой сигнал; 27 - стеклоочиститель; 28 - фары головного света
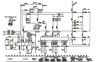
Блок коммутации
Блок коммутации 14 расположен в отсеке по левому борту. В блоке коммутации расположены предохранители, промежуточные реле, реле поворотов, импульсное реле стеклоочистителя, стартерное реле и диодные сборки, обозначение и назначение которых указаны на БК.

1 - контрольная лампа исправности плавкого предохранителя; 2 - плавкий предохранитель; 3 - питание после замка зажигания; 4 - промежуточное реле; 5 - питание с АКБ; 6 - подача питания на стартер; 7 - общая «масса»; 8 - контрольная лампа исправности цепи АКБ; 9 - диод; 10 - контрольная лампа исправности цепи после замка зажигания; 11 - розетка; 12 - жгут панели приборов; 13 - жгут передка автобуса; 14 - жгут дверей; 15 - главный жгут; 16 - жгут ГМП; 17 - жгут моторного отсека; 18 - жгут управления двигателем; 19 - жгут отопителей; 20 - жгут резервов; 21 - жгут системы автоматического пожаротушения; 22 - жгут пневмодатчиков
Перечень элементов
- A1 Блок коммутационной аппаратуры
- A2 Электронный щиток приборов
- А5 Блок управления пожаротушением
- А5.1 Пульт управления пожаротушением
- А6 Подогреватель воздуха
- А7 Подогреватель жидкости
- A8 Таймер ПЖД
- А9 Блок управления приводом двери
- A10 Усилитель
- A11 Блок ABS/ASR
- A15 Блок управления PLD двигателем Daimler
- A17 Блок управления ADM-3
- A19 Электронный блок SCR (Daimler)
- A31 CD/DVD/FM-ресивер
- A32 Коммутатор
- A33 Монитор
- А601 Электронный блок SCR
- A620 Блок управления двигателем CUMMINS ISF 3.8
- B3 Датчик уровня топлива
- B4, В5 Датчик указателя давления воздуха в контурах тормозов
- B6, В7, В10, В11, В13, В20 Датчик аварийного давления воздуха
- B12 Датчик засоренности воздушного фильтра
- B15 Датчик уровня масла ГУР
- B16 Датчик уровня охлаждающей жидкости
- B17, B17.1 Датчик молотков
- B18.1, В18.2 Линейный температурный извещатель пожаротушения
- B23.1, B23.2 Датчик стоп - сигнала
- B27 Датчик аварийного состояния двери
- B28 Датчик аварийного открывания двери
- В32 Датчик положения педали подачи топлива
- B35 Датчик температуры до катализатора
- B36 Датчик температуры после катализатора
- B37 Датчик уровня и температуры Adblue
- B38 Датчик наличия воды в топливном фильтре
- В54 Датчик NOХ
- B61...В64 Датчик числа оборотов
- BA1,BA3 Громкоговорители салона
- BA2, BA4...BA12 Громкоговорители индивидуальных панелей
- BA20 Громкоговоритель наружный
- ВМ1 Микрофон
- BV1 Импульсный датчик спидометра
- Е1.1, Е1.2 Габаритный огонь передний верхний
- Е2.1, Е2.2 Габаритный огонь задний верхний
- E5.1, E5.2 Боковой габаритный фонарь левый
- E4.1...E4.2 Боковой габаритный фонарь правый
- E4.3, E5.3 Боковой габаритный огонь задний нижний
- E9.1, E9.2 Фонарь освещения номерного знака
- E10.1, E10.2 Фара ближнего света
- E11.1, Е11.2 Фара дальнего света и габаритный огонь
- E14.1, E14.2 Противотуманная фара
- E15.1, E15.2 Фонарь противотуманный
- E17.1, E17.2 Фонари заднего хода
- E18 Фонарь освещения моторного отсека
- E19.1, E19.2 Дневные ходовые огни
- E20.1, E20.2 Проблесковые маячки
- E24.1...E24.5 Светильник освещения салона
- E25 Светильник освещения места водителя
- E28.1, E28.2 Фонарь освещения дверного проходов
- E80.1..E80.6 Фонарь освещения проходов и ступенек
- EL1...EL20 Светильник индивидуальной панели
- ES12...ES48 Лампа подсветки переключателя А24-1.2
- EТ1, EТ2 Генератор огнетушащего аэрозоля
- G1 Аккумуляторная батарея
- G2 Генератор
- H1, H3...H7, H10...H13, H15, H16, H20, H22, H25...H28, H38, H44, H45, H48...H50, H52, H53, H56, H57, H59, H60, H64, H71 Контрольная лампа» электронного щитка приборов
- H8 Зуммер
- H9 Контрольная лампа открывания заслонки
- H14 Контрольная лампа открывания запасной двери
- H19.1, Н19.2 Сигнал электрический звуковой
- H30.1, Н30.2 Фонари стоп - сигналов и габаритных огней задние
- H31 Сигнал заднего хода
- H35 Указатель поворота передний левый
- H36, H40 Повторитель боковой указателя поворотов
- H37, H41 Указатель поворота задний
- H39 Указатель поворота передний правый
- H42.1, Н42.2 Указатели поворота задние (верхние)
- H52.1 Сигнализатор звуковой
- H63 Контрольная лампа « Требования остановки»
- H65 Контрольная лампа « Скорость > 60 км/ч»
- H65.1 Зуммер
- H66 Табло «Требования остановки»
- H67 Контрольная лампа «Аварийная работа молотков»
- H68 Зуммер
- H70 Контрольная лампа « Проверь двигатель»
- H72 Контрольная лампа уровня AdBlue
- H73 Контрольная лампа работы системы SCR
- H108 Контрольная лампа аварийного выхлопа
- H109 Контрольная лампа аварийного давления масла
- K2 Реле стартерное
- K19 Реле указателей поворотов
- K20 Реле стеклоочистителя
- K21 Реле отопителя
- K63 Реле педали тормоза
- K64 Реле реле нейтрали
- K70 Реле проблесковых маячков
- K200 Реле блокировки стартера
- KK3 Реле ограничения скорости
- KK4 Реле контроля скорости > 60 км/ч
- M1 Стартер
- M2 Электродвигатель стеклоомывателя
- M3 Электродвигатель моторедуктора стеклоочистителя
- M4 Электродвигатель управления заслонкой фронтального отопителя
- M5 Электродвигатели отопителя водителя
- M6.1, M6.2 Электродвигатели отопителей пассажирского салона
- М8.1, М8.2 Электродвигатели крышных вентиляторов
- M9 Электродвигатель циркуляционного насоса ПЖД
- Р1...Р7 «Контрольные приборы» электронного щитка приборов
- P10 Спидометр
- P11 Электронный тахограф
- P12 CAN-коммуникатор
- Q1 Контактор главный
- Q2 Замок зажигания
- Q3 Контактор вспомогательный
- Q20 Контактор предпускового подогрева
- R1.1, R1.2 Обогрев зеркал
- R2 Обогрев стекла
- RТ1 Осушитель воздуха
- RF1 Свеча ЭФУ
- RT2 Обогрев топливного фильтра
- RT3 Обогрев сиденья водителя
- S4 Датчик нейтрали
- S6 Кнопка теста контрольных ламп
- S10 Переключатель указателей поворотов
- S11 Переключатель стеклоочистителя
- S12 Главный выключатель света
- S14 Датчик включения заднего хода
- S15 Кнопка аварийной сигнализации
- S16 Выключатель отопителя места водителя
- S17 Выключатель отопителей пассажирского салона
- S19 Выключатель крышных вентиляторов
- S21 Выключатель воздушного подогревателя
- S22 Выключатель жидкостного подогревателя
- S23 Выключатель управления заслонкой отопителя водителя
- S25 Выключатель освещения салона
- S26 Выключатель освещения места водителя
- S27 Выключатель обогрева зеркал
- S28 Выключатель обогрева стекла водителя
- S29 Выключатель остановочного тормоза
- S30 Переключатель разблокирования остановочного тормоза
- S31, S32 Выключатель клапана отопления
- S34 Кнопка требования остановки инвалидом
- S34.1 Кнопка требования остановки
- S35 Кнопка управления дверью салона
- S36 Педаль включения звукового оповещения
- S37 Тумблер переключения трансляции
- S38 Выключатель аудиосистемы салона
- S46 Кнопка тестирования ABS
- S56 Кнопка диагностики двигателя
- S57, S58 Датчик износа тормозных накладок
- S60 Кнопка моторного тормоза
- S64 Кнопка управления дверью салона наружная
- S66.1...S66.3 Конечный выключатель двери салона
- S67 Конечный выключатель запасенной двери
- S68 Выключатель вентиляторов индивидуального обдува
- Y1 Вентиль сиденья водителя
- Y5 Импульсный топливный насос
- Y8 Вентиль остановочного тормоза
- Y8.1, Y8.2 Электропневматический клапан управления дверью
- Y9 Вентиль блокировки двери
- Y14 Клапан прогрева двигателя
- Y15 Клапан отопления рабочего места водителя
- Y16 Клапан отопления салона
- Y25 Клапан моторного тормоза
- Y60 Клапан ASR
- Y61...Y64 Модуляторы ABS
- Y70 Клапан подогрева бака раствора Adblue
- Y80 Клапан подачи воздуха
- Х1 Розетка 12 В
- Х3 Розетка 24 В в блоке коммутации
- Х4 Розетка 24 В в отсеке пневмодатчиков
- Х5 Розетка 24 В в моторном отсеке
- Х.A23 Разъем диагностический OBD двигателя
- WA Антенна
- U1 Преобразователь напряжения
- U2 Преобразователь напряжения 24/12 В
- U2.1 Преобразователь напряжения 24/12 В дополнительный
ПРИМЕРЫ ЭЛЕКТРОСХЕМ
Система электропитания автобуса с двигателем ММЗ



Перечень электросхем
- Система электропитания автобуса с двигателем ММЗ
- Система электропитания автобуса с двигателем Cummins
- КИП и датчики
- Контрольные лампы, зуммер, преобразователь напряжения
- Спидометр, звуковые сигналы, система пожаротушения
- Спидометр, тахограф, звуковые сигналы, система пожаротушения, датчики
- Фары, фонари, маркерные огни
- Освещение, ходовые огни, противотуманные фары и фонари
- Фонари, датчики, осушитель воздуха, освещение моторного отсека
- Указатели поворота
- Стеклоочиститель, клапана системы отопления
- Отопители
- Подогреватель воздуха Airtronic D2, подогреватель жидкости Hydronic 30
- Освещение салона, тумблер разблокировки остановочного тормоза
- Датчики, контрольные лампы, обогрев зеркал и стекла, CAN коммуникатор
- Освещение дверного проема, управление приводом передней двери
- Освещение дверного проема, управление приводом передней двери, проблесковые маячки
- Система ABS/ASR KNORR-BREMSE (Экран)
- Система ABS KNORR-BREMSE ABS6 Premium
- Система ABS/ASR Wabco
- Блок коммутации автобусов с двигателем ММЗ
- Предпусковой подогрев, обогрев топливного фильтра автобусов с двигателем ММЗ
- Блок управления двигателем ММЗ
- Блок управления двигателем Cummins
- Аудио система Евроконцепт
- Аудио-видео система Евроконцепт
- Аудио система школьного автобуса
- Кондиционер Aerosphere
- Кондиционер Santana XL
- CAN коммуникатор
- Медиакомплекс
Все схемы в высоком качестве - доступны только пользователям


