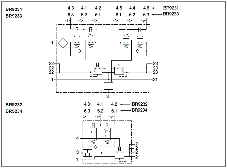
Прицеп BR92.. (модуляторы ABS с ускорительными клапанами)

Ускорительный клапан модулятора представляет собой модулятор с интегрированным ускорительным
клапаном и используется на прицепной технике с антиблокировочной тормозной системой и электронной тормозной системой, чтобы контролировать давление рабочего тормоза в одном или более приводах.
В тормозной системе трейлера, при отсутствии АБС, управляющий клапан модулятора действует
как стандартный ускорительный клапан, и в ответ на сигнальное давление воздуха ускоряет действие
тормоза, обеспечивая быстрое и точное управление, посредством большого объема воздуха.
Однако, если в течение торможения, антиблокировочная система ЭБУ (ECU) обнаруживает, что отслеживаемое колесо замедляется слишком быстро, и блокировка колеса неизбежна, то он посылает электронный сигнал к управляющему клапану, контролирующее это колесо. Тогда управляющий клапан быстро смоделирует тормозящее давление между тремя состояниями: «сбросить», «удержать» и «затормозить».
Это продолжится до тех пор, пока не будет преодолен риск блокировки колеса.
Модулятор доступен в одиночной и в сдвоенной форме. Сдвоенный модулятор может использоваться как альтернатива вместо двух одиночных, установленных поперек оси. Сдвоенный модулятор
использует одиночный сигнал и одиночный порт питания, с независимо управляемыми с портами подачи соответствующими модуляторами.
Стандартное обозначение по DIN ISO 1219
