HINO Engine Wiring Diagram
J05C TD, J05D TA, J05D TF, J08C TP, J08C TR, J08E, J08E TV, J08E TW
List
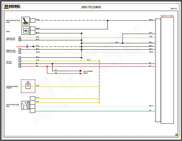
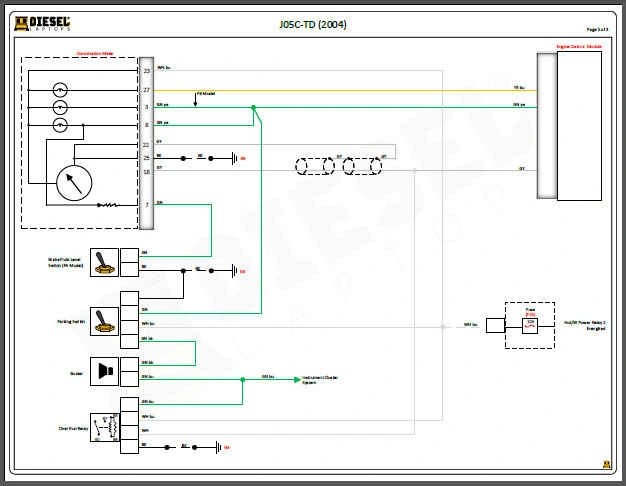
- HINO - J05C-TD Engine (2004 FA _ FB Series)
- HINO - J05C-TD Engine (2004 FD, FE, SG Series)
- HINO - J05D-TA Engine (2006).Common Rail Fuel System (EPA04)
- HINO - J05D-TA Engine (2007).Common Rail Fuel System (EPA07)
- HINO - J05D-TA Engine (2007)
- HINO - J05D-TF Engine (2005).Common Rail Fuel System (EPA04)
- HINO - J05D-TF Engine (2008).Common Rail Fuel System (EPA07)
- HINO - J05D-TF Engine (2009).Common Rail Fuel System (EPA07)
- HINO - J05D-TF Engine (2010).Common Rail Fuel System (EPA10)
- HINO - J05D-TF Engine (2010)
- HINO - J08C-TP Engine (2004 FA _ FB Series)
- HINO - J08C-TP Engine (2004 FD, FE, SG Series)
- HINO - J08C-TR Engine (2004 FA _ FB Series)
- HINO - J08C-TR Engine (2004 FD, FE, SG Series)
- HINO - J08E Engine (2011-13).Common Rail Fuel System (EPA10)
- HINO - J08E Engine (2014).Common Rail Fuel System (EPA10)
- HINO - J08E Engine (2015).Common Rail Fuel System (EPA10)
- HINO - J08E Engine (2017).Common Rail Fuel System (EPA10)
- HINO - J08E Engine (2018).Common Rail Fuel System (EPA10)
- HINO - J08E-TV Engine (2005).Common Rail Fuel System (EPA04)
- HINO - J08E-TV Engine (2008).Common Rail Fuel System (EPA07)
- HINO - J08E-TV Engine (2009).Common Rail Fuel System (EPA07)
- HINO - J08E-TV Engine (2010).Common Rail Fuel System (EPA10)
- HINO - J08E-TV Engine (2010)
- HINO - J08E-TW Engine (2005).Common Rail Fuel System (EPA04)
- HINO - J08E-TW Engine (2008).Common Rail Fuel Sytem (EPA07)
- HINO - J08E-TW Engine (2009).Common Rail Fuel System (EPA07)
- HINO - J08E-TW Engine (2010).Common Rail Fuel System (EPA10)
- HINO - J08E-TW Engine (2010)
Examples of schemes






Все документы в "Большой энциклопедии для автоэлектриков и диагностов"