Описание дополнительного автономного отопителя D1LCC / D3LCC MAN
1LCC и D3LCC - это автономные воздушные отопители, которые работают на дизельном топливе.
Мощность отопителя регулируется после плавного выбора температуры в кабине устройством управления дополнительного отопителя (A290) и подразделяется на 4 ступени мощности. С помощью устройства управления дополнительного отопителя (A290) можно выполнить немедленный пуск и программирование. Три значения времени пуска обогрева сохраняются на 7 дней в течение 24 часов. Воздушный отопитель предназначен также для режима ADR (Международное соглашение по автомобильной транспортировке опасных грузов). Диагностику независимого обогрева следует проводить с помощью MAN-cats® II
Конструкция D1LCC / D3LCC

(1) Центральная электрическая сеть (A100)
(2) Электрические провода
(3) Устройство управления дополнительного отопителя (A290)
(4) Дополнительный воздушный отопитель (A483)
(5) Бак
(6) Дозировочный насос дополнительного отопителя (M123)
(7) Трубопровод дизеля
Дополнительный воздушный отопитель (A483)

(1) Блок управления
(2) Ротор дутьевого вентилятора
(3) Штифт свечи накаливания
(4) Датчик перегрева
(5) Датчик пламени
(6) Теплообменник
(7) Теплый воздух
(8) Камера сгорания
(9) Отработанные газы
(10) Разъем для подвода топлива
(11) Электродвигатель
(12) Воздух для горения
(13) Свежий воздух
(14) Ротор вентилятора отопителя
Устройство управления дополнительного отопителя (A290)

(1) День недели
(2) Постоянная индикация
(3) Индикация работы
(4) Потенциометр уставки температуры
(5) Вперед
(6) Назад
(7) Немедленное включение и выключение отопления
(8) Выбор программы
(9) Время
(10) Ячейка памяти
С помощью устройства управления (A290) выполняется программирование и пуск дополнительного отопителя, а также регулировка температуры (10-30°C).
Дополнительные сведения об эксплуатации см. в руководстве по эксплуатации грузовых автомобилей.
Дозировочный насос дополнительного отопителя (M123)

(1) Маркировка воздушного отопителя
Дозировочный насос подает необходимый объем топлива от бака к воздушному отопителю.
ВНИМАНИЕ!
В воздушном отопителе следует всегда устанавливать только соответствующим образом маркированный дозировочный насос (см. рисунок выше). Дозировочный насос с другой маркировкой имеет больший объем подачи, что может привести к повреждению отопителя.
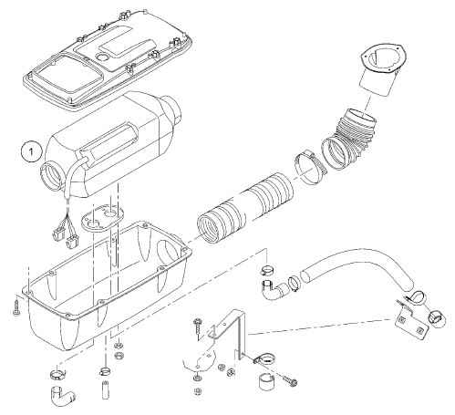
Изображение компонентов D1LCC и D3LCC

(1) Дополнительный воздушный отопитель (A483)
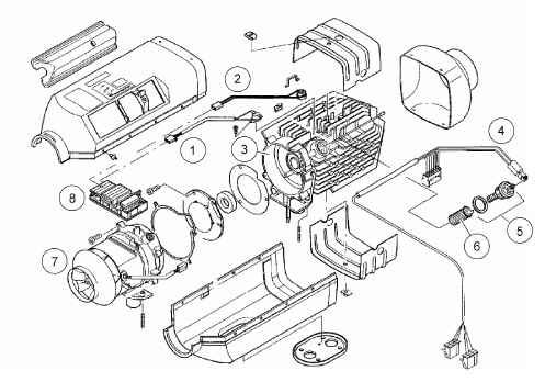
Изображение компонентов дополнительного воздушного отопителя (A483)

(1) Датчик перегрева
(2) Датчик пламени
(3) Теплообменник
(4) Жгут проводов
(5) Свеча накаливания с уплотнителем
(6) Облицовка (сито свечи)
(7) Вентилятор
(8) Устройство управления
Блок управления дополнительного воздушного отопителя (A483)
Разводка контактов

Штекер A 483/I (белый)

Штекер A483/II (желтый)

Технические характеристики

Таблица частоты вращения

Устройство управления дополнительного отопителя (A290)
Штекерная разводка контактов

Трехконтактный штекер (1) предусмотрен для пульта дистанционного управления.
TRS… Транспортные технические нормативы (предотвращение опасности пожара)


Технические характеристики

Дозировочный насос дополнительного отопителя (M123)
Штекерная разводка контактов


Технические характеристики

Проверка датчика перегрева
Проверьте датчик перегрева с помощью Fluke 123 или Fluke 83/3 (цифровой мультиметр) и термометра. Считайте сопротивление и температуру с измерительных приборов или демонтируйте датчик и дайте остыть ему до комнатной температуры (прибл. 20°C), а затем измерьте сопротивление.
Если значение сопротивления находится вне допустимого диапазона (10%) номинального значения (см. диаграмму), то замените датчик перегрева и блок управления (ремонтный комплект датчика перегрева).

(1) Температура (°C)
(2) Сопротивление (Ом)
Вентиляционное отверстие в патрубке свечи

Вентиляционное отверстие (1) имеет диаметр 2 мм и расположено над облицовкой (2) патрубка свечи.
Проверка коэффициентов проводимости воздухопроводящих деталей Коэффициент проводимости деталей представляет собой величину противодавления воздуха, возникающего в этом конструктивном компоненте.
Коэффициенты проводимости деталей проверяют визуально. Сначала проверяется правильность прокладки, затем - шланг на наличие повреждений, перегибов или внутреннего загрязнения.
Необходимо также указать правильную длину. Если коэффициенты проводимости деталей не соответствуют норме, в накопителе неисправностей сохраняются ошибки, которые отображаются на дисплее в качестве кодов SPN. Для удаления данных кодов необходимо заменить дефектные детали и стереть ошибки с помощью MAN-cats® II. Некоторым запасным частям необходимо придать
предписанную длину.
Вся информация в