Электрика и гидравлика системы ABS 8 JAC N721
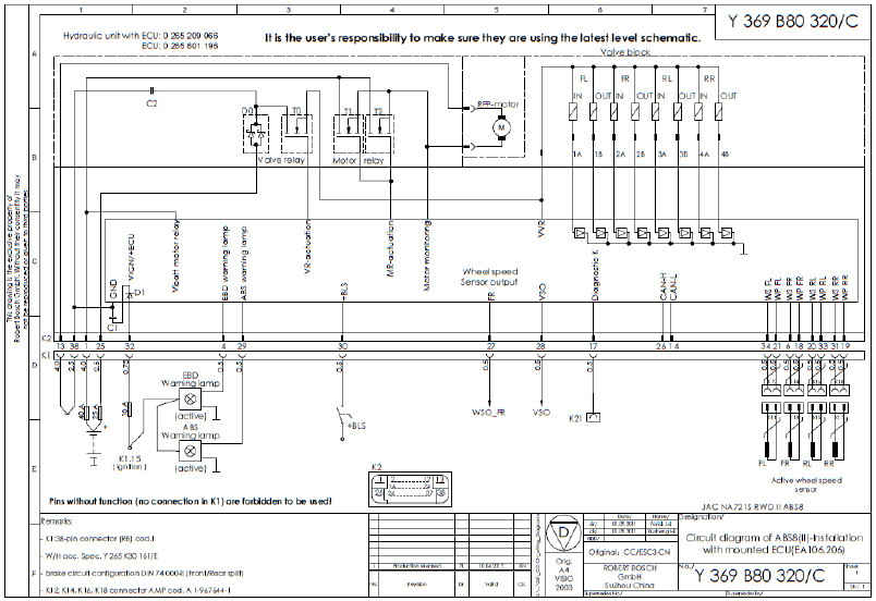
JAC N721 ABS 8 ECU Circuit Diagram

JAC N721 ABS 8 ECU Pin Assignment

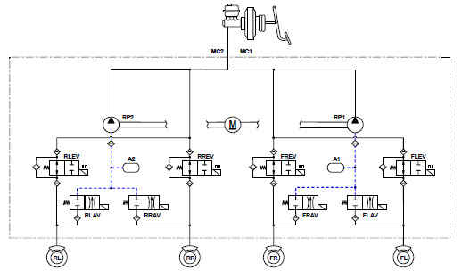
JAC N721 ABS 8 Hydraulic Diagram
The brake split type of this vehicle is II-split. As is shown below, ABS 8 HU comprises one pump motor, two recirculation pumps, two accumulators and eight solenoid valves.

Abbreviations:
