Схемы и компоненты HYUNDAI HD 35L-45L (LT)
Engine D4CB
Component Locations





Все описания расположения компонентов смотри в
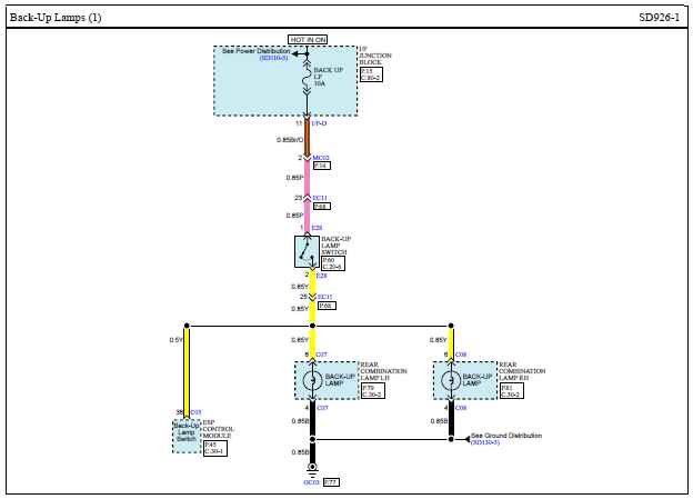
Schematic Diagrams





Все схемы смотри в
Подписывайтесь на наш канал в Telegram и будьте всегда в курсе самых последних сообщений и публикаций с сайта. |









