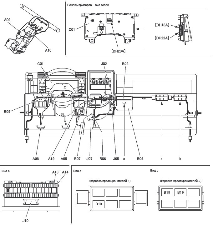
Расположение компонентов Mitsubish Canter (Fuso 4M5 EURO 3)

- A 05 потенциометр регулирования скорости холостого хода
- A 08 выключатель сцепления
- A 09 выключатель стартера
- A 10 выключатель комбинации
- A 13 подключение диагностирования
- A 14 подключение очистки памяти
- A 19 датчик позиции педали акселератора
- C 01 панель приборов
- J 02 разъем соединения
- J 10 разъем устройства Multi –Use tester
- B 04 коробка предохранителей
- B 05 ECU двигателя
- B 06 диод
- B 07 резистор CAN
- B 09 резистор регулирования числа впрыскиваний топлива
- B 13 предохранительное реле
- B 18 реле прекращения выброса ABS
- B 19 реле привода накаливания
ABS : антиблокировочная тормозная система
ECU : устройство электроуправления
CAN : сеть зоны контроллера
Отображается магнитной лентой разъема [ ]

- T 05 датчик температуры впускаемого воздуха
- U 01 коробка высоковольтных предохранителей
- U 02 высоковольтный предохранитель, предохранитель
- U 18 реле EDU
- U 27 EGR EDU
- U 28 EDU дроссельной задвижки
- V 01 3-ех ступенчатый магнитный клапан затвора выброса
EGR : exhaust gas recirculation – рециркуляция газа выхлопа
EDU : electronic drive unit – устройство электропривода

- W 03 соединение кабеля шасси и субкабеля шасси
- W 05 соединение кабеля шасси и кабеля двигателя
- W 06 соединение кабеля кабины и кабеля двигателя
- W 11 соединение кабеля кабины и кабеля шасси (в коробке разъема)

- R 02 датчик температуры воды
- R 03 датчик повышения давления
- R 10 датчик распознавания цилиндра
- R 11 форсунка
- R 12 MPROP (клапан контроля давления)
- R 13 впускная задвижка
- R 14 клапан EGR
- R 15 датчик давления common rail
- R 18 датчик температуры топлива
EGR : рециркуляция выхлопа газа

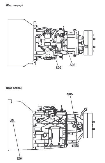
- S 02 выключатель нейтральной позиции коробки передач
- S 03 выключатель ограничения давления
- S 04 датчик скорости двигателя
- S 05 датчик скорости транспортного средства

1 - 17 Масса