Central Door locking System (система центрального замка)
DAF LF45/55
CDS означает Central Door locking System (система центрального замка).
Назначение системы CDS-3:
- автоматическое запирание обеих дверей при запирании одной из дверей с помощью ключа/кнопки.
- автоматическое запирание обеих дверей с помощью ручного передатчика.
- если одну из двух дверей отпереть с помощью ключа/кнопки, отпирается только эта дверь; другая дверь останется запертой.
- автоматическое отпирание двери со стороны водителя с помощью ручного передатчика. Между передатчиком и приемником передача закодированных данных осуществляется только от передатчика к приемнику. Приемник передает данные в блок, который закрывает двери или открывает дверь водителя. Если CDS-3 объединен с системой сигнализации ALS-S, блок CDS-3 посылает сигнал в систему сигнализации ALS-S для ее включения и выключения. Система CDS-3 не влияет на работу иммобилайзера.
Электронный блок CDS-3 (D905)
Электронный блок управляет и контролирует всю систему CDS-3.
Ручной передатчик

Ручные передатчики оснащены двумя кнопками. Когда одна из кнопок нажата, загорается светодиодный индикатор на ручном передатчике. Кнопка (1) служит для запирания дверей, а кнопка (2) служит для отпирания двери водителя.
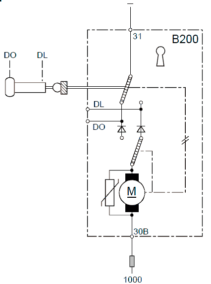
Электродвигатель замков дверей (B199, B200)
Общая информация
Электродвигатели системы центрального замка установлены в дверях. Электродвигатели можно
включить как вручную, так и с помощью электрической системы.
Управление с помощью электрической системы осуществляется через ручной передатчик и переключатель на приборной панели. Системой можно управлять вручную с помощью ключа и кнопки запирания двери.
Блок CDS-3 использует выходы электродвигателей для определения того, заперты или отперты двери.
Работа электродвигателя замков дверей
Положение запуска: дверь отперта
Дверь запирается с помощью кнопки/ключа.
Верхний переключатель включается непосредственно после сцепления с тягой. В результате ток проходит через предохранитель, соединение 30B, электродвигатель, нижний переключатель и верхний
переключатель через соединение 31 к "массе". Поскольку между электродвигателем и кнопкой
запирания имеется механическое соединение, кнопка опускается вниз. По достижении нижнего
положения переключатель конца хода (нижний переключатель на схеме) переключается.
Электродвигатель оказывает давление на кнопку запирания с помощью соединения ручка/соединительная тяга.

Дверь запирается с помощью системы CDS-3
Если точка подключения DL электродвигателя двери соединена с "массой", ток проходит через
предохранитель, соединение 30B, электродвигатель, нижний переключатель и DL к "массе". Для
включения электродвигателя достаточно несколько секунд.
Поскольку между электродвигателем и кнопкой запирания имеется механическое соединение, верхний
переключатель переключается мгновенно после этого. Ток поступает, пока переключатель конца хода не прервет соединение.
Положение запуска: дверь заперта
Дверь отпирается с помощью кнопки/ключа.
Верхний переключатель включается непосредственно после сцепления с тягой. В результате ток проходит через предохранитель, соединение 30B, электродвигатель, нижний переключатель и верхний
переключатель через соединение 31 к "массе". Поскольку между электродвигателем и кнопкой
запирания имеется механическое соединение, кнопка поднимается вверх. По достижении верхнего
положения переключатель конца хода (нижний переключатель на схеме) переключается.
Электродвигатель оказывает давление на кнопку запирания с помощью соединения ручка/соединительная тяга.

Дверь отпирается с помощью системы CDS-3
Если точка подключения DO электродвигателя двери соединена с "массой", ток проходит через
предохранитель, соединение 30B, электродвигатель, нижний переключатель и DO к "массе". Для
включения электродвигателя достаточно несколько секунд.
Поскольку между электродвигателем и кнопкой запирания имеется механическое соединение, верхний
переключатель переключается мгновенно после этого. Ток поступает, пока переключатель конца хода не прервет соединение.
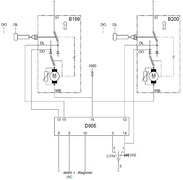
Отпирание дверей

Отпирание двери с помощью ключа.
Верхний переключатель включается непосредственно с помощью ключа.
Другая дверь остается запертой.
Отпирание двери со стороны пассажира с помощью переключателя C774.
Если включить переключатель C774 (контакт 3 соединить с контактом 1), соединение DO электродвигателя B200 соединяется с "массой". За счет этого запускается электродвигатель и отпирается замок двери пассажира.
Отпирание с помощью ручного передатчика
Если нажать кнопку отпирания двери на блоке ручного передатчика, он посылает сигнал фиксированного кода в блок CDS-3 (D905). Кроме того, ручной передатчик посылает закодированное сообщение (непрерывно изменяющийся код) в блок CDS-3, который распознает данный код. Данный непрерывно изменяющийся код изменяется при каждом включении ручного передатчика. После того как блок CDS-3 принимает данное сообщение, он посылает сигнал в блок VIC и, при наличии, он также посылает сигнал в систему сигнализации.
После этого блок CDS-3 соединяет контакт 13 с "массой". За счет этого включается электродвигатель со стороны водителя, и дверь отпирается. Затем блок CDS-3 проверяет состояние выхода электродвигателя (B199).
Соединение DL не должно быть соединено с "массой", когда электродвигатель находится в открытом положении. Блок CDS-3 использует данную информацию для определения того, выполнена ли
разблокировка двери со стороны водителя успешно. Через контакт 2 блок CDS-3 посылает сообщение в
блок VIC с указанием того, что дверь со стороны водителя успешно отперта. В результате блок VIC
включает внутреннее освещение на определенный период времени.
Дверь со стороны пассажира остается запертой.
Если дверь со стороны водителя не отпирается после трех попыток, в блок VIC посылается сообщение с
указанием того, что отпирание не выполнено.
Если автомобиль оснащен системой сигнализации, также посылается сигнал от соединения 2 блока CDS-3 в блок системы сигнализации. Затем сигнализация выключается.
Соответствующие компоненты
- Электродвигатель замков дверей (B199)
- Электродвигатель замков дверей (B200)
- Переключатель центрального замка (C774)
Запирание дверей

Запирание двери со стороны водителя с помощью ключа/кнопки
Верхний переключатель включается непосредственно с помощью ключа.
Блок CDS-3 (D905) должен считывать сигнал "массы" на контакте 15 через точку подключения DL. Затем блок CDS-3 соединяет контакт 12 с "массой", за счет чего также включается электродвигатель B200. Дверь со стороны пассажира также запирается.
Запирание двери со стороны пассажира с помощью ключа/кнопки
Верхний переключатель включается непосредственно с помощью ключа.
Блок CDS-3 (D905) должен считывать сигнал "массы" на контакте 12 через точку подключения DL. Затем блок CDS-3 соединяет контакт 15 с "массой", за счет чего также включается электродвигатель B199. Дверь со стороны водителя также запирается.
Запирание двери со стороны пассажира с помощью переключателя C774.
Если включить переключатель C774 (контакт 3 соединить с контактом 7), на контакте 3 блока D905
генерируется сигнал "массы". Затем блок CDS-3 соединяет точку подключения 12 с "массой", за счет
чего также включается электродвигатель B200. Дверь со стороны пассажира запирается.
Запирание дверей со стороны водителя и пассажира с помощью ручного передатчика.
Если нажать на кнопку запирания двери на ручном передатчике, он посылает сигнал фиксированного
кода в блок CDS-3. Кроме того, ручной передатчик посылает закодированное сообщение (непрерывно изменяющийся код) в блок CDS-3, который распознает данный код. Данный непрерывно изменяющийся код изменяется при каждом включении ручного передатчика.
После того как блок CDS-3 принимает сообщения, он посылает сигнал в блок VIC и, при наличии,
он также посылает сигнал включения сигнализации в систему сигнализации. Во время блокировки
блок CDS-3 соединяет контакты 12 и 15 с "массой". За счет этого включаются электродвигатели (B199
и B200). Затем блок CDS-3 проверяет состояние выходов электродвигателей на контактах 12 и 15. Он использует данную информацию для определения того, заблокированы ли двери. Через контакт 2 блок CDS-3 посылает сообщение в блок VIC с указанием того, что двери успешно заперты. В результате блок VIC выключает внутреннее освещение.
Если запирание дверей не выполнено, блок VIC снова включает внутреннее освещение. Внутреннее
освещение снова выключится по прошествии запрограммированного периода времени. Если автомобиль
оснащен системой сигнализации, также посылается сигнал от контакта 2 блока CDS-3 в блок системы сигнализации. За счет этого включается сигнализация.
Соответствующие компоненты
- Электродвигатель замков дверей (B199)
- Электродвигатель замков дверей (B200)
- Переключатель центрального замка (C774)
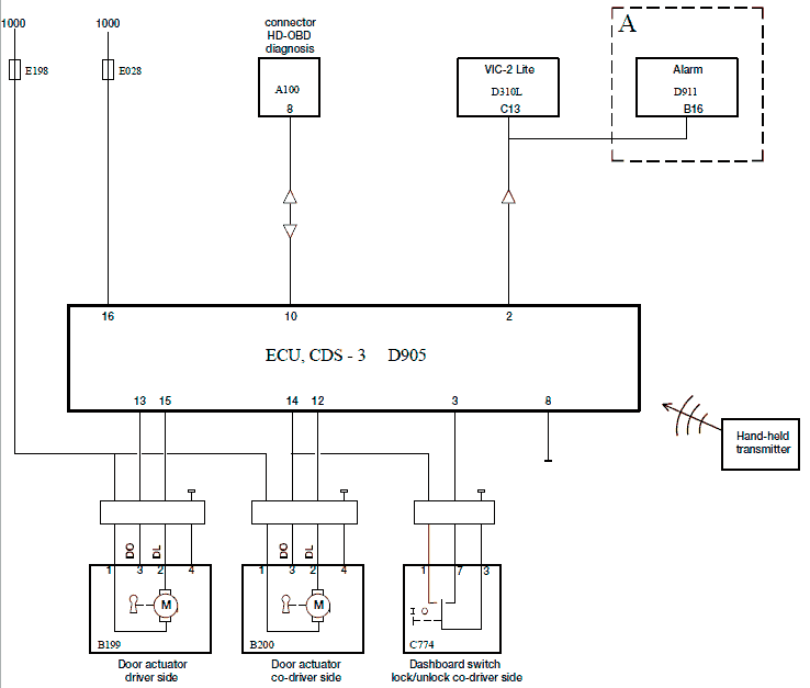
Блок-схема
LF45IV, LF55IV, ≤ 200928
Блок-схема E503277 относится к:
- моделям LF45 IV/55 IV

A: При наличии системы сигнализации ALS-S
- A100 Диагностический разъем HD-OBD
- B199 Электродвигатель центрального замка, со стороны водителя
- B200 Электродвигатель центрального замка, со стороны второго водителя
- C774 Переключатель, центральный замок
- D310L ECU, VIC-2 Lite
- D905 ECU, CDS
- D911 ECU сигнализации ALS-S
- E028 Предохранитель, внутренний
- E198 Предохранитель, центральный замок
LF45IV, LF55IV, ≥ 200929
Блок-схема E503630 относится к:
- моделям LF45 IV/55 IV
Модификации:
- Блок VIC-2 Lite (D310L) заменен блоком VIC-3 Lite (D358L)

A: При наличии системы сигнализации ALS-S
- A100 Диагностический разъем HD-OBD
- B199 Электродвигатель центрального замка, со стороны водителя
- B200 Электродвигатель центрального замка, со стороны второго водителя
- C774 Переключатель, центральный замок
- D358L ECU, VIC-3 Lite
- D905 ECU, CDS
- D911 ECU сигнализации ALS-S
- E028 Предохранитель, внутренний
- E198 Предохранитель, центральный замок
Информация о расположении, CDS-3
